Polaris
Browse New Models
Shop In-Stock
Can-Am
Browse New Models
Shop In-Stock
Ski-Doo
Browse New Models
Shop In-Stock
Sea-Doo
Browse New Models
Shop In-Stock
Kayo
Browse New Models
Shop In-Stock
Manitou
Browse New Models
Shop In-Stock
Our
Location
Call
Us
Contact
Us
Toggle navigation
Home
Brands
Showroom
Manufacturer Models
OEM Promotions
Polaris Off-Road
Polaris Snowmobiles
Can-Am
Sea-Doo
Ski-Doo
Kayo
Yamaha Marine
Triton Trailers
Manitou
Nitro Trailers
CAM Superline
Durabull Trailers
Trifecta Pontoons
Inventory
All Inventory In Stock
New Inventory In Stock
Pre-Owned Inventory
Value Your Trade-In
Request a Model
Financing
Parts
Parts Department
OEM Parts Finder
Service
Service Department
Request Polaris Service
Warranty & Recall Look-Up
Financing
About
Our Dealership
Our Team
Reviews
Customer Survey
Newsletter Sign-Up
Employment
Events
Location & Hours
Contact
Call Us
Fort Kent, ME
Fiche | Parts Diagrams
2011 Can-Am Motorcycles
Home
›
Parts
›
OEM Parts Finder
Search by :
Part / Desc
VIN
Please Select
Can-Am
LYNX
Polaris
Sea-Doo
Ski-Doo
Yamaha
*Please enter at least 3 characters
SEARCH
Manufacturer
Can-Am
Motorcycles
2011
Spyder RS Roadster SM5
View Cart
VIEW WISH LIST
Select a Section
Show/Hide
00- Model Numbers SM5
01- Clutch Cover And Water Pump
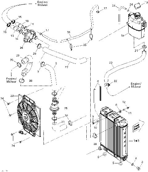
01- Cooling System
01- Crankcase
01- Crankshaft
01- Cylinder And Piston
01- Cylinder Head
01- Engine Lubrication
01- Engine SM5 (08Y1101b)
01- Engine SM5 (08Y1101c)
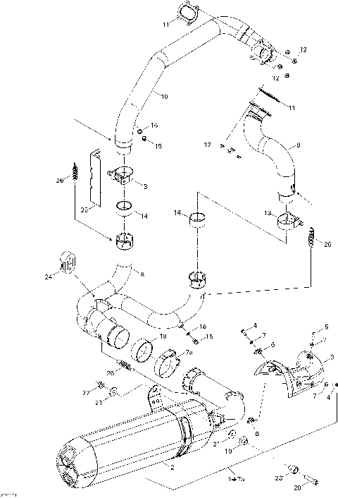
01- Exhaust System
01- Valve Cover
01- Valve Train
02- Air Intake
02- Fuel System
02- Oil System SM5
02- Throttle Body
03- Magneto And Electric Starter
05- Clutch
05- Diaphragm Cover
05- Gear Box
05- Shifting System
06- Hydraulic Brake, Front
06- Hydraulic Brake, Rear
07- Drive System, Front
07- Steering SM5
07- Suspension, Front
08- Drive System, Rear
08- Suspension, Rear
09- Body And Accessories Console SM5
09- Body And Accessories Front SM5
09- Body And Accessories Rear SM5
09- Body And Accessories Side SM5
09- Decals SM5
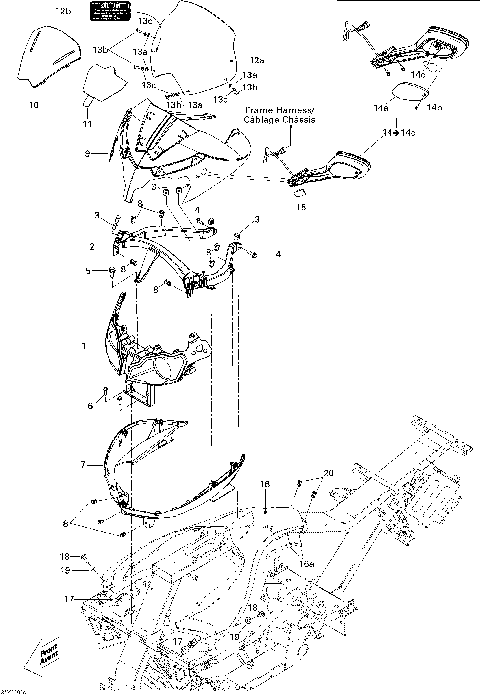
09- Frame
09- Seat
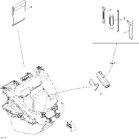
09- Utilities
10- Electrical Accessories SM5
10- Electrical Accessories, Front SM5
10- Electrical Accessories, Rear SM5
10- Electrical Accessories, Steering SM5
10- Electrical Harness SM5
10- Engine Harness
10- Lighting System Europe SM5
10- Lighting System SM5
00- Model Numbers SM5
01- Clutch Cover And Water Pump
01- Cooling System
01- Crankcase
01- Crankshaft
01- Cylinder And Piston
01- Cylinder Head
01- Engine Lubrication
01- Engine SM5 (08Y1101b)
01- Engine SM5 (08Y1101c)
01- Exhaust System
01- Valve Cover
01- Valve Train
02- Air Intake
02- Fuel System
02- Oil System SM5
02- Throttle Body
03- Magneto And Electric Starter
05- Clutch
05- Diaphragm Cover
05- Gear Box
05- Shifting System
06- Hydraulic Brake, Front
06- Hydraulic Brake, Rear
07- Drive System, Front
07- Steering SM5
07- Suspension, Front
08- Drive System, Rear
08- Suspension, Rear
09- Body And Accessories Console SM5
09- Body And Accessories Front SM5
09- Body And Accessories Rear SM5
09- Body And Accessories Side SM5
09- Decals SM5
09- Frame
09- Seat
09- Utilities
10- Electrical Accessories SM5
10- Electrical Accessories, Front SM5
10- Electrical Accessories, Rear SM5
10- Electrical Accessories, Steering SM5
10- Electrical Harness SM5
10- Engine Harness
10- Lighting System Europe SM5
10- Lighting System SM5
View Cart
VIEW WISH LIST