Polaris
Browse New Models
Shop In-Stock
Can-Am
Browse New Models
Shop In-Stock
Ski-Doo
Browse New Models
Shop In-Stock
Sea-Doo
Browse New Models
Shop In-Stock
Kayo
Browse New Models
Shop In-Stock
Manitou
Browse New Models
Shop In-Stock
Our
Location
Call
Us
Contact
Us
Toggle navigation
Home
Brands
Showroom
Manufacturer Models
OEM Promotions
Polaris Off-Road
Polaris Snowmobiles
Can-Am
Sea-Doo
Ski-Doo
Kayo
Yamaha Marine
Triton Trailers
Manitou
Nitro Trailers
CAM Superline
Durabull Trailers
Trifecta Pontoons
Inventory
All Inventory In Stock
New Inventory In Stock
Pre-Owned Inventory
Value Your Trade-In
Request a Model
Financing
Parts
Parts Department
OEM Parts Finder
Service
Service Department
Request Polaris Service
Warranty & Recall Look-Up
Financing
About
Our Dealership
Our Team
Reviews
Customer Survey
Newsletter Sign-Up
Employment
Events
Location & Hours
Contact
Call Us
Fort Kent, ME
Fiche | Parts Diagrams
2015 Can-Am Motorcycles
Home
›
Parts
›
OEM Parts Finder
Search by :
Part / Desc
VIN
Please Select
Can-Am
LYNX
Polaris
Sea-Doo
Ski-Doo
Yamaha
*Please enter at least 3 characters
SEARCH
Manufacturer
Can-Am
Motorcycles
2015
Spyder RTS SM6
View Cart
VIEW WISH LIST
Select a Section
Show/Hide
00- Model Numbers SM6_00Y1502
01- Clutch Cover _49R1534
01- Cooling System _10Y1502
01- Crankcase _01R1534
01- Crankshaft, Pistons And Balance Shaft _02R1534
01- Cylinder Head _03R1534
01- Engine Cooling _27R1534
01- Engine Lubrication _54R1534
01- Engine SM6_08Y1502
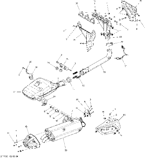
01- Exhaust System _21Y1502
01- Gearbox Housing _44R1534
01- Valve Cover _73R1534b
01- Valve Train _73R1534a
02- Air Intake _35Y1502
02- Air Intake Manifold And Throttle Body _18R1534
02- Fuel System _14Y1502
03- Alternator _12R1534
03- Electric Starter _06R1534
05- Clutch _09R1534
05- Gear Box _45R1534
05- Shifting System _11R1534
06- Hydraulic Brake _22Y1502a
06- Hydraulic Brake Pedal_22Y1502b
07- Drive System, Front _12Y1502
07- Steering _23Y1502
07- Suspension, Front _24Y1502
08- Drive System, Rear _13Y1502
08- Suspension, Rear _26Y1502
09- Body And Accessories _31Y1502
09- Body And Accessories Footrest_31Y1502d
09- Body And Accessories Fr Storage_31Y1502b
09- Body And Accessories Front Fender_31Y1502f
09- Body And Accessories Mirror_31Y1502g
09- Body And Accessories Windshield_31Y1502a
09- Decals _32Y1502
09- Frame _30Y1502
09- Luggages 36Y1502a
09- Luggages Cover_36Y1502b
09- Seat _29Y1502
09- Utilities _46Y1502
10- Electrical Harness Cargo_28Y1501c
10- Electrical Harness Console_28Y1501b
10- Electrical Harness Frame SM6_28Y1501a
10- Electrical Harness Switch_28Y1501d
10- Electrical System _20Y1502a
10- Electrical System Beam_20Y1502d
10- Electrical System Front View_20Y1502c
10- Electrical System Rear View_20Y1502b
10- Engine Harness And Electronic Module _51R1534
00- Model Numbers SM6_00Y1502
01- Clutch Cover _49R1534
01- Cooling System _10Y1502
01- Crankcase _01R1534
01- Crankshaft, Pistons And Balance Shaft _02R1534
01- Cylinder Head _03R1534
01- Engine Cooling _27R1534
01- Engine Lubrication _54R1534
01- Engine SM6_08Y1502
01- Exhaust System _21Y1502
01- Gearbox Housing _44R1534
01- Valve Cover _73R1534b
01- Valve Train _73R1534a
02- Air Intake _35Y1502
02- Air Intake Manifold And Throttle Body _18R1534
02- Fuel System _14Y1502
03- Alternator _12R1534
03- Electric Starter _06R1534
05- Clutch _09R1534
05- Gear Box _45R1534
05- Shifting System _11R1534
06- Hydraulic Brake _22Y1502a
06- Hydraulic Brake Pedal_22Y1502b
07- Drive System, Front _12Y1502
07- Steering _23Y1502
07- Suspension, Front _24Y1502
08- Drive System, Rear _13Y1502
08- Suspension, Rear _26Y1502
09- Body And Accessories _31Y1502
09- Body And Accessories Footrest_31Y1502d
09- Body And Accessories Fr Storage_31Y1502b
09- Body And Accessories Front Fender_31Y1502f
09- Body And Accessories Mirror_31Y1502g
09- Body And Accessories Windshield_31Y1502a
09- Decals _32Y1502
09- Frame _30Y1502
09- Luggages 36Y1502a
09- Luggages Cover_36Y1502b
09- Seat _29Y1502
09- Utilities _46Y1502
10- Electrical Harness Cargo_28Y1501c
10- Electrical Harness Console_28Y1501b
10- Electrical Harness Frame SM6_28Y1501a
10- Electrical Harness Switch_28Y1501d
10- Electrical System _20Y1502a
10- Electrical System Beam_20Y1502d
10- Electrical System Front View_20Y1502c
10- Electrical System Rear View_20Y1502b
10- Engine Harness And Electronic Module _51R1534
View Cart
VIEW WISH LIST