Polaris
Browse New Models
Shop In-Stock
Can-Am
Browse New Models
Shop In-Stock
Ski-Doo
Browse New Models
Shop In-Stock
Sea-Doo
Browse New Models
Shop In-Stock
Kayo
Browse New Models
Shop In-Stock
Manitou
Browse New Models
Shop In-Stock
Our
Location
Call
Us
Contact
Us
Toggle navigation
Home
Brands
Showroom
Manufacturer Models
OEM Promotions
Polaris Off-Road
Polaris Snowmobiles
Can-Am
Sea-Doo
Ski-Doo
Kayo
Yamaha Marine
Triton Trailers
Manitou
Nitro Trailers
CAM Superline
Durabull Trailers
Trifecta Pontoons
Inventory
All Inventory In Stock
New Inventory In Stock
Pre-Owned Inventory
Value Your Trade-In
Request a Model
Financing
Parts
Parts Department
OEM Parts Finder
Service
Service Department
Request Polaris Service
Warranty & Recall Look-Up
Financing
About
Our Dealership
Our Team
Reviews
Customer Survey
Newsletter Sign-Up
Employment
Events
Location & Hours
Contact
Call Us
Fort Kent, ME
Fiche | Parts Diagrams
2015 Can-Am Utility Vehicles
Home
›
Parts
›
OEM Parts Finder
Search by :
Part / Desc
VIN
Please Select
Can-Am
LYNX
Polaris
Sea-Doo
Ski-Doo
Yamaha
*Please enter at least 3 characters
SEARCH
Manufacturer
Can-Am
Utility Vehicles
2015
Commander 800_STD_DPS_XT
View Cart
VIEW WISH LIST
Select a Section
Show/Hide
00- Model Numbers _00C1501
01- Cooling System _10C1501
01- Crankcase _01R1509
01- Crankshaft, Piston And Cylinder _02R1509
01- Cylinder Head, Front _03R1509a
01- Cylinder Head, Rear _03R1509b
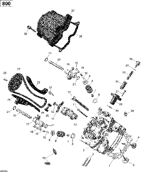
01- Engine _08C1501
01- Engine Cooling _27R1509
01- Engine Lubrication _54R1509
01- Exhaust System _21C1501
02- Air Intake _35C1501
02- Air Intake Manifold And Throttle Body _18R1509
02- Fuel System _14C1501
03- Magneto And Electric Starter _04R1509
05- Gear Box 1_45R1509a
05- Gear Box 2_45R1509b
05- Transmission _19R1509
06- Brakes - With Locking Rear Differential_22C1401a
06- Brakes _22C1501
07- Drive System, Front _12C1501a
07- Drive System, Front _Differential_12C1501b
07- Front Suspension _24C1501
07- Steering _23C1501
08- Drive Shaft _56R1509
08- Drive System, Rear - With Locking Rear Differential_13C1513a
08- Drive System, Rear _13C1501a
08- Drive System, Rear _Differential_13C1501b
08- Rear Suspension - With Locking Rear Differential_26C1401a
08- Rear Suspension _26C1501
09- Body And Accessories _31C1501
09- Cab Interior _77C1501
09- Decals - With Locking Rear Differential_32C1401a
09- Decals _32C1501
09- Frame - With Locking Rear Differential_30C1401a
09- Frame _30C1501
09- Mirrors And Tools _67C1501
09- Rear Cargo Box _42C1501
09- Seat _29C1501
10- Electrical Harness Cablage Europe_15C1501b
10- Electrical Harness Main Harness_15C1501a
10- Electrical Harness Rear, EUROPE_15C1501d
10- Electrical Harness Rear, NA_Inter_15C1501c
10- Electrical Harness Tail Gate, EUROPE_15C1501e
10- Electrical System - With Locking Rear Differential_20C1513a
10- Electrical System _20C1501
10- Engine Harness And Electronic Module _51R1509
00- Model Numbers _00C1501
01- Cooling System _10C1501
01- Crankcase _01R1509
01- Crankshaft, Piston And Cylinder _02R1509
01- Cylinder Head, Front _03R1509a
01- Cylinder Head, Rear _03R1509b
01- Engine _08C1501
01- Engine Cooling _27R1509
01- Engine Lubrication _54R1509
01- Exhaust System _21C1501
02- Air Intake _35C1501
02- Air Intake Manifold And Throttle Body _18R1509
02- Fuel System _14C1501
03- Magneto And Electric Starter _04R1509
05- Gear Box 1_45R1509a
05- Gear Box 2_45R1509b
05- Transmission _19R1509
06- Brakes - With Locking Rear Differential_22C1401a
06- Brakes _22C1501
07- Drive System, Front _12C1501a
07- Drive System, Front _Differential_12C1501b
07- Front Suspension _24C1501
07- Steering _23C1501
08- Drive Shaft _56R1509
08- Drive System, Rear - With Locking Rear Differential_13C1513a
08- Drive System, Rear _13C1501a
08- Drive System, Rear _Differential_13C1501b
08- Rear Suspension - With Locking Rear Differential_26C1401a
08- Rear Suspension _26C1501
09- Body And Accessories _31C1501
09- Cab Interior _77C1501
09- Decals - With Locking Rear Differential_32C1401a
09- Decals _32C1501
09- Frame - With Locking Rear Differential_30C1401a
09- Frame _30C1501
09- Mirrors And Tools _67C1501
09- Rear Cargo Box _42C1501
09- Seat _29C1501
10- Electrical Harness Cablage Europe_15C1501b
10- Electrical Harness Main Harness_15C1501a
10- Electrical Harness Rear, EUROPE_15C1501d
10- Electrical Harness Rear, NA_Inter_15C1501c
10- Electrical Harness Tail Gate, EUROPE_15C1501e
10- Electrical System - With Locking Rear Differential_20C1513a
10- Electrical System _20C1501
10- Engine Harness And Electronic Module _51R1509
View Cart
VIEW WISH LIST