Polaris
Browse New Models
Shop In-Stock
Can-Am
Browse New Models
Shop In-Stock
Ski-Doo
Browse New Models
Shop In-Stock
Sea-Doo
Browse New Models
Shop In-Stock
Kayo
Browse New Models
Shop In-Stock
Manitou
Browse New Models
Shop In-Stock
Our
Location
Call
Us
Contact
Us
Toggle navigation
Home
Brands
Showroom
Manufacturer Models
OEM Promotions
Polaris Off-Road
Polaris Snowmobiles
Can-Am
Sea-Doo
Ski-Doo
Kayo
Yamaha Marine
Triton Trailers
Manitou
Nitro Trailers
CAM Superline
Durabull Trailers
Trifecta Pontoons
Inventory
All Inventory In Stock
New Inventory In Stock
Pre-Owned Inventory
Value Your Trade-In
Request a Model
Financing
Parts
Parts Department
OEM Parts Finder
Service
Service Department
Request Polaris Service
Warranty & Recall Look-Up
Financing
About
Our Dealership
Our Team
Reviews
Customer Survey
Newsletter Sign-Up
Employment
Events
Location & Hours
Contact
Call Us
Fort Kent, ME
Fiche | Parts Diagrams
2019 Can-Am Utility Vehicles
Home
›
Parts
›
OEM Parts Finder
Search by :
Part / Desc
VIN
Please Select
Can-Am
LYNX
Polaris
Sea-Doo
Ski-Doo
Yamaha
*Please enter at least 3 characters
SEARCH
Manufacturer
Can-Am
Utility Vehicles
2019
003 - Commander MAX 1000R EFI - International
View Cart
VIEW WISH LIST
Select a Section
Show/Hide
00- Model Numbers
01- Cooling - 1000R EFI
01- Crankcase - 1000R
01- Crankshaft, Piston and Cylinder - 1000R
01- Cylinder Head, Front - 1000R
01- Cylinder Head, Rear - 1000R
01- Engine - 1000R EFI MAX
01- Engine Cooling - 1000R
01- Engine Lubrication - 1000R
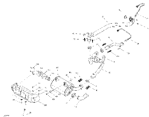
01- Exhaust - 1000R EFI
01- Gear Box And Components 420686562
02- Air Intake
02- Air Intake Manifold and Throttle Body - 1000R
02- Fuel - 1000R EFI
03- Magneto and Electric Starter - 1000R
05- Gear Box 1 - 420686562
05- Gear Box 2 - 420686562
05- Transmission - 1000R
06- Brakes
07- Front Drive
07- Front Suspension
07- Shocks - LTD
07- Shocks - XT
07- Steering
07- Wheels - LTD
07- Wheels - XT
08- Drive Shaft - 1000R
08- Rear Drive
08- Rear Suspension
09- Body And Accessories - Accessories - LTD
09- Body And Accessories - Central Panel - Boreal Green
09- Body And Accessories - Central Panel - Timeless Black
09- Body And Accessories - Front Section - Boreal Green
09- Body And Accessories - Front Section - Timeless Black
09- Cab Interior Commander MAX - Front Section
09- Cab Interior Commander MAX - Lower Section
09- Cab Interior Commander MAX - Safety Net
09- Cab Interior Commander MAX - Upper Section
09- Decals - 1000R - LTD
09- Decals - 1000R - XT
09- Frame
09- Rear Cargo Box
09- Seat
09- Tools - 1000R
10- Electrical - LTD
10- Electrical - XT
10- Engine Harness and Electronic Module - Commander MAX 1000R
10- Main Harness 710006090 Commander MAX
00- Model Numbers
01- Cooling - 1000R EFI
01- Crankcase - 1000R
01- Crankshaft, Piston and Cylinder - 1000R
01- Cylinder Head, Front - 1000R
01- Cylinder Head, Rear - 1000R
01- Engine - 1000R EFI MAX
01- Engine Cooling - 1000R
01- Engine Lubrication - 1000R
01- Exhaust - 1000R EFI
01- Gear Box And Components 420686562
02- Air Intake
02- Air Intake Manifold and Throttle Body - 1000R
02- Fuel - 1000R EFI
03- Magneto and Electric Starter - 1000R
05- Gear Box 1 - 420686562
05- Gear Box 2 - 420686562
05- Transmission - 1000R
06- Brakes
07- Front Drive
07- Front Suspension
07- Shocks - LTD
07- Shocks - XT
07- Steering
07- Wheels - LTD
07- Wheels - XT
08- Drive Shaft - 1000R
08- Rear Drive
08- Rear Suspension
09- Body And Accessories - Accessories - LTD
09- Body And Accessories - Central Panel - Boreal Green
09- Body And Accessories - Central Panel - Timeless Black
09- Body And Accessories - Front Section - Boreal Green
09- Body And Accessories - Front Section - Timeless Black
09- Cab Interior Commander MAX - Front Section
09- Cab Interior Commander MAX - Lower Section
09- Cab Interior Commander MAX - Safety Net
09- Cab Interior Commander MAX - Upper Section
09- Decals - 1000R - LTD
09- Decals - 1000R - XT
09- Frame
09- Rear Cargo Box
09- Seat
09- Tools - 1000R
10- Electrical - LTD
10- Electrical - XT
10- Engine Harness and Electronic Module - Commander MAX 1000R
10- Main Harness 710006090 Commander MAX
View Cart
VIEW WISH LIST