Polaris
Browse New Models
Shop In-Stock
Can-Am
Browse New Models
Shop In-Stock
Ski-Doo
Browse New Models
Shop In-Stock
Sea-Doo
Browse New Models
Shop In-Stock
Kayo
Browse New Models
Shop In-Stock
Manitou
Browse New Models
Shop In-Stock
Our
Location
Call
Us
Contact
Us
Toggle navigation
Home
Brands
Showroom
Manufacturer Models
OEM Promotions
Polaris Off-Road
Polaris Snowmobiles
Can-Am
Sea-Doo
Ski-Doo
Kayo
Yamaha Marine
Triton Trailers
Manitou
Nitro Trailers
CAM Superline
Durabull Trailers
Trifecta Pontoons
Inventory
All Inventory In Stock
New Inventory In Stock
Pre-Owned Inventory
Value Your Trade-In
Request a Model
Financing
Parts
Parts Department
OEM Parts Finder
Service
Service Department
Request Polaris Service
Warranty & Recall Look-Up
Financing
About
Our Dealership
Our Team
Reviews
Customer Survey
Newsletter Sign-Up
Employment
Events
Location & Hours
Contact
Call Us
Fort Kent, ME
Fiche | Parts Diagrams
2011 LYNX Snowmobiles
Home
›
Parts
›
OEM Parts Finder
Search by :
Part / Desc
VIN
Please Select
Can-Am
LYNX
Polaris
Sea-Doo
Ski-Doo
Yamaha
*Please enter at least 3 characters
SEARCH
Manufacturer
Lynx
Snowmobiles
2011
Adventure LX 600 ACE
View Cart
VIEW WISH LIST
Select a Section
Show/Hide
01- Crankshaft And Pistons
01- Cylinder Head
01- Engine
01- Engine Block
01- Engine Cooling
01- Engine Lubrication Adventure
01- Exhaust System
01- Valve Cover
01- Valve Train
02- Air Intake Manifold And Throttle Body
02- Air Intake System
03- Magneto And Electric Starter Adventure
05- Drive System (Europe)
05- Pulley System (Europe)
06- Hydraulic Brakes (Europe)
07- Front Suspension And Ski (Europe)
07- Steering
08- Front Arm
08- Rear Arm
08- Rear Suspension
08- Rear Suspension Shocks
09- Bottom Pan
09- Decals
09- Frame
09- Frame and Components
09- Hood
09- Seat
09- Utilities
09- Windshield And Console
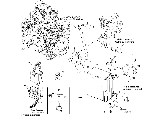
10- Battery And Starter
10- Electrical Accessories, Steering
10- Electrical Harness
10- Electrical System
10- Engine Harness And Electronic Module
10- Steering Wiring Harness
01- Crankshaft And Pistons
01- Cylinder Head
01- Engine
01- Engine Block
01- Engine Cooling
01- Engine Lubrication Adventure
01- Exhaust System
01- Valve Cover
01- Valve Train
02- Air Intake Manifold And Throttle Body
02- Air Intake System
03- Magneto And Electric Starter Adventure
05- Drive System (Europe)
05- Pulley System (Europe)
06- Hydraulic Brakes (Europe)
07- Front Suspension And Ski (Europe)
07- Steering
08- Front Arm
08- Rear Arm
08- Rear Suspension
08- Rear Suspension Shocks
09- Bottom Pan
09- Decals
09- Frame
09- Frame and Components
09- Hood
09- Seat
09- Utilities
09- Windshield And Console
10- Battery And Starter
10- Electrical Accessories, Steering
10- Electrical Harness
10- Electrical System
10- Engine Harness And Electronic Module
10- Steering Wiring Harness
View Cart
VIEW WISH LIST