Polaris
Browse New Models
Shop In-Stock
Can-Am
Browse New Models
Shop In-Stock
Ski-Doo
Browse New Models
Shop In-Stock
Sea-Doo
Browse New Models
Shop In-Stock
Kayo
Browse New Models
Shop In-Stock
Manitou
Browse New Models
Shop In-Stock
Our
Location
Call
Us
Contact
Us
Toggle navigation
Home
Brands
Showroom
Manufacturer Models
OEM Promotions
Polaris Off-Road
Polaris Snowmobiles
Can-Am
Sea-Doo
Ski-Doo
Kayo
Yamaha Marine
Triton Trailers
Manitou
Nitro Trailers
CAM Superline
Durabull Trailers
Trifecta Pontoons
Inventory
All Inventory In Stock
New Inventory In Stock
Pre-Owned Inventory
Value Your Trade-In
Request a Model
Financing
Parts
Parts Department
OEM Parts Finder
Service
Service Department
Request Polaris Service
Warranty & Recall Look-Up
Financing
About
Our Dealership
Our Team
Reviews
Customer Survey
Newsletter Sign-Up
Employment
Events
Location & Hours
Contact
Call Us
Fort Kent, ME
Fiche | Parts Diagrams
2014 LYNX Snowmobiles
Home
›
Parts
›
OEM Parts Finder
Search by :
Part / Desc
VIN
Please Select
Can-Am
LYNX
Polaris
Sea-Doo
Ski-Doo
Yamaha
*Please enter at least 3 characters
SEARCH
Manufacturer
Lynx
Snowmobiles
2014
49 Ranger 600 E-TEC
View Cart
VIEW WISH LIST
Select a Section
Show/Hide
00- Model Numbers
01- Cooling System
01- Crankcase And Water Pump
01- Crankshaft And Pistons
01- Cylinder And Injection System
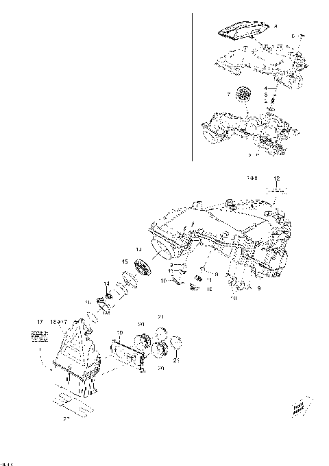
01- Engine And Engine Support
01- Exhaust System
01- RAVE Valve
02- Air Intake System
02- Fuel System
02- Oil System
03- Magneto
04- Rewind Starter
05- Drive System
05- Pulley System
06- Hydraulic Brakes
07- Front Suspension And Ski
07- Steering System
08- Rear Suspension (27L1410)
08- Rear Suspension (28L1410)
09- Bottom Pan
09- Cargo Rack
09- Decals
09- Frame
09- Hood
09- Seat
09- Utilities
10- Battery And Starter
10- Electrical Harness
10- Electrical System
10- Steering Wiring Harness
00- Model Numbers
01- Cooling System
01- Crankcase And Water Pump
01- Crankshaft And Pistons
01- Cylinder And Injection System
01- Engine And Engine Support
01- Exhaust System
01- RAVE Valve
02- Air Intake System
02- Fuel System
02- Oil System
03- Magneto
04- Rewind Starter
05- Drive System
05- Pulley System
06- Hydraulic Brakes
07- Front Suspension And Ski
07- Steering System
08- Rear Suspension (27L1410)
08- Rear Suspension (28L1410)
09- Bottom Pan
09- Cargo Rack
09- Decals
09- Frame
09- Hood
09- Seat
09- Utilities
10- Battery And Starter
10- Electrical Harness
10- Electrical System
10- Steering Wiring Harness
View Cart
VIEW WISH LIST