Polaris
Browse New Models
Shop In-Stock
Can-Am
Browse New Models
Shop In-Stock
Ski-Doo
Browse New Models
Shop In-Stock
Sea-Doo
Browse New Models
Shop In-Stock
Kayo
Browse New Models
Shop In-Stock
Manitou
Browse New Models
Shop In-Stock
Our
Location
Call
Us
Contact
Us
Toggle navigation
Home
Brands
Showroom
Manufacturer Models
OEM Promotions
Polaris Off-Road
Polaris Snowmobiles
Can-Am
Sea-Doo
Ski-Doo
Kayo
Yamaha Marine
Triton Trailers
Manitou
Nitro Trailers
CAM Superline
Durabull Trailers
Trifecta Pontoons
Inventory
All Inventory In Stock
New Inventory In Stock
Pre-Owned Inventory
Value Your Trade-In
Request a Model
Financing
Parts
Parts Department
OEM Parts Finder
Service
Service Department
Request Polaris Service
Warranty & Recall Look-Up
Financing
About
Our Dealership
Our Team
Reviews
Customer Survey
Newsletter Sign-Up
Employment
Events
Location & Hours
Contact
Call Us
Fort Kent, ME
Fiche | Parts Diagrams
2007 Polaris Snowmobiles
Home
›
Parts
›
OEM Parts Finder
Search by :
Part / Desc
VIN
Please Select
Can-Am
LYNX
Polaris
Sea-Doo
Ski-Doo
Yamaha
*Please enter at least 3 characters
SEARCH
Manufacturer
Polaris
Snowmobiles
2007
TRAIL RMK (S07NJ5BS/BE)
View Cart
VIEW WISH LIST
Select a Section
Show/Hide
BRAKE SYSTEM - S07NJ5BS/BE (4997139713B11)
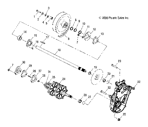
CHAINCASE - S07NJ5BS/BE (4997279727B11)
CHASSIS - S07NJ5BS/BE (49SNOWCHASSISFRTTRAILRMK)
CHASSIS, REAR - S07NJ5BS/BE (4997279727A04)
CONSOLE - S07NJ5BS/BE (49SNOWCONSOLE550LX)
DECALS - S07NJ5BS/BE (49SNOWDECALTRAILRMK)
DRIVE CLUTCH - S07NJ5BS/BE (49SNOWDRIVECLUTCHTRAILRMK)
DRIVE TRAIN - S07NJ5BS/BE (49SNOWDRIVETRAINTRAILRMK)
DRIVEN CLUTCH - S07NJ5BS/BE (49SNOWDRIVENCLUTCHTRAILRMK)
ENGINE BLOWER HOUSING and RECOIL STARTER - S07NJ5BS/BE (49SNOWBLOWERSUPER)
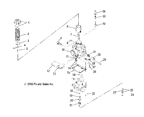
ENGINE, CARBURETOR - S07NJ5BS/BE (4997239723C14)
ENGINE, CRANKCASE - S07NJ5BS/BE (4997279727C05)
ENGINE, CYLINDER - S07NJ5BS/BE (4997279727C06)
ENGINE, FUEL PUMP - S07NJ5BS/BE (4997279727C10)
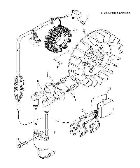
ENGINE, MAGNETO - S07NJ5BS/BE (4997279727C12)
ENGINE, MOUNTING - S07NJ5BS/BE (49SNOWENGINEMOUNTTRAILRMK)
ENGINE, OIL PUMP - S07NJ5BS/BE (4997279727C11)
ENGINE, PISTON and CRANKSHAFT - S07NJ5BS/BE (4997279727C07)
EXHAUST SYSTEM - S07NJ5BS/BE (4997279727C03)
FUEL SYSTEM - S07NJ5BS/BE (4997279727A06)
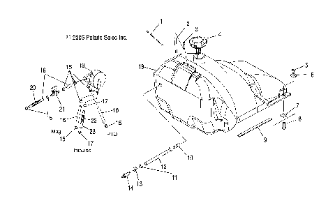
HOOD FOAM/FOIL - S07NJ5BS/BE (4997279727A11)
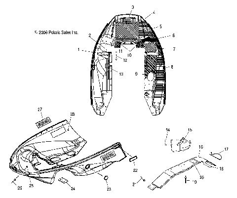
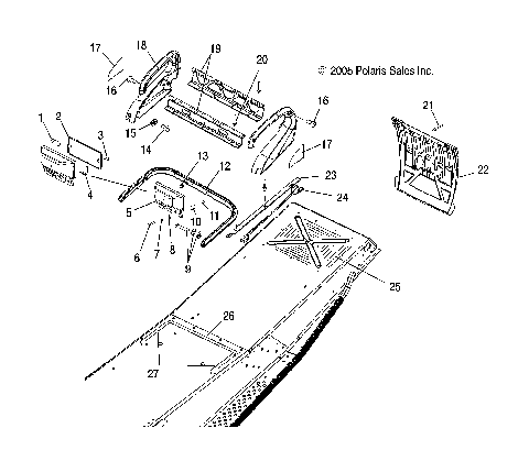
HOOD/HEADLIGHT - S07NJ5BS/BE (49SNOWHOODHEADLIGHTTRAILRMK)
HOOD/WINDSHIELD - S07NJ5BS/BE (4997279727A10)
NOSEPAN/BUMPER - S07NJ5BS/BE (4997279727A07)
NOSEPAN/FOIL - S07NJ5BS/BE (49SNOWNOSEPANFOILTRAILRMK)
OIL TANK/AIRBOX - S07NJ5BS/BE (49SNOWOILTANKAIRBOXTRAILRMK)
SEAT - S07NJ5BS/BE (49SNOWSEATTRAILRMK)
SKI - S07NJ5BS/BE (49SNOWSKIASMTRAILRMK)
STEERING, LOWER - S07NJ5BS/BE (49SNOWSTEERINGTRAILRMK)
STEERING/HANDLEBAR - S07NJ5BS/BE (49SNOWHANDLEBARTRAILRMK)
STEERING/POST - S07NJ5BS/BE (4997279727B05)
SUSPENSION - S07NJ5BS/BE (4997279727B07)
SUSPENSION, FRONT/RADIUS RODS - S07NJ5BS/BE (4997279727A14)
SUSPENSION, FRONT/TRAILING ARM - S07NJ5BS/BE (4997279727B01)
SUSPENSION, RAIL MOUNTING - S07NJ5BS/BE (4997279727B08)
TOOL KIT - S07NJ5BS/BE (49SNOWTOOLTRAILRMK)
TORQUE ARM, FRONT - S07NJ5BS/BE (4997279727B09)
TORQUE ARM, REAR - S07NJ5BS/BE (4997279727B10)
BRAKE SYSTEM - S07NJ5BS/BE (4997139713B11)
CHAINCASE - S07NJ5BS/BE (4997279727B11)
CHASSIS - S07NJ5BS/BE (49SNOWCHASSISFRTTRAILRMK)
CHASSIS, REAR - S07NJ5BS/BE (4997279727A04)
CONSOLE - S07NJ5BS/BE (49SNOWCONSOLE550LX)
DECALS - S07NJ5BS/BE (49SNOWDECALTRAILRMK)
DRIVE CLUTCH - S07NJ5BS/BE (49SNOWDRIVECLUTCHTRAILRMK)
DRIVE TRAIN - S07NJ5BS/BE (49SNOWDRIVETRAINTRAILRMK)
DRIVEN CLUTCH - S07NJ5BS/BE (49SNOWDRIVENCLUTCHTRAILRMK)
ENGINE BLOWER HOUSING and RECOIL STARTER - S07NJ5BS/BE (49SNOWBLOWERSUPER)
ENGINE, CARBURETOR - S07NJ5BS/BE (4997239723C14)
ENGINE, CRANKCASE - S07NJ5BS/BE (4997279727C05)
ENGINE, CYLINDER - S07NJ5BS/BE (4997279727C06)
ENGINE, FUEL PUMP - S07NJ5BS/BE (4997279727C10)
ENGINE, MAGNETO - S07NJ5BS/BE (4997279727C12)
ENGINE, MOUNTING - S07NJ5BS/BE (49SNOWENGINEMOUNTTRAILRMK)
ENGINE, OIL PUMP - S07NJ5BS/BE (4997279727C11)
ENGINE, PISTON and CRANKSHAFT - S07NJ5BS/BE (4997279727C07)
EXHAUST SYSTEM - S07NJ5BS/BE (4997279727C03)
FUEL SYSTEM - S07NJ5BS/BE (4997279727A06)
HOOD FOAM/FOIL - S07NJ5BS/BE (4997279727A11)
HOOD/HEADLIGHT - S07NJ5BS/BE (49SNOWHOODHEADLIGHTTRAILRMK)
HOOD/WINDSHIELD - S07NJ5BS/BE (4997279727A10)
NOSEPAN/BUMPER - S07NJ5BS/BE (4997279727A07)
NOSEPAN/FOIL - S07NJ5BS/BE (49SNOWNOSEPANFOILTRAILRMK)
OIL TANK/AIRBOX - S07NJ5BS/BE (49SNOWOILTANKAIRBOXTRAILRMK)
SEAT - S07NJ5BS/BE (49SNOWSEATTRAILRMK)
SKI - S07NJ5BS/BE (49SNOWSKIASMTRAILRMK)
STEERING, LOWER - S07NJ5BS/BE (49SNOWSTEERINGTRAILRMK)
STEERING/HANDLEBAR - S07NJ5BS/BE (49SNOWHANDLEBARTRAILRMK)
STEERING/POST - S07NJ5BS/BE (4997279727B05)
SUSPENSION - S07NJ5BS/BE (4997279727B07)
SUSPENSION, FRONT/RADIUS RODS - S07NJ5BS/BE (4997279727A14)
SUSPENSION, FRONT/TRAILING ARM - S07NJ5BS/BE (4997279727B01)
SUSPENSION, RAIL MOUNTING - S07NJ5BS/BE (4997279727B08)
TOOL KIT - S07NJ5BS/BE (49SNOWTOOLTRAILRMK)
TORQUE ARM, FRONT - S07NJ5BS/BE (4997279727B09)
TORQUE ARM, REAR - S07NJ5BS/BE (4997279727B10)
View Cart
VIEW WISH LIST