Polaris
Browse New Models
Shop In-Stock
Can-Am
Browse New Models
Shop In-Stock
Ski-Doo
Browse New Models
Shop In-Stock
Sea-Doo
Browse New Models
Shop In-Stock
Kayo
Browse New Models
Shop In-Stock
Manitou
Browse New Models
Shop In-Stock
Our
Location
Call
Us
Contact
Us
Toggle navigation
Home
Brands
Showroom
Manufacturer Models
OEM Promotions
Polaris Off-Road
Polaris Snowmobiles
Can-Am
Sea-Doo
Ski-Doo
Kayo
Yamaha Marine
Triton Trailers
Manitou
Nitro Trailers
CAM Superline
Durabull Trailers
Trifecta Pontoons
Inventory
All Inventory In Stock
New Inventory In Stock
Pre-Owned Inventory
Value Your Trade-In
Request a Model
Financing
Parts
Parts Department
OEM Parts Finder
Service
Service Department
Request Polaris Service
Warranty & Recall Look-Up
Financing
About
Our Dealership
Our Team
Reviews
Customer Survey
Newsletter Sign-Up
Employment
Events
Location & Hours
Contact
Call Us
Fort Kent, ME
Fiche | Parts Diagrams
2010 Polaris Snowmobiles
Home
›
Parts
›
OEM Parts Finder
Search by :
Part / Desc
VIN
Please Select
Can-Am
LYNX
Polaris
Sea-Doo
Ski-Doo
Yamaha
*Please enter at least 3 characters
SEARCH
Manufacturer
Polaris
Snowmobiles
2010
IQ TURBO DRAGON (S10PP7FSL/FEL)
View Cart
VIEW WISH LIST
Select a Section
Show/Hide
BODY, CONSOLE - S10PP7FSL/FEL (49SNOWCONSOLE09FSTRG)
BODY, DECALS - S10PP7FSL/FEL (49SNOWDECAL10TRBODRGN)
BODY, FENDERS, LH/RH - S10PP7FSL/FEL (49SNOWFENDERS09FSTRG)
BODY, FRONT BUMPER and NOSEPAN - S10PP7FSL/FEL (49SNOWBUMPER10TRBOLX)
BODY, HAND GUARDS - S10PP7FSL/FEL (49SNOWGUARDS09TRBODRGN)
BODY, HOOD ASM. - S10PP7FSL/FEL (49SNOWHOOD10TRBODRGN)
BODY, HOOD FOAM and FOIL - S10PP7FSL/FEL (49SNOWHOODSCFL10FSTTRG)
BODY, HOOD SCREENS and HINGE ASM. - S10PP7FSL/FEL (49SNOWHOODMTG10FSTTRG)
BODY, REAR BUMPER, SNOWFLAP, and TAILLIGHT HOUSING - S10PP7FSL/FEL (49SNOWRACK10TRBODGN)
BODY, SEAT ASM. - S10PP7FSL/FEL (49SNOWSEAT10TRBODGN)
BODY, SIDE PANEL ASM., LH/RH - S10PP7FSL/FEL (49SNOWPANEL09FSTRG)
BODY, WINDSHIELD - S10PP7FSL/FEL (49SNOWWINDSHLD09TRBODRGN)
BRAKES, BRAKE SYSTEM - S10PP7FSL/FEL (49SNOWBRAKE09SHIFT)
CHASSIS, ASM. and FOOTRESTS - S10PP7FSL/FEL (49SNOWCHASSIS09TRBODRGN)
CHASSIS, FRONT - S10PP7FSL/FEL (49SNOWCHASSISFRT09TRBODRGN)
DRIVE TRAIN, GEARCASE ASM. - S10PP7FSL/FEL (49SNOWGEARCASE10FSTTRG)
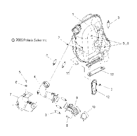
DRIVE TRAIN, GEARCASE COVER ASM. and DIPSTICK - S10PP7FSL/FEL (49SNOWGEARCASECVR10FSTTRG)
DRIVE TRAIN, GEARCASE MOUNTING - S10PP7FSL/FEL (49SNOWGEARCASEMTG09FSTRG)
DRIVE TRAIN, JACKSHAFT and DRIVESHAFT - S10PP7FSL/FEL (49SNOWDRIVETRAIN09FSTRG)
DRIVE TRAIN, PRIMARY CLUTCH - S10PP7FSL/FEL (49SNOWDRIVECLUTCH08IQTRBO)
DRIVE TRAIN, SECONDARY CLUTCH and DRIVE BELT - S10PP7FSL/FEL (49SNOWDRIVENCLUTCH09FSTRG)
ELECTRICAL, BATTERY and CABLES - S10PP7FSL/FEL (49SNOWBATTERY10TRBOLX)
ELECTRICAL, HEADLIGHT and TAILLIGHT - S10PP7FSL/FEL (49SNOWHEADLGHT09SHIFT)
ELECTRICAL, IGNITION COILS and SPARK PLUGS - S10PP7FSL/FEL (4997479747D06)
ELECTRICAL, MULTI FUNCTION GAUGE - S10PP7FSL/FEL (49SNOWGAUGE09600TRG)
ELECTRICAL, SENSORS, SWITCHES and VALVES - S10PP7FSL/FEL (49SNOWSENSOR11FSTSBLX)
ELECTRICAL, SWITCHES and CONTROLS - S10PP7FSL/FEL (49SNOWELECT11FSTIQ)
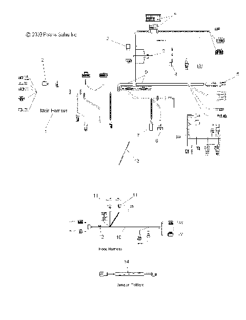
ELECTRICAL, WIRE HARNESS - S10PP7FSL/FEL (49SNOWELECT10TRBODGN)
ENGINE - S10PP7FSL/FEL (49SNOWENGINE10FSTTRG)
ENGINE, AIR INTAKE SYSTEM - S10PP7FSL/FEL (49SNOWAIR09FSTTRG)
ENGINE, ALTERNATOR - S10PP7FSL/FEL (49SNOWALTERNATORFSTSWTCH)
ENGINE, CAM CHAIN and TENSIONERS - S10PP7FSL/FEL (4997479747D11)
ENGINE, COOLANT RAIL - S10PP7FSL/FEL (49SNOWCOOLANTFSTIQ)
ENGINE, COOLING SYSTEM - S10PP7FSL/FEL (49SNOWCOOLING10TRBODRGN)
ENGINE, CRANKSHAFT and BALANCE SHAFT - S10PP7FSL/FEL (4997479747E02)
ENGINE, CYLINDER and CRANKCASE - S10PP7FSL/FEL (49SNOWCYLINDER09TRBODRGN)
ENGINE, DRIVE GEAR and PULLEY - S10PP7FSL/FEL (4997479747E06)
ENGINE, EXHAUST - S10PP7FSL/FEL (49SNOWEXHAUST10FSTTRG)
ENGINE, FUEL RAIL - S10PP7FSL/FEL (4997479747E03)
ENGINE, IDLE AIR CONTROL ASM. - S10PP7FSL/FEL (49SNOWIDLE09FSTRG)
ENGINE, INTER COOLER - S10PP7FSL/FEL (49SNOWCOOLER09FSTTRG)
ENGINE, MOUNTING, LH - S10PP7FSL/FEL (49SNOWENGINEMOUNTLH08IQTRBO)
ENGINE, MOUNTING, RH and FRONT - S10PP7FSL/FEL (49SNOWENGINEMOUNTRH08IQTRBO)
ENGINE, OIL COOLING SYSTEM - S10PP7FSL/FEL (49SNOWOILTANK10FSTRG)
ENGINE, OIL FILTER - S10PP7FSL/FEL (49SNOWOILFILTERFS)
ENGINE, OIL PUMP - S10PP7FSL/FEL (4997479747E01)
ENGINE, OIL SUMP - S10PP7FSL/FEL (49SNOWOILSUMP11IQ)
ENGINE, PISTON - S10PP7FSL/FEL (4997479747D12)
ENGINE, REFERENCE HOSES - S10PP7FSL/FEL (49SNOWHOSES08IQTRBO)
ENGINE, STARTER MOTOR - S10PP7FSL/FEL (4997479747E04)
ENGINE, THROTTLE BODY/INTAKE MANIFOLD - S10PP7FSL/FEL (4997479747D09)
ENGINE, THROTTLE CONTROL ASM. - S10PP7FSL/FEL (49SNOWTHROTTLE10FSTTRG)
ENGINE, TURBO - S10PP7FSL/FEL (49SNOWTURBOFST)
ENGINE, VALVE COVER - S10PP7FSL/FEL (49SNOWVALVECVR08IQTRBO)
ENGINE, VALVE TRAIN - S10PP7FSL/FEL (4997479747D13)
ENGINE, VALVES - S10PP7FSL/FEL (4997479747D14)
ENGINE, WATER PUMP - S10PP7FSL/FEL (4997479747D10)
ENGINE, WIRE HARNESS - S10PP7FSL/FEL (49SNOWHARNESS10FSTTRG)
FUEL SYSTEM, FUEL TANK ASM. - S10PP7FSL/FEL (49SNOWFUEL10FSTTRG)
FUEL SYSTEM, THROTTLE BODY and FUEL LINES - S10PP7FSL/FEL (49SNOWTHROTTLE09FSTRG)
STEERING, ADJUSTABLE STEERING POST ASM. - S10PP7FSL/FEL (4997479747B10)
STEERING, DRAG LINK - S10PP7FSL/FEL (49SNOWSTEERINGDRGLK10FSTTRG)
STEERING, HANDLEBAR - S10PP7FSL/FEL (49SNOWHANDLEBAR09TRBODRGN)
STEERING, LOWER and TIE RODS - S10PP7FSL/FEL (49SNOWSTEERINGLWR10FSTTRG)
STEERING, SKI ASM. - S10PP7FSL/FEL (49SNOWSKIASM10600DRGN)
STEERING, STEERING HOOP ASM. - S10PP7FSL/FEL (49SNOWSTEERINGHOOP10TRBOLX)
SUSPENSION, FRONT ASM. - S10PP7FSL/FEL (49SNOWSUSPFRT09FSTRG)
SUSPENSION, RAIL MOUNTING - S10PP7FSL/FEL (49SNOWSUSPRAIL09TRBODRGN)
SUSPENSION, REAR - S10PP7FSL/FEL (49SNOWSUSPRR08IQTRBO)
SUSPENSION, SHOCK ASM. IFS (7043206) - S10PP7FSL/FEL (49SNOWSHOCKIFS7043206TRBO)
SUSPENSION, SHOCK ASM. IFS, INTERNAL COMPONENTS (7043206) - S10PP7FSL/FEL (49SNOWSHOCKIFS7043206)
SUSPENSION, SHOCK, FRONT TRACK (7043549) - S10PP7FSL/FEL (49SNOWSHOCKFRONT7043549)
SUSPENSION, SHOCK, REAR TRACK (7043205) - S10PP7FSL/FEL (49SNOWSHOCKREAR7043205TRBO)
SUSPENSION, SWAY BAR - S10PP7FSL/FEL (49SNOWSWAYBAR09FSTRG)
SUSPENSION, TORQUE ARM, FRONT - S10PP7FSL/FEL (49SNOWFTA10TRBODRGN)
SUSPENSION, TORQUE ARM, REAR - S10PP7FSL/FEL (49SNOWTORQUEREAR086008BALL)
TOOLS, TOOL KIT and OWNERS MANUAL - S10PP7FSL/FEL (49SNOWTOOL09FSTRG)
BODY, CONSOLE - S10PP7FSL/FEL (49SNOWCONSOLE09FSTRG)
BODY, DECALS - S10PP7FSL/FEL (49SNOWDECAL10TRBODRGN)
BODY, FENDERS, LH/RH - S10PP7FSL/FEL (49SNOWFENDERS09FSTRG)
BODY, FRONT BUMPER and NOSEPAN - S10PP7FSL/FEL (49SNOWBUMPER10TRBOLX)
BODY, HAND GUARDS - S10PP7FSL/FEL (49SNOWGUARDS09TRBODRGN)
BODY, HOOD ASM. - S10PP7FSL/FEL (49SNOWHOOD10TRBODRGN)
BODY, HOOD FOAM and FOIL - S10PP7FSL/FEL (49SNOWHOODSCFL10FSTTRG)
BODY, HOOD SCREENS and HINGE ASM. - S10PP7FSL/FEL (49SNOWHOODMTG10FSTTRG)
BODY, REAR BUMPER, SNOWFLAP, and TAILLIGHT HOUSING - S10PP7FSL/FEL (49SNOWRACK10TRBODGN)
BODY, SEAT ASM. - S10PP7FSL/FEL (49SNOWSEAT10TRBODGN)
BODY, SIDE PANEL ASM., LH/RH - S10PP7FSL/FEL (49SNOWPANEL09FSTRG)
BODY, WINDSHIELD - S10PP7FSL/FEL (49SNOWWINDSHLD09TRBODRGN)
BRAKES, BRAKE SYSTEM - S10PP7FSL/FEL (49SNOWBRAKE09SHIFT)
CHASSIS, ASM. and FOOTRESTS - S10PP7FSL/FEL (49SNOWCHASSIS09TRBODRGN)
CHASSIS, FRONT - S10PP7FSL/FEL (49SNOWCHASSISFRT09TRBODRGN)
DRIVE TRAIN, GEARCASE ASM. - S10PP7FSL/FEL (49SNOWGEARCASE10FSTTRG)
DRIVE TRAIN, GEARCASE COVER ASM. and DIPSTICK - S10PP7FSL/FEL (49SNOWGEARCASECVR10FSTTRG)
DRIVE TRAIN, GEARCASE MOUNTING - S10PP7FSL/FEL (49SNOWGEARCASEMTG09FSTRG)
DRIVE TRAIN, JACKSHAFT and DRIVESHAFT - S10PP7FSL/FEL (49SNOWDRIVETRAIN09FSTRG)
DRIVE TRAIN, PRIMARY CLUTCH - S10PP7FSL/FEL (49SNOWDRIVECLUTCH08IQTRBO)
DRIVE TRAIN, SECONDARY CLUTCH and DRIVE BELT - S10PP7FSL/FEL (49SNOWDRIVENCLUTCH09FSTRG)
ELECTRICAL, BATTERY and CABLES - S10PP7FSL/FEL (49SNOWBATTERY10TRBOLX)
ELECTRICAL, HEADLIGHT and TAILLIGHT - S10PP7FSL/FEL (49SNOWHEADLGHT09SHIFT)
ELECTRICAL, IGNITION COILS and SPARK PLUGS - S10PP7FSL/FEL (4997479747D06)
ELECTRICAL, MULTI FUNCTION GAUGE - S10PP7FSL/FEL (49SNOWGAUGE09600TRG)
ELECTRICAL, SENSORS, SWITCHES and VALVES - S10PP7FSL/FEL (49SNOWSENSOR11FSTSBLX)
ELECTRICAL, SWITCHES and CONTROLS - S10PP7FSL/FEL (49SNOWELECT11FSTIQ)
ELECTRICAL, WIRE HARNESS - S10PP7FSL/FEL (49SNOWELECT10TRBODGN)
ENGINE - S10PP7FSL/FEL (49SNOWENGINE10FSTTRG)
ENGINE, AIR INTAKE SYSTEM - S10PP7FSL/FEL (49SNOWAIR09FSTTRG)
ENGINE, ALTERNATOR - S10PP7FSL/FEL (49SNOWALTERNATORFSTSWTCH)
ENGINE, CAM CHAIN and TENSIONERS - S10PP7FSL/FEL (4997479747D11)
ENGINE, COOLANT RAIL - S10PP7FSL/FEL (49SNOWCOOLANTFSTIQ)
ENGINE, COOLING SYSTEM - S10PP7FSL/FEL (49SNOWCOOLING10TRBODRGN)
ENGINE, CRANKSHAFT and BALANCE SHAFT - S10PP7FSL/FEL (4997479747E02)
ENGINE, CYLINDER and CRANKCASE - S10PP7FSL/FEL (49SNOWCYLINDER09TRBODRGN)
ENGINE, DRIVE GEAR and PULLEY - S10PP7FSL/FEL (4997479747E06)
ENGINE, EXHAUST - S10PP7FSL/FEL (49SNOWEXHAUST10FSTTRG)
ENGINE, FUEL RAIL - S10PP7FSL/FEL (4997479747E03)
ENGINE, IDLE AIR CONTROL ASM. - S10PP7FSL/FEL (49SNOWIDLE09FSTRG)
ENGINE, INTER COOLER - S10PP7FSL/FEL (49SNOWCOOLER09FSTTRG)
ENGINE, MOUNTING, LH - S10PP7FSL/FEL (49SNOWENGINEMOUNTLH08IQTRBO)
ENGINE, MOUNTING, RH and FRONT - S10PP7FSL/FEL (49SNOWENGINEMOUNTRH08IQTRBO)
ENGINE, OIL COOLING SYSTEM - S10PP7FSL/FEL (49SNOWOILTANK10FSTRG)
ENGINE, OIL FILTER - S10PP7FSL/FEL (49SNOWOILFILTERFS)
ENGINE, OIL PUMP - S10PP7FSL/FEL (4997479747E01)
ENGINE, OIL SUMP - S10PP7FSL/FEL (49SNOWOILSUMP11IQ)
ENGINE, PISTON - S10PP7FSL/FEL (4997479747D12)
ENGINE, REFERENCE HOSES - S10PP7FSL/FEL (49SNOWHOSES08IQTRBO)
ENGINE, STARTER MOTOR - S10PP7FSL/FEL (4997479747E04)
ENGINE, THROTTLE BODY/INTAKE MANIFOLD - S10PP7FSL/FEL (4997479747D09)
ENGINE, THROTTLE CONTROL ASM. - S10PP7FSL/FEL (49SNOWTHROTTLE10FSTTRG)
ENGINE, TURBO - S10PP7FSL/FEL (49SNOWTURBOFST)
ENGINE, VALVE COVER - S10PP7FSL/FEL (49SNOWVALVECVR08IQTRBO)
ENGINE, VALVE TRAIN - S10PP7FSL/FEL (4997479747D13)
ENGINE, VALVES - S10PP7FSL/FEL (4997479747D14)
ENGINE, WATER PUMP - S10PP7FSL/FEL (4997479747D10)
ENGINE, WIRE HARNESS - S10PP7FSL/FEL (49SNOWHARNESS10FSTTRG)
FUEL SYSTEM, FUEL TANK ASM. - S10PP7FSL/FEL (49SNOWFUEL10FSTTRG)
FUEL SYSTEM, THROTTLE BODY and FUEL LINES - S10PP7FSL/FEL (49SNOWTHROTTLE09FSTRG)
STEERING, ADJUSTABLE STEERING POST ASM. - S10PP7FSL/FEL (4997479747B10)
STEERING, DRAG LINK - S10PP7FSL/FEL (49SNOWSTEERINGDRGLK10FSTTRG)
STEERING, HANDLEBAR - S10PP7FSL/FEL (49SNOWHANDLEBAR09TRBODRGN)
STEERING, LOWER and TIE RODS - S10PP7FSL/FEL (49SNOWSTEERINGLWR10FSTTRG)
STEERING, SKI ASM. - S10PP7FSL/FEL (49SNOWSKIASM10600DRGN)
STEERING, STEERING HOOP ASM. - S10PP7FSL/FEL (49SNOWSTEERINGHOOP10TRBOLX)
SUSPENSION, FRONT ASM. - S10PP7FSL/FEL (49SNOWSUSPFRT09FSTRG)
SUSPENSION, RAIL MOUNTING - S10PP7FSL/FEL (49SNOWSUSPRAIL09TRBODRGN)
SUSPENSION, REAR - S10PP7FSL/FEL (49SNOWSUSPRR08IQTRBO)
SUSPENSION, SHOCK ASM. IFS (7043206) - S10PP7FSL/FEL (49SNOWSHOCKIFS7043206TRBO)
SUSPENSION, SHOCK ASM. IFS, INTERNAL COMPONENTS (7043206) - S10PP7FSL/FEL (49SNOWSHOCKIFS7043206)
SUSPENSION, SHOCK, FRONT TRACK (7043549) - S10PP7FSL/FEL (49SNOWSHOCKFRONT7043549)
SUSPENSION, SHOCK, REAR TRACK (7043205) - S10PP7FSL/FEL (49SNOWSHOCKREAR7043205TRBO)
SUSPENSION, SWAY BAR - S10PP7FSL/FEL (49SNOWSWAYBAR09FSTRG)
SUSPENSION, TORQUE ARM, FRONT - S10PP7FSL/FEL (49SNOWFTA10TRBODRGN)
SUSPENSION, TORQUE ARM, REAR - S10PP7FSL/FEL (49SNOWTORQUEREAR086008BALL)
TOOLS, TOOL KIT and OWNERS MANUAL - S10PP7FSL/FEL (49SNOWTOOL09FSTRG)
View Cart
VIEW WISH LIST