Polaris
Browse New Models
Shop In-Stock
Can-Am
Browse New Models
Shop In-Stock
Ski-Doo
Browse New Models
Shop In-Stock
Sea-Doo
Browse New Models
Shop In-Stock
Kayo
Browse New Models
Shop In-Stock
Manitou
Browse New Models
Shop In-Stock
Our
Location
Call
Us
Contact
Us
Toggle navigation
Home
Brands
Showroom
Manufacturer Models
OEM Promotions
Polaris Off-Road
Polaris Snowmobiles
Can-Am
Sea-Doo
Ski-Doo
Kayo
Yamaha Marine
Triton Trailers
Manitou
Nitro Trailers
CAM Superline
Durabull Trailers
Trifecta Pontoons
Inventory
All Inventory In Stock
New Inventory In Stock
Pre-Owned Inventory
Value Your Trade-In
Request a Model
Financing
Parts
Parts Department
OEM Parts Finder
Service
Service Department
Request Polaris Service
Warranty & Recall Look-Up
Financing
About
Our Dealership
Our Team
Reviews
Customer Survey
Newsletter Sign-Up
Employment
Events
Location & Hours
Contact
Call Us
Fort Kent, ME
Fiche | Parts Diagrams
2015 Polaris Snowmobiles
Home
›
Parts
›
OEM Parts Finder
Search by :
Part / Desc
VIN
Please Select
Can-Am
LYNX
Polaris
Sea-Doo
Ski-Doo
Yamaha
*Please enter at least 3 characters
SEARCH
Manufacturer
Polaris
Snowmobiles
2015
600 RMK 144/155 ALL OPTIONS (S15CC6/CK6/CM6)
View Cart
VIEW WISH LIST
Select a Section
Show/Hide
BODY, BUMPER, FRONT - S15CC6/CK6/CM6 ALL OPTIONS (49SNOWBUMPER12800PRMK)
BODY, BUMPER, REAR, SNOWFLAP and TAILLIGHT COVER - S15CC6/CK6/CM6 (49SNOWBUMPERRR11800PRMK)
BODY, CONSOLE - S15CC6/CK6/CM6 (49SNOWCONSOLE15RMK)
BODY, DECAL, LE BLK/ORNG, BLK/PINK OPTIONS - S15CC6GS (49SNOWDECAL15RMKL2)
BODY, DECAL, LE ORNG/WHT, WHT/ORNG OPTIONS - S15CC6 (49SNOWDECAL15RMKL2)
BODY, DECAL, LE WHT/RED, GRAY/RED, BLK/RED OPTIONS - S15CC6GS ALL OPTIONS (49SNOWDECAL15RSLTLE)
BODY, DECAL, LE, 60TH ANNIV. OPT. - S15CC6 (49SNOWDECAL15PRMK60)
BODY, DECAL, STOCK AND SIDE PANEL OPTIONS - S15CK8/CM8 ALL OPTIONS (49SNOWDECAL15RMK)
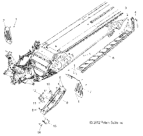
BODY, FENDERS and SIDE PANELS - S15CC6/CK6/CM6 ALL OPTIONS (49SNOWFENDERS13RMK)
BODY, HOOD ASM. - S15CC6/CK6/CM6 ALL OPTIONS (49SNOWHOOD13RMK)
BODY, HOOD FOAM/FIBER - S15CC6/CK6/CM6 ALL OPTIONS (49SNOWHOODSCFL11800PRMK)
BODY, NOSEPAN ASM. - S15CC6/CK6/CM6 ALL OPTIONS (49SNOWNOSEPAN11800PRMK)
BODY, SEAT ASM. - S15CC6/CD6/CM6 ALL OPTIONS (49SNOWSEAT138RMK)
BODY, WINDSHIELD - S15CC6/CK6/CM6 ALL OPTIONS (49SNOWWINDSHLD11800ASLT)
BRAKES, BRAKE SYSTEM (LE) - S15CC6 ALL OPTIONS (49SNOWBRAKE14RMKASLT)
BRAKES, BRAKE SYSTEM - S15CK6/CM6 ALL OPTIONS (49SNOWBRAKE12600RMK)
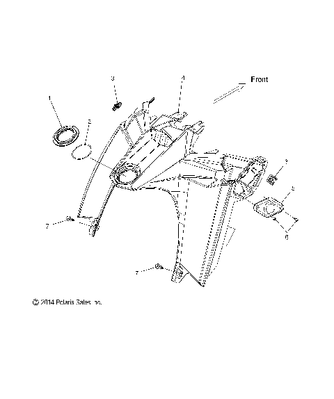
CHASSIS, BULKHEAD ASM. - S15CC6/CK6/CM6 ALLOPTIONS (49SNOWCHASSISFRT13600RMK)
CHASSIS, CHASSIS ASM. and OVER STRUCTURE (600/144 Inch) - S15CK6 ALL OPTIONS (49SNOWCHASSISFRT214RMK600)
CHASSIS, CHASSIS ASM. and OVER STRUCTURE (600/155 Inch) - S15CC6/CM6 ALL OPTIONS (49SNOWCHASSISFRT214RMK155)
CHASSIS, CLUTCH GUARD and FOOTRESTS (600/144 Inch) - S15CK6 ALL OPTIONS (49SNOWCLUTCHGUARD13600RMK144)
CHASSIS, CLUTCH GUARD and FOOTRESTS (600/155 Inch) - S15CC6/CM6 ALL OPTIONS (49SNOWCLUTCHGUARD13600RMK155)
DRIVE TRAIN, CHAINCASE - S15CC6/CK6/CM6 ALL OPTIONS (49SNOWCHAINCASE146RMK)
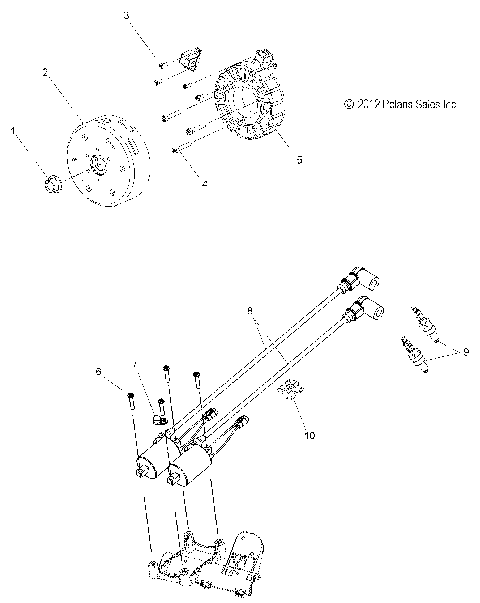
DRIVE TRAIN, CLUTCH, PRIMARY - S15CC6/CK6/CM6 ALL OPTIONS (49SNOWDRIVECLUTCH09600TRG)
DRIVE TRAIN, CLUTCH, SECONDARY - S15CC6/CK6/CM6 ALL OPTIONS (49SNOWDRIVENCLUTCH1322948)
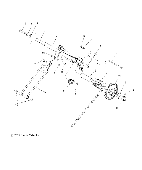
DRIVE TRAIN, JACKSHAFT and DRIVESHAFT - S15CC6/CK6/CM6 ALL OPTIONS (49SNOWDRIVETRAIN15600RMK)
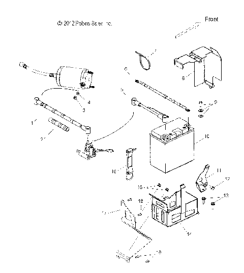
ELECTRICAL, BATTERY and CABLES - S15CC6/CK6/CM6 ALL OPTIONS (49SNOWBATTERY13RMK)
ELECTRICAL, HEADLIGHT and TAILLIGHT - S15CC6/CK6/CM6 ALL OPTIONS (49SNOWHEADLGHT11800ASLT)
ELECTRICAL, IGNITION SYSTEM - S15CC6/CK6/CM6 ALL OPTIONS (49SNOWIGNITION13RMKASLT)
ELECTRICAL, MULTI FUNCTION GAUGE - S15CC6/CK6/CM6 ALL OPTIONS (49SNOWGAUGE10PR)
ELECTRICAL, SWITCHES, SENSORS and COMPONENTS - S15CC6/CK6/CM6 ALL OPTIONS (49SNOWELECT15RMK)
ELECTRICAL, WIRE HARNESS - S15CC6/CK6/CM6 ALL OPTIONS (49SNOWHARNESS14PRMK)
ENGINE, AIR INTAKE SYSTEM - S15CC6/CK6/CM6 ALL OPTIONS (49SNOWAIR13RMK)
ENGINE, COOLING SYSTEM - S15CC6/CK6/CM6 ALL OPTIONS (49SNOWCOOLING13600RMK)
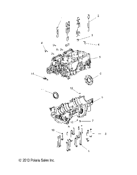
ENGINE, CRANKCASE - S15CC6/CK6/CM6 ALL OPTIONS (49SNOWCRANKCASE136LE)
ENGINE, CYLINDER - S15CK6/CK6/CM6 ALL OPTIONS (49SNOWCYLINDER09600TRG)
ENGINE, EXHAUST - S15CC6/CK6/CM6 ALL OPTIONS (49SNOWEXHAUST13600LE)
ENGINE, EXHAUST VALVES and SOLENOID - S15CC6/CK6/CM6 ALL OPTIONS (49SNOWEXHAUSTVALVES13LE)
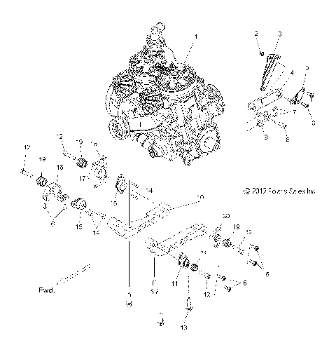
ENGINE, MOUNTING & SHORT BLOCK - S15CC6/CK6/CM6 ALL OPTIONS (49SNOWENGINEMOUNT13600LE)
ENGINE, OIL BOTTLE ASM. - S15CC6/CK6/CM6 ALL OPTIONS (49SNOWOILBOTTLE13600RUSH)
ENGINE, OIL PUMP and LINES - S15CC6/CK6/CM6 ALL OPTIONS (49SNOWOILPUMP12PR)
ENGINE, PISTON and CRANKSHAFT - S15CC6/CK6/CM6 ALL OPTIONS (49SNOWPISTONCRANKSHAFT15600LE)
ENGINE, RECOIL STARTER - S15CC6/CK6/CM6 ALL OPTIONS (49SNOWRECOIL12800RMK)
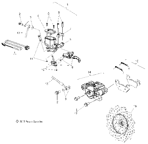
ENGINE, REED VALVE and THROTTLE BODY ADAPTOR - S15CC6/CK6/CM6 ALL OPTIONS (49SNOWCARBURETOR09600TRG)
ENGINE, STARTER MOTOR - S15CC6/CK6/CM6 ALL OPTIONS (49SNOWSTARTER13RUSH)
ENGINE, THROTTLE CONTROL ASM. - S15CC6/CK6/CM6 ALL OPTIONS (49SNOWTHROTTLE15RMK)
ENGINE, WATER PUMP - S15CC6/CK6/CM6 ALL OPTIONS (49SNOWWATERPUMP13RMK)
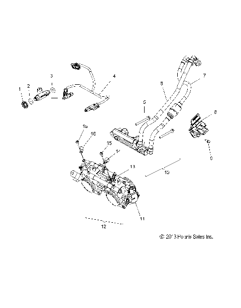
FUEL SYSTEM, FUEL TANK ASM. - S15CC6/CK6/CM6 ALL OPTIONS (49SNOWFUEL13ASSLT)
FUEL SYSTEM, RAIL, LINES and THROTTLE BODY - S15CC6/CK6/CM6 ALL OPTIONS (49SNOWFUELLINE14RMK)
OPTIONS, STORAGE BAGS - S15CC6 FEATURES/OPTIONS (49SNOWOPTION15SBASLT)
STEERING, HANDLEBAR MOUNTING - S15CK6/CM6 ALL OPTIONS (49SNOWHANDLEBAR15RMK)
STEERING, HANDLEBAR MOUNTING, LE - S15CC6 ALL OPTIONS (49SNOWHANDLEBAR11800PRMK)
STEERING, LOWER - S15CC6/CK6/CM6 ALL OPTIONS (49SNOWSTEERINGLWR12600RMK)
STEERING, SKI ASM. - S15CC6/CK6/CM6 ALL OPTIONS (49SNOWSKIASM11800PRMK)
SUSPENSION, CONTROL ARMS and SPINDLE - S15CC6/CK6/CM6 ALL OPTIONS (49SNOWSUSPFRT15RMK)
SUSPENSION, RAIL MOUNTING (144 Inch) - S15CK6 ALL OPTIONS (49SNOWSUSPRAIL15RMK144)
SUSPENSION, RAIL MOUNTING (155 Inch) - S15CM6 ALL OPTIONS (49SNOWSUSPRAIL13155RMK)
SUSPENSION, RAIL MOUNTING, (LE 155 Inch) - S15CC6 ALL OPTIONS (49SNOWSUSPRAIL13PRMK)
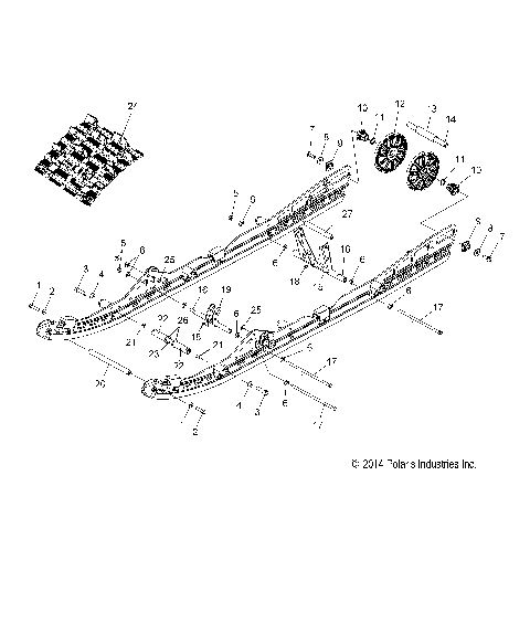
SUSPENSION, REAR (144 Inch) - S15CK6 ALL OPTIONS (49SNOWSUSPRR15RMK144)
SUSPENSION, REAR (155 Inch) - S15CM6 ALL OPTIONS (49SNOWSUSPRR13155RMK)
SUSPENSION, REAR (LE 155 Inch) - S15CC6 ALL OPTIONS (49SNOWSUSPRR13PRMK)
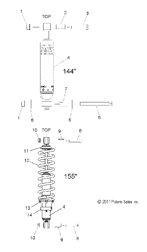
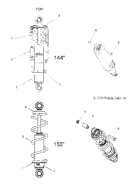
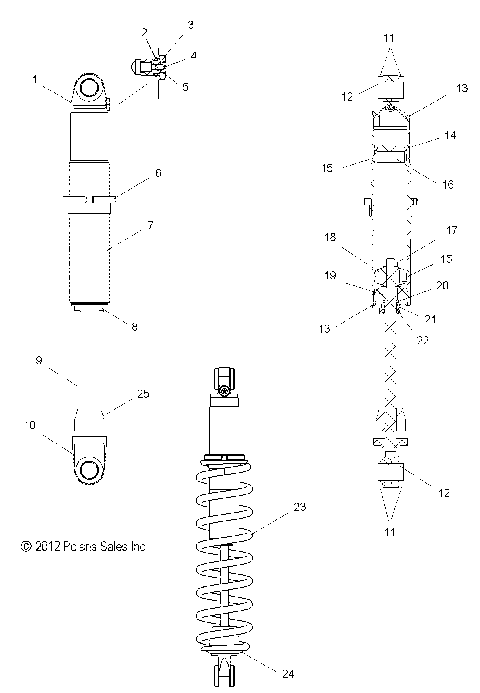
SUSPENSION, SHOCK, FRONT TRACK (LE 155) - S15CC6 ALL OPTIONS (49SNOWSHOCKFRONT7043602)
SUSPENSION, SHOCK, FRONT TRACK - S15CK6/CM6 ALL OPTIONS (49SNOWSHOCKFRONT12600RMK)
SUSPENSION, SHOCK, IFS (LE 155) - S15CC6 ALL OPTIONS (49SNOWSHOCKIFS7043835)
SUSPENSION, SHOCK, IFS - S15CK6/CM6 ALL OPTIONS (49SNOWSHOCKIFS7043614)
SUSPENSION, SHOCK, REAR TRACK (LE 155) - S15CG6 ALL OPTIONS (49SNOWSHOCKREAR7043834)
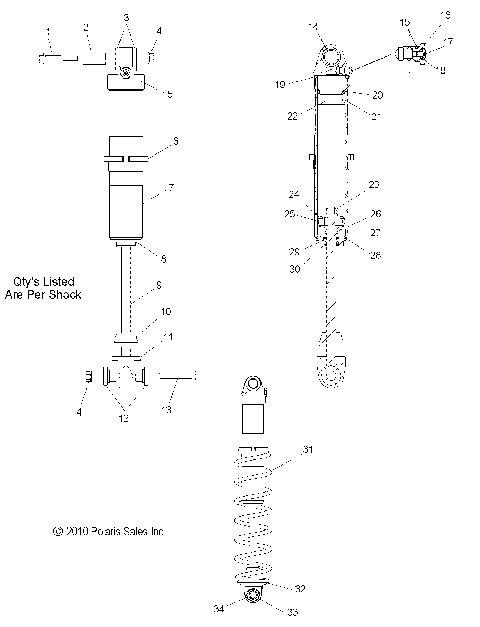
SUSPENSION, SHOCK, REAR TRACK - S15CK6/CM6 ALL OPTIONS (49SNOWSHOCKREAR12600RMK)
SUSPENSION, SWAY BAR - S15CC6/CK6/CM6 ALL OPTIONS (49SNOWSWAYBAR10PR)
SUSPENSION, TORQUE ARM, FRONT (144 Inch) - S15CK6 ALL OPTIONS (49SNOWFTA09700RMK)
SUSPENSION, TORQUE ARM, FRONT (155 Inch) - S15CK6/CM6 ALL OPTIONS (49SNOWFTA12800PRMK)
SUSPENSION, TORQUE ARM, REAR (144 Inch) - S15CK6 ALL OPTIONS (49SNOWTORQUEREAR14600RMK)
SUSPENSION, TORQUE ARM, REAR (155 Inch) - S15CC6/CM6 ALL OPTIONS (49SNOWTORQUEREAR11800PRMK)
TOOLS, TOOL KIT and OWNERS MANUAL - S15CC6/CK6/CM6 ALL OPTIONS (49SNOWTOOL11800RMK)
BODY, BUMPER, FRONT - S15CC6/CK6/CM6 ALL OPTIONS (49SNOWBUMPER12800PRMK)
BODY, BUMPER, REAR, SNOWFLAP and TAILLIGHT COVER - S15CC6/CK6/CM6 (49SNOWBUMPERRR11800PRMK)
BODY, CONSOLE - S15CC6/CK6/CM6 (49SNOWCONSOLE15RMK)
BODY, DECAL, LE BLK/ORNG, BLK/PINK OPTIONS - S15CC6GS (49SNOWDECAL15RMKL2)
BODY, DECAL, LE ORNG/WHT, WHT/ORNG OPTIONS - S15CC6 (49SNOWDECAL15RMKL2)
BODY, DECAL, LE WHT/RED, GRAY/RED, BLK/RED OPTIONS - S15CC6GS ALL OPTIONS (49SNOWDECAL15RSLTLE)
BODY, DECAL, LE, 60TH ANNIV. OPT. - S15CC6 (49SNOWDECAL15PRMK60)
BODY, DECAL, STOCK AND SIDE PANEL OPTIONS - S15CK8/CM8 ALL OPTIONS (49SNOWDECAL15RMK)
BODY, FENDERS and SIDE PANELS - S15CC6/CK6/CM6 ALL OPTIONS (49SNOWFENDERS13RMK)
BODY, HOOD ASM. - S15CC6/CK6/CM6 ALL OPTIONS (49SNOWHOOD13RMK)
BODY, HOOD FOAM/FIBER - S15CC6/CK6/CM6 ALL OPTIONS (49SNOWHOODSCFL11800PRMK)
BODY, NOSEPAN ASM. - S15CC6/CK6/CM6 ALL OPTIONS (49SNOWNOSEPAN11800PRMK)
BODY, SEAT ASM. - S15CC6/CD6/CM6 ALL OPTIONS (49SNOWSEAT138RMK)
BODY, WINDSHIELD - S15CC6/CK6/CM6 ALL OPTIONS (49SNOWWINDSHLD11800ASLT)
BRAKES, BRAKE SYSTEM (LE) - S15CC6 ALL OPTIONS (49SNOWBRAKE14RMKASLT)
BRAKES, BRAKE SYSTEM - S15CK6/CM6 ALL OPTIONS (49SNOWBRAKE12600RMK)
CHASSIS, BULKHEAD ASM. - S15CC6/CK6/CM6 ALLOPTIONS (49SNOWCHASSISFRT13600RMK)
CHASSIS, CHASSIS ASM. and OVER STRUCTURE (600/144 Inch) - S15CK6 ALL OPTIONS (49SNOWCHASSISFRT214RMK600)
CHASSIS, CHASSIS ASM. and OVER STRUCTURE (600/155 Inch) - S15CC6/CM6 ALL OPTIONS (49SNOWCHASSISFRT214RMK155)
CHASSIS, CLUTCH GUARD and FOOTRESTS (600/144 Inch) - S15CK6 ALL OPTIONS (49SNOWCLUTCHGUARD13600RMK144)
CHASSIS, CLUTCH GUARD and FOOTRESTS (600/155 Inch) - S15CC6/CM6 ALL OPTIONS (49SNOWCLUTCHGUARD13600RMK155)
DRIVE TRAIN, CHAINCASE - S15CC6/CK6/CM6 ALL OPTIONS (49SNOWCHAINCASE146RMK)
DRIVE TRAIN, CLUTCH, PRIMARY - S15CC6/CK6/CM6 ALL OPTIONS (49SNOWDRIVECLUTCH09600TRG)
DRIVE TRAIN, CLUTCH, SECONDARY - S15CC6/CK6/CM6 ALL OPTIONS (49SNOWDRIVENCLUTCH1322948)
DRIVE TRAIN, JACKSHAFT and DRIVESHAFT - S15CC6/CK6/CM6 ALL OPTIONS (49SNOWDRIVETRAIN15600RMK)
ELECTRICAL, BATTERY and CABLES - S15CC6/CK6/CM6 ALL OPTIONS (49SNOWBATTERY13RMK)
ELECTRICAL, HEADLIGHT and TAILLIGHT - S15CC6/CK6/CM6 ALL OPTIONS (49SNOWHEADLGHT11800ASLT)
ELECTRICAL, IGNITION SYSTEM - S15CC6/CK6/CM6 ALL OPTIONS (49SNOWIGNITION13RMKASLT)
ELECTRICAL, MULTI FUNCTION GAUGE - S15CC6/CK6/CM6 ALL OPTIONS (49SNOWGAUGE10PR)
ELECTRICAL, SWITCHES, SENSORS and COMPONENTS - S15CC6/CK6/CM6 ALL OPTIONS (49SNOWELECT15RMK)
ELECTRICAL, WIRE HARNESS - S15CC6/CK6/CM6 ALL OPTIONS (49SNOWHARNESS14PRMK)
ENGINE, AIR INTAKE SYSTEM - S15CC6/CK6/CM6 ALL OPTIONS (49SNOWAIR13RMK)
ENGINE, COOLING SYSTEM - S15CC6/CK6/CM6 ALL OPTIONS (49SNOWCOOLING13600RMK)
ENGINE, CRANKCASE - S15CC6/CK6/CM6 ALL OPTIONS (49SNOWCRANKCASE136LE)
ENGINE, CYLINDER - S15CK6/CK6/CM6 ALL OPTIONS (49SNOWCYLINDER09600TRG)
ENGINE, EXHAUST - S15CC6/CK6/CM6 ALL OPTIONS (49SNOWEXHAUST13600LE)
ENGINE, EXHAUST VALVES and SOLENOID - S15CC6/CK6/CM6 ALL OPTIONS (49SNOWEXHAUSTVALVES13LE)
ENGINE, MOUNTING & SHORT BLOCK - S15CC6/CK6/CM6 ALL OPTIONS (49SNOWENGINEMOUNT13600LE)
ENGINE, OIL BOTTLE ASM. - S15CC6/CK6/CM6 ALL OPTIONS (49SNOWOILBOTTLE13600RUSH)
ENGINE, OIL PUMP and LINES - S15CC6/CK6/CM6 ALL OPTIONS (49SNOWOILPUMP12PR)
ENGINE, PISTON and CRANKSHAFT - S15CC6/CK6/CM6 ALL OPTIONS (49SNOWPISTONCRANKSHAFT15600LE)
ENGINE, RECOIL STARTER - S15CC6/CK6/CM6 ALL OPTIONS (49SNOWRECOIL12800RMK)
ENGINE, REED VALVE and THROTTLE BODY ADAPTOR - S15CC6/CK6/CM6 ALL OPTIONS (49SNOWCARBURETOR09600TRG)
ENGINE, STARTER MOTOR - S15CC6/CK6/CM6 ALL OPTIONS (49SNOWSTARTER13RUSH)
ENGINE, THROTTLE CONTROL ASM. - S15CC6/CK6/CM6 ALL OPTIONS (49SNOWTHROTTLE15RMK)
ENGINE, WATER PUMP - S15CC6/CK6/CM6 ALL OPTIONS (49SNOWWATERPUMP13RMK)
FUEL SYSTEM, FUEL TANK ASM. - S15CC6/CK6/CM6 ALL OPTIONS (49SNOWFUEL13ASSLT)
FUEL SYSTEM, RAIL, LINES and THROTTLE BODY - S15CC6/CK6/CM6 ALL OPTIONS (49SNOWFUELLINE14RMK)
OPTIONS, STORAGE BAGS - S15CC6 FEATURES/OPTIONS (49SNOWOPTION15SBASLT)
STEERING, HANDLEBAR MOUNTING - S15CK6/CM6 ALL OPTIONS (49SNOWHANDLEBAR15RMK)
STEERING, HANDLEBAR MOUNTING, LE - S15CC6 ALL OPTIONS (49SNOWHANDLEBAR11800PRMK)
STEERING, LOWER - S15CC6/CK6/CM6 ALL OPTIONS (49SNOWSTEERINGLWR12600RMK)
STEERING, SKI ASM. - S15CC6/CK6/CM6 ALL OPTIONS (49SNOWSKIASM11800PRMK)
SUSPENSION, CONTROL ARMS and SPINDLE - S15CC6/CK6/CM6 ALL OPTIONS (49SNOWSUSPFRT15RMK)
SUSPENSION, RAIL MOUNTING (144 Inch) - S15CK6 ALL OPTIONS (49SNOWSUSPRAIL15RMK144)
SUSPENSION, RAIL MOUNTING (155 Inch) - S15CM6 ALL OPTIONS (49SNOWSUSPRAIL13155RMK)
SUSPENSION, RAIL MOUNTING, (LE 155 Inch) - S15CC6 ALL OPTIONS (49SNOWSUSPRAIL13PRMK)
SUSPENSION, REAR (144 Inch) - S15CK6 ALL OPTIONS (49SNOWSUSPRR15RMK144)
SUSPENSION, REAR (155 Inch) - S15CM6 ALL OPTIONS (49SNOWSUSPRR13155RMK)
SUSPENSION, REAR (LE 155 Inch) - S15CC6 ALL OPTIONS (49SNOWSUSPRR13PRMK)
SUSPENSION, SHOCK, FRONT TRACK (LE 155) - S15CC6 ALL OPTIONS (49SNOWSHOCKFRONT7043602)
SUSPENSION, SHOCK, FRONT TRACK - S15CK6/CM6 ALL OPTIONS (49SNOWSHOCKFRONT12600RMK)
SUSPENSION, SHOCK, IFS (LE 155) - S15CC6 ALL OPTIONS (49SNOWSHOCKIFS7043835)
SUSPENSION, SHOCK, IFS - S15CK6/CM6 ALL OPTIONS (49SNOWSHOCKIFS7043614)
SUSPENSION, SHOCK, REAR TRACK (LE 155) - S15CG6 ALL OPTIONS (49SNOWSHOCKREAR7043834)
SUSPENSION, SHOCK, REAR TRACK - S15CK6/CM6 ALL OPTIONS (49SNOWSHOCKREAR12600RMK)
SUSPENSION, SWAY BAR - S15CC6/CK6/CM6 ALL OPTIONS (49SNOWSWAYBAR10PR)
SUSPENSION, TORQUE ARM, FRONT (144 Inch) - S15CK6 ALL OPTIONS (49SNOWFTA09700RMK)
SUSPENSION, TORQUE ARM, FRONT (155 Inch) - S15CK6/CM6 ALL OPTIONS (49SNOWFTA12800PRMK)
SUSPENSION, TORQUE ARM, REAR (144 Inch) - S15CK6 ALL OPTIONS (49SNOWTORQUEREAR14600RMK)
SUSPENSION, TORQUE ARM, REAR (155 Inch) - S15CC6/CM6 ALL OPTIONS (49SNOWTORQUEREAR11800PRMK)
TOOLS, TOOL KIT and OWNERS MANUAL - S15CC6/CK6/CM6 ALL OPTIONS (49SNOWTOOL11800RMK)
View Cart
VIEW WISH LIST