Polaris
Browse New Models
Shop In-Stock
Can-Am
Browse New Models
Shop In-Stock
Ski-Doo
Browse New Models
Shop In-Stock
Sea-Doo
Browse New Models
Shop In-Stock
Kayo
Browse New Models
Shop In-Stock
Manitou
Browse New Models
Shop In-Stock
Our
Location
Call
Us
Contact
Us
Toggle navigation
Home
Brands
Showroom
Manufacturer Models
OEM Promotions
Polaris Off-Road
Polaris Snowmobiles
Can-Am
Sea-Doo
Ski-Doo
Kayo
Yamaha Marine
Triton Trailers
Manitou
Nitro Trailers
CAM Superline
Durabull Trailers
Trifecta Pontoons
Inventory
All Inventory In Stock
New Inventory In Stock
Pre-Owned Inventory
Value Your Trade-In
Request a Model
Financing
Parts
Parts Department
OEM Parts Finder
Service
Service Department
Request Polaris Service
Warranty & Recall Look-Up
Financing
About
Our Dealership
Our Team
Reviews
Customer Survey
Newsletter Sign-Up
Employment
Events
Location & Hours
Contact
Call Us
Fort Kent, ME
Fiche | Parts Diagrams
2016 Polaris Snowmobiles
Home
›
Parts
›
OEM Parts Finder
Search by :
Part / Desc
VIN
Please Select
Can-Am
LYNX
Polaris
Sea-Doo
Ski-Doo
Yamaha
*Please enter at least 3 characters
SEARCH
Manufacturer
Polaris
Snowmobiles
2016
600 RUSH PRO-X INTL ALL OPTIONS (S16DF6)
View Cart
VIEW WISH LIST
Select a Section
Show/Hide
BODY, BUMPER, FRONT - S16DF6PE/PEL (49SNOWBUMPER15PROS)
BODY, BUMPER, REAR and CLOSEOFF - S16DF6PE/PEL (49SNOWBUMPERRR15PROS)
BODY, CONSOLE - S16DF6PE/PEL (49SNOWCONSOLE15PROS)
BODY, DECAL - S16DF6 (600006)
BODY, DECAL, SNOW CHECK (BLK SIDE PANEL W/PINK GRAPHICS) - S16DF6 (600008)
BODY, DECAL, SNOW CHECK (ORNG SIDE PANEL/BLK SIDE PANEL W/ORNG GRAPHICS) - S16DF6 (600007)
BODY, DECAL, SNOW CHECK (TURBO SLV SIDE PANEL/BLK SIDE PANEL W/SLV GRAPHICS) - S16DF6 (600007)
BODY, DECAL, SNOW CHECK (VOODOO BLU SIDE PANEL/BLK SIDE PANEL W/VOODOO BLU GRAPHICS) - S16DF6 (600007)
BODY, DECAL, SNOW CHECK (WHT SIDE PANEL/RED SIDE PANEL) - S16DF6 (600007)
BODY, FENDERS AND NOSEPAN ASM. - S16F6PEPEL (600071)
BODY, HOOD ASM. - S16DF6PE/PEL (49SNOWHOOD15PROS)
BODY, HOOD FOAM/FIBER - S16DF6PE/PEL (49SNOWHOODSCFL15PROS)
BODY, SEAT - S16DF6PE/PEL ALL OPTIONS (49SNOWSEAT15PROS)
BODY, SIDE PANELS - S16DF6PE/PEL (49SNOWSIDEPNL15PROS)
BODY, WINDSHIELD - S16DF6PE/PEL (49SNOWWINDSHLD15PROS)
BRAKES, BRAKE SYSTEM - S16DF6PE/PEL (49SNOWBRAKE15PROS)
CHASSIS, BULKHEAD ASM. - S16DF6PE/PEL (600085)
CHASSIS, CHASSIS ASM. and OVER STRUCTURE - S16DF6PE/PEL (49SNOWCHASSISFRT215PROS)
CHASSIS, CLUTCH GUARD and FOOTRESTS - S16DF6PE/PEL (49SNOWCLUTCHGUARD15PROS)
CHASSIS, SPORT RACK, SNOW CHECK F&O - S16DF6PE (600074)
CHASSIS, TUNNEL and REAR ASM. - S16DF6PE/PEL ALL OPTIONS (49SNOWCHASSISRR15PROS)
DRIVE TRAIN, CHAINCASE - S16DF6PE/PEL ALL OPTIONS (49SNOWCHAINCASE15PROS)
DRIVE TRAIN, CLUTCH, PRIMARY - S16DF6PE/PEL ALL OPTIONS (49SNOWDRIVECLUTCH15PROS)
DRIVE TRAIN, CLUTCH, SECONDARY - S16DF6PE/PEL ALL OPTIONS (49SNOWDRIVENCLUTCH1322948)
DRIVE TRAIN, JACKSHAFT and DRIVESHAFT - S16DF6PE/PEL ALL OPTIONS (49SNOWDRIVETRAIN16PROS)
ELECTRICAL, BATTERY and CABLES - S16DF6PE/PEL (600073)
ELECTRICAL, GPS COMPONENTS - S16DF6PE (49SNOWGPS15PROS)
ELECTRICAL, HEADLIGHT and TAILLIGHT - S16DF6PE/PEL ALL OPTIONS (49SNOWHEADLGHT15PROS)
ELECTRICAL, IGNITION SYSTEM - S16DF6PE/PEL ALL OPTIONS (49SNOWIGNITION15PROS)
ELECTRICAL, MULTI FUNCTION GAUGE - S16DF6E/PEL ALL OPTIONS (600035)
ELECTRICAL, SWITCHES, SENSORS and COMPONENTS - S16DF6PE/PEL ALL OPTIONS (49SNOWELECT15PROS6)
ELECTRICAL, WIRE HARNESS - S16DF6PE/PEL ALL OPTIONS (49SNOWHARNESS15SBPROS)
ENGINE, AIR INTAKE SYSTEM - S16DF6PE/PEL (600065)
ENGINE, COOLING SYSTEM - S16DF6PE/PEL ALL OPTIONS (49SNOWCOOLING156PROS)
ENGINE, CRANKCASE - S16DF6PE/PEL ALL OPTIONS (49SNOWCRANKCASE156LE)
ENGINE, CYLINDER - S16DF6PE/PEL ALL OPTIONS (49SNOWCYLINDER156LEAS)
ENGINE, EXHAUST - S16DF6PE/PEL ALL OPTIONS (600158)
ENGINE, EXHAUST VALVES and SOLENOID - S16DF6PE/PEL ALL OPTIONS (49SNOWEXHAUSTVALVES15600AS)
ENGINE, MOUNTING & SHORT BLOCK - S16DF6PE/PEL (49SNOWENGINEMOUNT156PROS)
ENGINE, OIL BOTTLE ASM. - S16DF6PE/PEL ALL OPTIONS (49SNOWOILBOTTLE15PROS)
ENGINE, OIL PUMP and LINES - S16DF6PE/PEL ALL OPTIONS (49SNOWOILPUMP158CH)
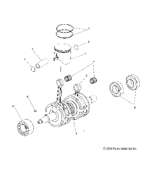
ENGINE, PISTON and CRANKSHAFT - S16DF6PE/PEL ALL OPTIONS (49SNOWPISTONCRANKSHAFT15600AS)
ENGINE, RECOIL STARTER - S16DF6PE/PEL ALL OPTIONS (49SNOWRECOIL12SB)
ENGINE, REED VALVE and THROTTLE BODY ADAPTOR - S16DF6PE/PEL ALL OPTIONS (49SNOWCARBURETOR15600AS)
ENGINE, STARTER MOTOR - S16DF6PE/PEL (49SNOWSTARTER158CH)
ENGINE, THROTTLE CONTROL ASM. - S16DF6PE/PEL ALL OPTIONS (49SNOWTHROTTLE15PROS)
ENGINE, WATER PUMP - S16DF6PE/PEL ALL OPTIONS (49SNOWWATERPUMP158CH)
FUEL SYSTEM, FUEL TANK ASM. - S16DF6PE/PEL ALL OPTIONS (49SNOWFUEL15PROS)
FUEL SYSTEM, RAIL, LINES and THROTTLE BODY - S16DF6PE/PEL ALL OPTIONS (600146)
OPTIONS, STORAGE BAGS - S16DF6PE FEATURES/OPTIONS (600075)
STEERING, LOWER - S16DF6PE/PEL ALL OPTIONS (600101)
STEERING, SKI ASM. - S16DF6PE/PEL ALL OPTIONS (49SNOWSKIASM13600LE)
STEERING, UPPER and HANDLEBAR ASM. - S16DF6PE/PEL ALL OPTIONS (600159)
SUSPENSION, CONTROL ARMS and SPINDLE - S16DF6 ALL OPTIONS (600209)
SUSPENSION, CONTROL ARMS and SPINDLE - S16DF6 ALL OPTIONS (C603112)
SUSPENSION, CRANK ASM., REAR - S16DF6PE/PEL ALL OPTIONS (49SNOWSUSPCRANK15PROS)
SUSPENSION, RAIL ASM. - S16DF6PE/PEL ALL OPTIONS (49SNOWSUSPRAIL15PROS)
SUSPENSION, REAR and TRACK - S16DF6PE/PEL ALL OPTIONS (49SNOWSUSPRR15PROS)
SUSPENSION, SHOCK, FRONT TRACK (7044121) - S15DF6PE/PEL ALL OPTIONS (49SNOWSHOCKFRONT7043956)
SUSPENSION, SHOCK, IFS (7044288) - S16DF6PE/PEL ALL OPTIONS (49SNOWSHOCKIFS7044288)
SUSPENSION, SHOCK, REAR TRACK (7044122) - S16DF6PE/PEL ALL OPTIONS (49SNOWSHOCKREAR7043959)
SUSPENSION, SWAY BAR - S16DF6PE/PEL ALL OPTIONS (49SNOWSWAYBAR15PROS)
SUSPENSION, TORQUE ARM, FRONT - S16DF6PE/PEL ALL OPTIONS (49SNOWFTA15PROS)
TOOLS, BELT HOLDER, TOOLS, and OWNERS MANUAL - S16DF6PE/PEL ALL OPTIONS (49SNOWTOOL15PROS)
BODY, BUMPER, FRONT - S16DF6PE/PEL (49SNOWBUMPER15PROS)
BODY, BUMPER, REAR and CLOSEOFF - S16DF6PE/PEL (49SNOWBUMPERRR15PROS)
BODY, CONSOLE - S16DF6PE/PEL (49SNOWCONSOLE15PROS)
BODY, DECAL - S16DF6 (600006)
BODY, DECAL, SNOW CHECK (BLK SIDE PANEL W/PINK GRAPHICS) - S16DF6 (600008)
BODY, DECAL, SNOW CHECK (ORNG SIDE PANEL/BLK SIDE PANEL W/ORNG GRAPHICS) - S16DF6 (600007)
BODY, DECAL, SNOW CHECK (TURBO SLV SIDE PANEL/BLK SIDE PANEL W/SLV GRAPHICS) - S16DF6 (600007)
BODY, DECAL, SNOW CHECK (VOODOO BLU SIDE PANEL/BLK SIDE PANEL W/VOODOO BLU GRAPHICS) - S16DF6 (600007)
BODY, DECAL, SNOW CHECK (WHT SIDE PANEL/RED SIDE PANEL) - S16DF6 (600007)
BODY, FENDERS AND NOSEPAN ASM. - S16F6PEPEL (600071)
BODY, HOOD ASM. - S16DF6PE/PEL (49SNOWHOOD15PROS)
BODY, HOOD FOAM/FIBER - S16DF6PE/PEL (49SNOWHOODSCFL15PROS)
BODY, SEAT - S16DF6PE/PEL ALL OPTIONS (49SNOWSEAT15PROS)
BODY, SIDE PANELS - S16DF6PE/PEL (49SNOWSIDEPNL15PROS)
BODY, WINDSHIELD - S16DF6PE/PEL (49SNOWWINDSHLD15PROS)
BRAKES, BRAKE SYSTEM - S16DF6PE/PEL (49SNOWBRAKE15PROS)
CHASSIS, BULKHEAD ASM. - S16DF6PE/PEL (600085)
CHASSIS, CHASSIS ASM. and OVER STRUCTURE - S16DF6PE/PEL (49SNOWCHASSISFRT215PROS)
CHASSIS, CLUTCH GUARD and FOOTRESTS - S16DF6PE/PEL (49SNOWCLUTCHGUARD15PROS)
CHASSIS, SPORT RACK, SNOW CHECK F&O - S16DF6PE (600074)
CHASSIS, TUNNEL and REAR ASM. - S16DF6PE/PEL ALL OPTIONS (49SNOWCHASSISRR15PROS)
DRIVE TRAIN, CHAINCASE - S16DF6PE/PEL ALL OPTIONS (49SNOWCHAINCASE15PROS)
DRIVE TRAIN, CLUTCH, PRIMARY - S16DF6PE/PEL ALL OPTIONS (49SNOWDRIVECLUTCH15PROS)
DRIVE TRAIN, CLUTCH, SECONDARY - S16DF6PE/PEL ALL OPTIONS (49SNOWDRIVENCLUTCH1322948)
DRIVE TRAIN, JACKSHAFT and DRIVESHAFT - S16DF6PE/PEL ALL OPTIONS (49SNOWDRIVETRAIN16PROS)
ELECTRICAL, BATTERY and CABLES - S16DF6PE/PEL (600073)
ELECTRICAL, GPS COMPONENTS - S16DF6PE (49SNOWGPS15PROS)
ELECTRICAL, HEADLIGHT and TAILLIGHT - S16DF6PE/PEL ALL OPTIONS (49SNOWHEADLGHT15PROS)
ELECTRICAL, IGNITION SYSTEM - S16DF6PE/PEL ALL OPTIONS (49SNOWIGNITION15PROS)
ELECTRICAL, MULTI FUNCTION GAUGE - S16DF6E/PEL ALL OPTIONS (600035)
ELECTRICAL, SWITCHES, SENSORS and COMPONENTS - S16DF6PE/PEL ALL OPTIONS (49SNOWELECT15PROS6)
ELECTRICAL, WIRE HARNESS - S16DF6PE/PEL ALL OPTIONS (49SNOWHARNESS15SBPROS)
ENGINE, AIR INTAKE SYSTEM - S16DF6PE/PEL (600065)
ENGINE, COOLING SYSTEM - S16DF6PE/PEL ALL OPTIONS (49SNOWCOOLING156PROS)
ENGINE, CRANKCASE - S16DF6PE/PEL ALL OPTIONS (49SNOWCRANKCASE156LE)
ENGINE, CYLINDER - S16DF6PE/PEL ALL OPTIONS (49SNOWCYLINDER156LEAS)
ENGINE, EXHAUST - S16DF6PE/PEL ALL OPTIONS (600158)
ENGINE, EXHAUST VALVES and SOLENOID - S16DF6PE/PEL ALL OPTIONS (49SNOWEXHAUSTVALVES15600AS)
ENGINE, MOUNTING & SHORT BLOCK - S16DF6PE/PEL (49SNOWENGINEMOUNT156PROS)
ENGINE, OIL BOTTLE ASM. - S16DF6PE/PEL ALL OPTIONS (49SNOWOILBOTTLE15PROS)
ENGINE, OIL PUMP and LINES - S16DF6PE/PEL ALL OPTIONS (49SNOWOILPUMP158CH)
ENGINE, PISTON and CRANKSHAFT - S16DF6PE/PEL ALL OPTIONS (49SNOWPISTONCRANKSHAFT15600AS)
ENGINE, RECOIL STARTER - S16DF6PE/PEL ALL OPTIONS (49SNOWRECOIL12SB)
ENGINE, REED VALVE and THROTTLE BODY ADAPTOR - S16DF6PE/PEL ALL OPTIONS (49SNOWCARBURETOR15600AS)
ENGINE, STARTER MOTOR - S16DF6PE/PEL (49SNOWSTARTER158CH)
ENGINE, THROTTLE CONTROL ASM. - S16DF6PE/PEL ALL OPTIONS (49SNOWTHROTTLE15PROS)
ENGINE, WATER PUMP - S16DF6PE/PEL ALL OPTIONS (49SNOWWATERPUMP158CH)
FUEL SYSTEM, FUEL TANK ASM. - S16DF6PE/PEL ALL OPTIONS (49SNOWFUEL15PROS)
FUEL SYSTEM, RAIL, LINES and THROTTLE BODY - S16DF6PE/PEL ALL OPTIONS (600146)
OPTIONS, STORAGE BAGS - S16DF6PE FEATURES/OPTIONS (600075)
STEERING, LOWER - S16DF6PE/PEL ALL OPTIONS (600101)
STEERING, SKI ASM. - S16DF6PE/PEL ALL OPTIONS (49SNOWSKIASM13600LE)
STEERING, UPPER and HANDLEBAR ASM. - S16DF6PE/PEL ALL OPTIONS (600159)
SUSPENSION, CONTROL ARMS and SPINDLE - S16DF6 ALL OPTIONS (600209)
SUSPENSION, CONTROL ARMS and SPINDLE - S16DF6 ALL OPTIONS (C603112)
SUSPENSION, CRANK ASM., REAR - S16DF6PE/PEL ALL OPTIONS (49SNOWSUSPCRANK15PROS)
SUSPENSION, RAIL ASM. - S16DF6PE/PEL ALL OPTIONS (49SNOWSUSPRAIL15PROS)
SUSPENSION, REAR and TRACK - S16DF6PE/PEL ALL OPTIONS (49SNOWSUSPRR15PROS)
SUSPENSION, SHOCK, FRONT TRACK (7044121) - S15DF6PE/PEL ALL OPTIONS (49SNOWSHOCKFRONT7043956)
SUSPENSION, SHOCK, IFS (7044288) - S16DF6PE/PEL ALL OPTIONS (49SNOWSHOCKIFS7044288)
SUSPENSION, SHOCK, REAR TRACK (7044122) - S16DF6PE/PEL ALL OPTIONS (49SNOWSHOCKREAR7043959)
SUSPENSION, SWAY BAR - S16DF6PE/PEL ALL OPTIONS (49SNOWSWAYBAR15PROS)
SUSPENSION, TORQUE ARM, FRONT - S16DF6PE/PEL ALL OPTIONS (49SNOWFTA15PROS)
TOOLS, BELT HOLDER, TOOLS, and OWNERS MANUAL - S16DF6PE/PEL ALL OPTIONS (49SNOWTOOL15PROS)
View Cart
VIEW WISH LIST