Polaris
Browse New Models
Shop In-Stock
Can-Am
Browse New Models
Shop In-Stock
Ski-Doo
Browse New Models
Shop In-Stock
Sea-Doo
Browse New Models
Shop In-Stock
Kayo
Browse New Models
Shop In-Stock
Manitou
Browse New Models
Shop In-Stock
Our
Location
Call
Us
Contact
Us
Toggle navigation
Home
Brands
Showroom
Manufacturer Models
OEM Promotions
Polaris Off-Road
Polaris Snowmobiles
Can-Am
Sea-Doo
Ski-Doo
Kayo
Yamaha Marine
Triton Trailers
Manitou
Nitro Trailers
CAM Superline
Durabull Trailers
Trifecta Pontoons
Inventory
All Inventory In Stock
New Inventory In Stock
Pre-Owned Inventory
Value Your Trade-In
Request a Model
Financing
Parts
Parts Department
OEM Parts Finder
Service
Service Department
Request Polaris Service
Warranty & Recall Look-Up
Financing
About
Our Dealership
Our Team
Reviews
Customer Survey
Newsletter Sign-Up
Employment
Events
Location & Hours
Contact
Call Us
Fort Kent, ME
Fiche | Parts Diagrams
2016 Polaris Snowmobiles
Home
›
Parts
›
OEM Parts Finder
Search by :
Part / Desc
VIN
Please Select
Can-Am
LYNX
Polaris
Sea-Doo
Ski-Doo
Yamaha
*Please enter at least 3 characters
SEARCH
Manufacturer
Polaris
Snowmobiles
2016
800 RMK 155 ALL OPTIONS (S16CM8)
View Cart
VIEW WISH LIST
Select a Section
Show/Hide
BODY, BUMPER, FRONT - S16CM8 ALL OPTIONS (49SNOWBUMPER12800PRMK)
BODY, BUMPER, REAR, SNOWFLAP and TAILLIGHT COVER - S16CM8 ALL OPTIONS (49SNOWBUMPERRR11800PRMK)
BODY, CONSOLE - S16CM8 ALL OPTIONS (49SNOWCONSOLE15RMK)
BODY, DECAL - S16CM8 ALL OPTIONS (49SNOWDECAL16RMK6)
BODY, FENDERS and SIDE PANELS - S16CM8 ALL OPTIONS (49SNOWFENDERS13RMK)
BODY, HOOD ASM. - S16CM8 ALL OPTIONS (49SNOWHOOD13RMK)
BODY, HOOD FOAM/FIBER - S16CM8 ALL OPTIONS (49SNOWHOODSCFL11800PRMK)
BODY, NOSEPAN ASM. - S16CM8 ALL OPTIONS (49SNOWNOSEPAN11800PRMK)
BODY, SEAT ASM. - S16CM8 ALL OPTIONS (49SNOWSEAT138RMK)
BODY, WINDSHIELD - S16CM8 ALL OPTIONS (49SNOWWINDSHLD11800ASLT)
BRAKES, BRAKE SYSTEM - S16CM8 ALL OPTIONS (600185)
CHASSIS, BULKHEAD ASM. - S16CM8 ALL OPTIONS (49SNOWCHASSISFRT13600RMK)
CHASSIS, CHASSIS ASM. and OVER STRUCTURE - S16CM8 ALL OPTIONS (49SNOWCHASSISFRT214RMK)
CHASSIS, CLUTCH GUARD and FOOTRESTS - S16CM8 ALL OPTIONS (49SNOWCLUTCHGUARD13600RMK155)
DRIVE TRAIN, CHAINCASE - S16CM8 ALL OPTIONS (49SNOWCHAINCASE14RMK)
DRIVE TRAIN, CLUTCH, PRIMARY - S16CM8 ALL OPTIONS (49SNOWDRIVECLUTCH09600TRG)
DRIVE TRAIN, CLUTCH, SECONDARY - S16CM8 ALL OPTIONS (49SNOWDRIVENCLUTCH09ASLT)
DRIVE TRAIN, JACKSHAFT and DRIVESHAFT - S16CM8 ALL OPTIONS (49SNOWDRIVETRAIN11800PRMK)
ELECTRICAL, BATTERY and CABLES, (ES) - S16CM8 (49SNOWBATTERY13RMK)
ELECTRICAL, HEADLIGHT and TAILLIGHT - S16CM8 ALL OPTIONS (49SNOWHEADLGHT12SBASLT)
ELECTRICAL, IGNITION SYSTEM - S16CM8 ALL OPTIONS (49SNOWIGNITION13RMKASLT)
ELECTRICAL, MULTI FUNCTION GAUGE - S16CM8 ALL OPTIONS (49SNOWGAUGE10PR)
ELECTRICAL, SWITCHES, SENSORS and COMPONENTS - S16CM8 ALL OPTIONS (600182)
ELECTRICAL, WIRE HARNESS - S16CM8 ALL OPTIONS (49SNOWHARNESS14PRMK)
ENGINE, AIR INTAKE SYSTEM - S16CM8 ALL OPTIONS (49SNOWAIR13RMK)
ENGINE, COOLING SYSTEM - S16CM8 ALL OPTIONS (49SNOWCOOLING14800)
ENGINE, CRANKCASE - S16CM8 ALL OPTIONS (49SNOWCRANKCASE138LE)
ENGINE, CYLINDER - S16CM8 ALL OPTIONS (49SNOWCYLINDER14800LE)
ENGINE, EXHAUST - S16CM8 ALL OPTIONS (49SNOWEXHAUST13800LE)
ENGINE, EXHAUST VALVES and SOLENOID - S16CM8 ALL OPTIONS (49SNOWEXHAUSTVALVES13800LE)
ENGINE, MOUNTING & SHORT BLOCK - S16CM8 ALL OPTIONS (49SNOWENGINEMOUNT13800LE)
ENGINE, OIL BOTTLE ASM. - S16CM8 ALL OPTIONS (49SNOWOILBOTTLE13600RUSH)
ENGINE, OIL PUMP and LINES - S16CM8 ALL OPTIONS (49SNOWOILPUMP12PR)
ENGINE, PISTON and CRANKSHAFT - S16CM8 ALL OPTIONS (600079)
ENGINE, RECOIL STARTER - S16CM8 ALL OPTIONS (49SNOWRECOIL12800RMK)
ENGINE, REED VALVE and THROTTLE BODY ADAPTOR - S16CM8 ALL OPTIONS (49SNOWCARBURETOR09600TRG)
ENGINE, STARTER MOTOR - S16CM8 ELECTRIC START (49SNOWSTARTER13RUSH)
ENGINE, THROTTLE CONTROL ASM. - S16CM8 ALL OPTIONS (600183)
ENGINE, WATER PUMP - S16CM8 ALL OPTIONS (49SNOWWATERPUMP13INDY)
FUEL SYSTEM, FUEL TANK ASM. - S16CM8 ALL OPTIONS (49SNOWFUEL13ASSLT)
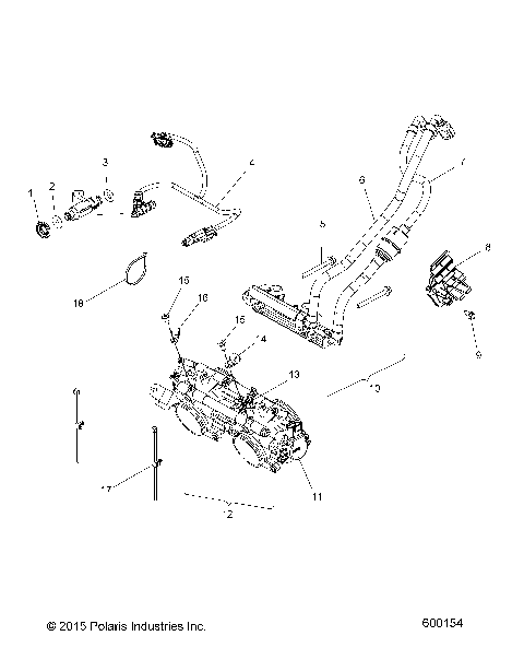
FUEL SYSTEM, RAIL, LINES and THROTTLE BODY - S16CM8 ALL OPTIONS (600154)
STEERING, HANDLEBAR MOUNTING - S16CM8 ALL OPTIONS (49SNOWHANDLEBAR14RMK)
STEERING, LOWER - S16CM8 ALL OPTIONS (49SNOWSTEERINGLWR15RMK)
STEERING, SKI ASM. - S16CM8 ALL OPTIONS (49SNOWSKIASM11800PRMK)
SUSPENSION, CONTROL ARMS and SPINDLE - S16CM8 ALL OPTIONS (600184)
SUSPENSION, RAIL MOUNTING - S16CM8 ALL OPTIONS (49SNOWSUSPRAIL13155RMK)
SUSPENSION, REAR - S16CM8 ALL OPTIONS (49SNOWSUSPRR13155RMK)
SUSPENSION, SHOCK, FRONT TRACK - S16CM8 ALL OPTIONS (49SNOWSHOCKFRONT7043615)
SUSPENSION, SHOCK, IFS - S16CM8 ALL OPTIONS (49SNOWSHOCKIFS7043614)
SUSPENSION, SHOCK, REAR TRACK - S16CM8 ALL OPTIONS (49SNOWSHOCKREAR7043733)
SUSPENSION, SWAY BAR - S16CM8 ALL OPTIONS (49SNOWSWAYBAR10PR)
SUSPENSION, TORQUE ARM, FRONT - S16CM8 ALL OPTIONS (49SNOWFTA12800PRMK)
SUSPENSION, TORQUE ARM, REAR - S16CM8 ALL OPTIONS (49SNOWTORQUEREAR11800PRMK)
TOOLS, TOOL KIT and OWNERS MANUAL - S16CM8 ALL OPTIONS (49SNOWTOOL11800RMK)
BODY, BUMPER, FRONT - S16CM8 ALL OPTIONS (49SNOWBUMPER12800PRMK)
BODY, BUMPER, REAR, SNOWFLAP and TAILLIGHT COVER - S16CM8 ALL OPTIONS (49SNOWBUMPERRR11800PRMK)
BODY, CONSOLE - S16CM8 ALL OPTIONS (49SNOWCONSOLE15RMK)
BODY, DECAL - S16CM8 ALL OPTIONS (49SNOWDECAL16RMK6)
BODY, FENDERS and SIDE PANELS - S16CM8 ALL OPTIONS (49SNOWFENDERS13RMK)
BODY, HOOD ASM. - S16CM8 ALL OPTIONS (49SNOWHOOD13RMK)
BODY, HOOD FOAM/FIBER - S16CM8 ALL OPTIONS (49SNOWHOODSCFL11800PRMK)
BODY, NOSEPAN ASM. - S16CM8 ALL OPTIONS (49SNOWNOSEPAN11800PRMK)
BODY, SEAT ASM. - S16CM8 ALL OPTIONS (49SNOWSEAT138RMK)
BODY, WINDSHIELD - S16CM8 ALL OPTIONS (49SNOWWINDSHLD11800ASLT)
BRAKES, BRAKE SYSTEM - S16CM8 ALL OPTIONS (600185)
CHASSIS, BULKHEAD ASM. - S16CM8 ALL OPTIONS (49SNOWCHASSISFRT13600RMK)
CHASSIS, CHASSIS ASM. and OVER STRUCTURE - S16CM8 ALL OPTIONS (49SNOWCHASSISFRT214RMK)
CHASSIS, CLUTCH GUARD and FOOTRESTS - S16CM8 ALL OPTIONS (49SNOWCLUTCHGUARD13600RMK155)
DRIVE TRAIN, CHAINCASE - S16CM8 ALL OPTIONS (49SNOWCHAINCASE14RMK)
DRIVE TRAIN, CLUTCH, PRIMARY - S16CM8 ALL OPTIONS (49SNOWDRIVECLUTCH09600TRG)
DRIVE TRAIN, CLUTCH, SECONDARY - S16CM8 ALL OPTIONS (49SNOWDRIVENCLUTCH09ASLT)
DRIVE TRAIN, JACKSHAFT and DRIVESHAFT - S16CM8 ALL OPTIONS (49SNOWDRIVETRAIN11800PRMK)
ELECTRICAL, BATTERY and CABLES, (ES) - S16CM8 (49SNOWBATTERY13RMK)
ELECTRICAL, HEADLIGHT and TAILLIGHT - S16CM8 ALL OPTIONS (49SNOWHEADLGHT12SBASLT)
ELECTRICAL, IGNITION SYSTEM - S16CM8 ALL OPTIONS (49SNOWIGNITION13RMKASLT)
ELECTRICAL, MULTI FUNCTION GAUGE - S16CM8 ALL OPTIONS (49SNOWGAUGE10PR)
ELECTRICAL, SWITCHES, SENSORS and COMPONENTS - S16CM8 ALL OPTIONS (600182)
ELECTRICAL, WIRE HARNESS - S16CM8 ALL OPTIONS (49SNOWHARNESS14PRMK)
ENGINE, AIR INTAKE SYSTEM - S16CM8 ALL OPTIONS (49SNOWAIR13RMK)
ENGINE, COOLING SYSTEM - S16CM8 ALL OPTIONS (49SNOWCOOLING14800)
ENGINE, CRANKCASE - S16CM8 ALL OPTIONS (49SNOWCRANKCASE138LE)
ENGINE, CYLINDER - S16CM8 ALL OPTIONS (49SNOWCYLINDER14800LE)
ENGINE, EXHAUST - S16CM8 ALL OPTIONS (49SNOWEXHAUST13800LE)
ENGINE, EXHAUST VALVES and SOLENOID - S16CM8 ALL OPTIONS (49SNOWEXHAUSTVALVES13800LE)
ENGINE, MOUNTING & SHORT BLOCK - S16CM8 ALL OPTIONS (49SNOWENGINEMOUNT13800LE)
ENGINE, OIL BOTTLE ASM. - S16CM8 ALL OPTIONS (49SNOWOILBOTTLE13600RUSH)
ENGINE, OIL PUMP and LINES - S16CM8 ALL OPTIONS (49SNOWOILPUMP12PR)
ENGINE, PISTON and CRANKSHAFT - S16CM8 ALL OPTIONS (600079)
ENGINE, RECOIL STARTER - S16CM8 ALL OPTIONS (49SNOWRECOIL12800RMK)
ENGINE, REED VALVE and THROTTLE BODY ADAPTOR - S16CM8 ALL OPTIONS (49SNOWCARBURETOR09600TRG)
ENGINE, STARTER MOTOR - S16CM8 ELECTRIC START (49SNOWSTARTER13RUSH)
ENGINE, THROTTLE CONTROL ASM. - S16CM8 ALL OPTIONS (600183)
ENGINE, WATER PUMP - S16CM8 ALL OPTIONS (49SNOWWATERPUMP13INDY)
FUEL SYSTEM, FUEL TANK ASM. - S16CM8 ALL OPTIONS (49SNOWFUEL13ASSLT)
FUEL SYSTEM, RAIL, LINES and THROTTLE BODY - S16CM8 ALL OPTIONS (600154)
STEERING, HANDLEBAR MOUNTING - S16CM8 ALL OPTIONS (49SNOWHANDLEBAR14RMK)
STEERING, LOWER - S16CM8 ALL OPTIONS (49SNOWSTEERINGLWR15RMK)
STEERING, SKI ASM. - S16CM8 ALL OPTIONS (49SNOWSKIASM11800PRMK)
SUSPENSION, CONTROL ARMS and SPINDLE - S16CM8 ALL OPTIONS (600184)
SUSPENSION, RAIL MOUNTING - S16CM8 ALL OPTIONS (49SNOWSUSPRAIL13155RMK)
SUSPENSION, REAR - S16CM8 ALL OPTIONS (49SNOWSUSPRR13155RMK)
SUSPENSION, SHOCK, FRONT TRACK - S16CM8 ALL OPTIONS (49SNOWSHOCKFRONT7043615)
SUSPENSION, SHOCK, IFS - S16CM8 ALL OPTIONS (49SNOWSHOCKIFS7043614)
SUSPENSION, SHOCK, REAR TRACK - S16CM8 ALL OPTIONS (49SNOWSHOCKREAR7043733)
SUSPENSION, SWAY BAR - S16CM8 ALL OPTIONS (49SNOWSWAYBAR10PR)
SUSPENSION, TORQUE ARM, FRONT - S16CM8 ALL OPTIONS (49SNOWFTA12800PRMK)
SUSPENSION, TORQUE ARM, REAR - S16CM8 ALL OPTIONS (49SNOWTORQUEREAR11800PRMK)
TOOLS, TOOL KIT and OWNERS MANUAL - S16CM8 ALL OPTIONS (49SNOWTOOL11800RMK)
View Cart
VIEW WISH LIST