Polaris
Browse New Models
Shop In-Stock
Can-Am
Browse New Models
Shop In-Stock
Ski-Doo
Browse New Models
Shop In-Stock
Sea-Doo
Browse New Models
Shop In-Stock
Kayo
Browse New Models
Shop In-Stock
Manitou
Browse New Models
Shop In-Stock
Our
Location
Call
Us
Contact
Us
Toggle navigation
Home
Brands
Showroom
Manufacturer Models
OEM Promotions
Polaris Off-Road
Polaris Snowmobiles
Can-Am
Sea-Doo
Ski-Doo
Kayo
Yamaha Marine
Triton Trailers
Manitou
Nitro Trailers
CAM Superline
Durabull Trailers
Trifecta Pontoons
Inventory
All Inventory In Stock
New Inventory In Stock
Pre-Owned Inventory
Value Your Trade-In
Request a Model
Financing
Parts
Parts Department
OEM Parts Finder
Service
Service Department
Request Polaris Service
Warranty & Recall Look-Up
Financing
About
Our Dealership
Our Team
Reviews
Customer Survey
Newsletter Sign-Up
Employment
Events
Location & Hours
Contact
Call Us
Fort Kent, ME
Fiche | Parts Diagrams
2017 Polaris Snowmobiles
Home
›
Parts
›
OEM Parts Finder
Search by :
Part / Desc
VIN
Please Select
Can-Am
LYNX
Polaris
Sea-Doo
Ski-Doo
Yamaha
*Please enter at least 3 characters
SEARCH
Manufacturer
Polaris
Snowmobiles
2017
600 VOYAGEUR/INTL 144 (S17EEF6PSL/PEL)
View Cart
VIEW WISH LIST
Select a Section
Show/Hide
BODY, BUMPER, FRONT - S17EEF6PSL/PEL (600350)
BODY, BUMPER, REAR, SNOWFLAP and TAILLIGHT COVER - S17EEF6PSL/PEL (600351)
BODY, CONSOLE - S17EEF6PSL/PEL (600353)
BODY, DECAL - S17EEF6PSL/PEL (600354)
BODY, FENDERS AND NOSEPAN ASM. - S17EEF6PSL/PEL (600316)
BODY, HOOD ASM. - S17EEF6PSL/PEK (49SNOWHOOD15PROS)
BODY, HOOD FOAM/FIBER - S17EEF6PSL/PEL (49SNOWHOODSCFL15PROS)
BODY, SEAT - S17EEF6PSL/PEL (49SNOWSEAT15PROS)
BODY, SIDE PANELS - S17EEF6PSL/PEL (600355)
BODY, WINDSHIELD - S17EEF6PSL/PEL (600356)
BRAKES, BRAKE SYSTEM - S17EEF6PSL/PEL (49SNOWBRAKE15PROS)
CHASSIS, BULKHEAD ASM. - S17EEF6PSL/PEL (600257)
CHASSIS, CHASSIS ASM. and OVER STRUCTURE - S17EEF6PSL/PEL (600256)
CHASSIS, CLUTCH GUARD and FOOTRESTS - S17EEF6PSL/PEL (600258)
DRIVE TRAIN, CHAINCASE - S17EEF6PSL/PEL (49SNOWCHAINCASE15PROS)
DRIVE TRAIN, CLUTCH, PRIMARY - S17EEF6PSL/PEL (49SNOWDRIVECLUTCH15PROS)
DRIVE TRAIN, CLUTCH, SECONDARY - S17EEF6PSL/PEL (49SNOWDRIVENCLUTCH1322948)
DRIVE TRAIN, JACKSHAFT and DRIVESHAFT - S17EEF6PSL/PEL (49SNOWDRIVETRAIN16PROS)
ELECTRICAL, BATTERY and CABLES - S17EEF6PSL/PEL (600240)
ELECTRICAL, HEADLIGHT and TAILLIGHT - S17EEF6PSL/PEL (600352)
ELECTRICAL, IGNITION SYSTEM - S17EEF6PSL/PEL (49SNOWIGNITION15PROS)
ELECTRICAL, MULTI FUNCTION GAUGE - S17EEF6PSL/PEL (600241)
ELECTRICAL, SWITCHES, SENSORS and COMPONENTS - S17EEF6PSL/PEL (49SNOWELECT15PROS6)
ELECTRICAL, WIRE HARNESS - S17EEF6PSL/PEL (600259)
ENGINE, AIR INTAKE SYSTEM - S17EEF6PSL/PEL (600065)
ENGINE, COOLING SYSTEM - S17EEF6PSL/PEL (600358)
ENGINE, CRANKCASE - S17EEF6PSL/PEL (49SNOWCRANKCASE156LE)
ENGINE, CYLINDER - S17EEF6PSL/PEL (600550)
ENGINE, EXHAUST - S17EEF6PSL/PEL (600038)
ENGINE, EXHAUST VALVES and SOLENOID - S17EEF6PSL/PEL (600168)
ENGINE, MOUNTING & LONG BLOCK - S17EEF6PSL/PEL (49SNOWENGINEMOUNT156PROS)
ENGINE, OIL BOTTLE ASM. - S17EEF6PSL/PEL (49SNOWOILBOTTLE15PROS)
ENGINE, OIL PUMP and LINES - S17EEF6PSL/PEL (49SNOWOILPUMP158CH)
ENGINE, PISTON and CRANKSHAFT - S17EEF6PSL/PEL (600080)
ENGINE, RECOIL STARTER - S17EEF6PSL/PEL (49SNOWRECOIL12SB)
ENGINE, REED VALVE and THROTTLE BODY ADAPTOR - S17EEF6PSL/PEL (49SNOWCARBURETOR15600AS)
ENGINE, STARTER MOTOR - S17EEF6PSL/PEL (49SNOWSTARTER158CH)
ENGINE, THROTTLE CONTROL ASM. - S17EEF6PSL/PEL (49SNOWTHROTTLE15PROS)
ENGINE, WATER PUMP - S17EEF6PSL/PEL (600284)
FUEL SYSTEM, FUEL TANK ASM. - S17EEF6PSL/PEL (600244)
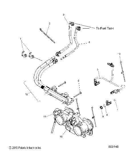
FUEL SYSTEM, RAIL, LINES and THROTTLE BODY - S17EEF6PSL/PEL (600146)
STEERING, LOWER - S17EEF6PSL/PEL (600101)
STEERING, SKI ASM. - S17EEF6PSL/PEL (600359)
STEERING, UPPER and HANDLEBAR ASM. - S17EEF6PSL/PEL (600530)
SUSPENSION, CONTROL ARMS and SPINDLE - S17EEF6PSL/PEL (600360)
SUSPENSION, RAIL MOUNTING - S17EEF6PSL/PEL (600361)
SUSPENSION, REAR - S17EEF6PSL/PEL (600363)
SUSPENSION, SHOCKS - S17EEF6PSL/PEL (600364)
SUSPENSION, SWAY BAR - S17EEF6PSL/PEL (49SNOWSWAYBAR10PR)
SUSPENSION, TORQUE ARM, FRONT - S17EEF6PSL/PEL (600253)
SUSPENSION, TORQUE ARM, REAR - S17EEF6PSL/PEL (600365)
TOOLS, BELT HOLDER, TOOLS, and OWNERS MANUAL - S17EEF6PSL/PEL (49SNOWTOOL15PROS)
BODY, BUMPER, FRONT - S17EEF6PSL/PEL (600350)
BODY, BUMPER, REAR, SNOWFLAP and TAILLIGHT COVER - S17EEF6PSL/PEL (600351)
BODY, CONSOLE - S17EEF6PSL/PEL (600353)
BODY, DECAL - S17EEF6PSL/PEL (600354)
BODY, FENDERS AND NOSEPAN ASM. - S17EEF6PSL/PEL (600316)
BODY, HOOD ASM. - S17EEF6PSL/PEK (49SNOWHOOD15PROS)
BODY, HOOD FOAM/FIBER - S17EEF6PSL/PEL (49SNOWHOODSCFL15PROS)
BODY, SEAT - S17EEF6PSL/PEL (49SNOWSEAT15PROS)
BODY, SIDE PANELS - S17EEF6PSL/PEL (600355)
BODY, WINDSHIELD - S17EEF6PSL/PEL (600356)
BRAKES, BRAKE SYSTEM - S17EEF6PSL/PEL (49SNOWBRAKE15PROS)
CHASSIS, BULKHEAD ASM. - S17EEF6PSL/PEL (600257)
CHASSIS, CHASSIS ASM. and OVER STRUCTURE - S17EEF6PSL/PEL (600256)
CHASSIS, CLUTCH GUARD and FOOTRESTS - S17EEF6PSL/PEL (600258)
DRIVE TRAIN, CHAINCASE - S17EEF6PSL/PEL (49SNOWCHAINCASE15PROS)
DRIVE TRAIN, CLUTCH, PRIMARY - S17EEF6PSL/PEL (49SNOWDRIVECLUTCH15PROS)
DRIVE TRAIN, CLUTCH, SECONDARY - S17EEF6PSL/PEL (49SNOWDRIVENCLUTCH1322948)
DRIVE TRAIN, JACKSHAFT and DRIVESHAFT - S17EEF6PSL/PEL (49SNOWDRIVETRAIN16PROS)
ELECTRICAL, BATTERY and CABLES - S17EEF6PSL/PEL (600240)
ELECTRICAL, HEADLIGHT and TAILLIGHT - S17EEF6PSL/PEL (600352)
ELECTRICAL, IGNITION SYSTEM - S17EEF6PSL/PEL (49SNOWIGNITION15PROS)
ELECTRICAL, MULTI FUNCTION GAUGE - S17EEF6PSL/PEL (600241)
ELECTRICAL, SWITCHES, SENSORS and COMPONENTS - S17EEF6PSL/PEL (49SNOWELECT15PROS6)
ELECTRICAL, WIRE HARNESS - S17EEF6PSL/PEL (600259)
ENGINE, AIR INTAKE SYSTEM - S17EEF6PSL/PEL (600065)
ENGINE, COOLING SYSTEM - S17EEF6PSL/PEL (600358)
ENGINE, CRANKCASE - S17EEF6PSL/PEL (49SNOWCRANKCASE156LE)
ENGINE, CYLINDER - S17EEF6PSL/PEL (600550)
ENGINE, EXHAUST - S17EEF6PSL/PEL (600038)
ENGINE, EXHAUST VALVES and SOLENOID - S17EEF6PSL/PEL (600168)
ENGINE, MOUNTING & LONG BLOCK - S17EEF6PSL/PEL (49SNOWENGINEMOUNT156PROS)
ENGINE, OIL BOTTLE ASM. - S17EEF6PSL/PEL (49SNOWOILBOTTLE15PROS)
ENGINE, OIL PUMP and LINES - S17EEF6PSL/PEL (49SNOWOILPUMP158CH)
ENGINE, PISTON and CRANKSHAFT - S17EEF6PSL/PEL (600080)
ENGINE, RECOIL STARTER - S17EEF6PSL/PEL (49SNOWRECOIL12SB)
ENGINE, REED VALVE and THROTTLE BODY ADAPTOR - S17EEF6PSL/PEL (49SNOWCARBURETOR15600AS)
ENGINE, STARTER MOTOR - S17EEF6PSL/PEL (49SNOWSTARTER158CH)
ENGINE, THROTTLE CONTROL ASM. - S17EEF6PSL/PEL (49SNOWTHROTTLE15PROS)
ENGINE, WATER PUMP - S17EEF6PSL/PEL (600284)
FUEL SYSTEM, FUEL TANK ASM. - S17EEF6PSL/PEL (600244)
FUEL SYSTEM, RAIL, LINES and THROTTLE BODY - S17EEF6PSL/PEL (600146)
STEERING, LOWER - S17EEF6PSL/PEL (600101)
STEERING, SKI ASM. - S17EEF6PSL/PEL (600359)
STEERING, UPPER and HANDLEBAR ASM. - S17EEF6PSL/PEL (600530)
SUSPENSION, CONTROL ARMS and SPINDLE - S17EEF6PSL/PEL (600360)
SUSPENSION, RAIL MOUNTING - S17EEF6PSL/PEL (600361)
SUSPENSION, REAR - S17EEF6PSL/PEL (600363)
SUSPENSION, SHOCKS - S17EEF6PSL/PEL (600364)
SUSPENSION, SWAY BAR - S17EEF6PSL/PEL (49SNOWSWAYBAR10PR)
SUSPENSION, TORQUE ARM, FRONT - S17EEF6PSL/PEL (600253)
SUSPENSION, TORQUE ARM, REAR - S17EEF6PSL/PEL (600365)
TOOLS, BELT HOLDER, TOOLS, and OWNERS MANUAL - S17EEF6PSL/PEL (49SNOWTOOL15PROS)
View Cart
VIEW WISH LIST