Polaris
Browse New Models
Shop In-Stock
Can-Am
Browse New Models
Shop In-Stock
Ski-Doo
Browse New Models
Shop In-Stock
Sea-Doo
Browse New Models
Shop In-Stock
Kayo
Browse New Models
Shop In-Stock
Manitou
Browse New Models
Shop In-Stock
Our
Location
Call
Us
Contact
Us
Toggle navigation
Home
Brands
Showroom
Manufacturer Models
OEM Promotions
Polaris Off-Road
Polaris Snowmobiles
Can-Am
Sea-Doo
Ski-Doo
Kayo
Yamaha Marine
Triton Trailers
Manitou
Nitro Trailers
CAM Superline
Durabull Trailers
Trifecta Pontoons
Inventory
All Inventory In Stock
New Inventory In Stock
Pre-Owned Inventory
Value Your Trade-In
Request a Model
Financing
Parts
Parts Department
OEM Parts Finder
Service
Service Department
Request Polaris Service
Warranty & Recall Look-Up
Financing
About
Our Dealership
Our Team
Reviews
Customer Survey
Newsletter Sign-Up
Employment
Events
Location & Hours
Contact
Call Us
Fort Kent, ME
Fiche | Parts Diagrams
2018 Polaris Snowmobiles
Home
›
Parts
›
OEM Parts Finder
Search by :
Part / Desc
VIN
Please Select
Can-Am
LYNX
Polaris
Sea-Doo
Ski-Doo
Yamaha
*Please enter at least 3 characters
SEARCH
Manufacturer
Polaris
Snowmobiles
2018
600 INDY/INDY SP ALL OPTIONS (S18CBA6GS/CBB6GS)
View Cart
VIEW WISH LIST
Select a Section
Show/Hide
BODY, BUMPER, FRONT - S18CBA6GS/CBB6GS ALL OPTIONS (49SNOWBUMPER12800PRMK)
BODY, BUMPER, REAR, SNOWFLAP and TAILLIGHT COVER - S18CBA6GS/CBB6GS ALL OPTIONS (600802)
BODY, CONSOLE - S18CBA6GS/CBB6GS ALL OPTIONS (49SNOWCONSOLE11800RMK)
BODY, DECAL - S18CBA6GS/CBB6GS ALL OPTIONS (600220)
BODY, FENDERS and SIDE PANELS - S18CBA6GS/CBB6GS ALL OPTIONS (49SNOWFENDERS12SB)
BODY, HOOD ASM. - S18CBA6GS/CBB6GS ALL OPTIONS (600786)
BODY, HOOD FOAM/FIBER - S18CBA6GS/CBB6GS ALL OPTIONS (49SNOWHOODSCFL11RUSH)
BODY, NOSEPAN ASM. - S18CBA6GS/CBB6GS ALL OPTIONS (49SNOWNOSEPAN16INDY)
BODY, SEAT ASM. - S18CBA6GS/CBB6GS ALL OPTIONS (600633)
BODY, WINDSHIELD - S18CBA6GS/CBB6GS ALL OPTIONS (600277)
BRAKES, BRAKE SYSTEM - S18CBA6GS/CBB6GS ALL OPTIONS (49SNOWBRAKE12600RMK)
CHASSIS, BULKHEAD ASM. - S18CBA6GS/CBB6GS ALL OPTIONS (600787)
CHASSIS, CHASSIS ASM. and OVER STRUCTURE - S18CBA6GS/CBB6GS ALL OPTIONS (49SNOWCHASSISFRT214INDY)
CHASSIS, CLUTCH GUARD and FOOTRESTS - S18CBA6GS/CBB6GS ALL OPTIONS (49SNOWCLUTCHGUARD13INDY)
DRIVE TRAIN, CHAINCASE - S18CBA6GS/CBB6GS ALL OPTIONS (49SNOWCHAINCASE13INDY)
DRIVE TRAIN, CLUTCH, PRIMARY - S18CBA6GS/CBB6GS ALL OPTIONS (49SNOWDRIVECLUTCH09600TRG)
DRIVE TRAIN, CLUTCH, SECONDARY - S18CBA6GS/CBB6GS ALL OPTIONS (49SNOWDRIVENCLUTCH1323129)
DRIVE TRAIN, JACKSHAFT and DRIVESHAFT - S18CBA6GS/CBB6GS ALL OPTIONS (49SNOWDRIVETRAIN14550)
ELECTRICAL, BATTERY and CABLES - S18CBA6GS/CBB6GS ELEC. START (600529)
ELECTRICAL, HEADLIGHT and TAILLIGHT - S18CBA6GS/CBB6GS ALL OPTIONS (49SNOWHEADLGHT12SBASLT)
ELECTRICAL, IGNITION SYSTEM - S18CBA6GS/CBB6GS ALL OPTIONS (49SNOWIGNITION13RMKASLT)
ELECTRICAL, MULTI FUNCTION GAUGE - S18CBA6GS/CBB6GS ALL OPTIONS (600241)
ELECTRICAL, SWITCHES, SENSORS and COMPONENTS - S18CBA6GS/CBB6GS ALL OPTIONS (49SNOWELECT13600RUSH)
ELECTRICAL, WIRE HARNESS - S18CBA6GS/CBB6GS ALL OPTIONS(49SNOWHARNESS14INDY)
ENGINE, AIR INTAKE SYSTEM - S18CBA6GS/CBB6GS ALL OPTIONS (49SNOWAIR13RMK)
ENGINE, COOLING SYSTEM - S18CBA6GS/CBB6GS ALL OPTIONS (600278)
ENGINE, CRANKCASE - S18CBA6GS/CBB6GS ALL OPTIONS (49SNOWCRANKCASE136LE)
ENGINE, CYLINDER - S18CBA6GS/CBB6GS ALL OPTIONS (49SNOWCYLINDER09600TRG)
ENGINE, EXHAUST - S18CBA6GS/CBB6GS ALL OPTIONS (600157)
ENGINE, EXHAUST VALVES and SOLENOID - S18CBA6GS/CBB6GS ALL OPTIONS (49SNOWEXHAUSTVALVES13LE)
ENGINE, MOUNTING & LONG BLOCK - S18CBA6GS/CBB6GS ALL OPTIONS (49SNOWENGINEMOUNT13600LE)
ENGINE, OIL BOTTLE ASM. - S18CBA6GS/CBB6GS ALL OPTIONS (49SNOWOILBOTTLE13600RUSH)
ENGINE, OIL PUMP and LINES - S18CBA6GS/CBB6GS ALL OPTIONS (49SNOWOILPUMP12PR)
ENGINE, PISTON and CRANKSHAFT - S18CBA6GS/CBB6GS ALL OPTIONS (600080)
ENGINE, RECOIL STARTER - S18CBA6GS/CBB6GS ALL OPTIONS (49SNOWRECOIL12800RMK)
ENGINE, REED VALVE and THROTTLE BODY ADAPTOR - S18CBA6GS/CBB6GS ALL OPTIONS (49SNOWCARBURETOR09600TRG)
ENGINE, STARTER MOTOR - S18CBA6GS/CBB6GS ALL OPTIONS (49SNOWSTARTER13RUSH)
ENGINE, THROTTLE CONTROL ASM. - S18CBA6GS/CBB6GS ALL OPTIONS (49SNOWTHROTTLE13PR)
ENGINE, WATER PUMP - S18CBA6GS/CBB6GS ALL OPTIONS (49SNOWWATERPUMP13INDY)
FUEL SYSTEM, FUEL TANK ASM. - S18CBA6GS/CBB6GS ALL OPTIONS (600634)
FUEL SYSTEM, RAIL, LINES and THROTTLE BODY - S18CBA6GS/CBB6GS ALL OPTIONS (49SNOWFUELLINE14RMK)
STEERING, LOWER - S18CBA6GS/CBB6GS ALL OPTIONS (600790)
STEERING, SKI ASM. - S18CBA6GS/CBB6GS ALL OPTIONS (49SNOWSKIASM13INDY)
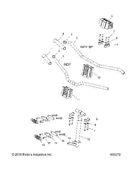
STEERING, UPPER and HANDLEBAR ASM. - S18CBA6GS/CBB6GS ALL OPTIONS (600279)
SUSPENSION, CONTROL ARMS and SPINDLE - S18CBA6GS/CBB6GS ALL OPTIONS (49SNOWSUSPFRT12800SB)
SUSPENSION, RAIL MOUNTING - S18CBA6GS/CBB6GS ALL OPTIONS (49SNOWSUSPRAIL11600SHIFT)
SUSPENSION, REAR and TRACK (INDY SP) - S18CBB6GS (49SNOWSUSPRR15INDYSP)
SUSPENSION, REAR and TRACK (INDY) - S18CBA6GS (49SNOWSUSPRR15INDY)
SUSPENSION, SHOCK, FRONT TRACK (INDY SP)(7043779) - S18CBB6GS (49SNOWSHOCKFRONT7043779)
SUSPENSION, SHOCK, IFS (INDY SP)(7043861) - S18CBB6GS (49SNOWSHOCKIFS7043861)
SUSPENSION, SHOCK, REAR TRACK (INDY SP)(7043177) - S18CBB6GS (49SNOWSHOCKREAR7043177LX)
SUSPENSION, SHOCKS IFS, FT, RT (INDY) - S18CBA6GS (49SNOWSHOCKFRONT13600LE)
SUSPENSION, SWAY BAR - S18CBA6GS/CBB6GS ALL OPTIONS (49SNOWSWAYBAR10PR)
SUSPENSION, TORQUE ARM, FRONT - S18CBA6GS/CBB6GS ALL OPTIONS (49SNOWFTA14INDY)
SUSPENSION, TORQUE ARM, REAR - S18CBA6GS/CBB6GS ALL OPTIONS (49SNOWTORQUEREAR14INDY)
TOOLS, TOOL KIT and OWNERS MANUAL - S18CBA6GS/CBB6GS ALL OPTIONS (49SNOWTOOL13INDY)
BODY, BUMPER, FRONT - S18CBA6GS/CBB6GS ALL OPTIONS (49SNOWBUMPER12800PRMK)
BODY, BUMPER, REAR, SNOWFLAP and TAILLIGHT COVER - S18CBA6GS/CBB6GS ALL OPTIONS (600802)
BODY, CONSOLE - S18CBA6GS/CBB6GS ALL OPTIONS (49SNOWCONSOLE11800RMK)
BODY, DECAL - S18CBA6GS/CBB6GS ALL OPTIONS (600220)
BODY, FENDERS and SIDE PANELS - S18CBA6GS/CBB6GS ALL OPTIONS (49SNOWFENDERS12SB)
BODY, HOOD ASM. - S18CBA6GS/CBB6GS ALL OPTIONS (600786)
BODY, HOOD FOAM/FIBER - S18CBA6GS/CBB6GS ALL OPTIONS (49SNOWHOODSCFL11RUSH)
BODY, NOSEPAN ASM. - S18CBA6GS/CBB6GS ALL OPTIONS (49SNOWNOSEPAN16INDY)
BODY, SEAT ASM. - S18CBA6GS/CBB6GS ALL OPTIONS (600633)
BODY, WINDSHIELD - S18CBA6GS/CBB6GS ALL OPTIONS (600277)
BRAKES, BRAKE SYSTEM - S18CBA6GS/CBB6GS ALL OPTIONS (49SNOWBRAKE12600RMK)
CHASSIS, BULKHEAD ASM. - S18CBA6GS/CBB6GS ALL OPTIONS (600787)
CHASSIS, CHASSIS ASM. and OVER STRUCTURE - S18CBA6GS/CBB6GS ALL OPTIONS (49SNOWCHASSISFRT214INDY)
CHASSIS, CLUTCH GUARD and FOOTRESTS - S18CBA6GS/CBB6GS ALL OPTIONS (49SNOWCLUTCHGUARD13INDY)
DRIVE TRAIN, CHAINCASE - S18CBA6GS/CBB6GS ALL OPTIONS (49SNOWCHAINCASE13INDY)
DRIVE TRAIN, CLUTCH, PRIMARY - S18CBA6GS/CBB6GS ALL OPTIONS (49SNOWDRIVECLUTCH09600TRG)
DRIVE TRAIN, CLUTCH, SECONDARY - S18CBA6GS/CBB6GS ALL OPTIONS (49SNOWDRIVENCLUTCH1323129)
DRIVE TRAIN, JACKSHAFT and DRIVESHAFT - S18CBA6GS/CBB6GS ALL OPTIONS (49SNOWDRIVETRAIN14550)
ELECTRICAL, BATTERY and CABLES - S18CBA6GS/CBB6GS ELEC. START (600529)
ELECTRICAL, HEADLIGHT and TAILLIGHT - S18CBA6GS/CBB6GS ALL OPTIONS (49SNOWHEADLGHT12SBASLT)
ELECTRICAL, IGNITION SYSTEM - S18CBA6GS/CBB6GS ALL OPTIONS (49SNOWIGNITION13RMKASLT)
ELECTRICAL, MULTI FUNCTION GAUGE - S18CBA6GS/CBB6GS ALL OPTIONS (600241)
ELECTRICAL, SWITCHES, SENSORS and COMPONENTS - S18CBA6GS/CBB6GS ALL OPTIONS (49SNOWELECT13600RUSH)
ELECTRICAL, WIRE HARNESS - S18CBA6GS/CBB6GS ALL OPTIONS(49SNOWHARNESS14INDY)
ENGINE, AIR INTAKE SYSTEM - S18CBA6GS/CBB6GS ALL OPTIONS (49SNOWAIR13RMK)
ENGINE, COOLING SYSTEM - S18CBA6GS/CBB6GS ALL OPTIONS (600278)
ENGINE, CRANKCASE - S18CBA6GS/CBB6GS ALL OPTIONS (49SNOWCRANKCASE136LE)
ENGINE, CYLINDER - S18CBA6GS/CBB6GS ALL OPTIONS (49SNOWCYLINDER09600TRG)
ENGINE, EXHAUST - S18CBA6GS/CBB6GS ALL OPTIONS (600157)
ENGINE, EXHAUST VALVES and SOLENOID - S18CBA6GS/CBB6GS ALL OPTIONS (49SNOWEXHAUSTVALVES13LE)
ENGINE, MOUNTING & LONG BLOCK - S18CBA6GS/CBB6GS ALL OPTIONS (49SNOWENGINEMOUNT13600LE)
ENGINE, OIL BOTTLE ASM. - S18CBA6GS/CBB6GS ALL OPTIONS (49SNOWOILBOTTLE13600RUSH)
ENGINE, OIL PUMP and LINES - S18CBA6GS/CBB6GS ALL OPTIONS (49SNOWOILPUMP12PR)
ENGINE, PISTON and CRANKSHAFT - S18CBA6GS/CBB6GS ALL OPTIONS (600080)
ENGINE, RECOIL STARTER - S18CBA6GS/CBB6GS ALL OPTIONS (49SNOWRECOIL12800RMK)
ENGINE, REED VALVE and THROTTLE BODY ADAPTOR - S18CBA6GS/CBB6GS ALL OPTIONS (49SNOWCARBURETOR09600TRG)
ENGINE, STARTER MOTOR - S18CBA6GS/CBB6GS ALL OPTIONS (49SNOWSTARTER13RUSH)
ENGINE, THROTTLE CONTROL ASM. - S18CBA6GS/CBB6GS ALL OPTIONS (49SNOWTHROTTLE13PR)
ENGINE, WATER PUMP - S18CBA6GS/CBB6GS ALL OPTIONS (49SNOWWATERPUMP13INDY)
FUEL SYSTEM, FUEL TANK ASM. - S18CBA6GS/CBB6GS ALL OPTIONS (600634)
FUEL SYSTEM, RAIL, LINES and THROTTLE BODY - S18CBA6GS/CBB6GS ALL OPTIONS (49SNOWFUELLINE14RMK)
STEERING, LOWER - S18CBA6GS/CBB6GS ALL OPTIONS (600790)
STEERING, SKI ASM. - S18CBA6GS/CBB6GS ALL OPTIONS (49SNOWSKIASM13INDY)
STEERING, UPPER and HANDLEBAR ASM. - S18CBA6GS/CBB6GS ALL OPTIONS (600279)
SUSPENSION, CONTROL ARMS and SPINDLE - S18CBA6GS/CBB6GS ALL OPTIONS (49SNOWSUSPFRT12800SB)
SUSPENSION, RAIL MOUNTING - S18CBA6GS/CBB6GS ALL OPTIONS (49SNOWSUSPRAIL11600SHIFT)
SUSPENSION, REAR and TRACK (INDY SP) - S18CBB6GS (49SNOWSUSPRR15INDYSP)
SUSPENSION, REAR and TRACK (INDY) - S18CBA6GS (49SNOWSUSPRR15INDY)
SUSPENSION, SHOCK, FRONT TRACK (INDY SP)(7043779) - S18CBB6GS (49SNOWSHOCKFRONT7043779)
SUSPENSION, SHOCK, IFS (INDY SP)(7043861) - S18CBB6GS (49SNOWSHOCKIFS7043861)
SUSPENSION, SHOCK, REAR TRACK (INDY SP)(7043177) - S18CBB6GS (49SNOWSHOCKREAR7043177LX)
SUSPENSION, SHOCKS IFS, FT, RT (INDY) - S18CBA6GS (49SNOWSHOCKFRONT13600LE)
SUSPENSION, SWAY BAR - S18CBA6GS/CBB6GS ALL OPTIONS (49SNOWSWAYBAR10PR)
SUSPENSION, TORQUE ARM, FRONT - S18CBA6GS/CBB6GS ALL OPTIONS (49SNOWFTA14INDY)
SUSPENSION, TORQUE ARM, REAR - S18CBA6GS/CBB6GS ALL OPTIONS (49SNOWTORQUEREAR14INDY)
TOOLS, TOOL KIT and OWNERS MANUAL - S18CBA6GS/CBB6GS ALL OPTIONS (49SNOWTOOL13INDY)
View Cart
VIEW WISH LIST