Polaris
Browse New Models
Shop In-Stock
Can-Am
Browse New Models
Shop In-Stock
Ski-Doo
Browse New Models
Shop In-Stock
Sea-Doo
Browse New Models
Shop In-Stock
Kayo
Browse New Models
Shop In-Stock
Manitou
Browse New Models
Shop In-Stock
Our
Location
Call
Us
Contact
Us
Toggle navigation
Home
Brands
Showroom
Manufacturer Models
OEM Promotions
Polaris Off-Road
Polaris Snowmobiles
Can-Am
Sea-Doo
Ski-Doo
Kayo
Yamaha Marine
Triton Trailers
Manitou
Nitro Trailers
CAM Superline
Durabull Trailers
Trifecta Pontoons
Inventory
All Inventory In Stock
New Inventory In Stock
Pre-Owned Inventory
Value Your Trade-In
Request a Model
Financing
Parts
Parts Department
OEM Parts Finder
Service
Service Department
Request Polaris Service
Warranty & Recall Look-Up
Financing
About
Our Dealership
Our Team
Reviews
Customer Survey
Newsletter Sign-Up
Employment
Events
Location & Hours
Contact
Call Us
Fort Kent, ME
Fiche | Parts Diagrams
2019 Polaris Snowmobiles
Home
›
Parts
›
OEM Parts Finder
Search by :
Part / Desc
VIN
Please Select
Can-Am
LYNX
Polaris
Sea-Doo
Ski-Doo
Yamaha
*Please enter at least 3 characters
SEARCH
Manufacturer
Polaris
Snowmobiles
2019
600 RUSH XCR SC SELECT ALL OPTIONS (S19DCL6PS/6PEM)
View Cart
VIEW WISH LIST
Select a Section
Show/Hide
BODY, BUMPER, FRONT - S19DCL6PS/6PEM (C600798)
BODY, BUMPER, REAR and CLOSEOFF - S19DCL6PS/PEM (600070)
BODY, CONSOLE - S19DCL6PS/6PEM (600353)
BODY, DECAL, BLK/TITNM AND BLK/LMSQZ OPTION - S19DCL6PS/PEM (600886)
BODY, DECAL, RED OR WHITE OPTION - S19DCL6PS/PEM (600886)
BODY, FENDERS AND NOSEPAN ASM. - S19DCL6PS/PEM (600071)
BODY, HOOD ASM. - S19DCL6PS/6PEM (600592C)
BODY, HOOD FOAM/FIBER - S19DCL6PS/6PEM (600666)
BODY, SEAT - S19DCL6PS/6PEM (C600833)
BODY, SIDE PANELS - S19DCL6PS/6PEM (600228)
BODY, WINDSHIELD - S19DCL6PS/6PEM (600549)
BRAKES, BRAKE SYSTEM - S19DCL6PS/6PEM (600235)
CHASSIS, BULKHEAD ASM. - S19DCL6PS/6PEM (601075)
CHASSIS, CHASSIS ASM. and OVER STRUCTURE - S19DCL6PS/6PEM (601076)
CHASSIS, CLUTCH GUARD and FOOTRESTS - S19DCL6PS/6PEM (600229)
CHASSIS, TUNNEL and REAR ASM. - S19DCL6PS/6PEM (600328)
DRIVE TRAIN, CHAINCASE - S19DCL6PS/6PEM (600553)
DRIVE TRAIN, CLUTCH, PRIMARY - S19DCL6PS/6PEM (49SNOWDRIVECLUTCH15PROS)
DRIVE TRAIN, CLUTCH, SECONDARY - S19DCL6PS/6PEM (49SNOWDRIVENCLUTCH1322948)
DRIVE TRAIN, JACKSHAFT and DRIVESHAFT - S19DCL6PS/6PEM (600885C)
ELECTRICAL, BATTERY/BOX and CABLES - S19DCL6PS/6PEM E.S. OPTION (600309)
ELECTRICAL, HEADLIGHT and TAILLIGHT - S19DCL6PS/6PEM ALL OPTIONS (49SNOWHEADLGHT15PROS)
ELECTRICAL, IGNITION SYSTEM - S19DCL6PS/6PEM ALL OPTIONS (49SNOWIGNITION15PROS)
ELECTRICAL, MULTI FUNCTION GAUGE - S19DCL6PS/PEM ALL OPTIONS (600266)
ELECTRICAL, SWITCHES, SENSORS and COMPONENTS - S19DCL6PS/6PEM ALL OPTIONS (600386)
ELECTRICAL, WIRE HARNESS - S19DCL6PS/6PEM ALL OPTIONS (600338)
ENGINE, AIR INTAKE SYSTEM - S19DCL6PS/6PEM (600866)
ENGINE, COOLING SYSTEM - S19DCL6PS/PEM (600312)
ENGINE, CRANKCASE - S19DCL6PS/6PEM ALL OPTIONS (49SNOWCRANKCASE156LE)
ENGINE, CYLINDER - S19DCL6PS/6PEM ALL OPTIONS (600550)
ENGINE, EXHAUST - S19DCL6PS/6PEM ALL OPTIONS (600158)
ENGINE, EXHAUST VALVES and SOLENOID - S19DCL6PS/6PEM ALL OPTIONS (49SNOWEXHAUSTVALVES15600AS)
ENGINE, MOUNTING & LONG BLOCK - S19DCL6PS/6PEM ALL OPTIONS (49SNOWENGINEMOUNT156PROS)
ENGINE, OIL BOTTLE ASM. - S19DCL6PS/6PEM ALL OPTIONS (600671)
ENGINE, OIL PUMP ASM. - S19DCL6PS/6PEM ALL OPTIONS (600878)
ENGINE, PISTON and CRANKSHAFT - S19DCL6PS/6PEM (600913C)
ENGINE, RECOIL STARTER - S19DCL6PS/6PEM ALL OPTIONS (49SNOWRECOIL12SB)
ENGINE, REED VALVE and THROTTLE BODY ADAPTOR - S19DCL6PS/6PEM (49SNOWCARBURETOR15600AS)
ENGINE, STARTER MOTOR - S19DCL6PS/6PEM E.S. (600369)
ENGINE, THROTTLE CONTROL ASM. - S19DCL6PS/6PEM (49SNOWTHROTTLE15PROS)
ENGINE, WATER PUMP - S19DCL6PS/6PEM (600284)
FUEL SYSTEM, FUEL TANK ASM. - S19DCL6PS/6PEM (600244)
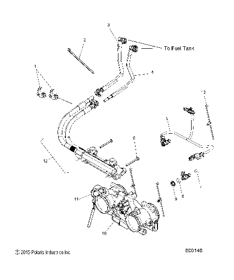
FUEL SYSTEM, RAIL, LINES and THROTTLE BODY - S19DCL6PS/6PEM (600146)
STEERING, LOWER - S19DCL6PS/6PEM ALL OPTIONS (600543)
STEERING, SKI ASM. - S19DCL6PS/PEM (600884C)
STEERING, UPPER and HANDLEBAR ASM. - S19DCL6PS/6PEM (600562)
SUSPENSION, CONTROL ARMS, SPINDLE AND SHOCK MNTG - S19DCL6PS/6PEM (600245)
SUSPENSION, CONTROL ARMS, SPINDLE AND SHOCK MNTG - S19DCL6PS/6PEM (C603113)
SUSPENSION, CRANK ASM., REAR - S19DCL6PS/6PEM (600765)
SUSPENSION, RAIL ASM. - S19DCL6PS/6PEM (601074)
SUSPENSION, REAR and TRACK - S19DCLPS/6PEM (600248)
SUSPENSION, SHOCK, FRONT TRACK (7044562) - S19DCL6PS/6PEM (600362)
SUSPENSION, SHOCK, IFS (7044564) - S189DCL6PS/6PEM (600294)
SUSPENSION, SHOCK, REAR TRACK (7044563) - S19DCL6PS/6PEM (600293)
SUSPENSION, SWAY BAR - S19DCL6PS/6PEM (49SNOWSWAYBAR15PROS)
SUSPENSION, TORQUE ARM, FRONT - S19DCL6PS/6PEM (600565)
TOOLS, BELT HOLDER, TOOLS, and OWNERS MANUAL - S19DCL6PS/6PEM (600271)
BODY, BUMPER, FRONT - S19DCL6PS/6PEM (C600798)
BODY, BUMPER, REAR and CLOSEOFF - S19DCL6PS/PEM (600070)
BODY, CONSOLE - S19DCL6PS/6PEM (600353)
BODY, DECAL, BLK/TITNM AND BLK/LMSQZ OPTION - S19DCL6PS/PEM (600886)
BODY, DECAL, RED OR WHITE OPTION - S19DCL6PS/PEM (600886)
BODY, FENDERS AND NOSEPAN ASM. - S19DCL6PS/PEM (600071)
BODY, HOOD ASM. - S19DCL6PS/6PEM (600592C)
BODY, HOOD FOAM/FIBER - S19DCL6PS/6PEM (600666)
BODY, SEAT - S19DCL6PS/6PEM (C600833)
BODY, SIDE PANELS - S19DCL6PS/6PEM (600228)
BODY, WINDSHIELD - S19DCL6PS/6PEM (600549)
BRAKES, BRAKE SYSTEM - S19DCL6PS/6PEM (600235)
CHASSIS, BULKHEAD ASM. - S19DCL6PS/6PEM (601075)
CHASSIS, CHASSIS ASM. and OVER STRUCTURE - S19DCL6PS/6PEM (601076)
CHASSIS, CLUTCH GUARD and FOOTRESTS - S19DCL6PS/6PEM (600229)
CHASSIS, TUNNEL and REAR ASM. - S19DCL6PS/6PEM (600328)
DRIVE TRAIN, CHAINCASE - S19DCL6PS/6PEM (600553)
DRIVE TRAIN, CLUTCH, PRIMARY - S19DCL6PS/6PEM (49SNOWDRIVECLUTCH15PROS)
DRIVE TRAIN, CLUTCH, SECONDARY - S19DCL6PS/6PEM (49SNOWDRIVENCLUTCH1322948)
DRIVE TRAIN, JACKSHAFT and DRIVESHAFT - S19DCL6PS/6PEM (600885C)
ELECTRICAL, BATTERY/BOX and CABLES - S19DCL6PS/6PEM E.S. OPTION (600309)
ELECTRICAL, HEADLIGHT and TAILLIGHT - S19DCL6PS/6PEM ALL OPTIONS (49SNOWHEADLGHT15PROS)
ELECTRICAL, IGNITION SYSTEM - S19DCL6PS/6PEM ALL OPTIONS (49SNOWIGNITION15PROS)
ELECTRICAL, MULTI FUNCTION GAUGE - S19DCL6PS/PEM ALL OPTIONS (600266)
ELECTRICAL, SWITCHES, SENSORS and COMPONENTS - S19DCL6PS/6PEM ALL OPTIONS (600386)
ELECTRICAL, WIRE HARNESS - S19DCL6PS/6PEM ALL OPTIONS (600338)
ENGINE, AIR INTAKE SYSTEM - S19DCL6PS/6PEM (600866)
ENGINE, COOLING SYSTEM - S19DCL6PS/PEM (600312)
ENGINE, CRANKCASE - S19DCL6PS/6PEM ALL OPTIONS (49SNOWCRANKCASE156LE)
ENGINE, CYLINDER - S19DCL6PS/6PEM ALL OPTIONS (600550)
ENGINE, EXHAUST - S19DCL6PS/6PEM ALL OPTIONS (600158)
ENGINE, EXHAUST VALVES and SOLENOID - S19DCL6PS/6PEM ALL OPTIONS (49SNOWEXHAUSTVALVES15600AS)
ENGINE, MOUNTING & LONG BLOCK - S19DCL6PS/6PEM ALL OPTIONS (49SNOWENGINEMOUNT156PROS)
ENGINE, OIL BOTTLE ASM. - S19DCL6PS/6PEM ALL OPTIONS (600671)
ENGINE, OIL PUMP ASM. - S19DCL6PS/6PEM ALL OPTIONS (600878)
ENGINE, PISTON and CRANKSHAFT - S19DCL6PS/6PEM (600913C)
ENGINE, RECOIL STARTER - S19DCL6PS/6PEM ALL OPTIONS (49SNOWRECOIL12SB)
ENGINE, REED VALVE and THROTTLE BODY ADAPTOR - S19DCL6PS/6PEM (49SNOWCARBURETOR15600AS)
ENGINE, STARTER MOTOR - S19DCL6PS/6PEM E.S. (600369)
ENGINE, THROTTLE CONTROL ASM. - S19DCL6PS/6PEM (49SNOWTHROTTLE15PROS)
ENGINE, WATER PUMP - S19DCL6PS/6PEM (600284)
FUEL SYSTEM, FUEL TANK ASM. - S19DCL6PS/6PEM (600244)
FUEL SYSTEM, RAIL, LINES and THROTTLE BODY - S19DCL6PS/6PEM (600146)
STEERING, LOWER - S19DCL6PS/6PEM ALL OPTIONS (600543)
STEERING, SKI ASM. - S19DCL6PS/PEM (600884C)
STEERING, UPPER and HANDLEBAR ASM. - S19DCL6PS/6PEM (600562)
SUSPENSION, CONTROL ARMS, SPINDLE AND SHOCK MNTG - S19DCL6PS/6PEM (600245)
SUSPENSION, CONTROL ARMS, SPINDLE AND SHOCK MNTG - S19DCL6PS/6PEM (C603113)
SUSPENSION, CRANK ASM., REAR - S19DCL6PS/6PEM (600765)
SUSPENSION, RAIL ASM. - S19DCL6PS/6PEM (601074)
SUSPENSION, REAR and TRACK - S19DCLPS/6PEM (600248)
SUSPENSION, SHOCK, FRONT TRACK (7044562) - S19DCL6PS/6PEM (600362)
SUSPENSION, SHOCK, IFS (7044564) - S189DCL6PS/6PEM (600294)
SUSPENSION, SHOCK, REAR TRACK (7044563) - S19DCL6PS/6PEM (600293)
SUSPENSION, SWAY BAR - S19DCL6PS/6PEM (49SNOWSWAYBAR15PROS)
SUSPENSION, TORQUE ARM, FRONT - S19DCL6PS/6PEM (600565)
TOOLS, BELT HOLDER, TOOLS, and OWNERS MANUAL - S19DCL6PS/6PEM (600271)
View Cart
VIEW WISH LIST