Polaris
Browse New Models
Shop In-Stock
Can-Am
Browse New Models
Shop In-Stock
Ski-Doo
Browse New Models
Shop In-Stock
Sea-Doo
Browse New Models
Shop In-Stock
Kayo
Browse New Models
Shop In-Stock
Manitou
Browse New Models
Shop In-Stock
Our
Location
Call
Us
Contact
Us
Toggle navigation
Home
Brands
Showroom
Manufacturer Models
OEM Promotions
Polaris Off-Road
Polaris Snowmobiles
Can-Am
Sea-Doo
Ski-Doo
Kayo
Yamaha Marine
Triton Trailers
Manitou
Nitro Trailers
CAM Superline
Durabull Trailers
Trifecta Pontoons
Inventory
All Inventory In Stock
New Inventory In Stock
Pre-Owned Inventory
Value Your Trade-In
Request a Model
Financing
Parts
Parts Department
OEM Parts Finder
Service
Service Department
Request Polaris Service
Warranty & Recall Look-Up
Financing
About
Our Dealership
Our Team
Reviews
Customer Survey
Newsletter Sign-Up
Employment
Events
Location & Hours
Contact
Call Us
Fort Kent, ME
Fiche | Parts Diagrams
2019 Polaris Snowmobiles
Home
›
Parts
›
OEM Parts Finder
Search by :
Part / Desc
VIN
Please Select
Can-Am
LYNX
Polaris
Sea-Doo
Ski-Doo
Yamaha
*Please enter at least 3 characters
SEARCH
Manufacturer
Polaris
Snowmobiles
2019
800 AXYS PRO-RMK 174 3" SC SELECT (S19EHM8PS)
View Cart
VIEW WISH LIST
Select a Section
Show/Hide
BODY, BUMPER, FRONT - S19EHM8PS ALL OPTIONS (C600798)
BODY, BUMPER, REAR, SNOWFLAP and TAILLIGHT COVER - S19EHM8PS ALL OPTIONS (601038)
BODY, CONSOLE - S19EHM8PS ALL OPTIONS (600901C)
BODY, DECAL, SNOW CHECK SELECT, BLACK PEARL SIDE PNL W/GOLD ACCENT - S19EHM8PS (600850)
BODY, DECAL, SNOW CHECK SELECT, BLACK PEARL W/IND SKY BLUE ACCENT SIDE PANEL - S19EHM8PS (600849)
BODY, DECAL, SNOW CHECK SELECT, BLACK PEARL W/LIME SQUEEZE ACCENT SIDE PANEL - S19EHM8PS (600849)
BODY, DECAL, SNOW CHECK SELECT, BLACK PEARL W/ORNG BURST ACCENT SIDE PANEL - S19EHM8PS (600849)
BODY, DECAL, SNOW CHECK SELECT, BLACK PEARL W/PINK ACCENT SIDE PANEL - S19EHM8PS (600849)
BODY, DECAL, SNOW CHECK SELECT, BLACK PEARL W/TITANIUM ACCENT SIDE PANEL - S19EHM8PS (600849)
BODY, DECAL, SNOW CHECK SELECT, BLACK PEARL W/WHITE ACCENT SIDE PANEL - S19EHM8PS (600849)
BODY, DECAL, SNOW CHECK SELECT, IND SKY BLUE W/LIME ACCENT SIDE PANEL - S19EHM8PS (600849)
BODY, DECAL, SNOW CHECK SELECT, INDY RED W/WHITE ACCENT SIDE PANEL - S19EHM8PS (600849)
BODY, DECAL, SNOW CHECK SELECT, LIME SQZE W/TITANIUM ACCENT SIDE PANEL - S19EHM8PS (600849)
BODY, DECAL, SNOW CHECK SELECT, ORANGE BURST W/WHITE ACCENT SIDE PANEL - S19EHM8PS (600849)
BODY, FENDERS AND NOSEPAN ASM. - S19EHM8PS ALL OPTIONS (600838)
BODY, HOOD ASM. - S19EHM8PS ALL OPTIONS (600592C)
BODY, HOOD FOAM/FIBER - S19EHM8PS (600604C)
BODY, SEAT ASM. - S19EHM8PS ALL OPTIONS (600368)
BODY, SIDE PANELS - S19EHM8PS ALL OPTIONS (600052)
BODY, WINDSHIELD - S19EHM8PS ALL OPTIONS (C600840)
BRAKES, BRAKE SYSTEM - S19EHM8PS ALL OPTIONS (600391)
CHASSIS, BULKHEAD ASM. - S19EHM8PS ALL OPTIONS (600906)
CHASSIS, CHASSIS ASM. and OVER STRUCTURE - S19EHM8PS ALL OPTIONS (600907)
CHASSIS, CLUTCH GUARD, FOOTRESTS, AND RUNNING BOARDS - S19EHM8PS ALL OPTIONS (601040)
DRIVE TRAIN, CHAINCASE - S19EHM8PS ALL OPTIONS OPTION (600072)
DRIVE TRAIN, CLUTCH, PRIMARY - S19EHM8PS ALL OPTIONS (49SNOWDRIVECLUTCH15PROS)
DRIVE TRAIN, CLUTCH, SECONDARY - S19EHM8PS ALL OPTIONS (49SNOWDRIVENCLUTCH09ASLT)
DRIVE TRAIN, JACKSHAFT and DRIVESHAFT - S19EHM8PS ALL OPTIONS (600425)
ELECTRICAL, BATTERY and CABLES - S19EHM8P E.S. OPTION (600267)
ELECTRICAL, HEADLIGHT and TAILLIGHT - S19EHM8PS ALL OPTIONS (49SNOWHEADLGHT15PROS)
ELECTRICAL, IGNITION SYSTEM - S19EHM8PS ALL OPTIONS (49SNOWIGNITION15PROS)
ELECTRICAL, MULTI FUNCTION GAUGE - S19EHM8PS ALL OPTIONS (600266)
ELECTRICAL, SWITCHES, SENSORS and COMPONENTS - S19EHM8PS ALL OPTIONS (600268)
ELECTRICAL, WIRE HARNESS - S19EHM8PS ALL OPTIONS (600578)
ENGINE, AIR INTAKE SYSTEM - S19EHM8PS ALL OPTIONS (600844)
ENGINE, COOLING SYSTEM - S19EHM8PS ALL OPTIONS (600709)
ENGINE, CRANKCASE - S19EHM8PS ALL OPTIONS (600545)
ENGINE, CYLINDER - S19EHM8PS ALL OPTIONS (600547)
ENGINE, EXHAUST - S19EHM8PS ALL OPTIONS (600038)
ENGINE, EXHAUST VALVE ASM. - S19EHM8PS ALL OPTIONS (600313)
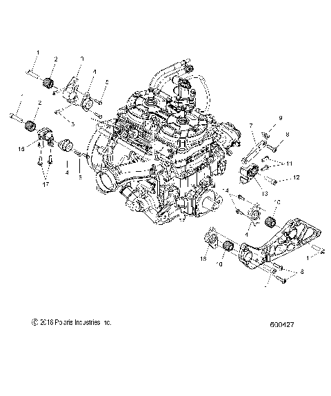
ENGINE, MOUNTING & LONG BLOCK - S19EHM8PS ALL OPTIONS (600427)
ENGINE, OIL BOTTLE ASM. - S19EHM8PS ALL OPTIONS (600892C)
ENGINE, OIL PUMP ASM. - S19EHM8PS ALL OPTIONS (600878)
ENGINE, PISTON and CRANKSHAFT - S19EHM8PS ALL OPTIONS (600909)
ENGINE, RECOIL STARTER - S19EHM8PS ALL OPTIONS (49SNOWRECOIL12800RMK)
ENGINE, REED VALVE and THROTTLE BODY ADAPTOR - S19EHM8PS ALL OPTIONS (49SNOWCARBURETOR158CH)
ENGINE, STARTER MOTOR - S19EHM8PS E.S. OPTION (600369)
ENGINE, THROTTLE CONTROL ASM. - S19EHM8PS ALL OPTIONS (600041)
ENGINE, WATER PUMP - S19EHM8PS ALL OPTIONS (600042)
FUEL SYSTEM, FUEL TANK ASM. - S19EHM8PS ALL OPTIONS (600043)
FUEL SYSTEM, RAIL, LINES and THROTTLE BODY - S19EHM8PS ALL OPTIONS (600710)
OPTIONS, STORAGE BAG (SNOW CHECK) - S19EHM8PS (600581)
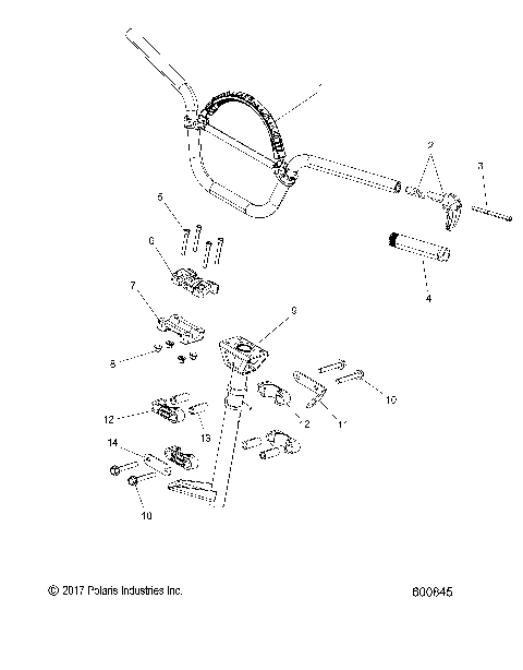
STEERING, HANDLEBAR MOUNTING - S19EHM8PS ALL OPTIONS (600845)
STEERING, LOWER - S19EHM8PS ALL OPTIONS (600575)
STEERING, SKI ASM. - S19EHM8PS ALL OPTIONS (600036)
SUSPENSION, CONTROL ARMS, SPINDLE AND SHOCK MNTG. - S19EHM8PS ALL OPTIONS (600908)
SUSPENSION, RAIL MOUNTING - S19EHM8PS ALL OPTIONS (600428)
SUSPENSION, REAR - S19EHM8PS ALL OPTIONS (600429)
SUSPENSION, SHOCK, FRONT TRACK (BLACK COIL OVER) - S19EHM8PS (600054)
SUSPENSION, SHOCK, FRONT TRACK (CLEAR COIL OVER) - S19EHM8PS (600054)
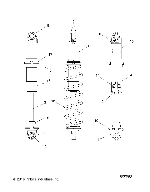
SUSPENSION, SHOCK, IFS - S19EHM8PS (600990)
SUSPENSION, SHOCK, IFS W/RESERVOIR - S19EHM8PS (600989))
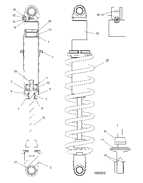
SUSPENSION, SHOCK, REAR TRACK (COIL OVER) - S19EHM8PS (600053)
SUSPENSION, SHOCK, REAR TRACK, W/RES. - S19EHS8PS (600055)
SUSPENSION, SWAY BAR - S19EHM8PS (600068)
SUSPENSION, TORQUE ARM, FRONT - S19EHM8PS ALL OPTIONS (600747)
SUSPENSION, TORQUE ARM, REAR - S19EHM8PS ALL OPTIONS (600431)
TOOLS, BELT HOLDER, TOOLS, and OWNERS MANUAL - S19EHM8PS ALL OPTIONS (600033)
BODY, BUMPER, FRONT - S19EHM8PS ALL OPTIONS (C600798)
BODY, BUMPER, REAR, SNOWFLAP and TAILLIGHT COVER - S19EHM8PS ALL OPTIONS (601038)
BODY, CONSOLE - S19EHM8PS ALL OPTIONS (600901C)
BODY, DECAL, SNOW CHECK SELECT, BLACK PEARL SIDE PNL W/GOLD ACCENT - S19EHM8PS (600850)
BODY, DECAL, SNOW CHECK SELECT, BLACK PEARL W/IND SKY BLUE ACCENT SIDE PANEL - S19EHM8PS (600849)
BODY, DECAL, SNOW CHECK SELECT, BLACK PEARL W/LIME SQUEEZE ACCENT SIDE PANEL - S19EHM8PS (600849)
BODY, DECAL, SNOW CHECK SELECT, BLACK PEARL W/ORNG BURST ACCENT SIDE PANEL - S19EHM8PS (600849)
BODY, DECAL, SNOW CHECK SELECT, BLACK PEARL W/PINK ACCENT SIDE PANEL - S19EHM8PS (600849)
BODY, DECAL, SNOW CHECK SELECT, BLACK PEARL W/TITANIUM ACCENT SIDE PANEL - S19EHM8PS (600849)
BODY, DECAL, SNOW CHECK SELECT, BLACK PEARL W/WHITE ACCENT SIDE PANEL - S19EHM8PS (600849)
BODY, DECAL, SNOW CHECK SELECT, IND SKY BLUE W/LIME ACCENT SIDE PANEL - S19EHM8PS (600849)
BODY, DECAL, SNOW CHECK SELECT, INDY RED W/WHITE ACCENT SIDE PANEL - S19EHM8PS (600849)
BODY, DECAL, SNOW CHECK SELECT, LIME SQZE W/TITANIUM ACCENT SIDE PANEL - S19EHM8PS (600849)
BODY, DECAL, SNOW CHECK SELECT, ORANGE BURST W/WHITE ACCENT SIDE PANEL - S19EHM8PS (600849)
BODY, FENDERS AND NOSEPAN ASM. - S19EHM8PS ALL OPTIONS (600838)
BODY, HOOD ASM. - S19EHM8PS ALL OPTIONS (600592C)
BODY, HOOD FOAM/FIBER - S19EHM8PS (600604C)
BODY, SEAT ASM. - S19EHM8PS ALL OPTIONS (600368)
BODY, SIDE PANELS - S19EHM8PS ALL OPTIONS (600052)
BODY, WINDSHIELD - S19EHM8PS ALL OPTIONS (C600840)
BRAKES, BRAKE SYSTEM - S19EHM8PS ALL OPTIONS (600391)
CHASSIS, BULKHEAD ASM. - S19EHM8PS ALL OPTIONS (600906)
CHASSIS, CHASSIS ASM. and OVER STRUCTURE - S19EHM8PS ALL OPTIONS (600907)
CHASSIS, CLUTCH GUARD, FOOTRESTS, AND RUNNING BOARDS - S19EHM8PS ALL OPTIONS (601040)
DRIVE TRAIN, CHAINCASE - S19EHM8PS ALL OPTIONS OPTION (600072)
DRIVE TRAIN, CLUTCH, PRIMARY - S19EHM8PS ALL OPTIONS (49SNOWDRIVECLUTCH15PROS)
DRIVE TRAIN, CLUTCH, SECONDARY - S19EHM8PS ALL OPTIONS (49SNOWDRIVENCLUTCH09ASLT)
DRIVE TRAIN, JACKSHAFT and DRIVESHAFT - S19EHM8PS ALL OPTIONS (600425)
ELECTRICAL, BATTERY and CABLES - S19EHM8P E.S. OPTION (600267)
ELECTRICAL, HEADLIGHT and TAILLIGHT - S19EHM8PS ALL OPTIONS (49SNOWHEADLGHT15PROS)
ELECTRICAL, IGNITION SYSTEM - S19EHM8PS ALL OPTIONS (49SNOWIGNITION15PROS)
ELECTRICAL, MULTI FUNCTION GAUGE - S19EHM8PS ALL OPTIONS (600266)
ELECTRICAL, SWITCHES, SENSORS and COMPONENTS - S19EHM8PS ALL OPTIONS (600268)
ELECTRICAL, WIRE HARNESS - S19EHM8PS ALL OPTIONS (600578)
ENGINE, AIR INTAKE SYSTEM - S19EHM8PS ALL OPTIONS (600844)
ENGINE, COOLING SYSTEM - S19EHM8PS ALL OPTIONS (600709)
ENGINE, CRANKCASE - S19EHM8PS ALL OPTIONS (600545)
ENGINE, CYLINDER - S19EHM8PS ALL OPTIONS (600547)
ENGINE, EXHAUST - S19EHM8PS ALL OPTIONS (600038)
ENGINE, EXHAUST VALVE ASM. - S19EHM8PS ALL OPTIONS (600313)
ENGINE, MOUNTING & LONG BLOCK - S19EHM8PS ALL OPTIONS (600427)
ENGINE, OIL BOTTLE ASM. - S19EHM8PS ALL OPTIONS (600892C)
ENGINE, OIL PUMP ASM. - S19EHM8PS ALL OPTIONS (600878)
ENGINE, PISTON and CRANKSHAFT - S19EHM8PS ALL OPTIONS (600909)
ENGINE, RECOIL STARTER - S19EHM8PS ALL OPTIONS (49SNOWRECOIL12800RMK)
ENGINE, REED VALVE and THROTTLE BODY ADAPTOR - S19EHM8PS ALL OPTIONS (49SNOWCARBURETOR158CH)
ENGINE, STARTER MOTOR - S19EHM8PS E.S. OPTION (600369)
ENGINE, THROTTLE CONTROL ASM. - S19EHM8PS ALL OPTIONS (600041)
ENGINE, WATER PUMP - S19EHM8PS ALL OPTIONS (600042)
FUEL SYSTEM, FUEL TANK ASM. - S19EHM8PS ALL OPTIONS (600043)
FUEL SYSTEM, RAIL, LINES and THROTTLE BODY - S19EHM8PS ALL OPTIONS (600710)
OPTIONS, STORAGE BAG (SNOW CHECK) - S19EHM8PS (600581)
STEERING, HANDLEBAR MOUNTING - S19EHM8PS ALL OPTIONS (600845)
STEERING, LOWER - S19EHM8PS ALL OPTIONS (600575)
STEERING, SKI ASM. - S19EHM8PS ALL OPTIONS (600036)
SUSPENSION, CONTROL ARMS, SPINDLE AND SHOCK MNTG. - S19EHM8PS ALL OPTIONS (600908)
SUSPENSION, RAIL MOUNTING - S19EHM8PS ALL OPTIONS (600428)
SUSPENSION, REAR - S19EHM8PS ALL OPTIONS (600429)
SUSPENSION, SHOCK, FRONT TRACK (BLACK COIL OVER) - S19EHM8PS (600054)
SUSPENSION, SHOCK, FRONT TRACK (CLEAR COIL OVER) - S19EHM8PS (600054)
SUSPENSION, SHOCK, IFS - S19EHM8PS (600990)
SUSPENSION, SHOCK, IFS W/RESERVOIR - S19EHM8PS (600989))
SUSPENSION, SHOCK, REAR TRACK (COIL OVER) - S19EHM8PS (600053)
SUSPENSION, SHOCK, REAR TRACK, W/RES. - S19EHS8PS (600055)
SUSPENSION, SWAY BAR - S19EHM8PS (600068)
SUSPENSION, TORQUE ARM, FRONT - S19EHM8PS ALL OPTIONS (600747)
SUSPENSION, TORQUE ARM, REAR - S19EHM8PS ALL OPTIONS (600431)
TOOLS, BELT HOLDER, TOOLS, and OWNERS MANUAL - S19EHM8PS ALL OPTIONS (600033)
View Cart
VIEW WISH LIST