Polaris
Browse New Models
Shop In-Stock
Can-Am
Browse New Models
Shop In-Stock
Ski-Doo
Browse New Models
Shop In-Stock
Sea-Doo
Browse New Models
Shop In-Stock
Kayo
Browse New Models
Shop In-Stock
Manitou
Browse New Models
Shop In-Stock
Our
Location
Call
Us
Contact
Us
Toggle navigation
Home
Brands
Showroom
Manufacturer Models
OEM Promotions
Polaris Off-Road
Polaris Snowmobiles
Can-Am
Sea-Doo
Ski-Doo
Kayo
Yamaha Marine
Triton Trailers
Manitou
Nitro Trailers
CAM Superline
Durabull Trailers
Trifecta Pontoons
Inventory
All Inventory In Stock
New Inventory In Stock
Pre-Owned Inventory
Value Your Trade-In
Request a Model
Financing
Parts
Parts Department
OEM Parts Finder
Service
Service Department
Request Polaris Service
Warranty & Recall Look-Up
Financing
About
Our Dealership
Our Team
Reviews
Customer Survey
Newsletter Sign-Up
Employment
Events
Location & Hours
Contact
Call Us
Fort Kent, ME
Fiche | Parts Diagrams
2021 Polaris Snowmobiles
Home
›
Parts
›
OEM Parts Finder
Search by :
Part / Desc
VIN
Please Select
Can-Am
LYNX
Polaris
Sea-Doo
Ski-Doo
Yamaha
*Please enter at least 3 characters
SEARCH
Manufacturer
Polaris
Snowmobiles
2021
600 SWITCHBACK XCR ALL OPTIONS (S21DDL6PS)
View Cart
VIEW WISH LIST
Select a Section
Show/Hide
BODY, BUMPER, FRONT - S21DDL6PS ALL OPTIONS (C600798)
BODY, BUMPER, REAR and CLOSEOFF - S21DDL6PS (49SNOWBUMPERRR16PROS)
BODY, CONSOLE - S21DDL6PS ALL OPTIONS (C600799)
BODY, DECAL, INDY RED SIDE PANEL MODEL - S21DDL6PS (601331)
BODY, DECAL, POLARIS BLUE SIDE PANEL W/BLK ACCENT MODEL - S21DDL6PS (601331)
BODY, DECAL, STEALTH BLACK SIDE PANEL W/BLK ACCENT MODEL - S21DDL6PS (601331)
BODY, FENDERS AND NOSEPAN ASM. - S21DDL6PS ALL OPTIONS (600803)
BODY, HOOD ASM. - S21DDL6PS ALL OPTIONS (600592C)
BODY, HOOD FOAM/FIBER - S21DDL6PS ALL OPTIONS (600891C)
BODY, SEAT - S21DDL6PS ALL OPTIONS (C600833)
BODY, SIDE PANELS - S21DDL6PS ALL OPTIONS (600228)
BODY, WINDSHIELD - S21DDL6PS ALL OPTIONS (C600834)
BRAKES, BRAKE SYSTEM - S21DDL6PS ALL OPTIONS (600235)
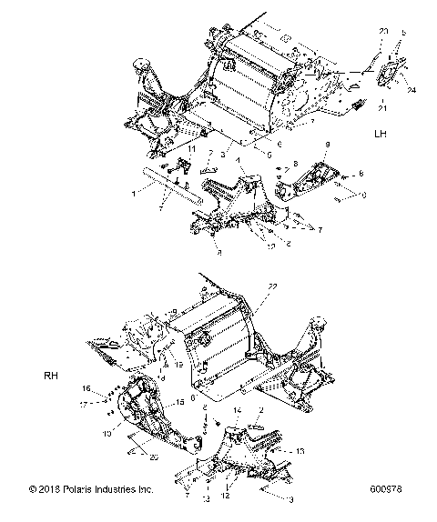
CHASSIS, BULKHEAD ASM. - S21DDL6PS ALL OPTIONS (600978)
CHASSIS, CHASSIS ASM. and OVER STRUCTURE - S21DDL6PS ALL OPTIONS (600318)
CHASSIS, CLUTCH GUARD and FOOTRESTS - S21DDL6PS ALL OPTIONS (600229)
CHASSIS, TIE ROD BOOT ASM. - S21DDL6PS ALL OPTIONS (C601154)
CHASSIS, TUNNEL and REAR ASM. - S21DDL6PS ALL OPTIONS (601071C)
DRIVE TRAIN, CHAINCASE - S21DDL6PS ALL OPTIONS (600552)
DRIVE TRAIN, CLUTCH, PRIMARY - S21DDL6PS ALL OPTIONS (C601389)
DRIVE TRAIN, CLUTCH, SECONDARY - S21DDL6PS ALL OPTIONS (49SNOWDRIVENCLUTCH1322948)
DRIVE TRAIN, JACKSHAFT and DRIVESHAFT - S21DDL6PS ALL OPTIONS (600885C)
ELECTRICAL, BATTERY and CABLES - S21DDL6PS E.S. (601203)
ELECTRICAL, HEADLIGHT and TAILLIGHT - S21DDL6PS ALL OPTIONS (600946C)
ELECTRICAL, IGNITION SYSTEM - S21DDL6PS ALL OPTIONS (600914)
ELECTRICAL, MULTI FUNCTION GAUGE - S21DDL6PS ALL OPTIONS (600947C)
ELECTRICAL, SWITCHES, SENSORS and COMPONENTS - S21DDL6PS ALL OPTIONS (601679)
ELECTRICAL, WIRE HARNESS - S21DDL6PS ALL OPTIONS (601341)
ENGINE, AIR INTAKE SYSTEM - S21DDL6PS ALL OPTIONS (600866)
ENGINE, COOLING SYSTEM - S21DDL6PS ALL OPTIONS (600312)
ENGINE, CRANKCASE - S21DDL6PS ALL OPTIONS (49SNOWCRANKCASE156LE)
ENGINE, CYLINDER - S21DDL6PS ALL OPTIONS (600550)
ENGINE, EXHAUST - S21DDL6PS ALL OPTIONS (C601277)
ENGINE, EXHAUST VALVES and SOLENOID - S21DDL6PS ALL OPTIONS (600168)
ENGINE, MOUNTING & LONG BLOCK - S21DDL6PS ALL OPTIONS (49SNOWENGINEMOUNT156PROS)
ENGINE, OIL BOTTLE ASM. - S21DDL6PS ALL OPTIONS (600671C)
ENGINE, OIL PUMP ASM. - S21DDL6PS ALL OPTIONS (600878)
ENGINE, PISTON and CRANKSHAFT - S21DDL6PS ALL OPTIONS (600913C)
ENGINE, RECOIL STARTER - S21DDL6PS ALL OPTIONS (49SNOWRECOIL12SB)
ENGINE, REED VALVE and THROTTLE BODY ADAPTOR - S21DDL6PS ALL OPTIONS (49SNOWCARBURETOR15600AS)
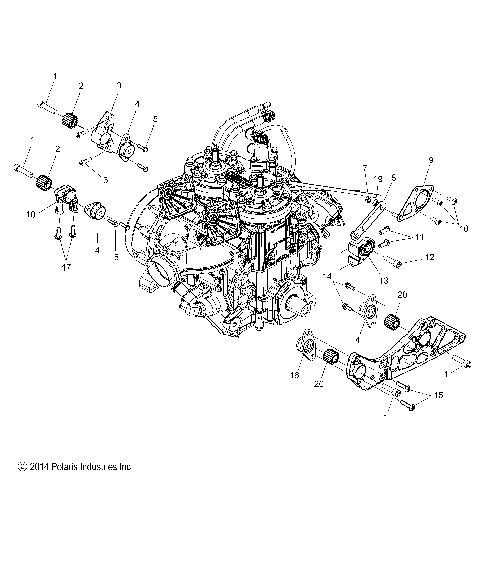
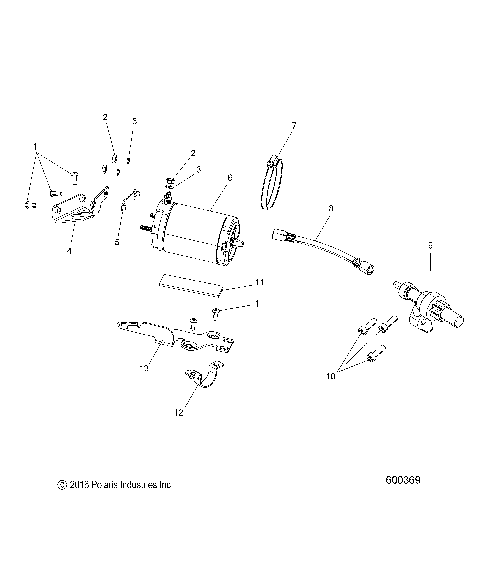
ENGINE, STARTER MOTOR - S21DDL6PS W/E.S. (600369)
ENGINE, THROTTLE CONTROL ASM. - S21DDL6PS ALL OPTIONS (601402)
ENGINE, WATER PUMP - S21DDL6PS ALL OPTIONS (C600806)
FUEL SYSTEM, FUEL TANK ASM. - S21DDL6PS ALL OPTIONS (C601200)
FUEL SYSTEM, RAIL, LINES and THROTTLE BODY - S21DDL6PS ALL OPTIONS (601218)
STEERING, LOWER - S21DDL6PS ALL OPTIONS (C601155)
STEERING, SKI ASM. - S21DDL6PS ALL OPTIONS (601087C)
STEERING, UPPER and HANDLEBAR ASM. - S21DDL6PS ALL OPTIONS (C601327)
SUSPENSION, CONTROL ARMS and SPINDLE - S21DDL6PS ALL OPTIONS (C601731)
SUSPENSION, CRANK ASM., REAR - S21DDL6PS ALL OPTIONS (600765)
SUSPENSION, IFS SHOCKS MNTG. - S21DDL6PS ALL OPTIONS (C601730)
SUSPENSION, RAIL ASM. - S21DDL6PS ALL OPTIONS (601328)
SUSPENSION, REAR and TRACK - S21DDL6PS ALL OPTIONS (600564)
SUSPENSION, SHOCK, FRONT TRACK (7044562) - S21DDL6PS ALL OPTIONS (600362)
SUSPENSION, SHOCK, IFS (7044564) - S21DDL6PS ALL OPTIONS (600294)
SUSPENSION, SHOCK, REAR TRACK (7044563) - S21DDL6PS ALL OPTIONS (600293)
SUSPENSION, SWAY BAR - S21DDL6PS ALL OPTIONS (600599C)
SUSPENSION, TORQUE ARM, FRONT - S21DDL6PS ALL OPTIONS (600565)
TOOLS, BELT HOLDER, TOOLS, and OWNERS MANUAL - S21DDL6PS ALL OPTIONS (600271)
BODY, BUMPER, FRONT - S21DDL6PS ALL OPTIONS (C600798)
BODY, BUMPER, REAR and CLOSEOFF - S21DDL6PS (49SNOWBUMPERRR16PROS)
BODY, CONSOLE - S21DDL6PS ALL OPTIONS (C600799)
BODY, DECAL, INDY RED SIDE PANEL MODEL - S21DDL6PS (601331)
BODY, DECAL, POLARIS BLUE SIDE PANEL W/BLK ACCENT MODEL - S21DDL6PS (601331)
BODY, DECAL, STEALTH BLACK SIDE PANEL W/BLK ACCENT MODEL - S21DDL6PS (601331)
BODY, FENDERS AND NOSEPAN ASM. - S21DDL6PS ALL OPTIONS (600803)
BODY, HOOD ASM. - S21DDL6PS ALL OPTIONS (600592C)
BODY, HOOD FOAM/FIBER - S21DDL6PS ALL OPTIONS (600891C)
BODY, SEAT - S21DDL6PS ALL OPTIONS (C600833)
BODY, SIDE PANELS - S21DDL6PS ALL OPTIONS (600228)
BODY, WINDSHIELD - S21DDL6PS ALL OPTIONS (C600834)
BRAKES, BRAKE SYSTEM - S21DDL6PS ALL OPTIONS (600235)
CHASSIS, BULKHEAD ASM. - S21DDL6PS ALL OPTIONS (600978)
CHASSIS, CHASSIS ASM. and OVER STRUCTURE - S21DDL6PS ALL OPTIONS (600318)
CHASSIS, CLUTCH GUARD and FOOTRESTS - S21DDL6PS ALL OPTIONS (600229)
CHASSIS, TIE ROD BOOT ASM. - S21DDL6PS ALL OPTIONS (C601154)
CHASSIS, TUNNEL and REAR ASM. - S21DDL6PS ALL OPTIONS (601071C)
DRIVE TRAIN, CHAINCASE - S21DDL6PS ALL OPTIONS (600552)
DRIVE TRAIN, CLUTCH, PRIMARY - S21DDL6PS ALL OPTIONS (C601389)
DRIVE TRAIN, CLUTCH, SECONDARY - S21DDL6PS ALL OPTIONS (49SNOWDRIVENCLUTCH1322948)
DRIVE TRAIN, JACKSHAFT and DRIVESHAFT - S21DDL6PS ALL OPTIONS (600885C)
ELECTRICAL, BATTERY and CABLES - S21DDL6PS E.S. (601203)
ELECTRICAL, HEADLIGHT and TAILLIGHT - S21DDL6PS ALL OPTIONS (600946C)
ELECTRICAL, IGNITION SYSTEM - S21DDL6PS ALL OPTIONS (600914)
ELECTRICAL, MULTI FUNCTION GAUGE - S21DDL6PS ALL OPTIONS (600947C)
ELECTRICAL, SWITCHES, SENSORS and COMPONENTS - S21DDL6PS ALL OPTIONS (601679)
ELECTRICAL, WIRE HARNESS - S21DDL6PS ALL OPTIONS (601341)
ENGINE, AIR INTAKE SYSTEM - S21DDL6PS ALL OPTIONS (600866)
ENGINE, COOLING SYSTEM - S21DDL6PS ALL OPTIONS (600312)
ENGINE, CRANKCASE - S21DDL6PS ALL OPTIONS (49SNOWCRANKCASE156LE)
ENGINE, CYLINDER - S21DDL6PS ALL OPTIONS (600550)
ENGINE, EXHAUST - S21DDL6PS ALL OPTIONS (C601277)
ENGINE, EXHAUST VALVES and SOLENOID - S21DDL6PS ALL OPTIONS (600168)
ENGINE, MOUNTING & LONG BLOCK - S21DDL6PS ALL OPTIONS (49SNOWENGINEMOUNT156PROS)
ENGINE, OIL BOTTLE ASM. - S21DDL6PS ALL OPTIONS (600671C)
ENGINE, OIL PUMP ASM. - S21DDL6PS ALL OPTIONS (600878)
ENGINE, PISTON and CRANKSHAFT - S21DDL6PS ALL OPTIONS (600913C)
ENGINE, RECOIL STARTER - S21DDL6PS ALL OPTIONS (49SNOWRECOIL12SB)
ENGINE, REED VALVE and THROTTLE BODY ADAPTOR - S21DDL6PS ALL OPTIONS (49SNOWCARBURETOR15600AS)
ENGINE, STARTER MOTOR - S21DDL6PS W/E.S. (600369)
ENGINE, THROTTLE CONTROL ASM. - S21DDL6PS ALL OPTIONS (601402)
ENGINE, WATER PUMP - S21DDL6PS ALL OPTIONS (C600806)
FUEL SYSTEM, FUEL TANK ASM. - S21DDL6PS ALL OPTIONS (C601200)
FUEL SYSTEM, RAIL, LINES and THROTTLE BODY - S21DDL6PS ALL OPTIONS (601218)
STEERING, LOWER - S21DDL6PS ALL OPTIONS (C601155)
STEERING, SKI ASM. - S21DDL6PS ALL OPTIONS (601087C)
STEERING, UPPER and HANDLEBAR ASM. - S21DDL6PS ALL OPTIONS (C601327)
SUSPENSION, CONTROL ARMS and SPINDLE - S21DDL6PS ALL OPTIONS (C601731)
SUSPENSION, CRANK ASM., REAR - S21DDL6PS ALL OPTIONS (600765)
SUSPENSION, IFS SHOCKS MNTG. - S21DDL6PS ALL OPTIONS (C601730)
SUSPENSION, RAIL ASM. - S21DDL6PS ALL OPTIONS (601328)
SUSPENSION, REAR and TRACK - S21DDL6PS ALL OPTIONS (600564)
SUSPENSION, SHOCK, FRONT TRACK (7044562) - S21DDL6PS ALL OPTIONS (600362)
SUSPENSION, SHOCK, IFS (7044564) - S21DDL6PS ALL OPTIONS (600294)
SUSPENSION, SHOCK, REAR TRACK (7044563) - S21DDL6PS ALL OPTIONS (600293)
SUSPENSION, SWAY BAR - S21DDL6PS ALL OPTIONS (600599C)
SUSPENSION, TORQUE ARM, FRONT - S21DDL6PS ALL OPTIONS (600565)
TOOLS, BELT HOLDER, TOOLS, and OWNERS MANUAL - S21DDL6PS ALL OPTIONS (600271)
View Cart
VIEW WISH LIST