Polaris
Browse New Models
Shop In-Stock
Can-Am
Browse New Models
Shop In-Stock
Ski-Doo
Browse New Models
Shop In-Stock
Sea-Doo
Browse New Models
Shop In-Stock
Kayo
Browse New Models
Shop In-Stock
Manitou
Browse New Models
Shop In-Stock
Our
Location
Call
Us
Contact
Us
Toggle navigation
Home
Brands
Showroom
Manufacturer Models
OEM Promotions
Polaris Off-Road
Polaris Snowmobiles
Can-Am
Sea-Doo
Ski-Doo
Kayo
Yamaha Marine
Triton Trailers
Manitou
Nitro Trailers
CAM Superline
Durabull Trailers
Trifecta Pontoons
Inventory
All Inventory In Stock
New Inventory In Stock
Pre-Owned Inventory
Value Your Trade-In
Request a Model
Financing
Parts
Parts Department
OEM Parts Finder
Service
Service Department
Request Polaris Service
Warranty & Recall Look-Up
Financing
About
Our Dealership
Our Team
Reviews
Customer Survey
Newsletter Sign-Up
Employment
Events
Location & Hours
Contact
Call Us
Fort Kent, ME
Fiche | Parts Diagrams
2021 Polaris Snowmobiles
Home
›
Parts
›
OEM Parts Finder
Search by :
Part / Desc
VIN
Please Select
Can-Am
LYNX
Polaris
Sea-Doo
Ski-Doo
Yamaha
*Please enter at least 3 characters
SEARCH
Manufacturer
Polaris
Snowmobiles
2021
850 AXYS PRO-RMK 174" ALL OPTIONS (S21EHK8RC)
View Cart
VIEW WISH LIST
Select a Section
Show/Hide
BODY, BUMPER, FRONT - S21EHK8RC ALL OPTIONS (C600798)
BODY, BUMPER, REAR, SNOWFLAP and TAILLIGHT COVER - S21EHK8RC ALL OPTIONS (C601173)
BODY, CONSOLE - S21EHK8RC ALL OPTIONS (600901C)
BODY, DECAL, BLACK SIDE PANEL W/RED ACCENT - S21EHK8RC (601551)
BODY, DECAL, BLACK SIDE PANEL W/BLK,TITNM ACCENT - S21EHK8RC (601551)
BODY, DECAL, GRAY SIDE PANEL W/BLUE ACCENT - S21EHK8RC (601551)
BODY, DECAL, RED SIDE PANEL W/LIME SQUEEZE ACCENT - S21EHK8RC (601551)
BODY, DECAL, WHITE SIDE PANEL W/PLUM ACCENT - S21EHK8RC (601551)
BODY, FENDERS AND NOSEPAN ASM. - S21EHK8RC ALL OPTIONS (C601547)
BODY, HOOD ASM. - S21EHK8RC ALL OPTIONS (600592C)
BODY, HOOD FOAM/FIBER - S21EHK8RC ALL OPTIONS (600891C)
BODY, SEAT ASM. - S21EHK8RC ALL OPTIONS (C600839)
BODY, SIDE PANELS - S21EHK8RC ALL OPTIONS (C601735)
BODY, WINDSHIELD - S21EHK8RC ALL OPTIONS (C600840)
BRAKES, BRAKE SYSTEM - S21EHK8RC ALL OPTIONS (600391)
CHASSIS, BULKHEAD ASM. - S21EHK8RC ALL OPTIONS (601005C)
CHASSIS, CHASSIS ASM. and OVER STRUCTURE - S21EHK8RC ALL OPTIONS (601006C)
CHASSIS, CLUTCH GUARD, FOOTRESTS, AND RUNNING BOARDS - S21EHK8RC ALL OPTIONS (601008C)
DRIVE TRAIN, CLUTCH, PRIMARY - S21EHK8RC ALL OPTIONS (600950)
DRIVE TRAIN, CLUTCH, SECONDARY - S21EHK8RC ALL OPTIONS (49SNOWDRIVENCLUTCH1322948)
DRIVE TRAIN, JACKSHAFT and DRIVESHAFT - S21EHK8RC ALL OPTIONS (600425)
DRIVE TRAIN, QUICKDRIVE BELT SYSTEM - S21EHK8RC ALL OPTIONS (C600841)
ELECTRICAL, BATTERY/BOX and CABLES - S21EHK8RC E.S. OPTION (601009C)
ELECTRICAL, HEADLIGHT and TAILLIGHT - S21EHK8CR ALL OPTIONS (600946C)
ELECTRICAL, IGNITION COIL/SPARK PLUGS - S21EHK8RC ALL OPTIONS (600964C)
ELECTRICAL, IGNITION SYSTEM - S21EHK8RC ALL OPTIONS (600941)
ELECTRICAL, JUMPERS/WIRE HARNESS - S21EHK8RC ALL OPTIONS (601553)
ELECTRICAL, MAIN WIRE HARNESS - S21EHK8RC ALL OPTIONS (601228)
ELECTRICAL, MULTI FUNCTION GAUGE - S21EHK8RC ALL OPTIONS (600947C)
ELECTRICAL, SWITCHES, SENSORS and COMPONENTS - S21EHK8RC ALL OPTIONS (601638)
ENGINE, AIR INTAKE SYSTEM - S21EHK8RC ALL OPTIONS (600935C)
ENGINE, COOLING SYSTEM - S21EHK8RC ALL OPTIONS (601003C)
ENGINE, CRANKCASE - S21TDV8RS/8RE ALL OPTIONS (C601241)
ENGINE, CYLINDER/CYL. HEAD - S21TDV8RS/8RE ALL OPTIONS (600778-1)
ENGINE, EXHAUST - S21TDV8RS/8RE ALL OPTIONS (600958C)
ENGINE, EXHAUST VALVE ASM. - S21ELS8RS/8RE ALL OPTIONS (600778-3)
ENGINE, MOUNTING & LONG BLOCK - S21TDV8RS/8RE ALL OPTIONS (C600778-6)
ENGINE, OIL BOTTLE ASM. - S21ELS8RS/8RE ALL OPTIONS (600936C)
ENGINE, OIL PUMP ASM. - S21TDV8RS/8RE (600937C)
ENGINE, PISTON and CRANKSHAFT - S21EHK8RC ALL OPTIONS (C601781)
ENGINE, RECOIL STARTER - S21ELS8RS/8RE ALL OPTIONS (601014)
ENGINE, REED VALVE and THROTTLE BODY ADAPTOR - S21ELS8RS/8RE ALL OPTIONS (C600778-7)
ENGINE, STARTER MOTOR - S21TCL8RS/8RE ALL OPTIONS (600965C)
ENGINE, THROTTLE CONTROL ASM. - 1206185 (601430)
ENGINE, WATER PUMP - S21TDV8RS/8RE ALL OPTIONS (C601545)
FUEL SYSTEM, FUEL TANK ASM. - S21EHK8RC ALL OPTIONS (C601311)
FUEL SYSTEM, RAIL, LINES and THROTTLE BODY - S21EHK8RC ALL OPTIONS (C601736)
OPTIONS, STORAGE BAG (SNOW CHECK) - S21EHK8RC ALL OPTIONS (600581)
STEERING, HANDLEBAR MOUNTING - S21EHK8RC ALL OPTIONS (C601223)
STEERING, LOWER - S21EGH8RC ALL OPTIONS (600575)
STEERING, SKI ASM. - S21EHK8RC ALL OPTIONS (C601170)
SUSPENSION, CONTROL ARMS, SHOCK MNTG, and SPINDLE - S21EHK8RC ALL OPTIONS (600908)
SUSPENSION, RAIL MOUNTING - S21EHK8RC ALL OPTIONS (C601304)
SUSPENSION, REAR - S21EHK8RC ALL OPTIONS (600429)
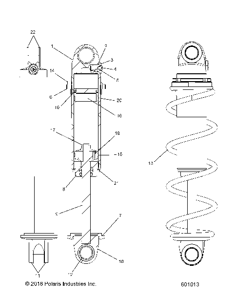
SUSPENSION, SHOCK, FRONT TRACK (BLACK COIL OVER) - 7045030 (601013)
SUSPENSION, SHOCK, FRONT TRACK (CLEAR COIL OVER) - S21EHK8RC (601541)
SUSPENSION, SHOCK, IFS MONOTUBE - S21EHK8RC (600848)
SUSPENSION, SHOCK, IFS W/RESERVOIR - S21EHK8RC (600989))
SUSPENSION, SHOCK, REAR TRACK (COIL OVER) - S21EHK8RC (601540)
SUSPENSION, SHOCK, REAR TRACK, W/RES. - S21EHK8RC (600055)
SUSPENSION, SWAY BAR - S21EHK8RC ALL OPTIONS (600068)
SUSPENSION, TORQUE ARM, FRONT - S21EHK8RCS ALL OPTIONS (C601306)
SUSPENSION, TORQUE ARM, REAR - S21EHK8RC ALL OPTIONS (600069)
TOOLS, BELT HOLDER, TOOLS, and OWNERS MANUAL - S21EHK8RC ALL OPTIONS (600033)
BODY, BUMPER, FRONT - S21EHK8RC ALL OPTIONS (C600798)
BODY, BUMPER, REAR, SNOWFLAP and TAILLIGHT COVER - S21EHK8RC ALL OPTIONS (C601173)
BODY, CONSOLE - S21EHK8RC ALL OPTIONS (600901C)
BODY, DECAL, BLACK SIDE PANEL W/RED ACCENT - S21EHK8RC (601551)
BODY, DECAL, BLACK SIDE PANEL W/BLK,TITNM ACCENT - S21EHK8RC (601551)
BODY, DECAL, GRAY SIDE PANEL W/BLUE ACCENT - S21EHK8RC (601551)
BODY, DECAL, RED SIDE PANEL W/LIME SQUEEZE ACCENT - S21EHK8RC (601551)
BODY, DECAL, WHITE SIDE PANEL W/PLUM ACCENT - S21EHK8RC (601551)
BODY, FENDERS AND NOSEPAN ASM. - S21EHK8RC ALL OPTIONS (C601547)
BODY, HOOD ASM. - S21EHK8RC ALL OPTIONS (600592C)
BODY, HOOD FOAM/FIBER - S21EHK8RC ALL OPTIONS (600891C)
BODY, SEAT ASM. - S21EHK8RC ALL OPTIONS (C600839)
BODY, SIDE PANELS - S21EHK8RC ALL OPTIONS (C601735)
BODY, WINDSHIELD - S21EHK8RC ALL OPTIONS (C600840)
BRAKES, BRAKE SYSTEM - S21EHK8RC ALL OPTIONS (600391)
CHASSIS, BULKHEAD ASM. - S21EHK8RC ALL OPTIONS (601005C)
CHASSIS, CHASSIS ASM. and OVER STRUCTURE - S21EHK8RC ALL OPTIONS (601006C)
CHASSIS, CLUTCH GUARD, FOOTRESTS, AND RUNNING BOARDS - S21EHK8RC ALL OPTIONS (601008C)
DRIVE TRAIN, CLUTCH, PRIMARY - S21EHK8RC ALL OPTIONS (600950)
DRIVE TRAIN, CLUTCH, SECONDARY - S21EHK8RC ALL OPTIONS (49SNOWDRIVENCLUTCH1322948)
DRIVE TRAIN, JACKSHAFT and DRIVESHAFT - S21EHK8RC ALL OPTIONS (600425)
DRIVE TRAIN, QUICKDRIVE BELT SYSTEM - S21EHK8RC ALL OPTIONS (C600841)
ELECTRICAL, BATTERY/BOX and CABLES - S21EHK8RC E.S. OPTION (601009C)
ELECTRICAL, HEADLIGHT and TAILLIGHT - S21EHK8CR ALL OPTIONS (600946C)
ELECTRICAL, IGNITION COIL/SPARK PLUGS - S21EHK8RC ALL OPTIONS (600964C)
ELECTRICAL, IGNITION SYSTEM - S21EHK8RC ALL OPTIONS (600941)
ELECTRICAL, JUMPERS/WIRE HARNESS - S21EHK8RC ALL OPTIONS (601553)
ELECTRICAL, MAIN WIRE HARNESS - S21EHK8RC ALL OPTIONS (601228)
ELECTRICAL, MULTI FUNCTION GAUGE - S21EHK8RC ALL OPTIONS (600947C)
ELECTRICAL, SWITCHES, SENSORS and COMPONENTS - S21EHK8RC ALL OPTIONS (601638)
ENGINE, AIR INTAKE SYSTEM - S21EHK8RC ALL OPTIONS (600935C)
ENGINE, COOLING SYSTEM - S21EHK8RC ALL OPTIONS (601003C)
ENGINE, CRANKCASE - S21TDV8RS/8RE ALL OPTIONS (C601241)
ENGINE, CYLINDER/CYL. HEAD - S21TDV8RS/8RE ALL OPTIONS (600778-1)
ENGINE, EXHAUST - S21TDV8RS/8RE ALL OPTIONS (600958C)
ENGINE, EXHAUST VALVE ASM. - S21ELS8RS/8RE ALL OPTIONS (600778-3)
ENGINE, MOUNTING & LONG BLOCK - S21TDV8RS/8RE ALL OPTIONS (C600778-6)
ENGINE, OIL BOTTLE ASM. - S21ELS8RS/8RE ALL OPTIONS (600936C)
ENGINE, OIL PUMP ASM. - S21TDV8RS/8RE (600937C)
ENGINE, PISTON and CRANKSHAFT - S21EHK8RC ALL OPTIONS (C601781)
ENGINE, RECOIL STARTER - S21ELS8RS/8RE ALL OPTIONS (601014)
ENGINE, REED VALVE and THROTTLE BODY ADAPTOR - S21ELS8RS/8RE ALL OPTIONS (C600778-7)
ENGINE, STARTER MOTOR - S21TCL8RS/8RE ALL OPTIONS (600965C)
ENGINE, THROTTLE CONTROL ASM. - 1206185 (601430)
ENGINE, WATER PUMP - S21TDV8RS/8RE ALL OPTIONS (C601545)
FUEL SYSTEM, FUEL TANK ASM. - S21EHK8RC ALL OPTIONS (C601311)
FUEL SYSTEM, RAIL, LINES and THROTTLE BODY - S21EHK8RC ALL OPTIONS (C601736)
OPTIONS, STORAGE BAG (SNOW CHECK) - S21EHK8RC ALL OPTIONS (600581)
STEERING, HANDLEBAR MOUNTING - S21EHK8RC ALL OPTIONS (C601223)
STEERING, LOWER - S21EGH8RC ALL OPTIONS (600575)
STEERING, SKI ASM. - S21EHK8RC ALL OPTIONS (C601170)
SUSPENSION, CONTROL ARMS, SHOCK MNTG, and SPINDLE - S21EHK8RC ALL OPTIONS (600908)
SUSPENSION, RAIL MOUNTING - S21EHK8RC ALL OPTIONS (C601304)
SUSPENSION, REAR - S21EHK8RC ALL OPTIONS (600429)
SUSPENSION, SHOCK, FRONT TRACK (BLACK COIL OVER) - 7045030 (601013)
SUSPENSION, SHOCK, FRONT TRACK (CLEAR COIL OVER) - S21EHK8RC (601541)
SUSPENSION, SHOCK, IFS MONOTUBE - S21EHK8RC (600848)
SUSPENSION, SHOCK, IFS W/RESERVOIR - S21EHK8RC (600989))
SUSPENSION, SHOCK, REAR TRACK (COIL OVER) - S21EHK8RC (601540)
SUSPENSION, SHOCK, REAR TRACK, W/RES. - S21EHK8RC (600055)
SUSPENSION, SWAY BAR - S21EHK8RC ALL OPTIONS (600068)
SUSPENSION, TORQUE ARM, FRONT - S21EHK8RCS ALL OPTIONS (C601306)
SUSPENSION, TORQUE ARM, REAR - S21EHK8RC ALL OPTIONS (600069)
TOOLS, BELT HOLDER, TOOLS, and OWNERS MANUAL - S21EHK8RC ALL OPTIONS (600033)
View Cart
VIEW WISH LIST