Polaris
Browse New Models
Shop In-Stock
Can-Am
Browse New Models
Shop In-Stock
Ski-Doo
Browse New Models
Shop In-Stock
Sea-Doo
Browse New Models
Shop In-Stock
Kayo
Browse New Models
Shop In-Stock
Manitou
Browse New Models
Shop In-Stock
Our
Location
Call
Us
Contact
Us
Toggle navigation
Home
Brands
Showroom
Manufacturer Models
OEM Promotions
Polaris Off-Road
Polaris Snowmobiles
Can-Am
Sea-Doo
Ski-Doo
Kayo
Yamaha Marine
Triton Trailers
Manitou
Nitro Trailers
CAM Superline
Durabull Trailers
Trifecta Pontoons
Inventory
All Inventory In Stock
New Inventory In Stock
Pre-Owned Inventory
Value Your Trade-In
Request a Model
Financing
Parts
Parts Department
OEM Parts Finder
Service
Service Department
Request Polaris Service
Warranty & Recall Look-Up
Financing
About
Our Dealership
Our Team
Reviews
Customer Survey
Newsletter Sign-Up
Employment
Events
Location & Hours
Contact
Call Us
Fort Kent, ME
Fiche | Parts Diagrams
2021 Polaris Snowmobiles
Home
›
Parts
›
OEM Parts Finder
Search by :
Part / Desc
VIN
Please Select
Can-Am
LYNX
Polaris
Sea-Doo
Ski-Doo
Yamaha
*Please enter at least 3 characters
SEARCH
Manufacturer
Polaris
Snowmobiles
2021
850 INDY ADVENTURE 137 ALL OPTIONS (S21EDE8RS)
View Cart
VIEW WISH LIST
Select a Section
Show/Hide
BODY, BUMPER, FRONT - S21EDE8RS ALL OPTIONS (C601357)
BODY, BUMPER, REAR, SNOWFLAP and TAILLIGHT COVER - S21EDE8RS ALL OPTIONS (600971C)
BODY, CONSOLE - S21EDE8RS ALL OPTIONS (C600799)
BODY, DECAL, BLACK SIDE PANEL W/RED ACCENT - S21EDE8RS (601691)
BODY, DECAL, BLACK SIDE PANEL W/TITANIUM ACCENT - S21EDE8RS (601691)
BODY, DECAL, GRAY SIDE PANEL W/POLARIS BLUE ACCENT - S21EDE8RS (601691)
BODY, DECAL, RED SIDE PANEL W/LIME SQUEEZE ACCENT - S21EDE8RS (601691)
BODY, DECAL, WHITE SIDE PANEL W/PLUM ACCENT - S21EDE8RS (601691)
BODY, FENDERS AND NOSEPAN ASM. - S21EDE8RS ALL OPTIONS (600803)
BODY, HOOD ASM. - S21EDE8RS ALL OPTIONS (600592C)
BODY, HOOD FOAM/FIBER - S21EDE8RS ALL OPTIONS (600891C)
BODY, SEAT - S21EDE8RS ALL OPTIONS (C600833)
BODY, SIDE PANELS - S21EDE8RS ALL OPTIONS (600355)
BODY, WINDSHIELD AND MIRRORS - S21EDE8RS ALL OPTIONS (C601359)
BRAKES, BRAKE SYSTEM - S21EDE8RS ALL OPTIONS (600943)
BRAKES, MASTER CYLINDER ASM. - S21EDE8RS ALL OPTIONS (600942C)
CHASSIS, BULKHEAD ASM. - S21EDE8RS ALL OPTIONS (600976C)
CHASSIS, CHASSIS ASM. and OVER STRUCTURE - S21EDE8RS (C601709)
CHASSIS, CLUTCH GUARD/FOOTRESTS/RUNNING BOARDS - S21EDE8RS (C601326)
CHASSIS, TIE ROD BOOT ASM. - S21EDE8RS ALL OPTIONS (C601154)
DRIVE TRAIN, CHAINCASE - S21EDE8RS ALL OPTIONS (600552)
DRIVE TRAIN, CLUTCH, PRIMARY - S21EDE8RS ALL OPTIONS (C601717)
DRIVE TRAIN, CLUTCH, SECONDARY - S21EDE8RS ALL OPTIONS (49SNOWDRIVENCLUTCH1322948)
DRIVE TRAIN, JACKSHAFT and DRIVESHAFT - S21EDE8RS ALL OPTIONS (601073C)
ELECTRICAL, BATTERY/BOX and CABLES - S21EDE8RS E.S. OPTION (601062C)
ELECTRICAL, HEADLIGHT and TAILLIGHT - S21EDE8RS ALL OPTIONS (600946C)
ELECTRICAL, IGNITION COIL/SPARK PLUGS - S21EDE8RS ALL OPTIONS (600964C)
ELECTRICAL, IGNITION SYSTEM - S21EDE8RS ALL OPTIONS (600941
ELECTRICAL, JUMPERS/WIRE HARNESS - S21EDE8RS ALL OPTIONS (601367)
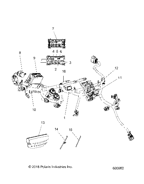
ELECTRICAL, MAIN WIRE HARNESS - S21EDE8RS ALL OPTIONS (600962)
ELECTRICAL, MULTI FUNCTION GAUGE - S21EDE8RS ALL OPTIONS (600947C)
ELECTRICAL, SWITCHES, SENSORS and COMPONENTS - S21EDE8RS (601719)
ENGINE, AIR INTAKE SYSTEM - S21EDE8RS ALL OPTIONS (600935C)
ENGINE, COOLING SYSTEM - S21EDE8RS ALL OPTIONS (600974C)
ENGINE, CRANKCASE - S21EDE8RS OPTIONS (C601241)
ENGINE, CYLINDER, CYL. HEAD - S21EDE8RS ALL OPTIONS (600778-1)
ENGINE, EXHAUST - S21EDE8RS ALL OPTIONS (600958C)
ENGINE, EXHAUST VALVE ASM. - S21EDE8RS ALL OPTIONS (600778-3)
ENGINE, MOUNTING & LONG BLOCK - S21EDE8RS ALL OPTIONS (C600778-6)
ENGINE, OIL BOTTLE ASM. - S21EDE8RS ALL OPTIONS (600936C)
ENGINE, OIL PUMP ASM. - S21EDE8RS ALL OPTIONS (600937C)
ENGINE, PISTON and CRANKSHAFT - S21EDE8RS ALL OPTIONS (C601781)
ENGINE, RECOIL STARTER - S21EDE8RS ALL OPTIONS (600980)
ENGINE, REED VALVE and THROTTLE BODY ADAPTOR - S21EDE8RS ALL OPTIONS (C600778-7)
ENGINE, STARTER MOTOR - S21EDE8RS ALL OPTIONS W/E.S. (600965C)
ENGINE, THROTTLE CONTROL ASM. - S21EDE8RS ALL OPTIONS (601566)
ENGINE, WATER PUMP - S21EDE8RS ALL OPTIONS (600778-5)
FUEL SYSTEM, FUEL TANK ASM. - S21EDE8RS ALL OPTIONS (600938C)
FUEL SYSTEM, RAIL, LINES and THROTTLE BODY - S21EDE8RS ALL OPTIONS (600939C)
OPTIONS, STORAGE BAGS - S21EDE8RS (601363)
STEERING, LOWER - S21EDE8RS (C601155)
STEERING, SKI ASM. - S21EDE8RS ALL OPTIONS (601087C)
STEERING, UPPER and HANDLEBAR ASM. - S21EDE8RS ALL OPTIONS (C601364)
SUSPENSION, CONTROL ARMS and SPINDLE - S21EDE8RS ALL OPTIONS (C601157)
SUSPENSION, RAIL, LH/RH - S21EDE8RS (C601275)
SUSPENSION, REAR - S21EDE8RS ALL OPTIONS (C601276)
SUSPENSION, SHOCK MOUNTING, REAR SUSP. - S21EDE8RS (C601684)
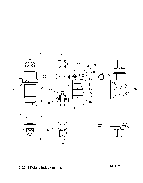
SUSPENSION, SHOCK, FRONT TRACK (7044878) - S21EDE8RS (600969)
SUSPENSION, SHOCK, IFS (7045064) - S21EDE8RS ALL OPTIONS (600951)
SUSPENSION, SHOCK, REAR TRACK (7044819) - S21EDE8RS ALL OPTIONS (600968)
SUSPENSION, SWAY BAR - S21EDE8RS ALL OPTIONS (C600817)
SUSPENSION, TORQUE ARM, FRONT - S21EDE8RS ALL OPTIONS (C601325)
SUSPENSION, TORQUE ARM, REAR - S21EDE8RS ALL OPTIONS (C601685)
TOOLS, BELT HOLDER, TOOLS, and OWNERS MANUAL - S21EDE8RS ALL OPTIONS (600271)
BODY, BUMPER, FRONT - S21EDE8RS ALL OPTIONS (C601357)
BODY, BUMPER, REAR, SNOWFLAP and TAILLIGHT COVER - S21EDE8RS ALL OPTIONS (600971C)
BODY, CONSOLE - S21EDE8RS ALL OPTIONS (C600799)
BODY, DECAL, BLACK SIDE PANEL W/RED ACCENT - S21EDE8RS (601691)
BODY, DECAL, BLACK SIDE PANEL W/TITANIUM ACCENT - S21EDE8RS (601691)
BODY, DECAL, GRAY SIDE PANEL W/POLARIS BLUE ACCENT - S21EDE8RS (601691)
BODY, DECAL, RED SIDE PANEL W/LIME SQUEEZE ACCENT - S21EDE8RS (601691)
BODY, DECAL, WHITE SIDE PANEL W/PLUM ACCENT - S21EDE8RS (601691)
BODY, FENDERS AND NOSEPAN ASM. - S21EDE8RS ALL OPTIONS (600803)
BODY, HOOD ASM. - S21EDE8RS ALL OPTIONS (600592C)
BODY, HOOD FOAM/FIBER - S21EDE8RS ALL OPTIONS (600891C)
BODY, SEAT - S21EDE8RS ALL OPTIONS (C600833)
BODY, SIDE PANELS - S21EDE8RS ALL OPTIONS (600355)
BODY, WINDSHIELD AND MIRRORS - S21EDE8RS ALL OPTIONS (C601359)
BRAKES, BRAKE SYSTEM - S21EDE8RS ALL OPTIONS (600943)
BRAKES, MASTER CYLINDER ASM. - S21EDE8RS ALL OPTIONS (600942C)
CHASSIS, BULKHEAD ASM. - S21EDE8RS ALL OPTIONS (600976C)
CHASSIS, CHASSIS ASM. and OVER STRUCTURE - S21EDE8RS (C601709)
CHASSIS, CLUTCH GUARD/FOOTRESTS/RUNNING BOARDS - S21EDE8RS (C601326)
CHASSIS, TIE ROD BOOT ASM. - S21EDE8RS ALL OPTIONS (C601154)
DRIVE TRAIN, CHAINCASE - S21EDE8RS ALL OPTIONS (600552)
DRIVE TRAIN, CLUTCH, PRIMARY - S21EDE8RS ALL OPTIONS (C601717)
DRIVE TRAIN, CLUTCH, SECONDARY - S21EDE8RS ALL OPTIONS (49SNOWDRIVENCLUTCH1322948)
DRIVE TRAIN, JACKSHAFT and DRIVESHAFT - S21EDE8RS ALL OPTIONS (601073C)
ELECTRICAL, BATTERY/BOX and CABLES - S21EDE8RS E.S. OPTION (601062C)
ELECTRICAL, HEADLIGHT and TAILLIGHT - S21EDE8RS ALL OPTIONS (600946C)
ELECTRICAL, IGNITION COIL/SPARK PLUGS - S21EDE8RS ALL OPTIONS (600964C)
ELECTRICAL, IGNITION SYSTEM - S21EDE8RS ALL OPTIONS (600941
ELECTRICAL, JUMPERS/WIRE HARNESS - S21EDE8RS ALL OPTIONS (601367)
ELECTRICAL, MAIN WIRE HARNESS - S21EDE8RS ALL OPTIONS (600962)
ELECTRICAL, MULTI FUNCTION GAUGE - S21EDE8RS ALL OPTIONS (600947C)
ELECTRICAL, SWITCHES, SENSORS and COMPONENTS - S21EDE8RS (601719)
ENGINE, AIR INTAKE SYSTEM - S21EDE8RS ALL OPTIONS (600935C)
ENGINE, COOLING SYSTEM - S21EDE8RS ALL OPTIONS (600974C)
ENGINE, CRANKCASE - S21EDE8RS OPTIONS (C601241)
ENGINE, CYLINDER, CYL. HEAD - S21EDE8RS ALL OPTIONS (600778-1)
ENGINE, EXHAUST - S21EDE8RS ALL OPTIONS (600958C)
ENGINE, EXHAUST VALVE ASM. - S21EDE8RS ALL OPTIONS (600778-3)
ENGINE, MOUNTING & LONG BLOCK - S21EDE8RS ALL OPTIONS (C600778-6)
ENGINE, OIL BOTTLE ASM. - S21EDE8RS ALL OPTIONS (600936C)
ENGINE, OIL PUMP ASM. - S21EDE8RS ALL OPTIONS (600937C)
ENGINE, PISTON and CRANKSHAFT - S21EDE8RS ALL OPTIONS (C601781)
ENGINE, RECOIL STARTER - S21EDE8RS ALL OPTIONS (600980)
ENGINE, REED VALVE and THROTTLE BODY ADAPTOR - S21EDE8RS ALL OPTIONS (C600778-7)
ENGINE, STARTER MOTOR - S21EDE8RS ALL OPTIONS W/E.S. (600965C)
ENGINE, THROTTLE CONTROL ASM. - S21EDE8RS ALL OPTIONS (601566)
ENGINE, WATER PUMP - S21EDE8RS ALL OPTIONS (600778-5)
FUEL SYSTEM, FUEL TANK ASM. - S21EDE8RS ALL OPTIONS (600938C)
FUEL SYSTEM, RAIL, LINES and THROTTLE BODY - S21EDE8RS ALL OPTIONS (600939C)
OPTIONS, STORAGE BAGS - S21EDE8RS (601363)
STEERING, LOWER - S21EDE8RS (C601155)
STEERING, SKI ASM. - S21EDE8RS ALL OPTIONS (601087C)
STEERING, UPPER and HANDLEBAR ASM. - S21EDE8RS ALL OPTIONS (C601364)
SUSPENSION, CONTROL ARMS and SPINDLE - S21EDE8RS ALL OPTIONS (C601157)
SUSPENSION, RAIL, LH/RH - S21EDE8RS (C601275)
SUSPENSION, REAR - S21EDE8RS ALL OPTIONS (C601276)
SUSPENSION, SHOCK MOUNTING, REAR SUSP. - S21EDE8RS (C601684)
SUSPENSION, SHOCK, FRONT TRACK (7044878) - S21EDE8RS (600969)
SUSPENSION, SHOCK, IFS (7045064) - S21EDE8RS ALL OPTIONS (600951)
SUSPENSION, SHOCK, REAR TRACK (7044819) - S21EDE8RS ALL OPTIONS (600968)
SUSPENSION, SWAY BAR - S21EDE8RS ALL OPTIONS (C600817)
SUSPENSION, TORQUE ARM, FRONT - S21EDE8RS ALL OPTIONS (C601325)
SUSPENSION, TORQUE ARM, REAR - S21EDE8RS ALL OPTIONS (C601685)
TOOLS, BELT HOLDER, TOOLS, and OWNERS MANUAL - S21EDE8RS ALL OPTIONS (600271)
View Cart
VIEW WISH LIST