Polaris
Browse New Models
Shop In-Stock
Can-Am
Browse New Models
Shop In-Stock
Ski-Doo
Browse New Models
Shop In-Stock
Sea-Doo
Browse New Models
Shop In-Stock
Kayo
Browse New Models
Shop In-Stock
Manitou
Browse New Models
Shop In-Stock
Our
Location
Call
Us
Contact
Us
Toggle navigation
Home
Brands
Showroom
Manufacturer Models
OEM Promotions
Polaris Off-Road
Polaris Snowmobiles
Can-Am
Sea-Doo
Ski-Doo
Kayo
Yamaha Marine
Triton Trailers
Manitou
Nitro Trailers
CAM Superline
Durabull Trailers
Trifecta Pontoons
Inventory
All Inventory In Stock
New Inventory In Stock
Pre-Owned Inventory
Value Your Trade-In
Request a Model
Financing
Parts
Parts Department
OEM Parts Finder
Service
Service Department
Request Polaris Service
Warranty & Recall Look-Up
Financing
About
Our Dealership
Our Team
Reviews
Customer Survey
Newsletter Sign-Up
Employment
Events
Location & Hours
Contact
Call Us
Fort Kent, ME
Fiche | Parts Diagrams
2021 Polaris Snowmobiles
Home
›
Parts
›
OEM Parts Finder
Search by :
Part / Desc
VIN
Please Select
Can-Am
LYNX
Polaris
Sea-Doo
Ski-Doo
Yamaha
*Please enter at least 3 characters
SEARCH
Manufacturer
Polaris
Snowmobiles
2021
850 SWITCHBACK XCR ALL OPTIONS (S21DDL8RS)
View Cart
VIEW WISH LIST
Select a Section
Show/Hide
BODY, BUMPER, FRONT - S21DDL8RS (C600798)
BODY, BUMPER, REAR and CLOSEOFF - S21DDL8RS (601100C)
BODY, CONSOLE - S21DDL8RS (C600799)
BODY, DECAL, INDY RED SIDE PANEL MODEL - S21DDL8RS (601331)
BODY, DECAL, POLARIS BLUE SIDE PANEL W/BLK ACCENT MODEL - S21DDL8RS (601331)
BODY, DECAL, STEALTH BLACK SIDE PANEL W/BLK ACCENT MODEL - S21DDL8RS (601331)
BODY, FENDERS AND NOSEPAN ASM. - S21DDL8RS ALL OPTIONS (600803)
BODY, HOOD ASM. - S21DDL8RS ALL OPTIONS (600592C)
BODY, HOOD FOAM/FIBER - S21DDL8RS ALL OPTIONS (600891C)
BODY, SEAT - S21DDL8RS ALL OPTIONS (C600833)
BODY, SIDE PANELS - S21DDL8RS ALL OPTIONS (600228)
BODY, WINDSHIELD - S21DDL8RS ALL OPTIONS (C600834)
BRAKES, BRAKE SYSTEM - S21DDL8RS ALL OPTIONS (601069)
BRAKES, MASTER CYLINDER ASM. - S21DDL8RS ALL OPTIONS (600942C)
CHASSIS, BULKHEAD ASM. - S21DDL8RS ALL OPTIONS (600960)
CHASSIS, CHASSIS ASM. and OVER STRUCTURE - S21DDL8RS ALL OPTIONS (C601330)
CHASSIS, CLUTCH GUARD and FOOTRESTS - S21DDL8RS ALL OPTIONS (601072C)
CHASSIS, TUNNEL and REAR ASM. - S21DDL8RS ALL OPTIONS (601071C)
DRIVE TRAIN, CHAINCASE - S21DDL8RS ALL OPTIONS (49SNOWCHAINCASE15PROS)
DRIVE TRAIN, CLUTCH, PRIMARY - S21DDL8RS ALL OPTIONS (C601389)
DRIVE TRAIN, CLUTCH, SECONDARY - S21DDL8RS ALL OPTIONS (49SNOWDRIVENCLUTCH1322948)
DRIVE TRAIN, JACKSHAFT and DRIVESHAFT - S21DDL8RS ALL OPTIONS (601073C)
ELECTRICAL, BATTERY/BOX and CABLES - S21DDL8RS E.S. OPTION (601062C)
ELECTRICAL, HEADLIGHT and TAILLIGHT - S21DDL8RS ALL OPTIONS (600946C)
ELECTRICAL, IGNITION COIL/SPARK PLUGS - S21DDL8RS ALL OPTIONS (600964C)
ELECTRICAL, IGNITION SYSTEM - S21DDL8RS ALL OPTIONS (600941
ELECTRICAL, JUMPERS/WIRE HARNESS - S21DDL8RS ALL OPTIONS (601281)
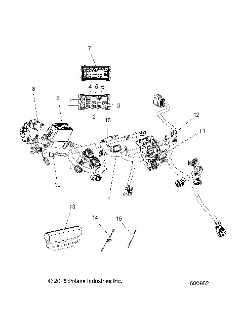
ELECTRICAL, MAIN WIRE HARNESS - S21DDL8RS ALL OPTIONS (600962)
ELECTRICAL, MULTI FUNCTION GAUGE - S21DDL8RS ALL OPTIONS (600947C)
ELECTRICAL, SWITCHES, SENSORS and COMPONENTS - S21DDL8RS ALL OPTIONS (601718)
ENGINE, AIR INTAKE SYSTEM - S21DDL8RS ALL OPTIONS (C601446)
ENGINE, COOLING SYSTEM - S21DDL8RS ALL OPTIONS (C601727)
ENGINE, CRANKCASE - S21DDL8RS ALL OPTIONS (C601241)
ENGINE, CYLINDER, CYL. HEAD - S21DDL8RS ALL OPTIONS (600778-1)
ENGINE, EXHAUST - S21DDL8RS ALL OPTIONS (600958C)
ENGINE, EXHAUST VALVE ASM. - S21DDL8RS ALL OPTIONS (600778-3)
ENGINE, MOUNTING & LONG BLOCK - S21DDL8RS ALL OPTIONS (C600778-6)
ENGINE, OIL BOTTLE ASM. - S21DDL8RS ALL OPTIONS (600936C)
ENGINE, OIL PUMP ASM. - S21DDL8RS ALL OPTIONS (600937C)
ENGINE, PISTON and CRANKSHAFT - S21DDL8RS ALL OPTIONS (C601781)
ENGINE, RECOIL STARTER - S21DDL8RS ALL OPTIONS (600980)
ENGINE, REED VALVE and THROTTLE BODY ADAPTOR - S21DDL8RS ALL OPTIONS (C600778-7)
ENGINE, STARTER MOTOR - S21DDL8RS ELECT. START OPTON (600965C)
ENGINE, THROTTLE CONTROL ASM. - S21DDL8RS ALL OPTIONS (C601622)
ENGINE, WATER PUMP - S21DDL8RS ALL OPTIONS (600778-5)
FUEL SYSTEM, FUEL TANK ASM. - S21DDL8RS ALL OPTIONS (600938C)
FUEL SYSTEM, RAIL, LINES and THROTTLE BODY - S21DDL8RS ALL OPTIONS (600939C)
STEERING, LOWER - S21DDL8RS ALL OPTIONS (C601155)
STEERING, SKI ASM. - S21DDL8RS ALL OPTIONS (601087C)
STEERING, UPPER and HANDLEBAR ASM. - S21DDL8RS ALL OPTIONS (C601327)
SUSPENSION, CONTROL ARMS and SPINDLE - S21DDL8RS ALL OPTIONS (C601731)
SUSPENSION, CONTROL ARMS and SPINDLE - S21DDL8RS ALL OPTIONS (C603113)
SUSPENSION, CRANK ASM., REAR - S21DDL8RS ALL OPTIONS (600765)
SUSPENSION, IFS SHOCKS MNTG. - S21DDL8RS ALL OPTIONS (C601730)
SUSPENSION, RAIL ASM. - S21DDL8RS ALL OPTIONS (601328)
SUSPENSION, REAR and TRACK - S21DDL8RS ALL OPTIONS (600564)
SUSPENSION, SHOCK, FRONT TRACK (7044562) - S21DDL8RS ALL OPTIONS (600362)
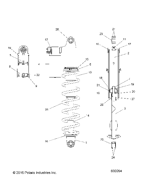
SUSPENSION, SHOCK, IFS (7044564) - S21DDL8RS ALL OPTIONS (600294)
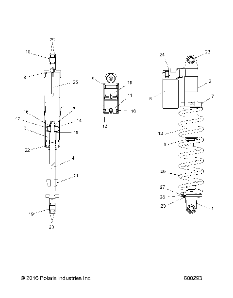
SUSPENSION, SHOCK, REAR TRACK (7044563) - S21DDL8RS ALL OPTIONS (600293)
SUSPENSION, SWAY BAR - S21DDL8RS ALL OPTIONS (600599C)
SUSPENSION, TORQUE ARM, FRONT - S21DDL8RS ALL OPTIONS (600565)
TOOLS, BELT HOLDER, TOOLS, and OWNERS MANUAL - S21DDL8RS ALL OPTIONS (600271)
BODY, BUMPER, FRONT - S21DDL8RS (C600798)
BODY, BUMPER, REAR and CLOSEOFF - S21DDL8RS (601100C)
BODY, CONSOLE - S21DDL8RS (C600799)
BODY, DECAL, INDY RED SIDE PANEL MODEL - S21DDL8RS (601331)
BODY, DECAL, POLARIS BLUE SIDE PANEL W/BLK ACCENT MODEL - S21DDL8RS (601331)
BODY, DECAL, STEALTH BLACK SIDE PANEL W/BLK ACCENT MODEL - S21DDL8RS (601331)
BODY, FENDERS AND NOSEPAN ASM. - S21DDL8RS ALL OPTIONS (600803)
BODY, HOOD ASM. - S21DDL8RS ALL OPTIONS (600592C)
BODY, HOOD FOAM/FIBER - S21DDL8RS ALL OPTIONS (600891C)
BODY, SEAT - S21DDL8RS ALL OPTIONS (C600833)
BODY, SIDE PANELS - S21DDL8RS ALL OPTIONS (600228)
BODY, WINDSHIELD - S21DDL8RS ALL OPTIONS (C600834)
BRAKES, BRAKE SYSTEM - S21DDL8RS ALL OPTIONS (601069)
BRAKES, MASTER CYLINDER ASM. - S21DDL8RS ALL OPTIONS (600942C)
CHASSIS, BULKHEAD ASM. - S21DDL8RS ALL OPTIONS (600960)
CHASSIS, CHASSIS ASM. and OVER STRUCTURE - S21DDL8RS ALL OPTIONS (C601330)
CHASSIS, CLUTCH GUARD and FOOTRESTS - S21DDL8RS ALL OPTIONS (601072C)
CHASSIS, TUNNEL and REAR ASM. - S21DDL8RS ALL OPTIONS (601071C)
DRIVE TRAIN, CHAINCASE - S21DDL8RS ALL OPTIONS (49SNOWCHAINCASE15PROS)
DRIVE TRAIN, CLUTCH, PRIMARY - S21DDL8RS ALL OPTIONS (C601389)
DRIVE TRAIN, CLUTCH, SECONDARY - S21DDL8RS ALL OPTIONS (49SNOWDRIVENCLUTCH1322948)
DRIVE TRAIN, JACKSHAFT and DRIVESHAFT - S21DDL8RS ALL OPTIONS (601073C)
ELECTRICAL, BATTERY/BOX and CABLES - S21DDL8RS E.S. OPTION (601062C)
ELECTRICAL, HEADLIGHT and TAILLIGHT - S21DDL8RS ALL OPTIONS (600946C)
ELECTRICAL, IGNITION COIL/SPARK PLUGS - S21DDL8RS ALL OPTIONS (600964C)
ELECTRICAL, IGNITION SYSTEM - S21DDL8RS ALL OPTIONS (600941
ELECTRICAL, JUMPERS/WIRE HARNESS - S21DDL8RS ALL OPTIONS (601281)
ELECTRICAL, MAIN WIRE HARNESS - S21DDL8RS ALL OPTIONS (600962)
ELECTRICAL, MULTI FUNCTION GAUGE - S21DDL8RS ALL OPTIONS (600947C)
ELECTRICAL, SWITCHES, SENSORS and COMPONENTS - S21DDL8RS ALL OPTIONS (601718)
ENGINE, AIR INTAKE SYSTEM - S21DDL8RS ALL OPTIONS (C601446)
ENGINE, COOLING SYSTEM - S21DDL8RS ALL OPTIONS (C601727)
ENGINE, CRANKCASE - S21DDL8RS ALL OPTIONS (C601241)
ENGINE, CYLINDER, CYL. HEAD - S21DDL8RS ALL OPTIONS (600778-1)
ENGINE, EXHAUST - S21DDL8RS ALL OPTIONS (600958C)
ENGINE, EXHAUST VALVE ASM. - S21DDL8RS ALL OPTIONS (600778-3)
ENGINE, MOUNTING & LONG BLOCK - S21DDL8RS ALL OPTIONS (C600778-6)
ENGINE, OIL BOTTLE ASM. - S21DDL8RS ALL OPTIONS (600936C)
ENGINE, OIL PUMP ASM. - S21DDL8RS ALL OPTIONS (600937C)
ENGINE, PISTON and CRANKSHAFT - S21DDL8RS ALL OPTIONS (C601781)
ENGINE, RECOIL STARTER - S21DDL8RS ALL OPTIONS (600980)
ENGINE, REED VALVE and THROTTLE BODY ADAPTOR - S21DDL8RS ALL OPTIONS (C600778-7)
ENGINE, STARTER MOTOR - S21DDL8RS ELECT. START OPTON (600965C)
ENGINE, THROTTLE CONTROL ASM. - S21DDL8RS ALL OPTIONS (C601622)
ENGINE, WATER PUMP - S21DDL8RS ALL OPTIONS (600778-5)
FUEL SYSTEM, FUEL TANK ASM. - S21DDL8RS ALL OPTIONS (600938C)
FUEL SYSTEM, RAIL, LINES and THROTTLE BODY - S21DDL8RS ALL OPTIONS (600939C)
STEERING, LOWER - S21DDL8RS ALL OPTIONS (C601155)
STEERING, SKI ASM. - S21DDL8RS ALL OPTIONS (601087C)
STEERING, UPPER and HANDLEBAR ASM. - S21DDL8RS ALL OPTIONS (C601327)
SUSPENSION, CONTROL ARMS and SPINDLE - S21DDL8RS ALL OPTIONS (C601731)
SUSPENSION, CONTROL ARMS and SPINDLE - S21DDL8RS ALL OPTIONS (C603113)
SUSPENSION, CRANK ASM., REAR - S21DDL8RS ALL OPTIONS (600765)
SUSPENSION, IFS SHOCKS MNTG. - S21DDL8RS ALL OPTIONS (C601730)
SUSPENSION, RAIL ASM. - S21DDL8RS ALL OPTIONS (601328)
SUSPENSION, REAR and TRACK - S21DDL8RS ALL OPTIONS (600564)
SUSPENSION, SHOCK, FRONT TRACK (7044562) - S21DDL8RS ALL OPTIONS (600362)
SUSPENSION, SHOCK, IFS (7044564) - S21DDL8RS ALL OPTIONS (600294)
SUSPENSION, SHOCK, REAR TRACK (7044563) - S21DDL8RS ALL OPTIONS (600293)
SUSPENSION, SWAY BAR - S21DDL8RS ALL OPTIONS (600599C)
SUSPENSION, TORQUE ARM, FRONT - S21DDL8RS ALL OPTIONS (600565)
TOOLS, BELT HOLDER, TOOLS, and OWNERS MANUAL - S21DDL8RS ALL OPTIONS (600271)
View Cart
VIEW WISH LIST