Polaris
Browse New Models
Shop In-Stock
Can-Am
Browse New Models
Shop In-Stock
Ski-Doo
Browse New Models
Shop In-Stock
Sea-Doo
Browse New Models
Shop In-Stock
Kayo
Browse New Models
Shop In-Stock
Manitou
Browse New Models
Shop In-Stock
Our
Location
Call
Us
Contact
Us
Toggle navigation
Home
Brands
Showroom
Manufacturer Models
OEM Promotions
Polaris Off-Road
Polaris Snowmobiles
Can-Am
Sea-Doo
Ski-Doo
Kayo
Yamaha Marine
Triton Trailers
Manitou
Nitro Trailers
CAM Superline
Durabull Trailers
Trifecta Pontoons
Inventory
All Inventory In Stock
New Inventory In Stock
Pre-Owned Inventory
Value Your Trade-In
Request a Model
Financing
Parts
Parts Department
OEM Parts Finder
Service
Service Department
Request Polaris Service
Warranty & Recall Look-Up
Financing
About
Our Dealership
Our Team
Reviews
Customer Survey
Newsletter Sign-Up
Employment
Events
Location & Hours
Contact
Call Us
Fort Kent, ME
Fiche | Parts Diagrams
2009 Polaris Utility Vehicles
Home
›
Parts
›
OEM Parts Finder
Search by :
Part / Desc
VIN
Please Select
Can-Am
LYNX
Polaris
Sea-Doo
Ski-Doo
Yamaha
*Please enter at least 3 characters
SEARCH
Manufacturer
Polaris
Utility Vehicles
2009
RZR 800 EFI ALL OPTIONS (R09VH76)
View Cart
VIEW WISH LIST
Select a Section
Show/Hide
BODY, DECALS - R09VH76 ALL OPTIONS (49RGRDECAL09RZR)
BODY, FLOOR and ROCKER PANELS - R09VH76 ALL OPTIONS (49RGRFLOOR09RZR)
BODY, FRONT BUMPER - R09VH76 ALL OPTIONS (49RGRBUMPER09RZRI)
BODY, FUEL TANK - R09VH76 ALL OPTIONS (49RGRFUEL09RZR)
BODY, GRAB BAR, PASSENGER - R09VH76 ALL OPTIONS (49RGRGRABBAR08VISTA)
BODY, HOOD and FRONT BODY WORK - R09VH76 ALL OPTIONS (49RGRHOOD09RZR)
BODY, REAR BUMPER - R09VH76 ALL OPTIONS (49RGRBUMPERRR09RZR)
BODY, REAR RACK and FENDERS - R09VH76 ALL OPTIONS (49RGRRACKMTG09RZR)
BODY, SEAT ASM. - R09VH76 ALL OPTIONS (49RGRSEAT08VISTA)
BODY, SEAT MOUNTING and BELTS - R09VH76 ALL OPTIONS (49RGRSEATMTG09RZR)
BODY, SIDE NETS - R09VH76 ALL OPTIONS (49RGRNETS09RZR)
BRAKES, BRAKE LINES and MASTER CYLINDER - R09VH76 ALL OPTIONS (49RGRBRAKELINES08VISTA)
BRAKES, CALIPER MOUNTING - R09VH76 ALL OPTIONS (49ATVCALIPERMTG08VISTA)
BRAKES, FRONT CALIPER - R09VH76 ALL OPTIONS (49RGRCALIPER08VISTA)
BRAKES, PEDAL and MASTER CYLINDER - R09VH76 ALL OPTIONS (49RGRBRAKEFOOT08VISTA)
BRAKES, REAR CALIPER - R09VH76 ALL OPTIONS (4999204069920406B10)
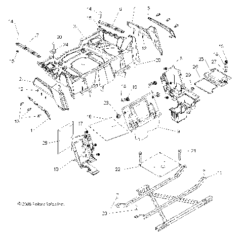
CHASSIS, CAB FRAME and SIDE BARS - R09VH76 ALL OPTIONS (49RGRCAB09RZR)
CHASSIS, MAIN FRAME and SKID PLATE - R09VH76 ALL OPTIONS (49RGRFRAME09RZR)
DRIVE TRAIN, CLUTCH COVER and DUCTING - R09VH76 ALL OPTIONS (49RGRCLUTCHCVR08VISTA)
DRIVE TRAIN, FRONT GEARCASE - R09VH76 ALL OPTIONS (49RGRGEARCASEMTG08VISTA)
DRIVE TRAIN, FRONT GEARCASE INTERNAL COMPONENTS - R09VH76 ALL OPTIONS (49RGRTRANSINTL08RZR)
DRIVE TRAIN, FRONT HALF SHAFT - R09VH76 ALL OPTIONS (49ATVSHAFTDRIVE08VISTA)
DRIVE TRAIN, FRONT PROP SHAFT - R09VH76 ALL OPTIONS (49RGRSHAFTPROP09RZR)
DRIVE TRAIN, GEAR SELECTOR - R09VH76 ALL OPTIONS (49ATVGEARSELECT08VISTA)
DRIVE TRAIN, GEARCASE, CARRIER MTG (BUILT 10/15/08 AND BEFORE) - R09VH76 ALL OPTIONS (49RGRTRANS09RZR)
DRIVE TRAIN, GEARCASE, CARRIER MTG (BUILT 10/16/08 AND AFTER) - R09VH76 ALL OPTIONS (49RGRTRANSMTG09RZR)
DRIVE TRAIN, GEARCASE, CARRIER, INTL COMP (BUILT 10/15/08 AND BEFORE) - R09VH76 ALL OPTIONS (49RGRGEARCASERR09RZRB)
DRIVE TRAIN, GEARCASE, CARRIER, INTL COMP (BUILT 10/16/08 AND AFTER) - R09VH76 ALL OPTIONS (49RGRGEARCASERR09RZRA)
DRIVE TRAIN, MAIN GEARCASE INTL COMP 1 (BUILT 10/15/08 AND BEFORE) - R09VH76 ALL OPTIONS (49RGRTRANSINTL09RZRB)
DRIVE TRAIN, MAIN GEARCASE INTL COMP 1 (BUILT 10/16/08 AND AFTER) - R09VH76 ALL OPTIONS (49RGRTRANSINTL09RZR)
DRIVE TRAIN, MAIN GEARCASE INTL COMP 2 (BUILT 10/15/08 AND BEFORE) - R09VH76 ALL OPTIONS (49RGRTRANSINTL209RZRB)
DRIVE TRAIN, MAIN GEARCASE INTL COMP 2 (BUILT 10/16/08 AND AFTER) - R09VH76 ALL OPTIONS (49RGRTRANSINTL209RZR)
DRIVE TRAIN, PRIMARY CLUTCH - R09VH76 ALL OPTIONS (49RGRCLUTCHDRV08VISTA)
DRIVE TRAIN, REAR HALF SHAFT - R09VH76 ALL OPTIONS (49RGRSHAFTDRIVERR1332672)
DRIVE TRAIN, SECONDARY CLUTCH (Built 10/01/08 and After) - R09VH76 ALL OPTIONS (49RGRCLUTCHDVN09RZR)
DRIVE TRAIN, SECONDARY CLUTCH (Built 9/30/08 and Before) - R09VH76 ALL OPTIONS (49ATVCLUTCHDRIVEN08RZR)
ELECTRICAL, BATTERY - R09VH76 ALL OPTIONS (49RGRBATTERY09RZR)
ELECTRICAL, DASH INSTRUMENTS and CONTROLS - R09VH76 ALL OPTIONS (49ATVDASH09RZR)
ELECTRICAL, HEADLIGHTS, TAILLIGHTS and BULBS - R09VH76 ALL OPTIONS (49RGRTAILLAMPS09RZR)
ELECTRICAL, IGNITION - R09VH76 ALL OPTIONS (49RGRIGNITION09RZR)
ELECTRICAL, WIRE HARNESS - R09VH76 ALL OPTIONS (49RGRHARNESS09RZR)
ENGINE, AIR INTAKE SYSTEM - R09VH76 ALL OPTIONS (49RGRAIRBOX09RZR)
ENGINE, COOLING SYSTEM - R09VH76 ALL OPTIONS (49RGRCOOL09RZR)
ENGINE, CRANKCASE and CRANKSHAFT - R09VH76 ALL OPTIONS (49ATVCRANKCASE08VISTA)
ENGINE, CYLINDER HEAD and VALVES - R09VH76 ALL OPTIONS (49ATVVALVE08VISTA)
ENGINE, DIPSTICK and OIL FILTER - R09VH76 ALL OPTIONS (49ATVDIPSTICK08VISTA)
ENGINE, EXHAUST SYSTEM - R09VH76 ALL OPTIONS (49RGREXHAUST09RZR)
ENGINE, FUEL INJECTOR - R09VH76 ALL OPTIONS (49RGRFUELINJECT097004X4)
ENGINE, OIL PUMP and WATER PUMP - R09VH76 ALL OPTIONS (49ATVOILPUMP08VISTA)
ENGINE, PISTON and CYLINDER - R09VH76 ALL OPTIONS (49ATVCYLINDER08VISTA)
ENGINE, STARTING MOTOR - R09VH76 ALL OPTIONS (49ATVSTARTER08VISTA)
ENGINE, STATOR and FLYWHEEL - R09VH76 ALL OPTIONS (49ATVMAGNETO08VISTA)
ENGINE, THERMOSTAT - R09VH76 ALL OPTIONS (49ATVMANIFOLD08VISTA)
ENGINE, THROTTLE BODY and VALVE COVER - R09VH76 ALL OPTIONS (49RGRTHROTTLEBODY08VISTA)
ENGINE, THROTTLE PEDAL - R09VH76 ALL OPTIONS (49RGRTHROTTLEPEDAL09RZR)
ENGINE, TRANSMISSION MOUNTING - R09VH76 ALL OPTIONS (49RGRENGINEMTG09RZR)
REFERENCES, TOOL KIT and OWNERS MANUAL - R09VH76 ALL OPTIONS (49RGRTOOL09RZR)
STEERING, STEERING ASM. - R09VH76 ALL OPTIONS (49RGRSTEERING09RZR)
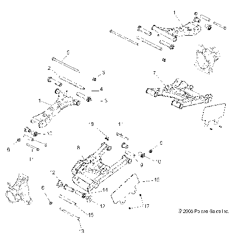
SUSPENSION, FRONT CONTROL ARMS - R09VH76 ALL OPTIONS (49RGRSUSPFRT09RZR)
SUSPENSION, FRONT SHOCK - R09VH76 ALL OPTIONS (49RGRSHOCKMTG08VISTA)
SUSPENSION, REAR CONTROL ARMS - R09VH76 ALL OPTIONS (49RGRSUSPRR09RZR)
SUSPENSION, REAR SHOCK - R09VH76 ALL OPTIONS (49RGRSHOCKMTGRR09RZR)
SUSPENSION, STABILIZER BAR, FRONT - R09VH76 ALL OPTIONS (49RGRSTABILIZERFRT09RZR)
SUSPENSION, STABILIZER BAR, REAR - R09VH76 ALL OPTIONS (49RGRSTABILIZERRR08VISTA)
WHEELS, FRONT - R09VH76 ALL OPTIONS (49RGRWHEELFRT09RZR)
WHEELS, REAR - R09VH76 ALL OPTIONS (49ATVWHEELREAR09RZR)
BODY, DECALS - R09VH76 ALL OPTIONS (49RGRDECAL09RZR)
BODY, FLOOR and ROCKER PANELS - R09VH76 ALL OPTIONS (49RGRFLOOR09RZR)
BODY, FRONT BUMPER - R09VH76 ALL OPTIONS (49RGRBUMPER09RZRI)
BODY, FUEL TANK - R09VH76 ALL OPTIONS (49RGRFUEL09RZR)
BODY, GRAB BAR, PASSENGER - R09VH76 ALL OPTIONS (49RGRGRABBAR08VISTA)
BODY, HOOD and FRONT BODY WORK - R09VH76 ALL OPTIONS (49RGRHOOD09RZR)
BODY, REAR BUMPER - R09VH76 ALL OPTIONS (49RGRBUMPERRR09RZR)
BODY, REAR RACK and FENDERS - R09VH76 ALL OPTIONS (49RGRRACKMTG09RZR)
BODY, SEAT ASM. - R09VH76 ALL OPTIONS (49RGRSEAT08VISTA)
BODY, SEAT MOUNTING and BELTS - R09VH76 ALL OPTIONS (49RGRSEATMTG09RZR)
BODY, SIDE NETS - R09VH76 ALL OPTIONS (49RGRNETS09RZR)
BRAKES, BRAKE LINES and MASTER CYLINDER - R09VH76 ALL OPTIONS (49RGRBRAKELINES08VISTA)
BRAKES, CALIPER MOUNTING - R09VH76 ALL OPTIONS (49ATVCALIPERMTG08VISTA)
BRAKES, FRONT CALIPER - R09VH76 ALL OPTIONS (49RGRCALIPER08VISTA)
BRAKES, PEDAL and MASTER CYLINDER - R09VH76 ALL OPTIONS (49RGRBRAKEFOOT08VISTA)
BRAKES, REAR CALIPER - R09VH76 ALL OPTIONS (4999204069920406B10)
CHASSIS, CAB FRAME and SIDE BARS - R09VH76 ALL OPTIONS (49RGRCAB09RZR)
CHASSIS, MAIN FRAME and SKID PLATE - R09VH76 ALL OPTIONS (49RGRFRAME09RZR)
DRIVE TRAIN, CLUTCH COVER and DUCTING - R09VH76 ALL OPTIONS (49RGRCLUTCHCVR08VISTA)
DRIVE TRAIN, FRONT GEARCASE - R09VH76 ALL OPTIONS (49RGRGEARCASEMTG08VISTA)
DRIVE TRAIN, FRONT GEARCASE INTERNAL COMPONENTS - R09VH76 ALL OPTIONS (49RGRTRANSINTL08RZR)
DRIVE TRAIN, FRONT HALF SHAFT - R09VH76 ALL OPTIONS (49ATVSHAFTDRIVE08VISTA)
DRIVE TRAIN, FRONT PROP SHAFT - R09VH76 ALL OPTIONS (49RGRSHAFTPROP09RZR)
DRIVE TRAIN, GEAR SELECTOR - R09VH76 ALL OPTIONS (49ATVGEARSELECT08VISTA)
DRIVE TRAIN, GEARCASE, CARRIER MTG (BUILT 10/15/08 AND BEFORE) - R09VH76 ALL OPTIONS (49RGRTRANS09RZR)
DRIVE TRAIN, GEARCASE, CARRIER MTG (BUILT 10/16/08 AND AFTER) - R09VH76 ALL OPTIONS (49RGRTRANSMTG09RZR)
DRIVE TRAIN, GEARCASE, CARRIER, INTL COMP (BUILT 10/15/08 AND BEFORE) - R09VH76 ALL OPTIONS (49RGRGEARCASERR09RZRB)
DRIVE TRAIN, GEARCASE, CARRIER, INTL COMP (BUILT 10/16/08 AND AFTER) - R09VH76 ALL OPTIONS (49RGRGEARCASERR09RZRA)
DRIVE TRAIN, MAIN GEARCASE INTL COMP 1 (BUILT 10/15/08 AND BEFORE) - R09VH76 ALL OPTIONS (49RGRTRANSINTL09RZRB)
DRIVE TRAIN, MAIN GEARCASE INTL COMP 1 (BUILT 10/16/08 AND AFTER) - R09VH76 ALL OPTIONS (49RGRTRANSINTL09RZR)
DRIVE TRAIN, MAIN GEARCASE INTL COMP 2 (BUILT 10/15/08 AND BEFORE) - R09VH76 ALL OPTIONS (49RGRTRANSINTL209RZRB)
DRIVE TRAIN, MAIN GEARCASE INTL COMP 2 (BUILT 10/16/08 AND AFTER) - R09VH76 ALL OPTIONS (49RGRTRANSINTL209RZR)
DRIVE TRAIN, PRIMARY CLUTCH - R09VH76 ALL OPTIONS (49RGRCLUTCHDRV08VISTA)
DRIVE TRAIN, REAR HALF SHAFT - R09VH76 ALL OPTIONS (49RGRSHAFTDRIVERR1332672)
DRIVE TRAIN, SECONDARY CLUTCH (Built 10/01/08 and After) - R09VH76 ALL OPTIONS (49RGRCLUTCHDVN09RZR)
DRIVE TRAIN, SECONDARY CLUTCH (Built 9/30/08 and Before) - R09VH76 ALL OPTIONS (49ATVCLUTCHDRIVEN08RZR)
ELECTRICAL, BATTERY - R09VH76 ALL OPTIONS (49RGRBATTERY09RZR)
ELECTRICAL, DASH INSTRUMENTS and CONTROLS - R09VH76 ALL OPTIONS (49ATVDASH09RZR)
ELECTRICAL, HEADLIGHTS, TAILLIGHTS and BULBS - R09VH76 ALL OPTIONS (49RGRTAILLAMPS09RZR)
ELECTRICAL, IGNITION - R09VH76 ALL OPTIONS (49RGRIGNITION09RZR)
ELECTRICAL, WIRE HARNESS - R09VH76 ALL OPTIONS (49RGRHARNESS09RZR)
ENGINE, AIR INTAKE SYSTEM - R09VH76 ALL OPTIONS (49RGRAIRBOX09RZR)
ENGINE, COOLING SYSTEM - R09VH76 ALL OPTIONS (49RGRCOOL09RZR)
ENGINE, CRANKCASE and CRANKSHAFT - R09VH76 ALL OPTIONS (49ATVCRANKCASE08VISTA)
ENGINE, CYLINDER HEAD and VALVES - R09VH76 ALL OPTIONS (49ATVVALVE08VISTA)
ENGINE, DIPSTICK and OIL FILTER - R09VH76 ALL OPTIONS (49ATVDIPSTICK08VISTA)
ENGINE, EXHAUST SYSTEM - R09VH76 ALL OPTIONS (49RGREXHAUST09RZR)
ENGINE, FUEL INJECTOR - R09VH76 ALL OPTIONS (49RGRFUELINJECT097004X4)
ENGINE, OIL PUMP and WATER PUMP - R09VH76 ALL OPTIONS (49ATVOILPUMP08VISTA)
ENGINE, PISTON and CYLINDER - R09VH76 ALL OPTIONS (49ATVCYLINDER08VISTA)
ENGINE, STARTING MOTOR - R09VH76 ALL OPTIONS (49ATVSTARTER08VISTA)
ENGINE, STATOR and FLYWHEEL - R09VH76 ALL OPTIONS (49ATVMAGNETO08VISTA)
ENGINE, THERMOSTAT - R09VH76 ALL OPTIONS (49ATVMANIFOLD08VISTA)
ENGINE, THROTTLE BODY and VALVE COVER - R09VH76 ALL OPTIONS (49RGRTHROTTLEBODY08VISTA)
ENGINE, THROTTLE PEDAL - R09VH76 ALL OPTIONS (49RGRTHROTTLEPEDAL09RZR)
ENGINE, TRANSMISSION MOUNTING - R09VH76 ALL OPTIONS (49RGRENGINEMTG09RZR)
REFERENCES, TOOL KIT and OWNERS MANUAL - R09VH76 ALL OPTIONS (49RGRTOOL09RZR)
STEERING, STEERING ASM. - R09VH76 ALL OPTIONS (49RGRSTEERING09RZR)
SUSPENSION, FRONT CONTROL ARMS - R09VH76 ALL OPTIONS (49RGRSUSPFRT09RZR)
SUSPENSION, FRONT SHOCK - R09VH76 ALL OPTIONS (49RGRSHOCKMTG08VISTA)
SUSPENSION, REAR CONTROL ARMS - R09VH76 ALL OPTIONS (49RGRSUSPRR09RZR)
SUSPENSION, REAR SHOCK - R09VH76 ALL OPTIONS (49RGRSHOCKMTGRR09RZR)
SUSPENSION, STABILIZER BAR, FRONT - R09VH76 ALL OPTIONS (49RGRSTABILIZERFRT09RZR)
SUSPENSION, STABILIZER BAR, REAR - R09VH76 ALL OPTIONS (49RGRSTABILIZERRR08VISTA)
WHEELS, FRONT - R09VH76 ALL OPTIONS (49RGRWHEELFRT09RZR)
WHEELS, REAR - R09VH76 ALL OPTIONS (49ATVWHEELREAR09RZR)
View Cart
VIEW WISH LIST