Polaris
Browse New Models
Shop In-Stock
Can-Am
Browse New Models
Shop In-Stock
Ski-Doo
Browse New Models
Shop In-Stock
Sea-Doo
Browse New Models
Shop In-Stock
Kayo
Browse New Models
Shop In-Stock
Manitou
Browse New Models
Shop In-Stock
Our
Location
Call
Us
Contact
Us
Toggle navigation
Home
Brands
Showroom
Manufacturer Models
OEM Promotions
Polaris Off-Road
Polaris Snowmobiles
Can-Am
Sea-Doo
Ski-Doo
Kayo
Yamaha Marine
Triton Trailers
Manitou
Nitro Trailers
CAM Superline
Durabull Trailers
Trifecta Pontoons
Inventory
All Inventory In Stock
New Inventory In Stock
Pre-Owned Inventory
Value Your Trade-In
Request a Model
Financing
Parts
Parts Department
OEM Parts Finder
Service
Service Department
Request Polaris Service
Warranty & Recall Look-Up
Financing
About
Our Dealership
Our Team
Reviews
Customer Survey
Newsletter Sign-Up
Employment
Events
Location & Hours
Contact
Call Us
Fort Kent, ME
Fiche | Parts Diagrams
2009 Polaris Utility Vehicles
Home
›
Parts
›
OEM Parts Finder
Search by :
Part / Desc
VIN
Please Select
Can-Am
LYNX
Polaris
Sea-Doo
Ski-Doo
Yamaha
*Please enter at least 3 characters
SEARCH
Manufacturer
Polaris
Utility Vehicles
2009
RZR "S" 800 EFI INTL (R09VH76FX)
View Cart
VIEW WISH LIST
Select a Section
Show/Hide
BODY, DECALS - R09VH76FX (49RGRDECAL09RZRI)
BODY, FLOOR and ROCKER PANELS - R09VH76FX (49RGRFLOOR09RZR)
BODY, FRONT BUMPER - R09VH76FX (49RGRBUMPER09RZRI)
BODY, FUEL TANK - R09VH76FX (49RGRFUEL09RZRI)
BODY, GRAB BAR, PASSENGER - R09VH76FX (49RGRGRABBAR08VISTA)
BODY, HOOD and FRONT BODY WORK - R09VH76FX (49RGRHOOD09RZRI)
BODY, REAR BUMPER - R09VH76FX (49RGRBUMPERRR09RZRI)
BODY, REAR RACK and FENDERS - R09VH76FX (49RGRRACKMTG09RZRS)
BODY, SEAT ASM. - R09VH76FX (49RGRSEAT08VISTA)
BODY, SEAT MOUNTING and BELTS - R09VH76FX (49RGRSEATMTG09RZR)
BODY, SIDE NETS - R09VH76FX (49RGRNETS09RZR)
BRAKES, BRAKE LINES and MASTER CYLINDER - R09VH76FX (49RGRBRAKELINES09RZRI)
BRAKES, CALIPER MOUNTING - R09VH76FX (49ATVCALIPERMTG08VISTA)
BRAKES, FRONT CALIPER - R09VH76FX (49RGRCALIPER08VISTA)
BRAKES, PEDAL and MASTER CYLINDER - R09VH76FX (49RGRBRAKEFOOT08VISTA)
BRAKES, REAR CALIPER - R09VH76FX (4999204069920406B10)
CHASSIS, CAB FRAME and SIDE BARS - R09VH76FX (49RGRCAB09RZRS)
CHASSIS, MAIN FRAME and SKID PLATE - R09VH76FX (49RGRFRAME09RZR)
DRIVE TRAIN, CLUTCH COVER and DUCTING - R09VH76FX (49RGRCLUTCHCVR08VISTA)
DRIVE TRAIN, FRONT GEARCASE - R09VH76FX (49RGRGEARCASEMTG08VISTA)
DRIVE TRAIN, FRONT GEARCASE INTERNAL COMPONENTS - R09VH76FX (49RGRTRANSINTL08RZR)
DRIVE TRAIN, FRONT HALF SHAFT - R09VH76FX (49RGRSHAFTDRV09RZRS)
DRIVE TRAIN, FRONT PROP SHAFT - R09VH76FX (49RGRSHAFTPROP09RZRS)
DRIVE TRAIN, GEAR SELECTOR - R09VH76FX (49ATVGEARSELECT08VISTA)
DRIVE TRAIN, GEARCASE, DIFFERENTIAL MOUNTING - R09VH76FX (49RGRTRANSMTG09RZRI)
DRIVE TRAIN, GEARCASE, DIFFERENTIAL, INTERNAL COMPONENTS - R09VH76FX (49RGRGEARCASERR09RZRI)
DRIVE TRAIN, MAIN GEARCASE INTERNAL COMPONENTS 1 - R09VH76FX (49RGRTRANSINTL09RZRI)
DRIVE TRAIN, MAIN GEARCASE INTERNAL COMPONENTS 2 - R09VH76FX (49RGRTRANSINTL209RZRI)
DRIVE TRAIN, PRIMARY CLUTCH - R09VH76FX (49ATVCLUTCH08SP800EFI)
DRIVE TRAIN, REAR HALF SHAFT, LH - R09VH76FX (49RGRSHAFTDRIVERR09RZRS)
DRIVE TRAIN, REAR HALF SHAFT, RH - R09VH76FX (49RGRSHAFTDRIVERR09RZRSI)
DRIVE TRAIN, SECONDARY CLUTCH - R09VH76FX (49ATVCLUTCHDRIVEN08RZR)
ELECTRICAL, BATTERY - R09VH76FX (49RGRBATTERY09RZR)
ELECTRICAL, DASH INSTRUMENTS and CONTROLS - R09VH76FX (49ATVDASH09RZRI)
ELECTRICAL, HEADLIGHTS, TAILLIGHTS and BULBS - R09VH76FX (49RGRTAILLAMPS09RZRI)
ELECTRICAL, IGNITION - R09VH76FX (49RGRIGNITION09RZR)
ELECTRICAL, TURN SIGNALS, HORN and MIRRORS - R09VH76FX (49RGRTURNSIG09RZRI)
ELECTRICAL, WIRE HARNESS - R09VH76FX (49RGRHARNESS09RZRI)
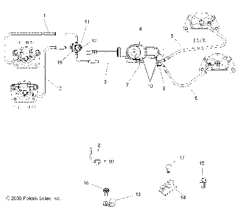
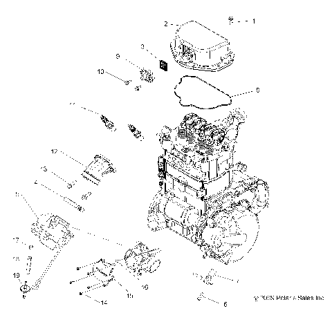
ENGINE, AIR INTAKE SYSTEM - R09VH76FX (49RGRAIRBOX09RZR)
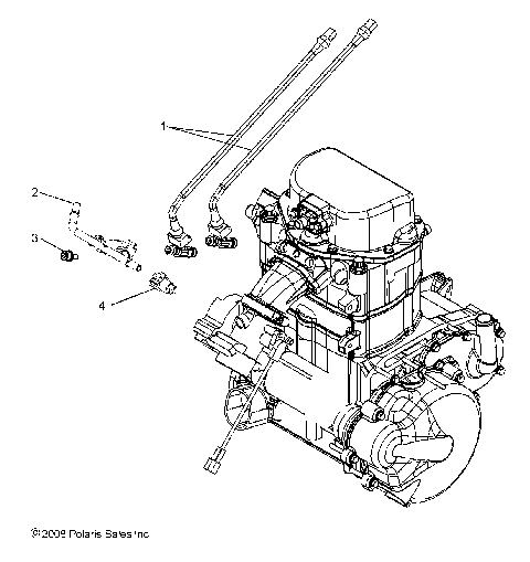
ENGINE, COOLING SYSTEM - R09VH76FX (49RGRCOOL09RZRI)
ENGINE, CRANKCASE and CRANKSHAFT - R09VH76FX (49ATVCRANKCASE08VISTA)
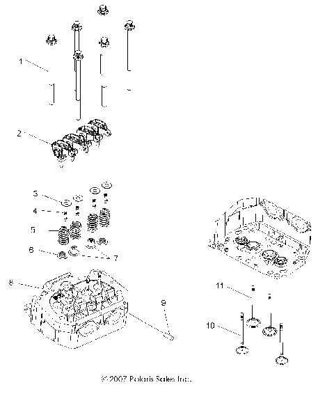
ENGINE, CYLINDER HEAD and VALVES - R09VH76FX (49ATVVALVE08VISTA)
ENGINE, DIPSTICK and OIL FILTER - R09VH76FX (49ATVDIPSTICK08VISTA)
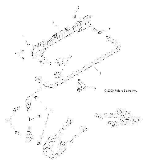
ENGINE, EXHAUST SYSTEM - R09VH76FX (49RGREXHAUST09RZRS)
ENGINE, FUEL INJECTOR - R09VH76FX (49RGRFUELINJECT097004X4)
ENGINE, OIL PUMP and WATER PUMP - R09VH76FX (49ATVOILPUMP08VISTA)
ENGINE, PISTON and CYLINDER - R09VH76FX (49ATVCYLINDER08VISTA)
ENGINE, STARTING MOTOR - R09VH76FX (49ATVSTARTER08VISTA)
ENGINE, STATOR and FLYWHEEL - R09VH76FX (49ATVMAGNETO08VISTA)
ENGINE, THERMOSTAT - R09VH76FX (49ATVMANIFOLD08VISTA)
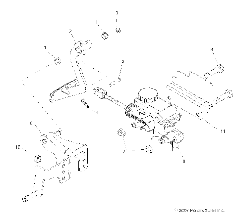
ENGINE, THROTTLE BODY and VALVE COVER - R09VH76FX (49RGRTHROTTLEBODY08VISTA)
ENGINE, THROTTLE PEDAL - R09VH76FX (49RGRTHROTTLEPEDAL09RZR)
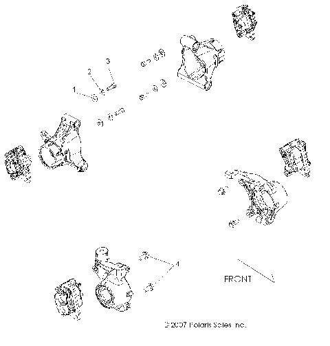
ENGINE, TRANSMISSION MOUNTING - R09VH76FX (49RGRENGINEMTG09RZR)
REFERENCES, TOOL KIT and OWNERS MANUAL - R09VH76FX (49RGRTOOL09RZRI)
STEERING, STEERING ASM. - R09VH76FX (49RGRSTEERING09RZRI)
SUSPENSION, FRONT CONTROL ARMS - R09VH76FX (49RGRSUSPFRT09RZRS)
SUSPENSION, FRONT SHOCK - R09VH76FX (49RGRSHOCKFRT7043422)
SUSPENSION, FRONT SHOCK MOUNTING - R09VH76FX (49RGRSHOCKMTG09RZRI)
SUSPENSION, REAR CONTROL ARMS - R09VH76FX (49RGRSUSPRR09RZRS)
SUSPENSION, REAR SHOCK - R09VH76FX (49RGRSHOCKMTGRR09RZRSI)
SUSPENSION, STABILIZER BAR, FRONT - R09VH76FX (49RGRSTABILIZERFRT09RZRI)
SUSPENSION, STABILIZER BAR, REAR - R09VH76FX (49RGRSTABILIZERRR09RZRS)
WHEELS, FRONT - R09VH76FX (49RGRWHEELFRT09RZRS)
WHEELS, REAR - R09VH76FX (49ATVWHEELREAR09RZRS)
BODY, DECALS - R09VH76FX (49RGRDECAL09RZRI)
BODY, FLOOR and ROCKER PANELS - R09VH76FX (49RGRFLOOR09RZR)
BODY, FRONT BUMPER - R09VH76FX (49RGRBUMPER09RZRI)
BODY, FUEL TANK - R09VH76FX (49RGRFUEL09RZRI)
BODY, GRAB BAR, PASSENGER - R09VH76FX (49RGRGRABBAR08VISTA)
BODY, HOOD and FRONT BODY WORK - R09VH76FX (49RGRHOOD09RZRI)
BODY, REAR BUMPER - R09VH76FX (49RGRBUMPERRR09RZRI)
BODY, REAR RACK and FENDERS - R09VH76FX (49RGRRACKMTG09RZRS)
BODY, SEAT ASM. - R09VH76FX (49RGRSEAT08VISTA)
BODY, SEAT MOUNTING and BELTS - R09VH76FX (49RGRSEATMTG09RZR)
BODY, SIDE NETS - R09VH76FX (49RGRNETS09RZR)
BRAKES, BRAKE LINES and MASTER CYLINDER - R09VH76FX (49RGRBRAKELINES09RZRI)
BRAKES, CALIPER MOUNTING - R09VH76FX (49ATVCALIPERMTG08VISTA)
BRAKES, FRONT CALIPER - R09VH76FX (49RGRCALIPER08VISTA)
BRAKES, PEDAL and MASTER CYLINDER - R09VH76FX (49RGRBRAKEFOOT08VISTA)
BRAKES, REAR CALIPER - R09VH76FX (4999204069920406B10)
CHASSIS, CAB FRAME and SIDE BARS - R09VH76FX (49RGRCAB09RZRS)
CHASSIS, MAIN FRAME and SKID PLATE - R09VH76FX (49RGRFRAME09RZR)
DRIVE TRAIN, CLUTCH COVER and DUCTING - R09VH76FX (49RGRCLUTCHCVR08VISTA)
DRIVE TRAIN, FRONT GEARCASE - R09VH76FX (49RGRGEARCASEMTG08VISTA)
DRIVE TRAIN, FRONT GEARCASE INTERNAL COMPONENTS - R09VH76FX (49RGRTRANSINTL08RZR)
DRIVE TRAIN, FRONT HALF SHAFT - R09VH76FX (49RGRSHAFTDRV09RZRS)
DRIVE TRAIN, FRONT PROP SHAFT - R09VH76FX (49RGRSHAFTPROP09RZRS)
DRIVE TRAIN, GEAR SELECTOR - R09VH76FX (49ATVGEARSELECT08VISTA)
DRIVE TRAIN, GEARCASE, DIFFERENTIAL MOUNTING - R09VH76FX (49RGRTRANSMTG09RZRI)
DRIVE TRAIN, GEARCASE, DIFFERENTIAL, INTERNAL COMPONENTS - R09VH76FX (49RGRGEARCASERR09RZRI)
DRIVE TRAIN, MAIN GEARCASE INTERNAL COMPONENTS 1 - R09VH76FX (49RGRTRANSINTL09RZRI)
DRIVE TRAIN, MAIN GEARCASE INTERNAL COMPONENTS 2 - R09VH76FX (49RGRTRANSINTL209RZRI)
DRIVE TRAIN, PRIMARY CLUTCH - R09VH76FX (49ATVCLUTCH08SP800EFI)
DRIVE TRAIN, REAR HALF SHAFT, LH - R09VH76FX (49RGRSHAFTDRIVERR09RZRS)
DRIVE TRAIN, REAR HALF SHAFT, RH - R09VH76FX (49RGRSHAFTDRIVERR09RZRSI)
DRIVE TRAIN, SECONDARY CLUTCH - R09VH76FX (49ATVCLUTCHDRIVEN08RZR)
ELECTRICAL, BATTERY - R09VH76FX (49RGRBATTERY09RZR)
ELECTRICAL, DASH INSTRUMENTS and CONTROLS - R09VH76FX (49ATVDASH09RZRI)
ELECTRICAL, HEADLIGHTS, TAILLIGHTS and BULBS - R09VH76FX (49RGRTAILLAMPS09RZRI)
ELECTRICAL, IGNITION - R09VH76FX (49RGRIGNITION09RZR)
ELECTRICAL, TURN SIGNALS, HORN and MIRRORS - R09VH76FX (49RGRTURNSIG09RZRI)
ELECTRICAL, WIRE HARNESS - R09VH76FX (49RGRHARNESS09RZRI)
ENGINE, AIR INTAKE SYSTEM - R09VH76FX (49RGRAIRBOX09RZR)
ENGINE, COOLING SYSTEM - R09VH76FX (49RGRCOOL09RZRI)
ENGINE, CRANKCASE and CRANKSHAFT - R09VH76FX (49ATVCRANKCASE08VISTA)
ENGINE, CYLINDER HEAD and VALVES - R09VH76FX (49ATVVALVE08VISTA)
ENGINE, DIPSTICK and OIL FILTER - R09VH76FX (49ATVDIPSTICK08VISTA)
ENGINE, EXHAUST SYSTEM - R09VH76FX (49RGREXHAUST09RZRS)
ENGINE, FUEL INJECTOR - R09VH76FX (49RGRFUELINJECT097004X4)
ENGINE, OIL PUMP and WATER PUMP - R09VH76FX (49ATVOILPUMP08VISTA)
ENGINE, PISTON and CYLINDER - R09VH76FX (49ATVCYLINDER08VISTA)
ENGINE, STARTING MOTOR - R09VH76FX (49ATVSTARTER08VISTA)
ENGINE, STATOR and FLYWHEEL - R09VH76FX (49ATVMAGNETO08VISTA)
ENGINE, THERMOSTAT - R09VH76FX (49ATVMANIFOLD08VISTA)
ENGINE, THROTTLE BODY and VALVE COVER - R09VH76FX (49RGRTHROTTLEBODY08VISTA)
ENGINE, THROTTLE PEDAL - R09VH76FX (49RGRTHROTTLEPEDAL09RZR)
ENGINE, TRANSMISSION MOUNTING - R09VH76FX (49RGRENGINEMTG09RZR)
REFERENCES, TOOL KIT and OWNERS MANUAL - R09VH76FX (49RGRTOOL09RZRI)
STEERING, STEERING ASM. - R09VH76FX (49RGRSTEERING09RZRI)
SUSPENSION, FRONT CONTROL ARMS - R09VH76FX (49RGRSUSPFRT09RZRS)
SUSPENSION, FRONT SHOCK - R09VH76FX (49RGRSHOCKFRT7043422)
SUSPENSION, FRONT SHOCK MOUNTING - R09VH76FX (49RGRSHOCKMTG09RZRI)
SUSPENSION, REAR CONTROL ARMS - R09VH76FX (49RGRSUSPRR09RZRS)
SUSPENSION, REAR SHOCK - R09VH76FX (49RGRSHOCKMTGRR09RZRSI)
SUSPENSION, STABILIZER BAR, FRONT - R09VH76FX (49RGRSTABILIZERFRT09RZRI)
SUSPENSION, STABILIZER BAR, REAR - R09VH76FX (49RGRSTABILIZERRR09RZRS)
WHEELS, FRONT - R09VH76FX (49RGRWHEELFRT09RZRS)
WHEELS, REAR - R09VH76FX (49ATVWHEELREAR09RZRS)
View Cart
VIEW WISH LIST