Polaris
Browse New Models
Shop In-Stock
Can-Am
Browse New Models
Shop In-Stock
Ski-Doo
Browse New Models
Shop In-Stock
Sea-Doo
Browse New Models
Shop In-Stock
Kayo
Browse New Models
Shop In-Stock
Manitou
Browse New Models
Shop In-Stock
Our
Location
Call
Us
Contact
Us
Toggle navigation
Home
Brands
Showroom
Manufacturer Models
OEM Promotions
Polaris Off-Road
Polaris Snowmobiles
Can-Am
Sea-Doo
Ski-Doo
Kayo
Yamaha Marine
Triton Trailers
Manitou
Nitro Trailers
CAM Superline
Durabull Trailers
Trifecta Pontoons
Inventory
All Inventory In Stock
New Inventory In Stock
Pre-Owned Inventory
Value Your Trade-In
Request a Model
Financing
Parts
Parts Department
OEM Parts Finder
Service
Service Department
Request Polaris Service
Warranty & Recall Look-Up
Financing
About
Our Dealership
Our Team
Reviews
Customer Survey
Newsletter Sign-Up
Employment
Events
Location & Hours
Contact
Call Us
Fort Kent, ME
Fiche | Parts Diagrams
2010 Polaris Utility Vehicles
Home
›
Parts
›
OEM Parts Finder
Search by :
Part / Desc
VIN
Please Select
Can-Am
LYNX
Polaris
Sea-Doo
Ski-Doo
Yamaha
*Please enter at least 3 characters
SEARCH
Manufacturer
Polaris
Utility Vehicles
2010
RANGER 4X4 800 EFI ALL OPTIONS (R10TH76/TY76)
View Cart
VIEW WISH LIST
Select a Section
Show/Hide
BODY, BOX ASM. - R10TH76/TY76 ALL OPTIONS (49RGRBOX108004X4)
BODY, BOX MOUNTING - R10TH76/TY76 ALL OPTIONS (49RGRBOXMOUNTING108004X4)
BODY, DECALS - R10TH76/TY76 ALL OPTIONS (49RGRDECAL108004X4)
BODY, FLOOR and FENDERS - R10TH76/TY76 ALL OPTIONS (49RGRMOLDINGS108004X4)
BODY, FUEL TANK ASM. - R10TH76/TY76 ALL OPTIONS (49RGRFUEL108004X4)
BODY, GLOVE BOX STORAGE - R10TH76/TY76 ALL OPTIONS (49RGRGLOVEBOX108004X4)
BODY, HOOD and FRONT FASCIA - R10TH76/TY76 ALL OPTIONS (49RGRLATCH108004X4)
BODY, HOOD LATCH - R10TH76/TY76 ALL OPTIONS (49RGRLATCH10CREW)
BODY, SEAT and BASE - R10TH76/TY76 ALL OPTIONS (49RGRSEAT108004X4)
BODY, TAILGATE ASM. - R10TH76/TY76 ALL OPTIONS (49RGRTAILGATE095004X4)
BRAKES, FRONT CALIPER - R10TH76/TY76 ALL OPTIONS (49RGRCALIPER097004X4)
BRAKES, LINES and MASTER CYLINDER - R10TH76/TY76 ALL OPTIONS (49RGRBRAKELINES108004X4)
BRAKES, PARK BRAKE ASM. - R10TH76/TY76 ALL OPTIONS (49RGRBRAKEPARK10800)
BRAKES, PEDAL and MASTER CYLINDER MOUNTING - R10TH76/TY76 ALL OPTIONS (49RGRBRAKEFOOT097004X4)
BRAKES, REAR CALIPER - R10TH76/TY76 ALL OPTIONS (49RGRCALIPERRR097004X4)
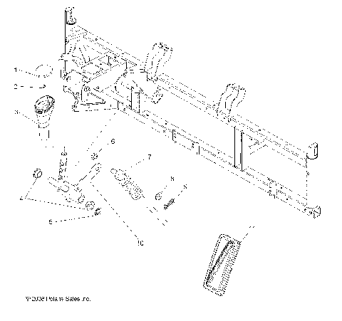
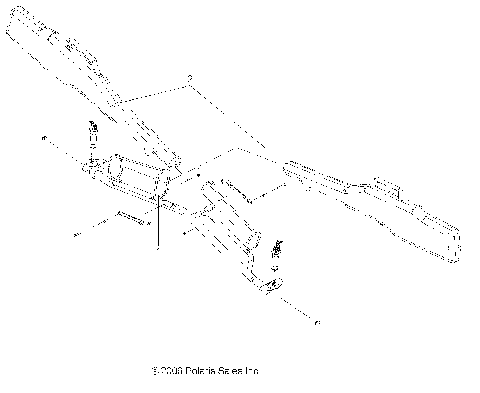
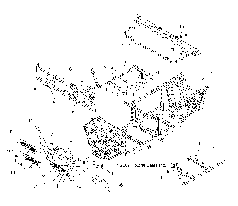
CHASSIS, CAB FRAME - R10TH76/TY76 ALL OPTIONS (49RGRFRAME108004X4)
CHASSIS, FRAME and FRONT BUMPER - R10TH76/TY76 ALL OPTIONS (49RGRCHASSIS108004X4)
DRIVE TRAIN, CLUTCH COVER - R10TH76/TY76 ALL OPTIONS (49RGRCLUTCHCVR10800EFI)
DRIVE TRAIN, FRONT GEARCASE - R10TH76/TY76 ALL OPTIONS (49RGRTRANS097004X4)
DRIVE TRAIN, FRONT GEARCASE INTERNALS (Built 3/04/10 and Before) - R10TH76/TY76 ALL OPTIONS (49RGRTRANSINTL108004X4)
DRIVE TRAIN, FRONT GEARCASE INTERNALS (Built 3/05/10 and After) - R10TH76/TY76 ALL OPTIONS (49RGRTRANSINTL1332773)
DRIVE TRAIN, FRONT HALF SHAFT - R10TH76/TY76 ALL OPTIONS (49RGRSHAFTDRV097004X4)
DRIVE TRAIN, FRONT PROP SHAFT - R10TH76/TY76 ALL OPTIONS (49RGRSHAFTPROP108004X4)
DRIVE TRAIN, GEAR SELECTOR - R10TH76/TY76 ALL OPTIONS (49RGRGEARSELECT097004X4)
DRIVE TRAIN, MAIN GEARCASE - R10TH76/TY76 ALL OPTIONS (49RGRGEARCASE108004X4)
DRIVE TRAIN, MAIN GEARCASE INTERNAL - R10TH76/TY76 ALL OPTIONS (49RGRTRANS1332812)
DRIVE TRAIN, MAIN GEARCASE MOUNTING - R10TH76/TY76 ALL OPTIONS (49RGRGEARCASEMTG108004X4)
DRIVE TRAIN, PRIMARY CLUTCH - R10TH76/TY76 ALL OPTIONS (49RGRCLUTCHDRV108004X4)
DRIVE TRAIN, REAR DRIVE SHAFT - R10TH76/TY76 ALL OPTIONS (49RGRSHAFTDRIVERR10CREW)
DRIVE TRAIN, SECONDARY CLUTCH - R10TH76/TY76 ALL OPTIONS (49RGRCLUTCHDVN086X6)
ELECTRICAL, BATTERY - R10TH76/TY76 ALL OPTIONS (49RGRBATTERY108004X4)
ELECTRICAL, DASH INSTRUMENTS and CONTROLS - R10TH76/TY76 ALL OPTIONS (49RGRDASH097004X4)
ELECTRICAL, HEADLIGHTS, TAILLIGHTS and BULBS - R10TH76/TY76 ALL OPTIONS (49RGRTAILLAMPS097004X4)
ELECTRICAL, IGNITION SYSTEM - R10TH76/TY76 ALL OPTIONS (49RGRIGNITION108004X4)
ELECTRICAL, REGULATOR, RELAYS, SENSORS and ECU - R10TH76/TY76 ALL OPTIONS (49RGRELECT097004X4)
ELECTRICAL, WIRE HARNESSES - R10TH76AG/AH/AL/AR/AW/AY (49RGRHARNESS108004X4)
ELECTRICAL, WIRE HARNESSES - R10TY76AG/AN/AZ (49RGRHARNESS108004X4EPS)
ENGINE, AIR INTAKE - R10TH76/TY76 ALL OPTIONS (49RGRAIRINTAKE10800)
ENGINE, AIR INTAKE SYSTEM - R10TH76/TY76 ALL OPTIONS (49RGRAIRBOX077006X6)
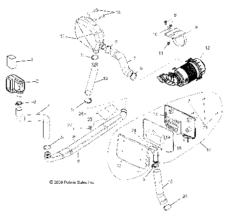
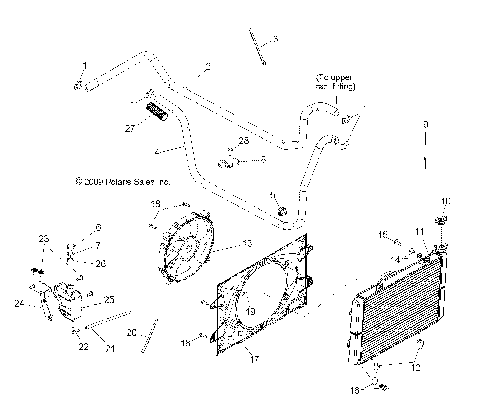
ENGINE, COOLING SYSTEM - R10TH76/TY76 ALL OPTIONS (49RGRCOOL108004X4)
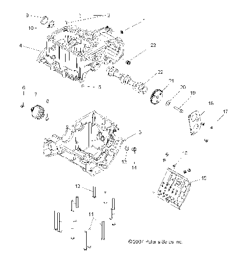
ENGINE, CRANKCASE - R10TH76/TY76 ALL OPTIONS (49RGRCRANKCASE086X6)
ENGINE, CRANKSHAFT - R10TH76/TY76 ALL OPTIONS (4999202259920225D11)
ENGINE, CYLINDER HEAD and VALVES - R10TH76/TY76 ALL OPTIONS (4999202259920225D14)
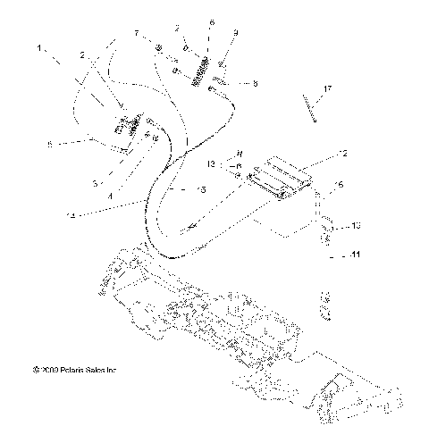
ENGINE, EXHAUST - R10TH76/TY76 ALL OPTIONS (49RGREXHAUST108004X4)
ENGINE, FUEL INJECTOR - R10TH76/TY76 ALL OPTIONS (49RGRFUELINJECT097004X4)
ENGINE, MOUNTING - R10TH76/TY76 ALL OPTIONS (49RGRENGINEMTG108004X4)
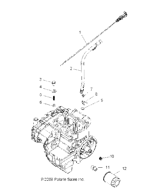
ENGINE, OIL FILTER and DIPSTICK - R10TH76/TY76 ALL OPTIONS (49RGROILFILTER108004X4)
ENGINE, OIL PUMP and WATER PUMP - R10TH76/TY76 ALL OPTIONS (4999202259920225E02)
ENGINE, PISTON and CYLINDER - R10TH76/TY76 ALL OPTIONS (49RGRPISTON077006X6)
ENGINE, STARTING MOTOR - R10TH76/TY76 ALL OPTIONS (49RGRSTARTINGMTR077006X6)
ENGINE, STATOR and FLYWHEEL - R10TH76/TY76 ALL OPTIONS (4999202259920225E04)
ENGINE, THERMOSTAT - R10TH76/TY76 ALL OPTIONS (4999202259920225D09)
ENGINE, THROTTLE BODY and VALVE COVER - R10TH76/TY76 ALL OPTIONS (49RGRTHROTTLEBODY108004X4)
ENGINE, THROTTLE PEDAL - R10TH76/TY76 ALL OPTIONS (49RGRTHROTTLE097004X4)
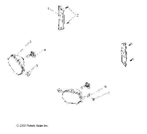
OPTIONS, GUN BOOT - R10TH76AB/AL (49RGRGUNBOOT077004X4)
OPTIONS, WINCH - R10TH76AB/AL (49RGRWINCH108004X4)
REFERENCES, TOOL KIT and OWNERS MANUALS - R10TH76/TY76 ALL OPTIONS (49RGRTOOL097004X4)
STEERING, STEERING ASM. - R10TH76/TY76 ALL OPTIONS (49RGRSTEERING108004X4)
SUSPENSION, FRONT CONTROL ARMS - R10TH76/TY76 ALL OPTIONS (49RGRSUSPFRT108004X4)
SUSPENSION, FRONT SHOCK - R10TH76/TY76 ALL OPTIONS (49RGRSHOCKMTG097004X4)
SUSPENSION, REAR - R10TH76/TY76 ALL OPTIONS (49RGRSUSPRR10800CREW)
SUSPENSION, REAR STABILIZER BAR - R10TH76/TY76 ALL OPTIONS (49RGRSTABILIZERRR108004X4)
WHEELS, FRONT - R10TH76/TY76 ALL OPTIONS (49RGRWHEELFRT108004X4)
WHEELS, REAR - R10TH76/TY76 ALL OPTIONS (49RGRWHEELRR097004X4)
BODY, BOX ASM. - R10TH76/TY76 ALL OPTIONS (49RGRBOX108004X4)
BODY, BOX MOUNTING - R10TH76/TY76 ALL OPTIONS (49RGRBOXMOUNTING108004X4)
BODY, DECALS - R10TH76/TY76 ALL OPTIONS (49RGRDECAL108004X4)
BODY, FLOOR and FENDERS - R10TH76/TY76 ALL OPTIONS (49RGRMOLDINGS108004X4)
BODY, FUEL TANK ASM. - R10TH76/TY76 ALL OPTIONS (49RGRFUEL108004X4)
BODY, GLOVE BOX STORAGE - R10TH76/TY76 ALL OPTIONS (49RGRGLOVEBOX108004X4)
BODY, HOOD and FRONT FASCIA - R10TH76/TY76 ALL OPTIONS (49RGRLATCH108004X4)
BODY, HOOD LATCH - R10TH76/TY76 ALL OPTIONS (49RGRLATCH10CREW)
BODY, SEAT and BASE - R10TH76/TY76 ALL OPTIONS (49RGRSEAT108004X4)
BODY, TAILGATE ASM. - R10TH76/TY76 ALL OPTIONS (49RGRTAILGATE095004X4)
BRAKES, FRONT CALIPER - R10TH76/TY76 ALL OPTIONS (49RGRCALIPER097004X4)
BRAKES, LINES and MASTER CYLINDER - R10TH76/TY76 ALL OPTIONS (49RGRBRAKELINES108004X4)
BRAKES, PARK BRAKE ASM. - R10TH76/TY76 ALL OPTIONS (49RGRBRAKEPARK10800)
BRAKES, PEDAL and MASTER CYLINDER MOUNTING - R10TH76/TY76 ALL OPTIONS (49RGRBRAKEFOOT097004X4)
BRAKES, REAR CALIPER - R10TH76/TY76 ALL OPTIONS (49RGRCALIPERRR097004X4)
CHASSIS, CAB FRAME - R10TH76/TY76 ALL OPTIONS (49RGRFRAME108004X4)
CHASSIS, FRAME and FRONT BUMPER - R10TH76/TY76 ALL OPTIONS (49RGRCHASSIS108004X4)
DRIVE TRAIN, CLUTCH COVER - R10TH76/TY76 ALL OPTIONS (49RGRCLUTCHCVR10800EFI)
DRIVE TRAIN, FRONT GEARCASE - R10TH76/TY76 ALL OPTIONS (49RGRTRANS097004X4)
DRIVE TRAIN, FRONT GEARCASE INTERNALS (Built 3/04/10 and Before) - R10TH76/TY76 ALL OPTIONS (49RGRTRANSINTL108004X4)
DRIVE TRAIN, FRONT GEARCASE INTERNALS (Built 3/05/10 and After) - R10TH76/TY76 ALL OPTIONS (49RGRTRANSINTL1332773)
DRIVE TRAIN, FRONT HALF SHAFT - R10TH76/TY76 ALL OPTIONS (49RGRSHAFTDRV097004X4)
DRIVE TRAIN, FRONT PROP SHAFT - R10TH76/TY76 ALL OPTIONS (49RGRSHAFTPROP108004X4)
DRIVE TRAIN, GEAR SELECTOR - R10TH76/TY76 ALL OPTIONS (49RGRGEARSELECT097004X4)
DRIVE TRAIN, MAIN GEARCASE - R10TH76/TY76 ALL OPTIONS (49RGRGEARCASE108004X4)
DRIVE TRAIN, MAIN GEARCASE INTERNAL - R10TH76/TY76 ALL OPTIONS (49RGRTRANS1332812)
DRIVE TRAIN, MAIN GEARCASE MOUNTING - R10TH76/TY76 ALL OPTIONS (49RGRGEARCASEMTG108004X4)
DRIVE TRAIN, PRIMARY CLUTCH - R10TH76/TY76 ALL OPTIONS (49RGRCLUTCHDRV108004X4)
DRIVE TRAIN, REAR DRIVE SHAFT - R10TH76/TY76 ALL OPTIONS (49RGRSHAFTDRIVERR10CREW)
DRIVE TRAIN, SECONDARY CLUTCH - R10TH76/TY76 ALL OPTIONS (49RGRCLUTCHDVN086X6)
ELECTRICAL, BATTERY - R10TH76/TY76 ALL OPTIONS (49RGRBATTERY108004X4)
ELECTRICAL, DASH INSTRUMENTS and CONTROLS - R10TH76/TY76 ALL OPTIONS (49RGRDASH097004X4)
ELECTRICAL, HEADLIGHTS, TAILLIGHTS and BULBS - R10TH76/TY76 ALL OPTIONS (49RGRTAILLAMPS097004X4)
ELECTRICAL, IGNITION SYSTEM - R10TH76/TY76 ALL OPTIONS (49RGRIGNITION108004X4)
ELECTRICAL, REGULATOR, RELAYS, SENSORS and ECU - R10TH76/TY76 ALL OPTIONS (49RGRELECT097004X4)
ELECTRICAL, WIRE HARNESSES - R10TH76AG/AH/AL/AR/AW/AY (49RGRHARNESS108004X4)
ELECTRICAL, WIRE HARNESSES - R10TY76AG/AN/AZ (49RGRHARNESS108004X4EPS)
ENGINE, AIR INTAKE - R10TH76/TY76 ALL OPTIONS (49RGRAIRINTAKE10800)
ENGINE, AIR INTAKE SYSTEM - R10TH76/TY76 ALL OPTIONS (49RGRAIRBOX077006X6)
ENGINE, COOLING SYSTEM - R10TH76/TY76 ALL OPTIONS (49RGRCOOL108004X4)
ENGINE, CRANKCASE - R10TH76/TY76 ALL OPTIONS (49RGRCRANKCASE086X6)
ENGINE, CRANKSHAFT - R10TH76/TY76 ALL OPTIONS (4999202259920225D11)
ENGINE, CYLINDER HEAD and VALVES - R10TH76/TY76 ALL OPTIONS (4999202259920225D14)
ENGINE, EXHAUST - R10TH76/TY76 ALL OPTIONS (49RGREXHAUST108004X4)
ENGINE, FUEL INJECTOR - R10TH76/TY76 ALL OPTIONS (49RGRFUELINJECT097004X4)
ENGINE, MOUNTING - R10TH76/TY76 ALL OPTIONS (49RGRENGINEMTG108004X4)
ENGINE, OIL FILTER and DIPSTICK - R10TH76/TY76 ALL OPTIONS (49RGROILFILTER108004X4)
ENGINE, OIL PUMP and WATER PUMP - R10TH76/TY76 ALL OPTIONS (4999202259920225E02)
ENGINE, PISTON and CYLINDER - R10TH76/TY76 ALL OPTIONS (49RGRPISTON077006X6)
ENGINE, STARTING MOTOR - R10TH76/TY76 ALL OPTIONS (49RGRSTARTINGMTR077006X6)
ENGINE, STATOR and FLYWHEEL - R10TH76/TY76 ALL OPTIONS (4999202259920225E04)
ENGINE, THERMOSTAT - R10TH76/TY76 ALL OPTIONS (4999202259920225D09)
ENGINE, THROTTLE BODY and VALVE COVER - R10TH76/TY76 ALL OPTIONS (49RGRTHROTTLEBODY108004X4)
ENGINE, THROTTLE PEDAL - R10TH76/TY76 ALL OPTIONS (49RGRTHROTTLE097004X4)
OPTIONS, GUN BOOT - R10TH76AB/AL (49RGRGUNBOOT077004X4)
OPTIONS, WINCH - R10TH76AB/AL (49RGRWINCH108004X4)
REFERENCES, TOOL KIT and OWNERS MANUALS - R10TH76/TY76 ALL OPTIONS (49RGRTOOL097004X4)
STEERING, STEERING ASM. - R10TH76/TY76 ALL OPTIONS (49RGRSTEERING108004X4)
SUSPENSION, FRONT CONTROL ARMS - R10TH76/TY76 ALL OPTIONS (49RGRSUSPFRT108004X4)
SUSPENSION, FRONT SHOCK - R10TH76/TY76 ALL OPTIONS (49RGRSHOCKMTG097004X4)
SUSPENSION, REAR - R10TH76/TY76 ALL OPTIONS (49RGRSUSPRR10800CREW)
SUSPENSION, REAR STABILIZER BAR - R10TH76/TY76 ALL OPTIONS (49RGRSTABILIZERRR108004X4)
WHEELS, FRONT - R10TH76/TY76 ALL OPTIONS (49RGRWHEELFRT108004X4)
WHEELS, REAR - R10TH76/TY76 ALL OPTIONS (49RGRWHEELRR097004X4)
View Cart
VIEW WISH LIST