Polaris
Browse New Models
Shop In-Stock
Can-Am
Browse New Models
Shop In-Stock
Ski-Doo
Browse New Models
Shop In-Stock
Sea-Doo
Browse New Models
Shop In-Stock
Kayo
Browse New Models
Shop In-Stock
Manitou
Browse New Models
Shop In-Stock
Our
Location
Call
Us
Contact
Us
Toggle navigation
Home
Brands
Showroom
Manufacturer Models
OEM Promotions
Polaris Off-Road
Polaris Snowmobiles
Can-Am
Sea-Doo
Ski-Doo
Kayo
Yamaha Marine
Triton Trailers
Manitou
Nitro Trailers
CAM Superline
Durabull Trailers
Trifecta Pontoons
Inventory
All Inventory In Stock
New Inventory In Stock
Pre-Owned Inventory
Value Your Trade-In
Request a Model
Financing
Parts
Parts Department
OEM Parts Finder
Service
Service Department
Request Polaris Service
Warranty & Recall Look-Up
Financing
About
Our Dealership
Our Team
Reviews
Customer Survey
Newsletter Sign-Up
Employment
Events
Location & Hours
Contact
Call Us
Fort Kent, ME
Fiche | Parts Diagrams
2010 Polaris Utility Vehicles
Home
›
Parts
›
OEM Parts Finder
Search by :
Part / Desc
VIN
Please Select
Can-Am
LYNX
Polaris
Sea-Doo
Ski-Doo
Yamaha
*Please enter at least 3 characters
SEARCH
Manufacturer
Polaris
Utility Vehicles
2010
RZR 4 800 EFI (R10XH76AA)
View Cart
VIEW WISH LIST
Select a Section
Show/Hide
BODY, DECALS - R10XH76AA (49RGRDECAL10RZRS4)
BODY, FLOOR and ROCKER PANELS - R10XH76AA (49RGRFLOOR10RZRS4)
BODY, FRONT BUMPER - R10XH76AA (49RGRBUMPER10RZRS)
BODY, FUEL TANK - R10XH76AA (49RGRFUEL10RZRS4)
BODY, GRAB BAR, PASSENGER - R10XH76AA (49RGRGRABBAR08VISTA)
BODY, HOOD and FRONT BODY WORK - R10XH76AA (49RGRHOOD10RZRS)
BODY, REAR BUMPER - R10XH76AA (49RGRBUMPERRR09RZR)
BODY, REAR RACK and FENDERS - R10XH76AA (49RGRRACKMTG10RZRS4)
BODY, SEAT ASM. - R10XH76AA (49RGRSEAT08VISTA)
BODY, SEAT MOUNTING and BELTS - R10XH76AA (49RGRSEATMTG10RZRS4)
BODY, SIDE NETS - R10XH76AA (49RGRNETS10RZRS4)
BRAKES, BRAKE LINES and MASTER CYLINDER - R10XH76AA (49RGRBRAKELINES10RZRS4)
BRAKES, CALIPER MOUNTING - R10XH76AA (49ATVCALIPERMTG08VISTA)
BRAKES, FRONT CALIPER - R10XH76AA (49RGRCALIPER095004X4)
BRAKES, PEDAL and MASTER CYLINDER - R10XH76AA (49RGRBRAKEFOOT08VISTA)
BRAKES, REAR CALIPER - R10XH76AA (4999204069920406B10)
CHASSIS, CAB FRAME and SIDE BARS - R10XH76AA (49RGRCAB10RZRS4)
CHASSIS, MAIN FRAME and SKID PLATE - R10XH76AA (49RGRFRAME10RZRS4)
DRIVE TRAIN, CLUTCH COVER and DUCTING - R10XH76AA (49RGRCLUTCHCVR10RZRS4)
DRIVE TRAIN, FRONT GEARCASE - R10XH76AA (49RGRGEARCASEMTG10RZRS)
DRIVE TRAIN, FRONT GEARCASE INTERNALS (Built 3/04/10 and Before) - R10XH76AA (49RGRTRANSINTL10RZRI)
DRIVE TRAIN, FRONT GEARCASE INTERNALS (Built 3/05/10 and After) - R10XH76AA (49RGRTRANSINTL1332803)
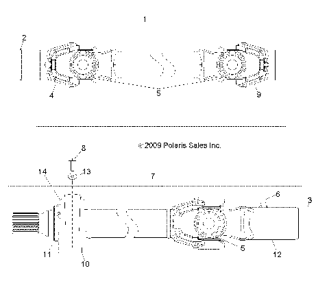
DRIVE TRAIN, FRONT HALF SHAFT - R10XH76AA (49RGRSHAFTDRV09RZRS)
DRIVE TRAIN, FRONT PROP SHAFT - R10XH76AA (49RGRSHAFTPROP10RZRS4)
DRIVE TRAIN, GEAR SELECTOR - R10XH76AA (49ATVGEARSELECT08VISTA)
DRIVE TRAIN, GEARCASE, CARRIER MOUNTING (Built 5/16/10 and Before) - R10XH76AA (49RGRTRANSMTG10RZR)
DRIVE TRAIN, GEARCASE, CARRIER MOUNTING (Built 5/17/10 and After) - R10XH76AA (49RGRTRANSMTG1332919)
DRIVE TRAIN, GEARCASE, CARRIER, INTERNAL COMPONENTS - R10XH76AA (49RGRGEARCASERR10RZRS)
DRIVE TRAIN, MAIN GEARCASE INTERNALS 1 (Built 5/16/10 and Before) - R10XH76AA (49RGRTRANSINTL10RZRS)
DRIVE TRAIN, MAIN GEARCASE INTERNALS 1 (Built 5/17/10 and After) - R10XH76AA (49RGRTRANSINTL10RZRS)
DRIVE TRAIN, MAIN GEARCASE INTERNALS 2 (Built 5/16/10 and Before) - R10XH76AA (49RGRTRANSINTL10RZRS)
DRIVE TRAIN, MAIN GEARCASE INTERNALS 2 (Built 5/17/10 and After) - R10XH76AA (49RGRTRANSINTL23235269)
DRIVE TRAIN, PRIMARY CLUTCH - R10XH76AA (49RGRCLUTCHDRV10RZR)
DRIVE TRAIN, REAR HALF SHAFT - R10XH76AA (49RGRSHAFTDRIVERR09RZRS)
DRIVE TRAIN, SECONDARY CLUTCH - R10XH76AA (49ATVCLUTCHDRIVEN10RZRI)
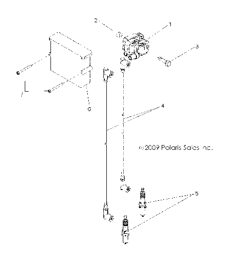
ELECTRICAL, BATTERY - R10XH76AA (49RGRBATTERY10RZRS4)
ELECTRICAL, DASH INSTRUMENTS and CONTROLS - R10XH76AA (49ATVDASH10RZRS4)
ELECTRICAL, HEADLIGHTS, TAILLIGHTS and BULBS - R10XH76AA (49RGRTAILLAMPS09RZR)
ELECTRICAL, IGNITION - R10XH76AA (49RGRIGNITION10RZRS4)
ELECTRICAL, WIRE HARNESS - R10XH76AA (49RGRHARNESS10RZRS4)
ENGINE, AIR INTAKE SYSTEM - R10XH76AA (49RGRAIRBOX09RZR)
ENGINE, COOLING SYSTEM - R10XH76AA (49RGRCOOL09RZRS)
ENGINE, CRANKCASE and CRANKSHAFT - R10XH76AA (49RGRCRANKCASE10RZRS)
ENGINE, CYLINDER HEAD and VALVES - R10XH76AA (49RGRVALVE10RZRS)
ENGINE, DIPSTICK and OIL FILTER - R10XH76AA (49ATVDIPSTICK08VISTA)
ENGINE, EXHAUST SYSTEM - R10XH76AA (49RGREXHAUST10RZRS4)
ENGINE, FUEL INJECTOR - R10XH76AA (49RGRFUELINJECT097004X4)
ENGINE, OIL PUMP and WATER PUMP - R10XH76AA (49ATVOILPUMP08VISTA)
ENGINE, PISTON and CYLINDER - R10XH76AA (49ATVCYLINDER08VISTA)
ENGINE, STARTING MOTOR - R10XH76AA (49ATVSTARTER08VISTA)
ENGINE, STATOR and FLYWHEEL - R10XH76AA (49ATVMAGNETO08VISTA)
ENGINE, THERMOSTAT - R10XH76AA (49ATVMANIFOLD08VISTA)
ENGINE, THROTTLE BODY and VALVE COVER - R10XH76AA (49RGRTHROTTLEBODY08VISTA)
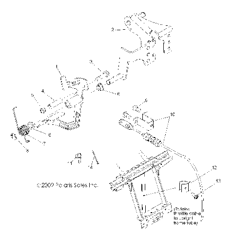
ENGINE, THROTTLE PEDAL - R10XH76AA (49RGRTHROTTLEPEDAL10RZRS4)
ENGINE, TRANSMISSION MOUNTING - R10XH76AA (49RGRENGINEMTG10RZRS4)
REFERENCES, TOOL KIT and OWNERS MANUALS - R10XH76AA (49RGRTOOL097004X4)
STEERING, STEERING ASM. - R10XH76AA (49RGRSTEERING10RZR)
SUSPENSION, FRONT CONTROL ARMS - R10XH76AA (49RGRSUSPFRT09RZRS)
SUSPENSION, FRONT SHOCK - R10XH76AA (49RGRSHOCKFRT7043566)
SUSPENSION, FRONT SHOCK MOUNTING - R10XH76AA (49RGRSHOCKMTG10RZRS4)
SUSPENSION, REAR CONTROL ARMS - R10XH76AA (49RGRSUSPRR10RZRS4)
SUSPENSION, REAR SHOCK - R10XH76AA (49RGRSHOCKRR7043564)
SUSPENSION, REAR SHOCK MOUNTING - R10XH76AA (49RGRSHOCKMTGRR10RZRS4)
SUSPENSION, STABILIZER BAR, REAR - R10XH76AA (49RGRSTABILIZERRR09RZRS)
WHEELS, FRONT - R10XH76AA (49RGRWHEELFRT10RZRS4)
WHEELS, REAR - R10XH76AA (49ATVWHEELREAR09RZRS)
BODY, DECALS - R10XH76AA (49RGRDECAL10RZRS4)
BODY, FLOOR and ROCKER PANELS - R10XH76AA (49RGRFLOOR10RZRS4)
BODY, FRONT BUMPER - R10XH76AA (49RGRBUMPER10RZRS)
BODY, FUEL TANK - R10XH76AA (49RGRFUEL10RZRS4)
BODY, GRAB BAR, PASSENGER - R10XH76AA (49RGRGRABBAR08VISTA)
BODY, HOOD and FRONT BODY WORK - R10XH76AA (49RGRHOOD10RZRS)
BODY, REAR BUMPER - R10XH76AA (49RGRBUMPERRR09RZR)
BODY, REAR RACK and FENDERS - R10XH76AA (49RGRRACKMTG10RZRS4)
BODY, SEAT ASM. - R10XH76AA (49RGRSEAT08VISTA)
BODY, SEAT MOUNTING and BELTS - R10XH76AA (49RGRSEATMTG10RZRS4)
BODY, SIDE NETS - R10XH76AA (49RGRNETS10RZRS4)
BRAKES, BRAKE LINES and MASTER CYLINDER - R10XH76AA (49RGRBRAKELINES10RZRS4)
BRAKES, CALIPER MOUNTING - R10XH76AA (49ATVCALIPERMTG08VISTA)
BRAKES, FRONT CALIPER - R10XH76AA (49RGRCALIPER095004X4)
BRAKES, PEDAL and MASTER CYLINDER - R10XH76AA (49RGRBRAKEFOOT08VISTA)
BRAKES, REAR CALIPER - R10XH76AA (4999204069920406B10)
CHASSIS, CAB FRAME and SIDE BARS - R10XH76AA (49RGRCAB10RZRS4)
CHASSIS, MAIN FRAME and SKID PLATE - R10XH76AA (49RGRFRAME10RZRS4)
DRIVE TRAIN, CLUTCH COVER and DUCTING - R10XH76AA (49RGRCLUTCHCVR10RZRS4)
DRIVE TRAIN, FRONT GEARCASE - R10XH76AA (49RGRGEARCASEMTG10RZRS)
DRIVE TRAIN, FRONT GEARCASE INTERNALS (Built 3/04/10 and Before) - R10XH76AA (49RGRTRANSINTL10RZRI)
DRIVE TRAIN, FRONT GEARCASE INTERNALS (Built 3/05/10 and After) - R10XH76AA (49RGRTRANSINTL1332803)
DRIVE TRAIN, FRONT HALF SHAFT - R10XH76AA (49RGRSHAFTDRV09RZRS)
DRIVE TRAIN, FRONT PROP SHAFT - R10XH76AA (49RGRSHAFTPROP10RZRS4)
DRIVE TRAIN, GEAR SELECTOR - R10XH76AA (49ATVGEARSELECT08VISTA)
DRIVE TRAIN, GEARCASE, CARRIER MOUNTING (Built 5/16/10 and Before) - R10XH76AA (49RGRTRANSMTG10RZR)
DRIVE TRAIN, GEARCASE, CARRIER MOUNTING (Built 5/17/10 and After) - R10XH76AA (49RGRTRANSMTG1332919)
DRIVE TRAIN, GEARCASE, CARRIER, INTERNAL COMPONENTS - R10XH76AA (49RGRGEARCASERR10RZRS)
DRIVE TRAIN, MAIN GEARCASE INTERNALS 1 (Built 5/16/10 and Before) - R10XH76AA (49RGRTRANSINTL10RZRS)
DRIVE TRAIN, MAIN GEARCASE INTERNALS 1 (Built 5/17/10 and After) - R10XH76AA (49RGRTRANSINTL10RZRS)
DRIVE TRAIN, MAIN GEARCASE INTERNALS 2 (Built 5/16/10 and Before) - R10XH76AA (49RGRTRANSINTL10RZRS)
DRIVE TRAIN, MAIN GEARCASE INTERNALS 2 (Built 5/17/10 and After) - R10XH76AA (49RGRTRANSINTL23235269)
DRIVE TRAIN, PRIMARY CLUTCH - R10XH76AA (49RGRCLUTCHDRV10RZR)
DRIVE TRAIN, REAR HALF SHAFT - R10XH76AA (49RGRSHAFTDRIVERR09RZRS)
DRIVE TRAIN, SECONDARY CLUTCH - R10XH76AA (49ATVCLUTCHDRIVEN10RZRI)
ELECTRICAL, BATTERY - R10XH76AA (49RGRBATTERY10RZRS4)
ELECTRICAL, DASH INSTRUMENTS and CONTROLS - R10XH76AA (49ATVDASH10RZRS4)
ELECTRICAL, HEADLIGHTS, TAILLIGHTS and BULBS - R10XH76AA (49RGRTAILLAMPS09RZR)
ELECTRICAL, IGNITION - R10XH76AA (49RGRIGNITION10RZRS4)
ELECTRICAL, WIRE HARNESS - R10XH76AA (49RGRHARNESS10RZRS4)
ENGINE, AIR INTAKE SYSTEM - R10XH76AA (49RGRAIRBOX09RZR)
ENGINE, COOLING SYSTEM - R10XH76AA (49RGRCOOL09RZRS)
ENGINE, CRANKCASE and CRANKSHAFT - R10XH76AA (49RGRCRANKCASE10RZRS)
ENGINE, CYLINDER HEAD and VALVES - R10XH76AA (49RGRVALVE10RZRS)
ENGINE, DIPSTICK and OIL FILTER - R10XH76AA (49ATVDIPSTICK08VISTA)
ENGINE, EXHAUST SYSTEM - R10XH76AA (49RGREXHAUST10RZRS4)
ENGINE, FUEL INJECTOR - R10XH76AA (49RGRFUELINJECT097004X4)
ENGINE, OIL PUMP and WATER PUMP - R10XH76AA (49ATVOILPUMP08VISTA)
ENGINE, PISTON and CYLINDER - R10XH76AA (49ATVCYLINDER08VISTA)
ENGINE, STARTING MOTOR - R10XH76AA (49ATVSTARTER08VISTA)
ENGINE, STATOR and FLYWHEEL - R10XH76AA (49ATVMAGNETO08VISTA)
ENGINE, THERMOSTAT - R10XH76AA (49ATVMANIFOLD08VISTA)
ENGINE, THROTTLE BODY and VALVE COVER - R10XH76AA (49RGRTHROTTLEBODY08VISTA)
ENGINE, THROTTLE PEDAL - R10XH76AA (49RGRTHROTTLEPEDAL10RZRS4)
ENGINE, TRANSMISSION MOUNTING - R10XH76AA (49RGRENGINEMTG10RZRS4)
REFERENCES, TOOL KIT and OWNERS MANUALS - R10XH76AA (49RGRTOOL097004X4)
STEERING, STEERING ASM. - R10XH76AA (49RGRSTEERING10RZR)
SUSPENSION, FRONT CONTROL ARMS - R10XH76AA (49RGRSUSPFRT09RZRS)
SUSPENSION, FRONT SHOCK - R10XH76AA (49RGRSHOCKFRT7043566)
SUSPENSION, FRONT SHOCK MOUNTING - R10XH76AA (49RGRSHOCKMTG10RZRS4)
SUSPENSION, REAR CONTROL ARMS - R10XH76AA (49RGRSUSPRR10RZRS4)
SUSPENSION, REAR SHOCK - R10XH76AA (49RGRSHOCKRR7043564)
SUSPENSION, REAR SHOCK MOUNTING - R10XH76AA (49RGRSHOCKMTGRR10RZRS4)
SUSPENSION, STABILIZER BAR, REAR - R10XH76AA (49RGRSTABILIZERRR09RZRS)
WHEELS, FRONT - R10XH76AA (49RGRWHEELFRT10RZRS4)
WHEELS, REAR - R10XH76AA (49ATVWHEELREAR09RZRS)
View Cart
VIEW WISH LIST