Polaris
Browse New Models
Shop In-Stock
Can-Am
Browse New Models
Shop In-Stock
Ski-Doo
Browse New Models
Shop In-Stock
Sea-Doo
Browse New Models
Shop In-Stock
Kayo
Browse New Models
Shop In-Stock
Manitou
Browse New Models
Shop In-Stock
Our
Location
Call
Us
Contact
Us
Toggle navigation
Home
Brands
Showroom
Manufacturer Models
OEM Promotions
Polaris Off-Road
Polaris Snowmobiles
Can-Am
Sea-Doo
Ski-Doo
Kayo
Yamaha Marine
Triton Trailers
Manitou
Nitro Trailers
CAM Superline
Durabull Trailers
Trifecta Pontoons
Inventory
All Inventory In Stock
New Inventory In Stock
Pre-Owned Inventory
Value Your Trade-In
Request a Model
Financing
Parts
Parts Department
OEM Parts Finder
Service
Service Department
Request Polaris Service
Warranty & Recall Look-Up
Financing
About
Our Dealership
Our Team
Reviews
Customer Survey
Newsletter Sign-Up
Employment
Events
Location & Hours
Contact
Call Us
Fort Kent, ME
Fiche | Parts Diagrams
2012 Polaris Utility Vehicles
Home
›
Parts
›
OEM Parts Finder
Search by :
Part / Desc
VIN
Please Select
Can-Am
LYNX
Polaris
Sea-Doo
Ski-Doo
Yamaha
*Please enter at least 3 characters
SEARCH
Manufacturer
Polaris
Utility Vehicles
2012
RZR 4 XP 900 (R12XT87AA/9EAS)
View Cart
VIEW WISH LIST
Select a Section
Show/Hide
BODY, DECALS - R12XT87AA/9EAS (49RGRDECAL12RZRXP4)
BODY, FLOOR and ROCKER PANELS - R12XT87AA/9EAS (49RGRFLOOR12RZRXP4)
BODY, FRONT BUMPER - R12XT87AA/9EAS (49RGRBUMPER12RZRXP900)
BODY, FUEL TANK - R12XT87AA/9EAS (49RGRFUEL12RZRXP900)
BODY, GLOVEBOX - R12XT87AA/9EAS (49RGRGLOVEBOX12RZR)
BODY, GRAB BAR, PASSENGER - R12XT87AA/9EAS (49RGRGRABBAR12RZRXP900)
BODY, HOOD and FRONT BODY WORK - R12XT87AA/9EAS (49RGRHOOD12RZRXP900)
BODY, REAR BUMPER - R12XT87AA/9EAS (49RGRBUMPERRR12RZRXP900)
BODY, REAR RACK and FENDERS - R12XT87AA/9EAS (49RGRRACKMTG12RZRXP900)
BODY, SEAT ASM. - R12XT87AA/9EAS (49RGRSEAT11RZR)
BODY, SEAT DIVIDER - R12XT87AA/9EAS (49RGRSEATDVD12RZRXP4)
BODY, SEAT MOUNTING and BELTS - R12XT87AA/9EAS (49RGRSEATMTG12RZRXP4)
BODY, SIDE NETS - R12XT87AA/9EAS (49RGRNETS12RZRXP4)
BRAKES, BRAKE LINES and MASTER CYLINDER - R12XT87AA/9EAS (49RGRBRAKELINES12RZRXP4)
BRAKES, CALIPER MOUNTING - R12XT87AA/9EAS (49ATVCALIPERMTG12RZRXP4)
BRAKES, FRONT CALIPER - R12XT87AA/9EAS (49RGRCALIPER095004X4)
BRAKES, PEDAL and MASTER CYLINDER - R12XT87AA/9EAS (49RGRBRAKEFOOT12RZRXP900)
BRAKES, REAR CALIPER - R12XT87AA/9EAS (49RGRCALIPERRR12RZRXP4)
CHASSIS, CAB FRAME and SIDE BARS - R12XT87AA/9EAS (49RGRCAB12RZRXP4)
CHASSIS, MAIN FRAME and SKID PLATE - R12XT87AA/9EAS (49RGRFRAME12RZRXP4)
DRIVE TRAIN, CLUTCH COVER and DUCTING - R12XT87AA/9EAS (49RGRCLUTCHCVR12RZRXP900)
DRIVE TRAIN, FRONT GEARCASE - R12XT87AA/9EAS (49RGRGEARCASEMTG11RZR875)
DRIVE TRAIN, FRONT GEARCASE INTERNALS - R12XT87AA/9EAS (49RGRGEARCASE1332923)
DRIVE TRAIN, FRONT HALF SHAFT - R12XT87AA/9EAS (49RGRSHAFTDRV11RZR875)
DRIVE TRAIN, FRONT PROP SHAFT - R12XT87AA/9EAS (49RGRSHAFTPROP12RZRXP900)
DRIVE TRAIN, GEAR SELECTOR - R12XT87AA/9EAS (49RGRGEARSELECT12RZRXP4)
DRIVE TRAIN, MAIN GEARCASE - R12XT87AA/9EAS (49RGRTRANS1332995)
DRIVE TRAIN, MAIN GEARCASE INTERNALS - R12XT87AA/9EAS (49RGRTRANSINTL1332995)
DRIVE TRAIN, PRIMARY CLUTCH - R12XT87AA/9EAS (49RGRCLUTCHDRV11RZR875)
DRIVE TRAIN, REAR HALF SHAFT - R12XT87AA/9EAS (49RGRSHAFTDRIVERR11RZRS)
DRIVE TRAIN, SECONDARY CLUTCH - R12XT87AA/9EAS (49RGRCLUTCHDVN11RZR875)
ELECTRICAL, BATTERY - R12XT87AA/9EAS (49RGRBATTERY12RZRXP4)
ELECTRICAL, DASH INSTRUMENTS and CONTROLS - R12XT87AA/9EAS (49ATVDASH11RZRS)
ELECTRICAL, HEADLIGHTS, TAILLIGHTS and BULBS - R12XT87AA/9EAS (49RGRTAILLAMPS11RZR875)
ELECTRICAL, IGNITION - R12XT87AA/9EAS (49RGRIGNITION11RZR875)
ELECTRICAL, SENSORS - R12XT87AA/9EAS (49RGRELECT12RZRXP900)
ELECTRICAL, WIRE HARNESS - R12XT87AA (49RGRHARNESS12RZRXP900)
ELECTRICAL, WIRE HARNESS, EPS - R12XT9EAS (49RGRHARNESS12RZRXP4)
ENGINE, AIR INTAKE SYSTEM - R12XT87AA/9EAS (49RGRAIRBOX12RZRXP900)
ENGINE, BALANCER - R12XT87AA/9EAS (49RGRBALANCER11RZR875)
ENGINE, COOLING SYSTEM - R12XT87AA/9EAS (49RGRCOOL12RZRXP4)
ENGINE, COOLING, THERMOSTAT and BYPASS - R12XT87AA/9EAS (49RGRTHERMO11RZR875)
ENGINE, COOLING, WATERPUMP - R12XT87AA/9EAS (49RGRWATERPUMP11RZR875)
ENGINE, CRANKCASE - R12XT87AA/9EAS (49RGRCRANKCASE12RZRXP900)
ENGINE, CRANKSHAFT and PISTON - R12XT87AA/9EAS (49RGRPISTON11RZR875)
ENGINE, CYLINDER and HEAD - R12XT87AA/9EAS (49RGRCYLINDER11RZR875)
ENGINE, EXHAUST SYSTEM - R12XT87AA/9EAS (49RGREXHAUST11RZR875)
ENGINE, OIL PUMP and OIL COOLER - R12XT87AA/9EAS (49RGROILPUMP11RZR875)
ENGINE, OIL TANK and LINES - R12XT87AA/9EAS (49RGROILTANK12RZRXP4)
ENGINE, STARTER and DRIVE - R12XT87AA/9EAS (49RGRSTARTINGMTR12RZRXP4)
ENGINE, STATOR and COVER - R12XT87AA/9EAS (49RGRMAGNETOCVR12RZRXP900)
ENGINE, THROTTLE BODY and INJECTOR - R12XT87AA/9EAS (49RGRTHROTTLEBODY12RZRXP4)
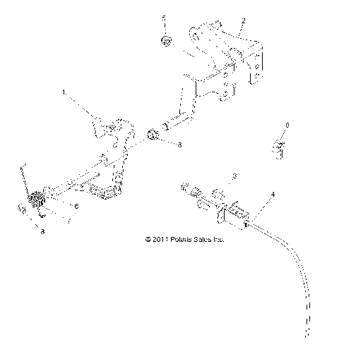
ENGINE, THROTTLE PEDAL - R12XT87AA/9EAS (49RGRTHROTTLEPEDAL12RZRXP4)
ENGINE, TRANSMISSION MOUNTING - R12XT87AA/9EAS (49RGRENGINEMTG11RZR875)
ENGINE, VALVE COVER - R12XT87AA/9EAS (49RGRVALVE11RZR875)
ENGINE, VALVES and CAMSHAFTS - R12XT87AA/9EAS (49RGRVALVECAM11RZR875)
REFERENCES, TOOL KIT and OWNERS MANUAL - R12XT87AA/9EAS (49RGRTOOL11RZR875)
STEERING, STEERING ASM. - R12XT87AA/9EAS (49RGRSTEERING12RZRXP4)
SUSPENSION, FRONT CONTROL ARMS - R12XT87AA/9EAS (49RGRSUSPFRT12RZRXP900)
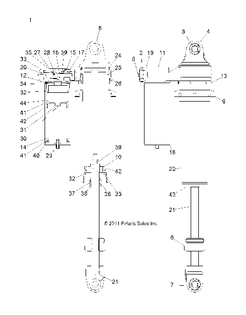
SUSPENSION, FRONT SHOCK (7043777) - R12XT87AA/9EAS (49RGRSHOCKFRT7043777)
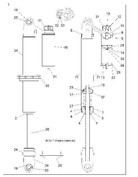
SUSPENSION, FRONT SHOCK MOUNTING - R12XT87AA/9EAS (49RGRSHOCKMTG12RZRXP4)
SUSPENSION, REAR - R12XT87AA/9EAS (49RGRSUSPRR12RZRXP900)
SUSPENSION, REAR SHOCK (7043776) - R12XT87AA/9EAS (49RGRSHOCKRR7043776)
SUSPENSION, REAR SHOCK MOUNTING - R12XT87AA/9EAS (49RGRSHOCKMTGRR12RZRXP4)
SUSPENSION, TORSION BAR, REAR - R12XT87AA/9EAS (49RGRSTABILIZERRR11RZR875)
WHEELS, FRONT - R12XT87AA/9EAS (49RGRWHEELFRT11RZR875)
WHEELS, REAR - R12XT87AA/9EAS (49RGRWHEELRR11RZR875)
BODY, DECALS - R12XT87AA/9EAS (49RGRDECAL12RZRXP4)
BODY, FLOOR and ROCKER PANELS - R12XT87AA/9EAS (49RGRFLOOR12RZRXP4)
BODY, FRONT BUMPER - R12XT87AA/9EAS (49RGRBUMPER12RZRXP900)
BODY, FUEL TANK - R12XT87AA/9EAS (49RGRFUEL12RZRXP900)
BODY, GLOVEBOX - R12XT87AA/9EAS (49RGRGLOVEBOX12RZR)
BODY, GRAB BAR, PASSENGER - R12XT87AA/9EAS (49RGRGRABBAR12RZRXP900)
BODY, HOOD and FRONT BODY WORK - R12XT87AA/9EAS (49RGRHOOD12RZRXP900)
BODY, REAR BUMPER - R12XT87AA/9EAS (49RGRBUMPERRR12RZRXP900)
BODY, REAR RACK and FENDERS - R12XT87AA/9EAS (49RGRRACKMTG12RZRXP900)
BODY, SEAT ASM. - R12XT87AA/9EAS (49RGRSEAT11RZR)
BODY, SEAT DIVIDER - R12XT87AA/9EAS (49RGRSEATDVD12RZRXP4)
BODY, SEAT MOUNTING and BELTS - R12XT87AA/9EAS (49RGRSEATMTG12RZRXP4)
BODY, SIDE NETS - R12XT87AA/9EAS (49RGRNETS12RZRXP4)
BRAKES, BRAKE LINES and MASTER CYLINDER - R12XT87AA/9EAS (49RGRBRAKELINES12RZRXP4)
BRAKES, CALIPER MOUNTING - R12XT87AA/9EAS (49ATVCALIPERMTG12RZRXP4)
BRAKES, FRONT CALIPER - R12XT87AA/9EAS (49RGRCALIPER095004X4)
BRAKES, PEDAL and MASTER CYLINDER - R12XT87AA/9EAS (49RGRBRAKEFOOT12RZRXP900)
BRAKES, REAR CALIPER - R12XT87AA/9EAS (49RGRCALIPERRR12RZRXP4)
CHASSIS, CAB FRAME and SIDE BARS - R12XT87AA/9EAS (49RGRCAB12RZRXP4)
CHASSIS, MAIN FRAME and SKID PLATE - R12XT87AA/9EAS (49RGRFRAME12RZRXP4)
DRIVE TRAIN, CLUTCH COVER and DUCTING - R12XT87AA/9EAS (49RGRCLUTCHCVR12RZRXP900)
DRIVE TRAIN, FRONT GEARCASE - R12XT87AA/9EAS (49RGRGEARCASEMTG11RZR875)
DRIVE TRAIN, FRONT GEARCASE INTERNALS - R12XT87AA/9EAS (49RGRGEARCASE1332923)
DRIVE TRAIN, FRONT HALF SHAFT - R12XT87AA/9EAS (49RGRSHAFTDRV11RZR875)
DRIVE TRAIN, FRONT PROP SHAFT - R12XT87AA/9EAS (49RGRSHAFTPROP12RZRXP900)
DRIVE TRAIN, GEAR SELECTOR - R12XT87AA/9EAS (49RGRGEARSELECT12RZRXP4)
DRIVE TRAIN, MAIN GEARCASE - R12XT87AA/9EAS (49RGRTRANS1332995)
DRIVE TRAIN, MAIN GEARCASE INTERNALS - R12XT87AA/9EAS (49RGRTRANSINTL1332995)
DRIVE TRAIN, PRIMARY CLUTCH - R12XT87AA/9EAS (49RGRCLUTCHDRV11RZR875)
DRIVE TRAIN, REAR HALF SHAFT - R12XT87AA/9EAS (49RGRSHAFTDRIVERR11RZRS)
DRIVE TRAIN, SECONDARY CLUTCH - R12XT87AA/9EAS (49RGRCLUTCHDVN11RZR875)
ELECTRICAL, BATTERY - R12XT87AA/9EAS (49RGRBATTERY12RZRXP4)
ELECTRICAL, DASH INSTRUMENTS and CONTROLS - R12XT87AA/9EAS (49ATVDASH11RZRS)
ELECTRICAL, HEADLIGHTS, TAILLIGHTS and BULBS - R12XT87AA/9EAS (49RGRTAILLAMPS11RZR875)
ELECTRICAL, IGNITION - R12XT87AA/9EAS (49RGRIGNITION11RZR875)
ELECTRICAL, SENSORS - R12XT87AA/9EAS (49RGRELECT12RZRXP900)
ELECTRICAL, WIRE HARNESS - R12XT87AA (49RGRHARNESS12RZRXP900)
ELECTRICAL, WIRE HARNESS, EPS - R12XT9EAS (49RGRHARNESS12RZRXP4)
ENGINE, AIR INTAKE SYSTEM - R12XT87AA/9EAS (49RGRAIRBOX12RZRXP900)
ENGINE, BALANCER - R12XT87AA/9EAS (49RGRBALANCER11RZR875)
ENGINE, COOLING SYSTEM - R12XT87AA/9EAS (49RGRCOOL12RZRXP4)
ENGINE, COOLING, THERMOSTAT and BYPASS - R12XT87AA/9EAS (49RGRTHERMO11RZR875)
ENGINE, COOLING, WATERPUMP - R12XT87AA/9EAS (49RGRWATERPUMP11RZR875)
ENGINE, CRANKCASE - R12XT87AA/9EAS (49RGRCRANKCASE12RZRXP900)
ENGINE, CRANKSHAFT and PISTON - R12XT87AA/9EAS (49RGRPISTON11RZR875)
ENGINE, CYLINDER and HEAD - R12XT87AA/9EAS (49RGRCYLINDER11RZR875)
ENGINE, EXHAUST SYSTEM - R12XT87AA/9EAS (49RGREXHAUST11RZR875)
ENGINE, OIL PUMP and OIL COOLER - R12XT87AA/9EAS (49RGROILPUMP11RZR875)
ENGINE, OIL TANK and LINES - R12XT87AA/9EAS (49RGROILTANK12RZRXP4)
ENGINE, STARTER and DRIVE - R12XT87AA/9EAS (49RGRSTARTINGMTR12RZRXP4)
ENGINE, STATOR and COVER - R12XT87AA/9EAS (49RGRMAGNETOCVR12RZRXP900)
ENGINE, THROTTLE BODY and INJECTOR - R12XT87AA/9EAS (49RGRTHROTTLEBODY12RZRXP4)
ENGINE, THROTTLE PEDAL - R12XT87AA/9EAS (49RGRTHROTTLEPEDAL12RZRXP4)
ENGINE, TRANSMISSION MOUNTING - R12XT87AA/9EAS (49RGRENGINEMTG11RZR875)
ENGINE, VALVE COVER - R12XT87AA/9EAS (49RGRVALVE11RZR875)
ENGINE, VALVES and CAMSHAFTS - R12XT87AA/9EAS (49RGRVALVECAM11RZR875)
REFERENCES, TOOL KIT and OWNERS MANUAL - R12XT87AA/9EAS (49RGRTOOL11RZR875)
STEERING, STEERING ASM. - R12XT87AA/9EAS (49RGRSTEERING12RZRXP4)
SUSPENSION, FRONT CONTROL ARMS - R12XT87AA/9EAS (49RGRSUSPFRT12RZRXP900)
SUSPENSION, FRONT SHOCK (7043777) - R12XT87AA/9EAS (49RGRSHOCKFRT7043777)
SUSPENSION, FRONT SHOCK MOUNTING - R12XT87AA/9EAS (49RGRSHOCKMTG12RZRXP4)
SUSPENSION, REAR - R12XT87AA/9EAS (49RGRSUSPRR12RZRXP900)
SUSPENSION, REAR SHOCK (7043776) - R12XT87AA/9EAS (49RGRSHOCKRR7043776)
SUSPENSION, REAR SHOCK MOUNTING - R12XT87AA/9EAS (49RGRSHOCKMTGRR12RZRXP4)
SUSPENSION, TORSION BAR, REAR - R12XT87AA/9EAS (49RGRSTABILIZERRR11RZR875)
WHEELS, FRONT - R12XT87AA/9EAS (49RGRWHEELFRT11RZR875)
WHEELS, REAR - R12XT87AA/9EAS (49RGRWHEELRR11RZR875)
View Cart
VIEW WISH LIST