Polaris
Browse New Models
Shop In-Stock
Can-Am
Browse New Models
Shop In-Stock
Ski-Doo
Browse New Models
Shop In-Stock
Sea-Doo
Browse New Models
Shop In-Stock
Kayo
Browse New Models
Shop In-Stock
Manitou
Browse New Models
Shop In-Stock
Our
Location
Call
Us
Contact
Us
Toggle navigation
Home
Brands
Showroom
Manufacturer Models
OEM Promotions
Polaris Off-Road
Polaris Snowmobiles
Can-Am
Sea-Doo
Ski-Doo
Kayo
Yamaha Marine
Triton Trailers
Manitou
Nitro Trailers
CAM Superline
Durabull Trailers
Trifecta Pontoons
Inventory
All Inventory In Stock
New Inventory In Stock
Pre-Owned Inventory
Value Your Trade-In
Request a Model
Financing
Parts
Parts Department
OEM Parts Finder
Service
Service Department
Request Polaris Service
Warranty & Recall Look-Up
Financing
About
Our Dealership
Our Team
Reviews
Customer Survey
Newsletter Sign-Up
Employment
Events
Location & Hours
Contact
Call Us
Fort Kent, ME
Fiche | Parts Diagrams
2013 Polaris Utility Vehicles
Home
›
Parts
›
OEM Parts Finder
Search by :
Part / Desc
VIN
Please Select
Can-Am
LYNX
Polaris
Sea-Doo
Ski-Doo
Yamaha
*Please enter at least 3 characters
SEARCH
Manufacturer
Polaris
Utility Vehicles
2013
INTL RZR 570 EFI (R13VH57FX)
View Cart
VIEW WISH LIST
Select a Section
Show/Hide
BODY, DECALS - R13VH57FX (49RGRDECAL12RZR570I)
BODY, FLOOR and ROCKER PANELS - R13VH57FX (49RGRFLOOR12RZR600)
BODY, FRONT BUMPER - R13VH57FX (49RGRBUMPER12RZR570I)
BODY, FUEL TANK - R13VH57FX (49RGRFUEL13RZR570I)
BODY, GRAB BAR, PASSENGER - R13VH57FX (49RGRGRABBAR12RZR4)
BODY, HOOD and FRONT BODY WORK - R13VH57FX (49RGRHOOD13RZR570I)
BODY, REAR BUMPER - R13VH57FX (49RGRBUMPERRR12RZR570)
BODY, REAR RACK and FENDERS - R13VH57FX (49RGRRACKMTG12RZR570I)
BODY, SEAT ASM. - R13VH57FX (49RGRSEAT11RZR)
BODY, SEAT MOUNTING and BELTS - R13VH57FX (49RGRSEATMTG12RZR570)
BODY, SIDE NETS - R13VH57FX (49RGRNETS12RZR570)
BRAKES, BRAKE LINES and MASTER CYLINDER - R13VH57FX (49RGRBRAKELINES12RZR570)
BRAKES, CALIPER MOUNTING - R13VH57FX (49ATVCALIPERMTG12RZR570)
BRAKES, FRONT CALIPER - R13VH57FX (49RGRCALIPER08VISTA)
BRAKES, PARK BRAKE - R13VH57FX (49RGRBRAKEPARK12RZR570I)
BRAKES, PEDAL and MASTER CYLINDER - R13VH57FX (49RGRBRAKEFOOT12RZR)
BRAKES, REAR CALIPER - R13VH57FX (4999204069920406B10)
CHASSIS, CAB FRAME and SIDE BARS - R13VH57FX (49RGRCAB12RZR570)
CHASSIS, MAIN FRAME and SKID PLATE - R13VH57FX (49RGRFRAME12RZR570)
DRIVE TRAIN, CLUTCH COVER and DUCTING - R13VH57FX (49RGRCLUTCHCVR13RZR570I)
DRIVE TRAIN, FRONT GEARCASE - R13VH57FX (49RGRGEARCASEMTG11RZR)
DRIVE TRAIN, FRONT GEARCASE INTERNALS - R13VH57FX (49RGRTRANSINTL11RZR)
DRIVE TRAIN, FRONT HALF SHAFT - R13VH57FX (49ATVSHAFTDRIVE08VISTA)
DRIVE TRAIN, FRONT PROP SHAFT - R13VH57FX (49RGRSHAFTPROP12RZR570)
DRIVE TRAIN, GEAR SELECTOR - R13VH57FX (49ATVGEARSELECT13RZR570I)
DRIVE TRAIN, MAIN GEARCASE - R13VH57FX (49RGRTRANS1333133)
DRIVE TRAIN, MAIN GEARCASE INTERNALS - R13VH57FX (49RGRTRANSINTL1333133)
DRIVE TRAIN, PRIMARY CLUTCH - R13VH57FX (49RGRCLUTCHDRV12RZR570)
DRIVE TRAIN, REAR HALF SHAFT - R13VH57FX (49RGRSHAFTDRIVERR12RZR570)
DRIVE TRAIN, SECONDARY CLUTCH - R13VH57FX (49RGRCLUTCHDVN13RZR570I)
ELECTRICAL, BATTERY - R13VH57FX (49RGRBATTERY12RZR570I)
ELECTRICAL, DASH INSTRUMENTS and CONTROLS - R13VH57FX (49RGRDASH12RZR570I)
ELECTRICAL, HEADLIGHTS, TAILLIGHTS and BULBS - R13VH57FX (49RGRTAILLAMPS12RZR570I)
ELECTRICAL, IGNITION - R13VH57FX (49RGRIGNITION12RZR570)
ELECTRICAL, SENSORS and CONTROL MODULES - R13VH57AD (49RGRELECT12RZR570I)
ELECTRICAL, TURN SIGNALS, HORN and MIRRORS - R13VH57FX (49RGRTURNSIG12RZR570I)
ELECTRICAL, WIRE HARNESS - R13VH57FX (49RGRHARNESS13RZR570I)
ENGINE, AIR INTAKE SYSTEM - R13VH57FX (49RGRAIRBOX13RZR570I)
ENGINE, BREATHER - R13VH57FX (49RGRBREATHER12RZR570)
ENGINE, CAM CHAIN and SPROCKET - R13VH57FX (49RGRCAM12RZR570)
ENGINE, COOLING SYSTEM - R13VH57FX (49RGRCOOL12RZR570)
ENGINE, CRANKCASE - R13VH57FX (49RGRCRANKCASE12RZR570)
ENGINE, CRANKSHAFT, PISTON and BALANCE SHAFT - R13VH57FX (49RGRPISTON12RZR570)
ENGINE, CYLINDER - R13VH57FX (49RGRCYLINDER12RZR570)
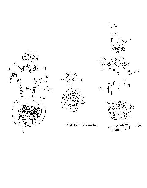
ENGINE, CYLINDER HEAD, CAMS and VALVES - R13VH57FX (49RGRCYLINDERHD13RZR570)
ENGINE, ENGINE and TRANSMISSION MOUNTING - R13VH57FX (49RGRENGINEMTG12RZR570I)
ENGINE, EXHAUST SYSTEM - R13VH57FX (49RGREXHAUST13RZR570I)
ENGINE, LONG BLOCK - R13VH57FX (49RGRSB12RZR570)
ENGINE, OIL FILTER and DIPSTICK - R13VH57FX (49RGROILFILTER12RZR570)
ENGINE, OIL PUMP - R13VH57FX (49RGROILPUMP12RZR570)
ENGINE, STARTER DRIVE - R13VH57FX (49RGRSTARTINGMTR12RZR570)
ENGINE, STATOR COVER and FLYWHEEL - R13VH57FX (49RGRFLYWHEELCVR12RZR570)
ENGINE, THERMOSTAT and COVER - R13VH57FX (49RGRTHERMO12RZR570)
ENGINE, THROTTLE BODY and FUEL RAIL - R13VH57FX (49RGRTHROTTLEBODY12RZR570)
ENGINE, THROTTLE PEDAL - R13VH57FX (49RGRTHROTTLEPEDAL13RZRXP4)
ENGINE, VALVE COVER - R13VH57FX (49RGRVALVE12RZR570)
ENGINE, WATERPUMP IMPELLER and COVER - R13VH57FX (49RGRWATERPUMP12RZR570)
REFERENCES, TOOL KIT and OWNERS MANUAL - R13VH57FX (49RGRTOOL09RZR)
STEERING, STEERING ASM. - R13VH57FX (49RGRSTEERING12RZR570I)
SUSPENSION, FRONT CONTROL ARMS - R13VH57FX (49RGRSUSPFRT11RZR)
SUSPENSION, FRONT SHOCK MOUNTING - R13VH57FX (49RGRSHOCKMTG12RZR570)
SUSPENSION, REAR CONTROL ARMS - R13VH57FX (49RGRSUSPRR12RZR570)
SUSPENSION, REAR SHOCK MOUNTING - R13VH57FX (49RGRSHOCKMTGRR12RZR570)
SUSPENSION, STABILIZER BAR, FRONT - R13VH57FX (49RGRSTABILIZERFRT12RZR570)
SUSPENSION, STABILIZER BAR, REAR - R13VH57FX (49RGRSTABILIZERRR13RZR570I)
WHEELS, FRONT - R13VH57FX (49RGRWHEELFRT12RZR570I)
WHEELS, REAR - R13VH57FX (49RGRWHEELRR12RZR570I)
BODY, DECALS - R13VH57FX (49RGRDECAL12RZR570I)
BODY, FLOOR and ROCKER PANELS - R13VH57FX (49RGRFLOOR12RZR600)
BODY, FRONT BUMPER - R13VH57FX (49RGRBUMPER12RZR570I)
BODY, FUEL TANK - R13VH57FX (49RGRFUEL13RZR570I)
BODY, GRAB BAR, PASSENGER - R13VH57FX (49RGRGRABBAR12RZR4)
BODY, HOOD and FRONT BODY WORK - R13VH57FX (49RGRHOOD13RZR570I)
BODY, REAR BUMPER - R13VH57FX (49RGRBUMPERRR12RZR570)
BODY, REAR RACK and FENDERS - R13VH57FX (49RGRRACKMTG12RZR570I)
BODY, SEAT ASM. - R13VH57FX (49RGRSEAT11RZR)
BODY, SEAT MOUNTING and BELTS - R13VH57FX (49RGRSEATMTG12RZR570)
BODY, SIDE NETS - R13VH57FX (49RGRNETS12RZR570)
BRAKES, BRAKE LINES and MASTER CYLINDER - R13VH57FX (49RGRBRAKELINES12RZR570)
BRAKES, CALIPER MOUNTING - R13VH57FX (49ATVCALIPERMTG12RZR570)
BRAKES, FRONT CALIPER - R13VH57FX (49RGRCALIPER08VISTA)
BRAKES, PARK BRAKE - R13VH57FX (49RGRBRAKEPARK12RZR570I)
BRAKES, PEDAL and MASTER CYLINDER - R13VH57FX (49RGRBRAKEFOOT12RZR)
BRAKES, REAR CALIPER - R13VH57FX (4999204069920406B10)
CHASSIS, CAB FRAME and SIDE BARS - R13VH57FX (49RGRCAB12RZR570)
CHASSIS, MAIN FRAME and SKID PLATE - R13VH57FX (49RGRFRAME12RZR570)
DRIVE TRAIN, CLUTCH COVER and DUCTING - R13VH57FX (49RGRCLUTCHCVR13RZR570I)
DRIVE TRAIN, FRONT GEARCASE - R13VH57FX (49RGRGEARCASEMTG11RZR)
DRIVE TRAIN, FRONT GEARCASE INTERNALS - R13VH57FX (49RGRTRANSINTL11RZR)
DRIVE TRAIN, FRONT HALF SHAFT - R13VH57FX (49ATVSHAFTDRIVE08VISTA)
DRIVE TRAIN, FRONT PROP SHAFT - R13VH57FX (49RGRSHAFTPROP12RZR570)
DRIVE TRAIN, GEAR SELECTOR - R13VH57FX (49ATVGEARSELECT13RZR570I)
DRIVE TRAIN, MAIN GEARCASE - R13VH57FX (49RGRTRANS1333133)
DRIVE TRAIN, MAIN GEARCASE INTERNALS - R13VH57FX (49RGRTRANSINTL1333133)
DRIVE TRAIN, PRIMARY CLUTCH - R13VH57FX (49RGRCLUTCHDRV12RZR570)
DRIVE TRAIN, REAR HALF SHAFT - R13VH57FX (49RGRSHAFTDRIVERR12RZR570)
DRIVE TRAIN, SECONDARY CLUTCH - R13VH57FX (49RGRCLUTCHDVN13RZR570I)
ELECTRICAL, BATTERY - R13VH57FX (49RGRBATTERY12RZR570I)
ELECTRICAL, DASH INSTRUMENTS and CONTROLS - R13VH57FX (49RGRDASH12RZR570I)
ELECTRICAL, HEADLIGHTS, TAILLIGHTS and BULBS - R13VH57FX (49RGRTAILLAMPS12RZR570I)
ELECTRICAL, IGNITION - R13VH57FX (49RGRIGNITION12RZR570)
ELECTRICAL, SENSORS and CONTROL MODULES - R13VH57AD (49RGRELECT12RZR570I)
ELECTRICAL, TURN SIGNALS, HORN and MIRRORS - R13VH57FX (49RGRTURNSIG12RZR570I)
ELECTRICAL, WIRE HARNESS - R13VH57FX (49RGRHARNESS13RZR570I)
ENGINE, AIR INTAKE SYSTEM - R13VH57FX (49RGRAIRBOX13RZR570I)
ENGINE, BREATHER - R13VH57FX (49RGRBREATHER12RZR570)
ENGINE, CAM CHAIN and SPROCKET - R13VH57FX (49RGRCAM12RZR570)
ENGINE, COOLING SYSTEM - R13VH57FX (49RGRCOOL12RZR570)
ENGINE, CRANKCASE - R13VH57FX (49RGRCRANKCASE12RZR570)
ENGINE, CRANKSHAFT, PISTON and BALANCE SHAFT - R13VH57FX (49RGRPISTON12RZR570)
ENGINE, CYLINDER - R13VH57FX (49RGRCYLINDER12RZR570)
ENGINE, CYLINDER HEAD, CAMS and VALVES - R13VH57FX (49RGRCYLINDERHD13RZR570)
ENGINE, ENGINE and TRANSMISSION MOUNTING - R13VH57FX (49RGRENGINEMTG12RZR570I)
ENGINE, EXHAUST SYSTEM - R13VH57FX (49RGREXHAUST13RZR570I)
ENGINE, LONG BLOCK - R13VH57FX (49RGRSB12RZR570)
ENGINE, OIL FILTER and DIPSTICK - R13VH57FX (49RGROILFILTER12RZR570)
ENGINE, OIL PUMP - R13VH57FX (49RGROILPUMP12RZR570)
ENGINE, STARTER DRIVE - R13VH57FX (49RGRSTARTINGMTR12RZR570)
ENGINE, STATOR COVER and FLYWHEEL - R13VH57FX (49RGRFLYWHEELCVR12RZR570)
ENGINE, THERMOSTAT and COVER - R13VH57FX (49RGRTHERMO12RZR570)
ENGINE, THROTTLE BODY and FUEL RAIL - R13VH57FX (49RGRTHROTTLEBODY12RZR570)
ENGINE, THROTTLE PEDAL - R13VH57FX (49RGRTHROTTLEPEDAL13RZRXP4)
ENGINE, VALVE COVER - R13VH57FX (49RGRVALVE12RZR570)
ENGINE, WATERPUMP IMPELLER and COVER - R13VH57FX (49RGRWATERPUMP12RZR570)
REFERENCES, TOOL KIT and OWNERS MANUAL - R13VH57FX (49RGRTOOL09RZR)
STEERING, STEERING ASM. - R13VH57FX (49RGRSTEERING12RZR570I)
SUSPENSION, FRONT CONTROL ARMS - R13VH57FX (49RGRSUSPFRT11RZR)
SUSPENSION, FRONT SHOCK MOUNTING - R13VH57FX (49RGRSHOCKMTG12RZR570)
SUSPENSION, REAR CONTROL ARMS - R13VH57FX (49RGRSUSPRR12RZR570)
SUSPENSION, REAR SHOCK MOUNTING - R13VH57FX (49RGRSHOCKMTGRR12RZR570)
SUSPENSION, STABILIZER BAR, FRONT - R13VH57FX (49RGRSTABILIZERFRT12RZR570)
SUSPENSION, STABILIZER BAR, REAR - R13VH57FX (49RGRSTABILIZERRR13RZR570I)
WHEELS, FRONT - R13VH57FX (49RGRWHEELFRT12RZR570I)
WHEELS, REAR - R13VH57FX (49RGRWHEELRR12RZR570I)
View Cart
VIEW WISH LIST