Polaris
Browse New Models
Shop In-Stock
Can-Am
Browse New Models
Shop In-Stock
Ski-Doo
Browse New Models
Shop In-Stock
Sea-Doo
Browse New Models
Shop In-Stock
Kayo
Browse New Models
Shop In-Stock
Manitou
Browse New Models
Shop In-Stock
Our
Location
Call
Us
Contact
Us
Toggle navigation
Home
Brands
Showroom
Manufacturer Models
OEM Promotions
Polaris Off-Road
Polaris Snowmobiles
Can-Am
Sea-Doo
Ski-Doo
Kayo
Yamaha Marine
Triton Trailers
Manitou
Nitro Trailers
CAM Superline
Durabull Trailers
Trifecta Pontoons
Inventory
All Inventory In Stock
New Inventory In Stock
Pre-Owned Inventory
Value Your Trade-In
Request a Model
Financing
Parts
Parts Department
OEM Parts Finder
Service
Service Department
Request Polaris Service
Warranty & Recall Look-Up
Financing
About
Our Dealership
Our Team
Reviews
Customer Survey
Newsletter Sign-Up
Employment
Events
Location & Hours
Contact
Call Us
Fort Kent, ME
Fiche | Parts Diagrams
2014 Polaris Utility Vehicles
Home
›
Parts
›
OEM Parts Finder
Search by :
Part / Desc
VIN
Please Select
Can-Am
LYNX
Polaris
Sea-Doo
Ski-Doo
Yamaha
*Please enter at least 3 characters
SEARCH
Manufacturer
Polaris
Utility Vehicles
2014
INTL RZR 4 900 (Z14XT9EFX)
View Cart
VIEW WISH LIST
Select a Section
Show/Hide
BODY, DECALS - Z14XT9EFX (49RGRDECAL14ZXP4I)
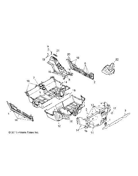
BODY, FLOOR and ROCKER PANELS - Z14XT9EFX (49RGRFLOOR14ZXP4I)
BODY, FRONT BUMPER - Z14XT9EFX (49RGRBUMPER13RZRXP4I)
BODY, FUEL TANK - Z14XT9EFX (49RGRFUEL13RZRXP4I)
BODY, GLOVEBOX - Z14XT9EFX (49RGRGLOVEBOX12RZR)
BODY, GRAB BAR, PASSENGER - Z14XT9EFX (49RGRGRABBAR12RZRXP900)
BODY, HOOD and FRONT BODY WORK - Z14XT9EFX (49RGRHOOD13RZRXP4I)
BODY, REAR BUMPER - Z14XT9EFX (49RGRBUMPERRR12RZRXP900)
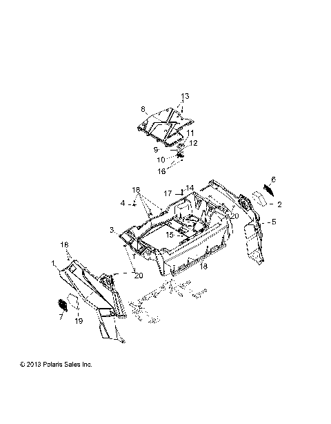
BODY, REAR RACK and FENDERS - Z14XT9EFX (49RGRRACKMTG14ZXP4I)
BODY, SEAT ASM. - Z14XT9EFX (49RGRSEAT11RZR)
BODY, SEAT DIVIDER - Z14XT9EFX (49RGRSEATDVD13RZRXP4I)
BODY, SEAT MOUNTING and BELTS - Z14XT9EFX (49RGRSEATMTG14ZXP4I)
BODY, SIDE NETS - Z14XT9EFX (49RGRNETS12RZRXP4)
BRAKES, BRAKE LINES and MASTER CYLINDER - Z14XT9EFX (49RGRBRAKELINES12RZRXP4)
BRAKES, CALIPER MOUNTING - Z14XT9EFX (49ATVCALIPERMTG12RZRXP4)
BRAKES, FRONT CALIPER - Z14XT9EFX (49RGRCALIPER095004X4)
BRAKES, PARK - Z14XT9EFX (49RGRBRAKEPARK13RZRXP4I)
BRAKES, PEDAL and MASTER CYLINDER - Z14XT9EFX (49RGRBRAKEFOOT12RZRXP900)
BRAKES, REAR CALIPER - Z14XT9EFX (49RGRCALIPERRR12RZRXP4)
CHASSIS, CAB FRAME and SIDE BARS - Z14XT9EFX (49RGRCAB13RZRXP4I)
CHASSIS, MAIN FRAME and SKID PLATE - Z14XT9EFX (49RGRFRAME12RZRXP4)
DRIVE TRAIN, CLUTCH COVER and DUCTING - Z14XT9EFX (49RGRCLUTCHCVR12RZRXP900)
DRIVE TRAIN, FRONT GEARCASE - Z14XT9EFX (49RGRGEARCASEMTG11RZR875)
DRIVE TRAIN, FRONT GEARCASE INTERNALS - Z14XT9EFX (49RGRGEARCASE1333105)
DRIVE TRAIN, FRONT HALF SHAFT - Z14XT9EFX (49RGRSHAFTDRV11RZR875)
DRIVE TRAIN, FRONT PROP SHAFT - Z14XT9EFX (49RGRSHAFTPROP12RZRXP900)
DRIVE TRAIN, GEAR SELECTOR - Z14XT9EFX (49RGRGEARSELECT14ZXP4I)
DRIVE TRAIN, MAIN GEARCASE - Z14XT9EFX (49RGRTRANS1333063)
DRIVE TRAIN, MAIN GEARCASE INTERNALS - Z14XT9EFX (49RGRTRANSINTL1333063)
DRIVE TRAIN, PRIMARY CLUTCH - Z14XT9EFX (49RGRCLUTCHDRV11RZR875)
DRIVE TRAIN, REAR HALF SHAFT - Z14XT9EFX (49RGRSHAFTDRIVERR11RZRS)
DRIVE TRAIN, SECONDARY CLUTCH - Z14XT9EFX (49RGRCLUTCHDVN11RZR875)
ELECTRICAL, BATTERY - Z14XT9EFX (49RGRBATTERY14ZXP4I)
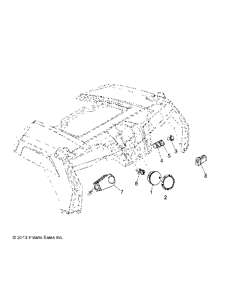
ELECTRICAL, DASH INSTRUMENTS and CONTROLS - Z14XT9EFX (49ATVDASH14ZXP4I)
ELECTRICAL, HEADLIGHTS, TAILLIGHTS and BULBS - Z14XT9EFX (49RGRTAILLAMPS12RZRXPI)
ELECTRICAL, IGNITION - Z14XT9EFX (49RGRIGNITION11RZR875)
ELECTRICAL, SENSORS - Z14XT9EFX (49RGRELECT12RZRXP900)
ELECTRICAL, TURN SIGNALS, HORN and MIRRORS - Z14XT9EFX (49RGRTURNSIG12RZRXPI)
ELECTRICAL, WIRE HARNESS, EPS - Z14XT9EFX (49RGRHARNESS14ZXP4I)
ENGINE, AIR INTAKE SYSTEM - Z14XT9EFX (49RGRAIRBOX13RZRXP900)
ENGINE, BALANCER - Z14XT9EFX (49RGRBALANCER11RZR875)
ENGINE, COOLING SYSTEM - Z14XT9EFX (49RGRCOOL12RZRXP4)
ENGINE, COOLING, THERMOSTAT and BYPASS - Z14XT9EFX (49RGRTHERMO13RZRXP4I)
ENGINE, COOLING, WATERPUMP - Z14XT9EFX (49RGRWATERPUMP11RZR875)
ENGINE, CRANKCASE - Z14XT9EFX (49RGRCRANKCASE13RZRXP4I)
ENGINE, CRANKSHAFT and PISTON - Z14XT9EFX (49RGRPISTON11RZR875)
ENGINE, CYLINDER and HEAD - Z14XT9EFX (49RGRCYLINDER11RZR875)
ENGINE, EXHAUST SYSTEM - Z14XT9EFX (49RGREXHAUST11RZR875)
ENGINE, OIL DIPSTICK - Z14XT9EFX (49RGRDIPSTICK13RZRXP4)
ENGINE, OIL PUMP and OIL COOLER - Z14XT9EFX (49RGROILPUMP13RZRXP4I)
ENGINE, STARTER and DRIVE - Z14XT9EFX (49RGRSTARTINGMTR13RZRXP4)
ENGINE, STATOR and COVER - Z14XT9EFX (49RGRMAGNETOCVR12RZRXP900)
ENGINE, THROTTLE BODY and INJECTOR - Z14XT9EFX (49RGRTHROTTLEBODY14ZXP4I)
ENGINE, THROTTLE PEDAL - Z14XT9EFX (49RGRTHROTTLEPEDAL13RZRXP4)
ENGINE, TRANSMISSION MOUNTING - Z14XT9EFX (49RGRENGINEMTG13RZRXP4)
ENGINE, VALVE COVER - Z14XT9EFX (49RGRVALVE13RZRXP4I)
ENGINE, VALVES and CAMSHAFTS - Z14XT9EFX (49RGRVALVECAM14RZR9004)
REFERENCES, TOOL KIT and OWNERS MANUAL - Z14XT9EFX (49RGRTOOL13RZRXP4I)
STEERING, STEERING ASM. - Z14XT9EFX (49RGRSTEERING14ZXP4I)
SUSPENSION, FRONT CONTROL ARMS - Z14XT9EFX (49RGRSUSPFRT13RZRXP4I)
SUSPENSION, FRONT SHOCK (7043778) - Z14XT9EFX (49RGRSHOCKFRT7043778)
SUSPENSION, FRONT SHOCK MOUNTING - Z14XT9EFX (49RGRSHOCKMTG12RZRXP4)
SUSPENSION, REAR - Z14XT9EFX (49RGRSUSPRR12RZRXP900)
SUSPENSION, REAR SHOCK (7043938) - Z14XT9EFX (49RGRSHOCKRR7043938)
SUSPENSION, REAR SHOCK MOUNTING - Z14XT9EFX (49RGRSHOCKMTGRR13RZRXP4I)
SUSPENSION, STABILIZER BAR, FRONT - Z14XT9EFX (49RGRSTABILIZERFRT12RZRXPI)
SUSPENSION, TORSION BAR, REAR - Z14XT9EFX (49RGRSTABILIZERRR11RZR875)
WHEELS, FRONT - Z14XT9EFX (49RGRWHEELFRT11RZR875)
WHEELS, REAR - Z14XT9EFX (49RGRWHEELRR11RZR875)
BODY, DECALS - Z14XT9EFX (49RGRDECAL14ZXP4I)
BODY, FLOOR and ROCKER PANELS - Z14XT9EFX (49RGRFLOOR14ZXP4I)
BODY, FRONT BUMPER - Z14XT9EFX (49RGRBUMPER13RZRXP4I)
BODY, FUEL TANK - Z14XT9EFX (49RGRFUEL13RZRXP4I)
BODY, GLOVEBOX - Z14XT9EFX (49RGRGLOVEBOX12RZR)
BODY, GRAB BAR, PASSENGER - Z14XT9EFX (49RGRGRABBAR12RZRXP900)
BODY, HOOD and FRONT BODY WORK - Z14XT9EFX (49RGRHOOD13RZRXP4I)
BODY, REAR BUMPER - Z14XT9EFX (49RGRBUMPERRR12RZRXP900)
BODY, REAR RACK and FENDERS - Z14XT9EFX (49RGRRACKMTG14ZXP4I)
BODY, SEAT ASM. - Z14XT9EFX (49RGRSEAT11RZR)
BODY, SEAT DIVIDER - Z14XT9EFX (49RGRSEATDVD13RZRXP4I)
BODY, SEAT MOUNTING and BELTS - Z14XT9EFX (49RGRSEATMTG14ZXP4I)
BODY, SIDE NETS - Z14XT9EFX (49RGRNETS12RZRXP4)
BRAKES, BRAKE LINES and MASTER CYLINDER - Z14XT9EFX (49RGRBRAKELINES12RZRXP4)
BRAKES, CALIPER MOUNTING - Z14XT9EFX (49ATVCALIPERMTG12RZRXP4)
BRAKES, FRONT CALIPER - Z14XT9EFX (49RGRCALIPER095004X4)
BRAKES, PARK - Z14XT9EFX (49RGRBRAKEPARK13RZRXP4I)
BRAKES, PEDAL and MASTER CYLINDER - Z14XT9EFX (49RGRBRAKEFOOT12RZRXP900)
BRAKES, REAR CALIPER - Z14XT9EFX (49RGRCALIPERRR12RZRXP4)
CHASSIS, CAB FRAME and SIDE BARS - Z14XT9EFX (49RGRCAB13RZRXP4I)
CHASSIS, MAIN FRAME and SKID PLATE - Z14XT9EFX (49RGRFRAME12RZRXP4)
DRIVE TRAIN, CLUTCH COVER and DUCTING - Z14XT9EFX (49RGRCLUTCHCVR12RZRXP900)
DRIVE TRAIN, FRONT GEARCASE - Z14XT9EFX (49RGRGEARCASEMTG11RZR875)
DRIVE TRAIN, FRONT GEARCASE INTERNALS - Z14XT9EFX (49RGRGEARCASE1333105)
DRIVE TRAIN, FRONT HALF SHAFT - Z14XT9EFX (49RGRSHAFTDRV11RZR875)
DRIVE TRAIN, FRONT PROP SHAFT - Z14XT9EFX (49RGRSHAFTPROP12RZRXP900)
DRIVE TRAIN, GEAR SELECTOR - Z14XT9EFX (49RGRGEARSELECT14ZXP4I)
DRIVE TRAIN, MAIN GEARCASE - Z14XT9EFX (49RGRTRANS1333063)
DRIVE TRAIN, MAIN GEARCASE INTERNALS - Z14XT9EFX (49RGRTRANSINTL1333063)
DRIVE TRAIN, PRIMARY CLUTCH - Z14XT9EFX (49RGRCLUTCHDRV11RZR875)
DRIVE TRAIN, REAR HALF SHAFT - Z14XT9EFX (49RGRSHAFTDRIVERR11RZRS)
DRIVE TRAIN, SECONDARY CLUTCH - Z14XT9EFX (49RGRCLUTCHDVN11RZR875)
ELECTRICAL, BATTERY - Z14XT9EFX (49RGRBATTERY14ZXP4I)
ELECTRICAL, DASH INSTRUMENTS and CONTROLS - Z14XT9EFX (49ATVDASH14ZXP4I)
ELECTRICAL, HEADLIGHTS, TAILLIGHTS and BULBS - Z14XT9EFX (49RGRTAILLAMPS12RZRXPI)
ELECTRICAL, IGNITION - Z14XT9EFX (49RGRIGNITION11RZR875)
ELECTRICAL, SENSORS - Z14XT9EFX (49RGRELECT12RZRXP900)
ELECTRICAL, TURN SIGNALS, HORN and MIRRORS - Z14XT9EFX (49RGRTURNSIG12RZRXPI)
ELECTRICAL, WIRE HARNESS, EPS - Z14XT9EFX (49RGRHARNESS14ZXP4I)
ENGINE, AIR INTAKE SYSTEM - Z14XT9EFX (49RGRAIRBOX13RZRXP900)
ENGINE, BALANCER - Z14XT9EFX (49RGRBALANCER11RZR875)
ENGINE, COOLING SYSTEM - Z14XT9EFX (49RGRCOOL12RZRXP4)
ENGINE, COOLING, THERMOSTAT and BYPASS - Z14XT9EFX (49RGRTHERMO13RZRXP4I)
ENGINE, COOLING, WATERPUMP - Z14XT9EFX (49RGRWATERPUMP11RZR875)
ENGINE, CRANKCASE - Z14XT9EFX (49RGRCRANKCASE13RZRXP4I)
ENGINE, CRANKSHAFT and PISTON - Z14XT9EFX (49RGRPISTON11RZR875)
ENGINE, CYLINDER and HEAD - Z14XT9EFX (49RGRCYLINDER11RZR875)
ENGINE, EXHAUST SYSTEM - Z14XT9EFX (49RGREXHAUST11RZR875)
ENGINE, OIL DIPSTICK - Z14XT9EFX (49RGRDIPSTICK13RZRXP4)
ENGINE, OIL PUMP and OIL COOLER - Z14XT9EFX (49RGROILPUMP13RZRXP4I)
ENGINE, STARTER and DRIVE - Z14XT9EFX (49RGRSTARTINGMTR13RZRXP4)
ENGINE, STATOR and COVER - Z14XT9EFX (49RGRMAGNETOCVR12RZRXP900)
ENGINE, THROTTLE BODY and INJECTOR - Z14XT9EFX (49RGRTHROTTLEBODY14ZXP4I)
ENGINE, THROTTLE PEDAL - Z14XT9EFX (49RGRTHROTTLEPEDAL13RZRXP4)
ENGINE, TRANSMISSION MOUNTING - Z14XT9EFX (49RGRENGINEMTG13RZRXP4)
ENGINE, VALVE COVER - Z14XT9EFX (49RGRVALVE13RZRXP4I)
ENGINE, VALVES and CAMSHAFTS - Z14XT9EFX (49RGRVALVECAM14RZR9004)
REFERENCES, TOOL KIT and OWNERS MANUAL - Z14XT9EFX (49RGRTOOL13RZRXP4I)
STEERING, STEERING ASM. - Z14XT9EFX (49RGRSTEERING14ZXP4I)
SUSPENSION, FRONT CONTROL ARMS - Z14XT9EFX (49RGRSUSPFRT13RZRXP4I)
SUSPENSION, FRONT SHOCK (7043778) - Z14XT9EFX (49RGRSHOCKFRT7043778)
SUSPENSION, FRONT SHOCK MOUNTING - Z14XT9EFX (49RGRSHOCKMTG12RZRXP4)
SUSPENSION, REAR - Z14XT9EFX (49RGRSUSPRR12RZRXP900)
SUSPENSION, REAR SHOCK (7043938) - Z14XT9EFX (49RGRSHOCKRR7043938)
SUSPENSION, REAR SHOCK MOUNTING - Z14XT9EFX (49RGRSHOCKMTGRR13RZRXP4I)
SUSPENSION, STABILIZER BAR, FRONT - Z14XT9EFX (49RGRSTABILIZERFRT12RZRXPI)
SUSPENSION, TORSION BAR, REAR - Z14XT9EFX (49RGRSTABILIZERRR11RZR875)
WHEELS, FRONT - Z14XT9EFX (49RGRWHEELFRT11RZR875)
WHEELS, REAR - Z14XT9EFX (49RGRWHEELRR11RZR875)
View Cart
VIEW WISH LIST