Polaris
Browse New Models
Shop In-Stock
Can-Am
Browse New Models
Shop In-Stock
Ski-Doo
Browse New Models
Shop In-Stock
Sea-Doo
Browse New Models
Shop In-Stock
Kayo
Browse New Models
Shop In-Stock
Manitou
Browse New Models
Shop In-Stock
Our
Location
Call
Us
Contact
Us
Toggle navigation
Home
Brands
Showroom
Manufacturer Models
OEM Promotions
Polaris Off-Road
Polaris Snowmobiles
Can-Am
Sea-Doo
Ski-Doo
Kayo
Yamaha Marine
Triton Trailers
Manitou
Nitro Trailers
CAM Superline
Durabull Trailers
Trifecta Pontoons
Inventory
All Inventory In Stock
New Inventory In Stock
Pre-Owned Inventory
Value Your Trade-In
Request a Model
Financing
Parts
Parts Department
OEM Parts Finder
Service
Service Department
Request Polaris Service
Warranty & Recall Look-Up
Financing
About
Our Dealership
Our Team
Reviews
Customer Survey
Newsletter Sign-Up
Employment
Events
Location & Hours
Contact
Call Us
Fort Kent, ME
Fiche | Parts Diagrams
2014 Polaris Utility Vehicles
Home
›
Parts
›
OEM Parts Finder
Search by :
Part / Desc
VIN
Please Select
Can-Am
LYNX
Polaris
Sea-Doo
Ski-Doo
Yamaha
*Please enter at least 3 characters
SEARCH
Manufacturer
Polaris
Utility Vehicles
2014
RZR 4 800 (Z14XE7EAL/X)
View Cart
VIEW WISH LIST
Select a Section
Show/Hide
BODY, DECALS - Z14XE7EAL/X (49RGRDECAL14RZR8004)
BODY, FLOOR and ROCKER PANELS - Z14XE7EAL/X (49RGRFLOOR13RZR4)
BODY, FRONT BUMPER - Z14XE7EAL/X (49RGRBUMPER13RZR)
BODY, FUEL TANK - Z14XE7EAL/X (49RGRFUEL11RZRS)
BODY, GLOVEBOX - Z14XE7EAL/X (49RGRGLOVEBOX12RZR)
BODY, GRAB BAR, PASSENGER - Z14XE7EAL/X (49RGRGRABBAR12RZR4)
BODY, HOOD and FRONT BODY WORK - Z14XE7EAL/X (49RGRHOOD14RZR4)
BODY, REAR BUMPER - Z14XE7EAL/X (49RGRBUMPERRR09RZR)
BODY, REAR RACK and FENDERS - Z14XE7EAL/X (49RGRRACKMTG13RZR4)
BODY, SEAT ASM. - Z14XE7EAL/X (49RGRSEAT11RZR)
BODY, SEAT MOUNTING and BELTS - Z14XE7EAL/X (49RGRSEATMTG14RZR4)
BODY, SIDE NETS - Z14XE7EAL/X (49RGRNETS14RZR4)
BRAKES, BRAKE LINES and MASTER CYLINDER - Z14XE7EAL/X (49RGRBRAKELINES12RZR4)
BRAKES, CALIPER MOUNTING - Z14XE7EAL/X (49ATVCALIPERMTG08VISTA)
BRAKES, FRONT CALIPER - Z14XE7EAL/X (49RGRCALIPER095004X4)
BRAKES, PEDAL and MASTER CYLINDER - Z14XE7EAL/X (49RGRBRAKEFOOT13RZR)
BRAKES, REAR CALIPER - Z14XE7EAL/X (4999204069920406B10)
CHASSIS, CAB FRAME and SIDE BARS - Z14XE7EAL/X (49RGRCAB13RZR4)
CHASSIS, MAIN FRAME and SKID PLATE - Z14XE7EAL/X (49RGRFRAME12RZR4)
DRIVE TRAIN, CLUTCH COVER and DUCTING - Z14XE7EAL/X (49RGRCLUTCHCVR11RZRS)
DRIVE TRAIN, FRONT GEARCASE - Z14XE7EAL/X (49RGRGEARCASEMTG11RZR)
DRIVE TRAIN, FRONT GEARCASE INTERNALS - Z14XE7EAL/X (49RGRTRANSINTL13900XP)
DRIVE TRAIN, FRONT HALF SHAFT - Z14XE7EAL/X (49RGRSHAFTDRV09RZRS)
DRIVE TRAIN, FRONT PROP SHAFT - Z14XE7EAL/X (49RGRSHAFTPROP11RZR4)
DRIVE TRAIN, GEAR SELECTOR - Z14XE7EAL/X (49ATVGEARSELECT13RZR4)
DRIVE TRAIN, GEARCASE, CARRIER MOUNTING - Z14XE7EAL/X (49RGRTRANSMTG11RZRS)
DRIVE TRAIN, GEARCASE, CARRIER, INTERNAL COMPONENTS - Z14XE7EAL/X (49RGRGEARCASERR10RZRS)
DRIVE TRAIN, MAIN GEARCASE INTERNALS 1 - Z14XE7EAL/X (49RGRTRANSINTL12RZR)
DRIVE TRAIN, MAIN GEARCASE INTERNALS 2 - Z14XE7EAL/X (49RGRTRANSINTL211RZRS)
DRIVE TRAIN, PRIMARY CLUTCH - Z14XE7EAL/X (49RGRCLUTCHDRV09RZRS)
DRIVE TRAIN, REAR HALF SHAFT - Z14XE7EAL/X (49RGRSHAFTDRIVERR11RZRS)
DRIVE TRAIN, SECONDARY CLUTCH - Z14XE7EAL/X (49ATVCLUTCHDRIVEN10RZRI)
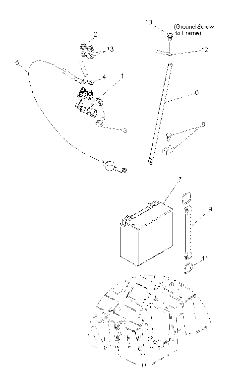
ELECTRICAL, BATTERY - Z14XE7EAL/X (49RGRBATTERY11RZR)
ELECTRICAL, DASH INSTRUMENTS and CONTROLS - Z14XE7EAL/X (49ATVDASH11RZRS)
ELECTRICAL, HEADLIGHTS, TAILLIGHTS and BULBS - Z14XE7EAL/X (49RGRTAILLAMPS11RZR)
ELECTRICAL, IGNITION - Z14XE7EAL/X (49RGRIGNITION11RZR4)
ELECTRICAL, SENSORS - Z14XE7EAL/X (49RGRELECT11RZRS)
ELECTRICAL, WIRE HARNESS - Z14XE7EAL/X (49RGRHARNESS12RZR4EPS)
ENGINE, AIR INTAKE SYSTEM - Z14XE7EAL/X (49RGRAIRBOX11RZRS)
ENGINE, COOLING SYSTEM - Z14XE7EAL/X (49RGRCOOL12RZR4)
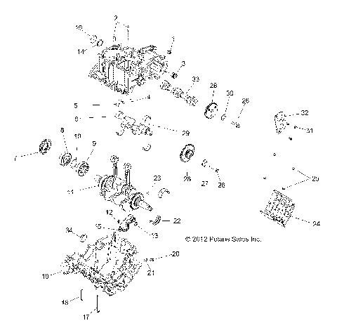
ENGINE, CRANKCASE and CRANKSHAFT - Z14XE7EAL/X (49RGRCRANKCASE13RZR4)
ENGINE, CYLINDER HEAD and VALVES - Z14XE7EAL/X (49RGRVALVE11RZRS)
ENGINE, DIPSTICK and OIL FILTER - Z14XE7EAL/X (49ATVDIPSTICK08VISTA)
ENGINE, EXHAUST SYSTEM - Z14XE7EAL/X (49RGREXHAUST11RZRSI)
ENGINE, FUEL INJECTOR - Z14XE7EAL/X (49RGRFUELINJECT11RZRS)
ENGINE, OIL PUMP and WATER PUMP - Z14XE7EAL/X (49RGROILPUMP13RZR)
ENGINE, PISTON and CYLINDER - Z14XE7EAL/X (49ATVCYLINDER08VISTA)
ENGINE, STARTING MOTOR - Z14XE7EAL/X (49RGRSTARTINGMTR11800)
ENGINE, STATOR and FLYWHEEL - Z14XE7EAL/X (49RGRMAGNETOCVR013RZR)
ENGINE, THERMOSTAT - Z14XE7EAL/X (49RGRTHERMO13RZR)
ENGINE, THROTTLE BODY and VALVE COVER - Z14XE7EAL/X (49RGRTHROTTLEBODY13RZR)
ENGINE, THROTTLE PEDAL - Z14XE7EAL/X (49RGRTHROTTLEPEDAL13RZR4)
ENGINE, TRANSMISSION MOUNTING - Z14XE7EAL/X (49RGRENGINEMTG10RZRS4)
REFERENCES, TOOL KIT and OWNERS MANUALS - Z14XE7EAL/X (49RGRTOOL097004X4)
STEERING, STEERING ASM. - Z14XE7EAL/X (49RGRSTEERING14RZR4)
SUSPENSION, FRONT CONTROL ARMS - Z14XE7EAL/X (49RGRSUSPFRT12RZR4)
SUSPENSION, FRONT SHOCK - Z14XE7EAL/X (49RGRSHOCKFRT7043928)
SUSPENSION, FRONT SHOCK MOUNTING - Z14XE7EAL/X (49RGRSHOCKMTG11RZR4)
SUSPENSION, REAR CONTROL ARMS - Z14XE7EAL/X (49RGRSUSPRR14RZR4)
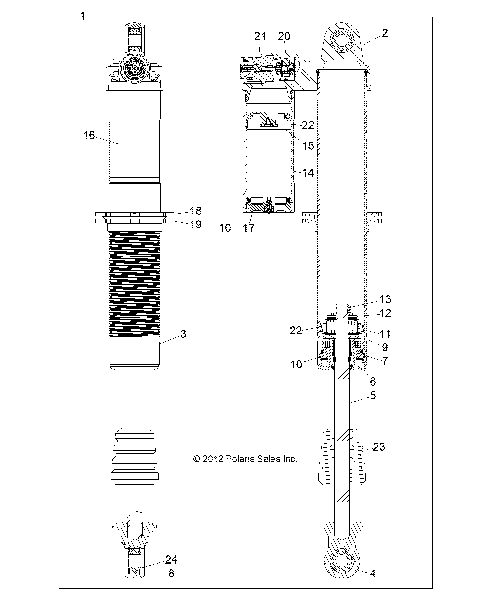
SUSPENSION, REAR SHOCK - Z14XE7EAL/X (49RGRSHOCKRR7043927)
SUSPENSION, REAR SHOCK MOUNTING - Z14XE7EAL/X (49RGRSHOCKMTGRR11RZR4)
SUSPENSION, STABILIZER BAR, REAR - Z14XE7EAL/X (49RGRSTABILIZERRR09RZRS)
WHEELS, FRONT - Z14XE7EAL/X (49RGRWHEELFRT10RZRS4)
WHEELS, REAR - Z14XE7EAL/X (49ATVWHEELREAR09RZRS)
BODY, DECALS - Z14XE7EAL/X (49RGRDECAL14RZR8004)
BODY, FLOOR and ROCKER PANELS - Z14XE7EAL/X (49RGRFLOOR13RZR4)
BODY, FRONT BUMPER - Z14XE7EAL/X (49RGRBUMPER13RZR)
BODY, FUEL TANK - Z14XE7EAL/X (49RGRFUEL11RZRS)
BODY, GLOVEBOX - Z14XE7EAL/X (49RGRGLOVEBOX12RZR)
BODY, GRAB BAR, PASSENGER - Z14XE7EAL/X (49RGRGRABBAR12RZR4)
BODY, HOOD and FRONT BODY WORK - Z14XE7EAL/X (49RGRHOOD14RZR4)
BODY, REAR BUMPER - Z14XE7EAL/X (49RGRBUMPERRR09RZR)
BODY, REAR RACK and FENDERS - Z14XE7EAL/X (49RGRRACKMTG13RZR4)
BODY, SEAT ASM. - Z14XE7EAL/X (49RGRSEAT11RZR)
BODY, SEAT MOUNTING and BELTS - Z14XE7EAL/X (49RGRSEATMTG14RZR4)
BODY, SIDE NETS - Z14XE7EAL/X (49RGRNETS14RZR4)
BRAKES, BRAKE LINES and MASTER CYLINDER - Z14XE7EAL/X (49RGRBRAKELINES12RZR4)
BRAKES, CALIPER MOUNTING - Z14XE7EAL/X (49ATVCALIPERMTG08VISTA)
BRAKES, FRONT CALIPER - Z14XE7EAL/X (49RGRCALIPER095004X4)
BRAKES, PEDAL and MASTER CYLINDER - Z14XE7EAL/X (49RGRBRAKEFOOT13RZR)
BRAKES, REAR CALIPER - Z14XE7EAL/X (4999204069920406B10)
CHASSIS, CAB FRAME and SIDE BARS - Z14XE7EAL/X (49RGRCAB13RZR4)
CHASSIS, MAIN FRAME and SKID PLATE - Z14XE7EAL/X (49RGRFRAME12RZR4)
DRIVE TRAIN, CLUTCH COVER and DUCTING - Z14XE7EAL/X (49RGRCLUTCHCVR11RZRS)
DRIVE TRAIN, FRONT GEARCASE - Z14XE7EAL/X (49RGRGEARCASEMTG11RZR)
DRIVE TRAIN, FRONT GEARCASE INTERNALS - Z14XE7EAL/X (49RGRTRANSINTL13900XP)
DRIVE TRAIN, FRONT HALF SHAFT - Z14XE7EAL/X (49RGRSHAFTDRV09RZRS)
DRIVE TRAIN, FRONT PROP SHAFT - Z14XE7EAL/X (49RGRSHAFTPROP11RZR4)
DRIVE TRAIN, GEAR SELECTOR - Z14XE7EAL/X (49ATVGEARSELECT13RZR4)
DRIVE TRAIN, GEARCASE, CARRIER MOUNTING - Z14XE7EAL/X (49RGRTRANSMTG11RZRS)
DRIVE TRAIN, GEARCASE, CARRIER, INTERNAL COMPONENTS - Z14XE7EAL/X (49RGRGEARCASERR10RZRS)
DRIVE TRAIN, MAIN GEARCASE INTERNALS 1 - Z14XE7EAL/X (49RGRTRANSINTL12RZR)
DRIVE TRAIN, MAIN GEARCASE INTERNALS 2 - Z14XE7EAL/X (49RGRTRANSINTL211RZRS)
DRIVE TRAIN, PRIMARY CLUTCH - Z14XE7EAL/X (49RGRCLUTCHDRV09RZRS)
DRIVE TRAIN, REAR HALF SHAFT - Z14XE7EAL/X (49RGRSHAFTDRIVERR11RZRS)
DRIVE TRAIN, SECONDARY CLUTCH - Z14XE7EAL/X (49ATVCLUTCHDRIVEN10RZRI)
ELECTRICAL, BATTERY - Z14XE7EAL/X (49RGRBATTERY11RZR)
ELECTRICAL, DASH INSTRUMENTS and CONTROLS - Z14XE7EAL/X (49ATVDASH11RZRS)
ELECTRICAL, HEADLIGHTS, TAILLIGHTS and BULBS - Z14XE7EAL/X (49RGRTAILLAMPS11RZR)
ELECTRICAL, IGNITION - Z14XE7EAL/X (49RGRIGNITION11RZR4)
ELECTRICAL, SENSORS - Z14XE7EAL/X (49RGRELECT11RZRS)
ELECTRICAL, WIRE HARNESS - Z14XE7EAL/X (49RGRHARNESS12RZR4EPS)
ENGINE, AIR INTAKE SYSTEM - Z14XE7EAL/X (49RGRAIRBOX11RZRS)
ENGINE, COOLING SYSTEM - Z14XE7EAL/X (49RGRCOOL12RZR4)
ENGINE, CRANKCASE and CRANKSHAFT - Z14XE7EAL/X (49RGRCRANKCASE13RZR4)
ENGINE, CYLINDER HEAD and VALVES - Z14XE7EAL/X (49RGRVALVE11RZRS)
ENGINE, DIPSTICK and OIL FILTER - Z14XE7EAL/X (49ATVDIPSTICK08VISTA)
ENGINE, EXHAUST SYSTEM - Z14XE7EAL/X (49RGREXHAUST11RZRSI)
ENGINE, FUEL INJECTOR - Z14XE7EAL/X (49RGRFUELINJECT11RZRS)
ENGINE, OIL PUMP and WATER PUMP - Z14XE7EAL/X (49RGROILPUMP13RZR)
ENGINE, PISTON and CYLINDER - Z14XE7EAL/X (49ATVCYLINDER08VISTA)
ENGINE, STARTING MOTOR - Z14XE7EAL/X (49RGRSTARTINGMTR11800)
ENGINE, STATOR and FLYWHEEL - Z14XE7EAL/X (49RGRMAGNETOCVR013RZR)
ENGINE, THERMOSTAT - Z14XE7EAL/X (49RGRTHERMO13RZR)
ENGINE, THROTTLE BODY and VALVE COVER - Z14XE7EAL/X (49RGRTHROTTLEBODY13RZR)
ENGINE, THROTTLE PEDAL - Z14XE7EAL/X (49RGRTHROTTLEPEDAL13RZR4)
ENGINE, TRANSMISSION MOUNTING - Z14XE7EAL/X (49RGRENGINEMTG10RZRS4)
REFERENCES, TOOL KIT and OWNERS MANUALS - Z14XE7EAL/X (49RGRTOOL097004X4)
STEERING, STEERING ASM. - Z14XE7EAL/X (49RGRSTEERING14RZR4)
SUSPENSION, FRONT CONTROL ARMS - Z14XE7EAL/X (49RGRSUSPFRT12RZR4)
SUSPENSION, FRONT SHOCK - Z14XE7EAL/X (49RGRSHOCKFRT7043928)
SUSPENSION, FRONT SHOCK MOUNTING - Z14XE7EAL/X (49RGRSHOCKMTG11RZR4)
SUSPENSION, REAR CONTROL ARMS - Z14XE7EAL/X (49RGRSUSPRR14RZR4)
SUSPENSION, REAR SHOCK - Z14XE7EAL/X (49RGRSHOCKRR7043927)
SUSPENSION, REAR SHOCK MOUNTING - Z14XE7EAL/X (49RGRSHOCKMTGRR11RZR4)
SUSPENSION, STABILIZER BAR, REAR - Z14XE7EAL/X (49RGRSTABILIZERRR09RZRS)
WHEELS, FRONT - Z14XE7EAL/X (49RGRWHEELFRT10RZRS4)
WHEELS, REAR - Z14XE7EAL/X (49ATVWHEELREAR09RZRS)
View Cart
VIEW WISH LIST