Polaris
Browse New Models
Shop In-Stock
Can-Am
Browse New Models
Shop In-Stock
Ski-Doo
Browse New Models
Shop In-Stock
Sea-Doo
Browse New Models
Shop In-Stock
Kayo
Browse New Models
Shop In-Stock
Manitou
Browse New Models
Shop In-Stock
Our
Location
Call
Us
Contact
Us
Toggle navigation
Home
Brands
Showroom
Manufacturer Models
OEM Promotions
Polaris Off-Road
Polaris Snowmobiles
Can-Am
Sea-Doo
Ski-Doo
Kayo
Yamaha Marine
Triton Trailers
Manitou
Nitro Trailers
CAM Superline
Durabull Trailers
Trifecta Pontoons
Inventory
All Inventory In Stock
New Inventory In Stock
Pre-Owned Inventory
Value Your Trade-In
Request a Model
Financing
Parts
Parts Department
OEM Parts Finder
Service
Service Department
Request Polaris Service
Warranty & Recall Look-Up
Financing
About
Our Dealership
Our Team
Reviews
Customer Survey
Newsletter Sign-Up
Employment
Events
Location & Hours
Contact
Call Us
Fort Kent, ME
Fiche | Parts Diagrams
2015 Polaris Utility Vehicles
Home
›
Parts
›
OEM Parts Finder
Search by :
Part / Desc
VIN
Please Select
Can-Am
LYNX
Polaris
Sea-Doo
Ski-Doo
Yamaha
*Please enter at least 3 characters
SEARCH
Manufacturer
Polaris
Utility Vehicles
2015
INTL RANGER 900 XP EU (R15RTE87FA)
View Cart
VIEW WISH LIST
Select a Section
Show/Hide
BODY, BOX MOUNTING and LATCH - R15RTE87FA (49RGRBOXMOUNTING15900XP)
BODY, BOX, TAILGATE - R15RTE87FA (49RGRTAILGATE13900XP)
BODY, CARGO BOX - R15RTE87FA (49RGRBOX13900XP)
BODY, DASH - R15RTE87FA (49RGRDASH13900XP)
BODY, DECALS - R15RTE87FA (700091)
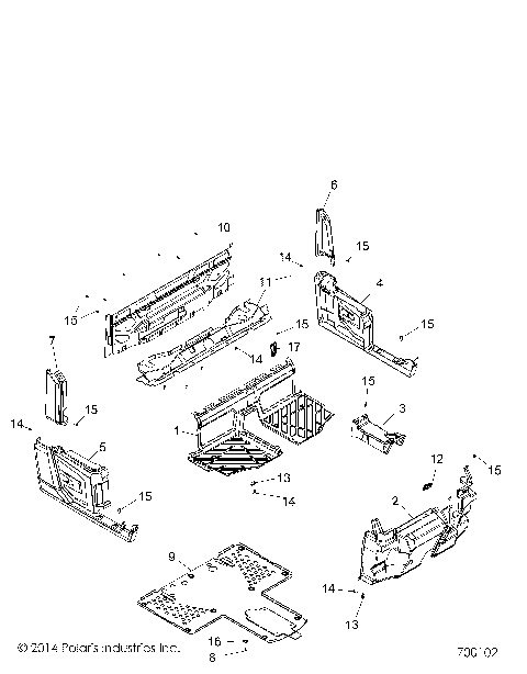
BODY, FLOOR and FENDERS - R15RTE87FA (700102)
BODY, FRONT BUMPER - R15RTE87FA (49RGRBUMPER13900XP)
BODY, FUEL TANK - R15RTE87FA (49RGRFUEL13900XP)
BODY, HOOD AND FRONT FACSIA - R15RTE87FA (700104)
BODY, SEAT - R15RTE87FA (49RGRSEAT15900XP)
BODY, SIDE NETS - R15RTE87FA (49RGRNETS15900XP)
BODY, STORAGE - R15RTE87FA (49RGRSTORAGE13900XP)
BRAKES, BRAKE LINES and MASTER CYLINDER - R15RTE87FA (49RGRBRAKELINES13900XP)
BRAKES, CALIPER MOUNTING - R15RTE87FA (49RGRCALIPERMTG13900XP)
BRAKES, FRONT CALIPER - R15RTE87FA (49RGRCALIPER097004X4)
BRAKES, MASTER CYLINDER - R15RTE87FA (49RGRMC13900XP)
BRAKES, PARKING - R15RTE87FA (700148)
BRAKES, PEDAL and MASTER CYLINDER - R15RTE87FA (49RGRBRAKEFOOT13900XP)
BRAKES, REAR CALIPER - R15RTE87FA (49RGRCALIPERRR097004X4)
CHASSIS, CAB FRAME - R15RTE87FA (49RGRCAB15900XP)
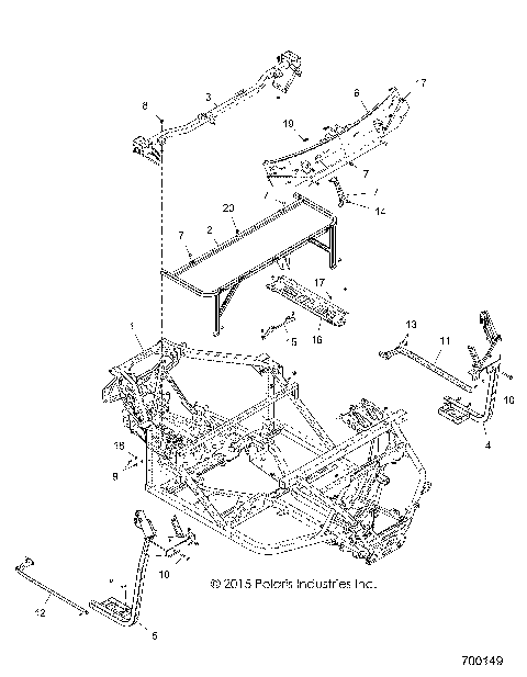
CHASSIS, MAIN FRAME - R15RTE87FA (700149)
DRIVE TRAIN, CLUTCH COVER and DUCTING - R15RTE87FA (49RGRCLUTCHCVR15900XP)
DRIVE TRAIN, CLUTCH, PRIMARY - R15RTE87FA (49RGRCLUTCHDRV14900XP)
DRIVE TRAIN, CLUTCH, SECONDARY - R15RTE87FA (49RGRCLUTCHDVN14900XP)
DRIVE TRAIN, FRONT GEARCASE INTERNALS - (FROM 01/01/2015) R15RTE87FA (49RGRTRANSINTL13900XP)
DRIVE TRAIN, FRONT GEARCASE INTERNALS - (TO 01/01/2015) R15RTE87FA (49RGRTRANSINTL13900XP)
DRIVE TRAIN, FRONT GEARCASE MOUNTING - R15RTE87FA (49RGRTRANSMTG13900XP)
DRIVE TRAIN, FRONT HALF SHAFT - R15RTE87FA (49RGRSHAFTDRV13900XP)
DRIVE TRAIN, FRONT PROP SHAFT - R15RTE87FA (49RGRSHAFTPROP13900XP)
DRIVE TRAIN, MAIN GEARCASE MOUNTING - R15RTE87FA (49RGRGEARCASEMTG13900XP)
DRIVE TRAIN, MAIN GEARCASE, INTERNALS - R15RTE87FA (700077)
DRIVE TRAIN, REAR DRIVE SHAFT - R15RTE87FA (49RGRSHAFTDRVRR13900XP)
DRIVE TRAIN, SHIFT LEVER and CABLE - R15RTE87FA (49RGRSHIFT13900XP)
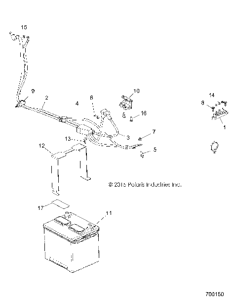
ELECTRICAL, BATTERY - R15RTE87FA (700150)
ELECTRICAL, DASH CONTROLS - R15RTE87FA (49RGRDASH13900)
ELECTRICAL, HARNESS - R15RTE87FA (700151)
ELECTRICAL, HEADLIGHT and TAILLIGHT - R15RTE87FA (49RGRTAILLAMPS13900XP)
ELECTRICAL, IGNITION - R15RTE87FA (49RGRIGNITION13900XP)
ELECTRICAL, SENSORS and MODULES - R15RTE87FA (700152)
ELECTRICAL, THROTTLE PEDAL - R15RTE87FA (49RGRTHROTTLEPEDAL14900XP)
ELECTRICAL, TURN SIGNALS, HORN AND MIRRORS - R15RTE87FA (700153)
ENGINE, AIR INTAKE SYSTEM - R15RTE87FA (49RGRAIRBOX14900XP)
ENGINE, BALANCER - R15RTE87FA (49RGRBALANCER13900XP)
ENGINE, BREATHER - R15RTE87FA (49RGRBREATHER13900XP)
ENGINE, COOLING SYSTEM - R15RTE87FA (49RGRCOOL15900XP)
ENGINE, COOLING, THERMOSTAT and BYPASS - R15RTE87FA (49RGRTHERMO15900XP)
ENGINE, COOLING, WATERPUMP - R15RTE87FA (49RGRWATERPUMP13900XP)
ENGINE, CRANKCASE - R15RTE87FA (49RGRCRANKCASE13900XP)
ENGINE, CRANKSHAFT and PISTON - R15RTE87FA (49RGRPISTON11RZR875)
ENGINE, CYLINDER and HEAD - R15RTE87FA (49RGRCYLINDER11RZR875)
ENGINE, EXHAUST - R15RTE87FA (49RGREXHAUST13900XP)
ENGINE, INTAKE and THROTTLE BODY - R15RTE87FA (49RGRTHROTTLEBODY14900XP)
ENGINE, MOUNTING & LONG BLOCK - R15RTE87FA (49RGRENGINEMTG13900XP)
ENGINE, OIL DIPSTICK - R15RTE87FA (49RGRDIPSTICK13900XP)
ENGINE, OIL PUMP and OIL COOLER - R15RTE87FA (49RGROILPUMP13900XP)
ENGINE, STARTER and DRIVE - R15RTE87FA (C700044-1)
ENGINE, STATOR and COVER - R15RTE87FA (49RGRMAGNETOCVR13900XP)
ENGINE, VALVE COVER - R15RTE87FA (49RGRVALVE13900XP)
ENGINE, VALVES and CAMSHAFTS - R15RTE87FA (49RGRCAM14900XP)
REFERENCES, TOOL KIT and OWNERS MANUALS - R15RTE87FA (49RGRTOOL13900XP)
STEERING, STEERING ASM. - R15RTE87FA (700155)
SUSPENSION, FRONT - R15RTE87FA (49RGRSUSPFRT15900XP)
SUSPENSION, FRONT SHOCK - R15RTE87FA (49RGRSHOCKFRT7043755)
SUSPENSION, REAR - R15RTE87FA (700156)
SUSPENSION, REAR SHOCK - R15RTE87FA (49RGRSHOCKRR13900XP)
SUSPENSION, TORSION BAR, REAR - R15RTE87FA (49RGRSTABILIZERRR13900XP)
WHEELS, FRONT - R15RTE87FA (49RGRWHEELFRT13900XP)
WHEELS, REAR - R15RTE87FA (49RGRWHEELRR13900XP)
BODY, BOX MOUNTING and LATCH - R15RTE87FA (49RGRBOXMOUNTING15900XP)
BODY, BOX, TAILGATE - R15RTE87FA (49RGRTAILGATE13900XP)
BODY, CARGO BOX - R15RTE87FA (49RGRBOX13900XP)
BODY, DASH - R15RTE87FA (49RGRDASH13900XP)
BODY, DECALS - R15RTE87FA (700091)
BODY, FLOOR and FENDERS - R15RTE87FA (700102)
BODY, FRONT BUMPER - R15RTE87FA (49RGRBUMPER13900XP)
BODY, FUEL TANK - R15RTE87FA (49RGRFUEL13900XP)
BODY, HOOD AND FRONT FACSIA - R15RTE87FA (700104)
BODY, SEAT - R15RTE87FA (49RGRSEAT15900XP)
BODY, SIDE NETS - R15RTE87FA (49RGRNETS15900XP)
BODY, STORAGE - R15RTE87FA (49RGRSTORAGE13900XP)
BRAKES, BRAKE LINES and MASTER CYLINDER - R15RTE87FA (49RGRBRAKELINES13900XP)
BRAKES, CALIPER MOUNTING - R15RTE87FA (49RGRCALIPERMTG13900XP)
BRAKES, FRONT CALIPER - R15RTE87FA (49RGRCALIPER097004X4)
BRAKES, MASTER CYLINDER - R15RTE87FA (49RGRMC13900XP)
BRAKES, PARKING - R15RTE87FA (700148)
BRAKES, PEDAL and MASTER CYLINDER - R15RTE87FA (49RGRBRAKEFOOT13900XP)
BRAKES, REAR CALIPER - R15RTE87FA (49RGRCALIPERRR097004X4)
CHASSIS, CAB FRAME - R15RTE87FA (49RGRCAB15900XP)
CHASSIS, MAIN FRAME - R15RTE87FA (700149)
DRIVE TRAIN, CLUTCH COVER and DUCTING - R15RTE87FA (49RGRCLUTCHCVR15900XP)
DRIVE TRAIN, CLUTCH, PRIMARY - R15RTE87FA (49RGRCLUTCHDRV14900XP)
DRIVE TRAIN, CLUTCH, SECONDARY - R15RTE87FA (49RGRCLUTCHDVN14900XP)
DRIVE TRAIN, FRONT GEARCASE INTERNALS - (FROM 01/01/2015) R15RTE87FA (49RGRTRANSINTL13900XP)
DRIVE TRAIN, FRONT GEARCASE INTERNALS - (TO 01/01/2015) R15RTE87FA (49RGRTRANSINTL13900XP)
DRIVE TRAIN, FRONT GEARCASE MOUNTING - R15RTE87FA (49RGRTRANSMTG13900XP)
DRIVE TRAIN, FRONT HALF SHAFT - R15RTE87FA (49RGRSHAFTDRV13900XP)
DRIVE TRAIN, FRONT PROP SHAFT - R15RTE87FA (49RGRSHAFTPROP13900XP)
DRIVE TRAIN, MAIN GEARCASE MOUNTING - R15RTE87FA (49RGRGEARCASEMTG13900XP)
DRIVE TRAIN, MAIN GEARCASE, INTERNALS - R15RTE87FA (700077)
DRIVE TRAIN, REAR DRIVE SHAFT - R15RTE87FA (49RGRSHAFTDRVRR13900XP)
DRIVE TRAIN, SHIFT LEVER and CABLE - R15RTE87FA (49RGRSHIFT13900XP)
ELECTRICAL, BATTERY - R15RTE87FA (700150)
ELECTRICAL, DASH CONTROLS - R15RTE87FA (49RGRDASH13900)
ELECTRICAL, HARNESS - R15RTE87FA (700151)
ELECTRICAL, HEADLIGHT and TAILLIGHT - R15RTE87FA (49RGRTAILLAMPS13900XP)
ELECTRICAL, IGNITION - R15RTE87FA (49RGRIGNITION13900XP)
ELECTRICAL, SENSORS and MODULES - R15RTE87FA (700152)
ELECTRICAL, THROTTLE PEDAL - R15RTE87FA (49RGRTHROTTLEPEDAL14900XP)
ELECTRICAL, TURN SIGNALS, HORN AND MIRRORS - R15RTE87FA (700153)
ENGINE, AIR INTAKE SYSTEM - R15RTE87FA (49RGRAIRBOX14900XP)
ENGINE, BALANCER - R15RTE87FA (49RGRBALANCER13900XP)
ENGINE, BREATHER - R15RTE87FA (49RGRBREATHER13900XP)
ENGINE, COOLING SYSTEM - R15RTE87FA (49RGRCOOL15900XP)
ENGINE, COOLING, THERMOSTAT and BYPASS - R15RTE87FA (49RGRTHERMO15900XP)
ENGINE, COOLING, WATERPUMP - R15RTE87FA (49RGRWATERPUMP13900XP)
ENGINE, CRANKCASE - R15RTE87FA (49RGRCRANKCASE13900XP)
ENGINE, CRANKSHAFT and PISTON - R15RTE87FA (49RGRPISTON11RZR875)
ENGINE, CYLINDER and HEAD - R15RTE87FA (49RGRCYLINDER11RZR875)
ENGINE, EXHAUST - R15RTE87FA (49RGREXHAUST13900XP)
ENGINE, INTAKE and THROTTLE BODY - R15RTE87FA (49RGRTHROTTLEBODY14900XP)
ENGINE, MOUNTING & LONG BLOCK - R15RTE87FA (49RGRENGINEMTG13900XP)
ENGINE, OIL DIPSTICK - R15RTE87FA (49RGRDIPSTICK13900XP)
ENGINE, OIL PUMP and OIL COOLER - R15RTE87FA (49RGROILPUMP13900XP)
ENGINE, STARTER and DRIVE - R15RTE87FA (C700044-1)
ENGINE, STATOR and COVER - R15RTE87FA (49RGRMAGNETOCVR13900XP)
ENGINE, VALVE COVER - R15RTE87FA (49RGRVALVE13900XP)
ENGINE, VALVES and CAMSHAFTS - R15RTE87FA (49RGRCAM14900XP)
REFERENCES, TOOL KIT and OWNERS MANUALS - R15RTE87FA (49RGRTOOL13900XP)
STEERING, STEERING ASM. - R15RTE87FA (700155)
SUSPENSION, FRONT - R15RTE87FA (49RGRSUSPFRT15900XP)
SUSPENSION, FRONT SHOCK - R15RTE87FA (49RGRSHOCKFRT7043755)
SUSPENSION, REAR - R15RTE87FA (700156)
SUSPENSION, REAR SHOCK - R15RTE87FA (49RGRSHOCKRR13900XP)
SUSPENSION, TORSION BAR, REAR - R15RTE87FA (49RGRSTABILIZERRR13900XP)
WHEELS, FRONT - R15RTE87FA (49RGRWHEELFRT13900XP)
WHEELS, REAR - R15RTE87FA (49RGRWHEELRR13900XP)
View Cart
VIEW WISH LIST