Polaris
Browse New Models
Shop In-Stock
Can-Am
Browse New Models
Shop In-Stock
Ski-Doo
Browse New Models
Shop In-Stock
Sea-Doo
Browse New Models
Shop In-Stock
Kayo
Browse New Models
Shop In-Stock
Manitou
Browse New Models
Shop In-Stock
Our
Location
Call
Us
Contact
Us
Toggle navigation
Home
Brands
Showroom
Manufacturer Models
OEM Promotions
Polaris Off-Road
Polaris Snowmobiles
Can-Am
Sea-Doo
Ski-Doo
Kayo
Yamaha Marine
Triton Trailers
Manitou
Nitro Trailers
CAM Superline
Durabull Trailers
Trifecta Pontoons
Inventory
All Inventory In Stock
New Inventory In Stock
Pre-Owned Inventory
Value Your Trade-In
Request a Model
Financing
Parts
Parts Department
OEM Parts Finder
Service
Service Department
Request Polaris Service
Warranty & Recall Look-Up
Financing
About
Our Dealership
Our Team
Reviews
Customer Survey
Newsletter Sign-Up
Employment
Events
Location & Hours
Contact
Call Us
Fort Kent, ME
Fiche | Parts Diagrams
2015 Polaris Utility Vehicles
Home
›
Parts
›
OEM Parts Finder
Search by :
Part / Desc
VIN
Please Select
Can-Am
LYNX
Polaris
Sea-Doo
Ski-Doo
Yamaha
*Please enter at least 3 characters
SEARCH
Manufacturer
Polaris
Utility Vehicles
2015
INTL RZR XP 1000 (Z15VDE99FV)
View Cart
VIEW WISH LIST
Select a Section
Show/Hide
BODY, DASH AND GLOVEBOX - Z15VDE99FV (49RGRDASH151KEU)
BODY, DECALS - Z15VDE99FV (49RGRDECAL151KEU)
BODY, DOORS - Z15VDE99FV (49RGRDOOR151KEU)
BODY, FLOOR and ROCKER PANELS - Z15VDE99FV (49RGRFLOOR14RZR1KI)
BODY, FRONT BUMPER - Z15VDE99FV (49RGRBUMPER14RZR1000)
BODY, FUEL TANK - Z15VDE99FV (49RGRFUEL14RZR1KI)
BODY, GRAB BAR, PASSENGER - Z15VDE99FV (49RGRGRABBAR14RZR1000)
BODY, HOOD AND FRONT BODY WORK - Z15VDE99FV (49RGRHOOD14RZR1000)
BODY, REAR BUMPER - Z15VDE99FV (49RGRBUMPERRR14RZR1000)
BODY, REAR RACK AND FENDERS - Z15VDE99FV (700028)
BODY, SEAT ASM. AND SLIDER - Z15VDE99FV (49RGRSEAT14RZR1000)
BODY, SEAT BELT MOUNTING - Z15VDE99FV (49RGRSB15Z90050)
BRAKES, BRAKE LINES AND MASTER CYLINDER - Z15VDE99FV (49RGRBRAKELINES14RZR1KI)
BRAKES, FRONT CALIPER - Z15VDE99FV (49RGRCALIPER14RZR1000)
BRAKES, PARKING BRAKE - Z15VDE99FV (49RGRBRAKEPARK14RZR1KI)
BRAKES, PEDAL AND MASTER CYLINDER - Z15VDE99FV (49RGRBRAKEFOOT14RZR1000)
BRAKES, REAR CALIPER - Z15VDE99FV (49RGRCALIPERRR14RZR1000)
CHASSIS, CAB FRAME - Z15VDE99FV (49RGRCAB14RZR1000)
CHASSIS, MAIN FRAME AND SKID PLATES - Z15VDE99FV (49RGRFRAME151000)
DRIVE TRAIN, CLUTCH OVER AND DUCTING - Z15VDE99FV (49RGRCLUTCHCVR14RZR1000)
DRIVE TRAIN, FRONT GEARCASE - Z15VDE99FV (49RGRTRANS14RZR1000)
DRIVE TRAIN, FRONT GEARCASE MOUNTING - Z15VDE99FV (49RGRGEARCASEMTG14RZR1000)
DRIVE TRAIN, FRONT HALF SHAFT - Z15VDE99FV (49RGRSHAFTDRV14RZR1000)
DRIVE TRAIN, FRONT PROP SHAFT - Z15VDE99FV (49RGRSHAFTPROP151000)
DRIVE TRAIN, GEAR SELECTOR - Z15VDE99FV (49RGRGEARSELECT14RZR1000)
DRIVE TRAIN, MAIN GEARCASE INTERNALS - Z15VDE99FV (49RGRGEARCASE151KEU)
DRIVE TRAIN, MAIN GEARCASE MOUNTING - Z15VDE99FV (49RGRTRANSMTG14RZR1000)
DRIVE TRAIN, PRIMARY CLUTCH - Z15VDE99FV (49RGRCLUTCHDRV14RZR1000)
DRIVE TRAIN, REAR HALF SHAFT - Z15VDE99FV (49RGRSHAFTDRIVERR14RZR1000)
DRIVE TRAIN, SECONDARY CLUTCH - Z15VDE99FV (49RGRCLUTCHDVN151000)
ELECTRICAL, BATTERY - Z15VDE99FV (49RGRBATTERY14RZR1000)
ELECTRICAL, DASH INSTRUMENTS AND CONTROLS - Z15VDE99FV (49RGRDASH141000RZR)
ELECTRICAL, HEADLIGHTS AND TAILLIGHTS - Z15VDE99FV (49RGRTAILLAMPS14RZR1000)
ELECTRICAL, LICENSE PLATE LIGHT, TURN SIGNAL AND HORN - Z15VDE99FV (49RGRELECT151KEU)
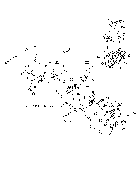
ELECTRICAL, WIRE HARNESS - Z15VDE99FV (49RGRHARNESS14RZR1KI)
ENGINE, AIR INTAKE SYSTEM - Z15VDE99FV (49RGRAIRBOX14RZR1000)
ENGINE, CAM CHAIN AND TENSIONER - Z15VDE99FV (49RGRCAM14RZR1000)
ENGINE, COOLING SYSTEM - Z15VDE99FV (49RGRCOOL14RZR1000)
ENGINE, CRANKCASE AND CRANKSHAFT - Z15VDE99FV (49RGRCRANKCASE14RZR1000)
ENGINE, CYLINDER AND PISTON - Z15VDE99FV (49RGRCYLINDER14RZR1000)
ENGINE, CYLINDER HEAD AND VALVES - Z15VDE99FV (49RGRVALVE14RZR1000)
ENGINE, DIPSTICK AND OIL FILTER - Z15VDE99FV (49RGRDIPSTICK14RZR1000)
ENGINE, EXHAUST SYSTEM - Z15VDE99FV (701222)
ENGINE, MOUNTING & LONG BLOCK - Z15VDE99FV (49RGRENGINEMTG14RZR1000)
ENGINE, OIL PUMP - Z15VDE99FV (49RGROILPUMP14RZR1000)
ENGINE, STARTER - Z15VDE99FV (49RGRSTARTER14RZR1000)
ENGINE, STATOR AND FLYWHEEL - Z15VDE99FV (49RGRSTATOR14RZR1000)
ENGINE, THROTTLE BODY AND VALVE COVER - Z15VDE99FV (49RGRTHROTTLEBODY14RZR1000)
ENGINE, THROTTLE PEDAL - Z15VDE99FV (49RGRTHROTTLEPEDAL14RZR1000)
ENGINE, WATERPUMP AND BYPASS - Z15VDE99FV (49RGRWATERPUMP14RZR1000)
OPTIONS, MIRRORS - Z15VDE99FV (49RGRMIRRORS14RZR1KI)
REFERENCE, OWNERS MANUAL AND TOOL KIT - Z15VDE99FV (49RGRTOOL14RZR1000)
STEERING, STEERING ASM. - Z15VDE99FV (49RGRSTEERING151KEU)
SUSPENSION, FRONT CONTROL ARMS - Z15VDE99FV (49RGRSUSPFRT14RZR1000)
SUSPENSION, FRONT SHOCK - Z15VDE99FV (49RGRSHOCKFRT14RZR1000)
SUSPENSION, FRONT SHOCK - Z15VDE99FV (700208)
SUSPENSION, FRONT SHOCK MOUNTING - Z15VDE99FV (49RGRSHOCKMTG14RZR1000)
SUSPENSION, REAR CONTROL ARMS - Z15VDE99FV (49RGRSUSPRR14RZR1000)
SUSPENSION, REAR SHOCK - Z15VDE99FV (49RGRSHOCKRR7044376)
SUSPENSION, REAR SHOCK - Z15VDE99FV (7044373)
SUSPENSION, REAR SHOCK MOUNTING - Z15VDE99FV (49RGRSHOCKMTGRR14RZR1000)
SUSPENSION, STABILIZER BAR, REAR - Z15VDE99FV (49RGRSTABILIZERRR14RZR1000)
WHEELS, FRONT - Z15VDE99FV (49RGRWHEELFRT14RZR1000)
WHEELS, REAR - Z15VDE99FV (49RGRWHEELRR14RZR1000)
BODY, DASH AND GLOVEBOX - Z15VDE99FV (49RGRDASH151KEU)
BODY, DECALS - Z15VDE99FV (49RGRDECAL151KEU)
BODY, DOORS - Z15VDE99FV (49RGRDOOR151KEU)
BODY, FLOOR and ROCKER PANELS - Z15VDE99FV (49RGRFLOOR14RZR1KI)
BODY, FRONT BUMPER - Z15VDE99FV (49RGRBUMPER14RZR1000)
BODY, FUEL TANK - Z15VDE99FV (49RGRFUEL14RZR1KI)
BODY, GRAB BAR, PASSENGER - Z15VDE99FV (49RGRGRABBAR14RZR1000)
BODY, HOOD AND FRONT BODY WORK - Z15VDE99FV (49RGRHOOD14RZR1000)
BODY, REAR BUMPER - Z15VDE99FV (49RGRBUMPERRR14RZR1000)
BODY, REAR RACK AND FENDERS - Z15VDE99FV (700028)
BODY, SEAT ASM. AND SLIDER - Z15VDE99FV (49RGRSEAT14RZR1000)
BODY, SEAT BELT MOUNTING - Z15VDE99FV (49RGRSB15Z90050)
BRAKES, BRAKE LINES AND MASTER CYLINDER - Z15VDE99FV (49RGRBRAKELINES14RZR1KI)
BRAKES, FRONT CALIPER - Z15VDE99FV (49RGRCALIPER14RZR1000)
BRAKES, PARKING BRAKE - Z15VDE99FV (49RGRBRAKEPARK14RZR1KI)
BRAKES, PEDAL AND MASTER CYLINDER - Z15VDE99FV (49RGRBRAKEFOOT14RZR1000)
BRAKES, REAR CALIPER - Z15VDE99FV (49RGRCALIPERRR14RZR1000)
CHASSIS, CAB FRAME - Z15VDE99FV (49RGRCAB14RZR1000)
CHASSIS, MAIN FRAME AND SKID PLATES - Z15VDE99FV (49RGRFRAME151000)
DRIVE TRAIN, CLUTCH OVER AND DUCTING - Z15VDE99FV (49RGRCLUTCHCVR14RZR1000)
DRIVE TRAIN, FRONT GEARCASE - Z15VDE99FV (49RGRTRANS14RZR1000)
DRIVE TRAIN, FRONT GEARCASE MOUNTING - Z15VDE99FV (49RGRGEARCASEMTG14RZR1000)
DRIVE TRAIN, FRONT HALF SHAFT - Z15VDE99FV (49RGRSHAFTDRV14RZR1000)
DRIVE TRAIN, FRONT PROP SHAFT - Z15VDE99FV (49RGRSHAFTPROP151000)
DRIVE TRAIN, GEAR SELECTOR - Z15VDE99FV (49RGRGEARSELECT14RZR1000)
DRIVE TRAIN, MAIN GEARCASE INTERNALS - Z15VDE99FV (49RGRGEARCASE151KEU)
DRIVE TRAIN, MAIN GEARCASE MOUNTING - Z15VDE99FV (49RGRTRANSMTG14RZR1000)
DRIVE TRAIN, PRIMARY CLUTCH - Z15VDE99FV (49RGRCLUTCHDRV14RZR1000)
DRIVE TRAIN, REAR HALF SHAFT - Z15VDE99FV (49RGRSHAFTDRIVERR14RZR1000)
DRIVE TRAIN, SECONDARY CLUTCH - Z15VDE99FV (49RGRCLUTCHDVN151000)
ELECTRICAL, BATTERY - Z15VDE99FV (49RGRBATTERY14RZR1000)
ELECTRICAL, DASH INSTRUMENTS AND CONTROLS - Z15VDE99FV (49RGRDASH141000RZR)
ELECTRICAL, HEADLIGHTS AND TAILLIGHTS - Z15VDE99FV (49RGRTAILLAMPS14RZR1000)
ELECTRICAL, LICENSE PLATE LIGHT, TURN SIGNAL AND HORN - Z15VDE99FV (49RGRELECT151KEU)
ELECTRICAL, WIRE HARNESS - Z15VDE99FV (49RGRHARNESS14RZR1KI)
ENGINE, AIR INTAKE SYSTEM - Z15VDE99FV (49RGRAIRBOX14RZR1000)
ENGINE, CAM CHAIN AND TENSIONER - Z15VDE99FV (49RGRCAM14RZR1000)
ENGINE, COOLING SYSTEM - Z15VDE99FV (49RGRCOOL14RZR1000)
ENGINE, CRANKCASE AND CRANKSHAFT - Z15VDE99FV (49RGRCRANKCASE14RZR1000)
ENGINE, CYLINDER AND PISTON - Z15VDE99FV (49RGRCYLINDER14RZR1000)
ENGINE, CYLINDER HEAD AND VALVES - Z15VDE99FV (49RGRVALVE14RZR1000)
ENGINE, DIPSTICK AND OIL FILTER - Z15VDE99FV (49RGRDIPSTICK14RZR1000)
ENGINE, EXHAUST SYSTEM - Z15VDE99FV (701222)
ENGINE, MOUNTING & LONG BLOCK - Z15VDE99FV (49RGRENGINEMTG14RZR1000)
ENGINE, OIL PUMP - Z15VDE99FV (49RGROILPUMP14RZR1000)
ENGINE, STARTER - Z15VDE99FV (49RGRSTARTER14RZR1000)
ENGINE, STATOR AND FLYWHEEL - Z15VDE99FV (49RGRSTATOR14RZR1000)
ENGINE, THROTTLE BODY AND VALVE COVER - Z15VDE99FV (49RGRTHROTTLEBODY14RZR1000)
ENGINE, THROTTLE PEDAL - Z15VDE99FV (49RGRTHROTTLEPEDAL14RZR1000)
ENGINE, WATERPUMP AND BYPASS - Z15VDE99FV (49RGRWATERPUMP14RZR1000)
OPTIONS, MIRRORS - Z15VDE99FV (49RGRMIRRORS14RZR1KI)
REFERENCE, OWNERS MANUAL AND TOOL KIT - Z15VDE99FV (49RGRTOOL14RZR1000)
STEERING, STEERING ASM. - Z15VDE99FV (49RGRSTEERING151KEU)
SUSPENSION, FRONT CONTROL ARMS - Z15VDE99FV (49RGRSUSPFRT14RZR1000)
SUSPENSION, FRONT SHOCK - Z15VDE99FV (49RGRSHOCKFRT14RZR1000)
SUSPENSION, FRONT SHOCK - Z15VDE99FV (700208)
SUSPENSION, FRONT SHOCK MOUNTING - Z15VDE99FV (49RGRSHOCKMTG14RZR1000)
SUSPENSION, REAR CONTROL ARMS - Z15VDE99FV (49RGRSUSPRR14RZR1000)
SUSPENSION, REAR SHOCK - Z15VDE99FV (49RGRSHOCKRR7044376)
SUSPENSION, REAR SHOCK - Z15VDE99FV (7044373)
SUSPENSION, REAR SHOCK MOUNTING - Z15VDE99FV (49RGRSHOCKMTGRR14RZR1000)
SUSPENSION, STABILIZER BAR, REAR - Z15VDE99FV (49RGRSTABILIZERRR14RZR1000)
WHEELS, FRONT - Z15VDE99FV (49RGRWHEELFRT14RZR1000)
WHEELS, REAR - Z15VDE99FV (49RGRWHEELRR14RZR1000)
View Cart
VIEW WISH LIST