Polaris
Browse New Models
Shop In-Stock
Can-Am
Browse New Models
Shop In-Stock
Ski-Doo
Browse New Models
Shop In-Stock
Sea-Doo
Browse New Models
Shop In-Stock
Kayo
Browse New Models
Shop In-Stock
Manitou
Browse New Models
Shop In-Stock
Our
Location
Call
Us
Contact
Us
Toggle navigation
Home
Brands
Showroom
Manufacturer Models
OEM Promotions
Polaris Off-Road
Polaris Snowmobiles
Can-Am
Sea-Doo
Ski-Doo
Kayo
Yamaha Marine
Triton Trailers
Manitou
Nitro Trailers
CAM Superline
Durabull Trailers
Trifecta Pontoons
Inventory
All Inventory In Stock
New Inventory In Stock
Pre-Owned Inventory
Value Your Trade-In
Request a Model
Financing
Parts
Parts Department
OEM Parts Finder
Service
Service Department
Request Polaris Service
Warranty & Recall Look-Up
Financing
About
Our Dealership
Our Team
Reviews
Customer Survey
Newsletter Sign-Up
Employment
Events
Location & Hours
Contact
Call Us
Fort Kent, ME
Fiche | Parts Diagrams
2016 Polaris Utility Vehicles
Home
›
Parts
›
OEM Parts Finder
Search by :
Part / Desc
VIN
Please Select
Can-Am
LYNX
Polaris
Sea-Doo
Ski-Doo
Yamaha
*Please enter at least 3 characters
SEARCH
Manufacturer
Polaris
Utility Vehicles
2016
INTL RZR XP TURBO MD (Z16VDE92NH/NW)
View Cart
VIEW WISH LIST
Select a Section
Show/Hide
BODY, DASH AND GLOVEBOX - Z16VDE92NH/NW (700431)
BODY, DECALS - Z16VDE92NH/NW (701003)
BODY, DOORS - Z16VDE92NH/NW (700433)
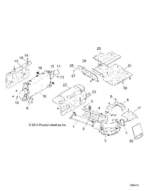
BODY, FLOOR and ROCKER PANELS - Z16VDE92NH/NW (700434)
BODY, FRONT BUMPER - Z16VDE92NH/NW (700435)
BODY, FUEL PFA COVER - Z16VDE92NH/NW (C700215)
BODY, FUEL TANK - Z16VDE92NH/NW (700436)
BODY, GRAB BAR, PASSENGER - Z16VDE92NH/NW (700282)
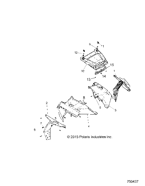
BODY, HOOD AND FRONT BODY WORK - Z16VDE92NH/NW (700437)
BODY, REAR BUMPER - Z16VDE92NH/NW (49RGRBUMPERRR14RZR1000)
BODY, REAR RACK AND FENDERS - Z16VDE92NH/NW (700438)
BODY, SEAT ASM. AND SLIDER - Z16VDE92NH/NW (700908)
BODY, SEAT BELT MOUNTING - Z16VDE92NH/NW (700600)
BRAKES, BRAKE LINES AND MASTER CYLINDER - Z16VDE92NH/NW (49RGRBRAKELINES151000)
BRAKES, FRONT CALIPER - Z16VDE92NH/NW (700440)
BRAKES, PEDAL AND MASTER CYLINDER - Z16VDE92NH/NW (49RGRBRAKEFOOT14RZR1000)
BRAKES, REAR CALIPER - Z16VDE92NH/NW (49RGRCALIPERRR14RZR1000)
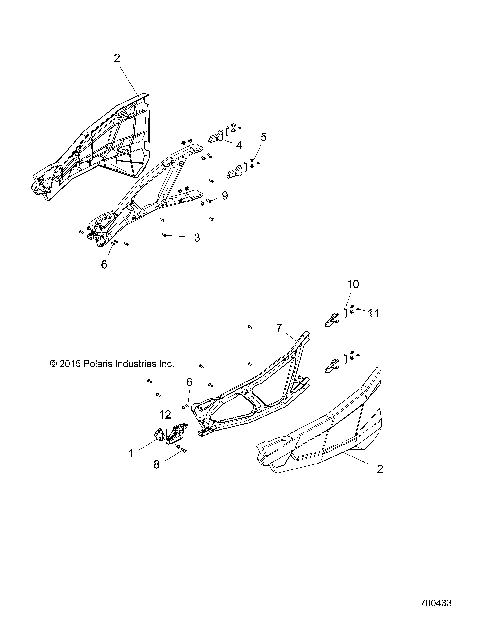
CHASSIS, CAB FRAME - Z16VDE92NH/NW (700441)
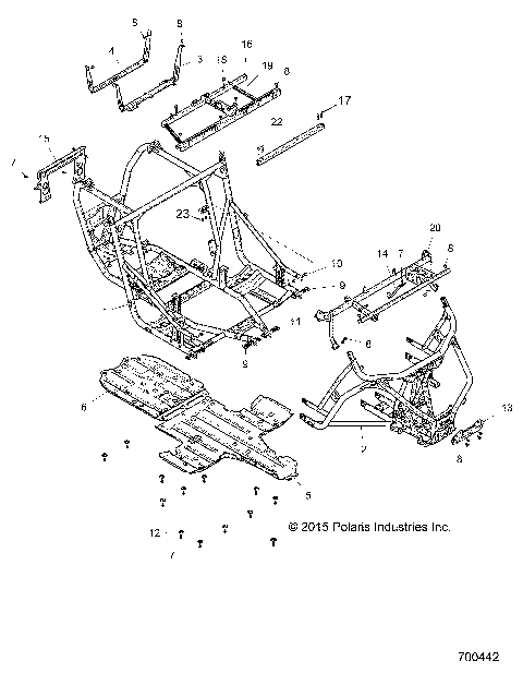
CHASSIS, MAIN FRAME AND SKID PLATES - Z16VDE92NH/NW (700442)
DRIVE TRAIN, CLUTCH COVER AND DUCTING - Z16VDE92NH/NW (700443)
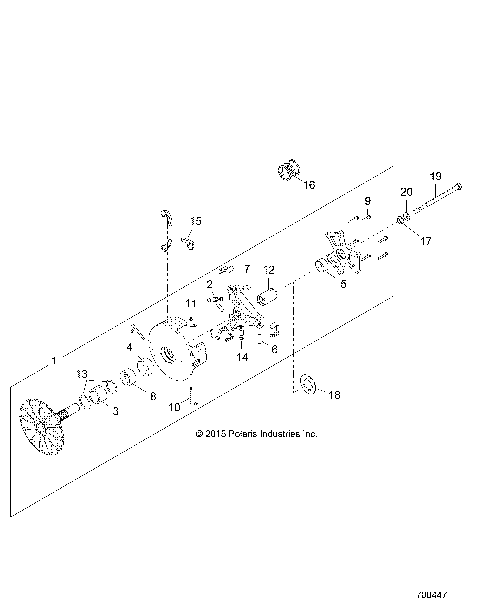
DRIVE TRAIN, FRONT GEARCASE - Z16VDE92NH/NW (700723)
DRIVE TRAIN, FRONT GEARCASE MOUNTING - Z16VDE92NH/NW (49RGRGEARCASEMTG14RZR1000)
DRIVE TRAIN, FRONT HALF SHAFT - Z16VDE92NH/NW (700287)
DRIVE TRAIN, FRONT PROP SHAFT - Z16VDE92NH/NW (700444)
DRIVE TRAIN, GEAR SELECTOR - Z16VDE92NH/NW (700603)
DRIVE TRAIN, MAIN GEARCASE INTERNALS - Z16VDE92NH/NW (701051)
DRIVE TRAIN, MAIN GEARCASE MOUNTING - Z16VDE92NH/NW (700446)
DRIVE TRAIN, PRIMARY CLUTCH - Z16VDE92NH/NW (700447)
DRIVE TRAIN, REAR HALF SHAFT - Z16VDE92NH/NW (700288)
DRIVE TRAIN, SECONDARY CLUTCH - Z16VDE92NH/NW (700448)
ELECTRICAL, BATTERY - Z16VDE92NH/NW (700909)
ELECTRICAL, DASH INSTRUMENTS AND CONTROLS - Z16VDE92NH/NW (700450)
ELECTRICAL, HEADLIGHTS AND TAILLIGHTS - Z16VDE92NH/NW (49RGRTAILLAMPS14RZR1000)
ELECTRICAL, WIRE HARNESS - Z16VDE92NH/NW (700451)
ENGINE, AIR INTAKE MANIFOLD - Z16VDE92NH/NW (700462)
ENGINE, AIR INTAKE SYSTEM - Z16VDE92NH/NW (700452)
ENGINE, CAM CHAIN AND TENSIONER - Z16VDE92NH/NW (700463)
ENGINE, COOLING SYSTEM - Z16VDE92NH/NW (700476)
ENGINE, COOLING, AUX. SYSTEM - Z16VDE92NH/NW (700477)
ENGINE, CRANKCASE AND CRANKSHAFT - Z16VDE92NH/NW (700464)
ENGINE, CYLINDER AND PISTON - Z16VDE92NH/NW (700465)
ENGINE, CYLINDER HEAD AND VALVES - Z16VDE92NH/NW (49RGRVALVE14RZR1000)
ENGINE, DIPSTICK AND OIL FILTER - Z16VDE92NH/NW (49RGRDIPSTICK14RZR1000)
ENGINE, EXHAUST SYSTEM - Z16VDE92NH/NW (700475)
ENGINE, MOUNTING & LONG BLOCK - Z16VDE92NH/NW (700470)
ENGINE, OIL PUMP - Z16VDE92NH/NW (700466)
ENGINE, STARTER - Z16VDE92NH/NW (49RGRSTARTER14RZR1000)
ENGINE, STATOR AND FLYWHEEL - Z16VDE92NH/NW (700467)
ENGINE, THROTTLE BODY AND VALVE COVER - Z16VDE92NH/NW (700468)
ENGINE, THROTTLE PEDAL - Z16VDE92NH/NW (49RGRTHROTTLEPEDAL14RZR1000)
ENGINE, TURBO CHARGER - Z16VDE92NH/NW (700607)
ENGINE, TURBO CHARGER MOUNTING - Z16VDE92NH/NW (700469)
ENGINE, WATERPUMP AND BYPASS - Z16VDE92NH/NW (700605)
REFERENCE, OWNERS MANUAL AND TOOL KIT - Z16VDE92NH/NW (701004)
STEERING, STEERING ASM. - Z16VDE92NH/NW (49RGRSTEERING151000)
SUSPENSION, FRONT CONTROL ARMS - Z16VDE92NH/NW (700034)
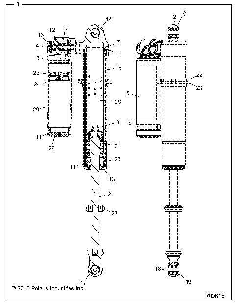
SUSPENSION, FRONT SHOCK - Z16VDE92NH/NW (700615)
SUSPENSION, FRONT SHOCK MOUNTING - Z16VDE92NH/NW (700471)
SUSPENSION, REAR CONTROL ARMS - Z16VDE92NH/NW (49RGRSUSPRR151000)
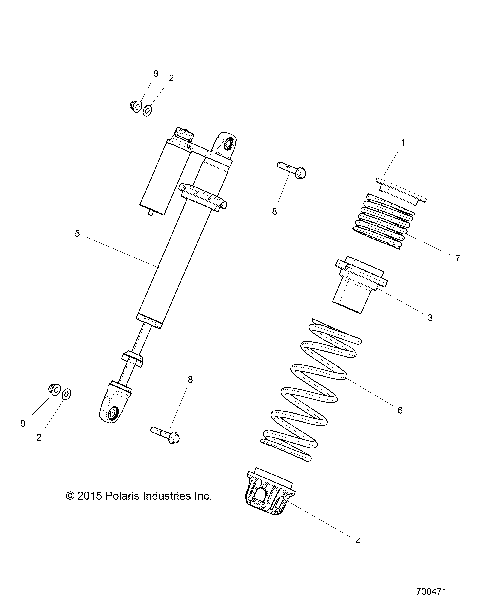
SUSPENSION, REAR SHOCK - Z16VDE92NH/NW (700616)
SUSPENSION, REAR SHOCK MOUNTING - Z16VDE92NH/NW (700473)
SUSPENSION, STABILIZER BAR, FRONT - Z16VDE92NH/NW (700037)
SUSPENSION, STABILIZER BAR, REAR - Z16VDE92NH/NW (700474)
WHEELS, FRONT - Z16VDE92NH/NW (700295)
WHEELS, REAR - Z16VDE92NH/NW (700296)
BODY, DASH AND GLOVEBOX - Z16VDE92NH/NW (700431)
BODY, DECALS - Z16VDE92NH/NW (701003)
BODY, DOORS - Z16VDE92NH/NW (700433)
BODY, FLOOR and ROCKER PANELS - Z16VDE92NH/NW (700434)
BODY, FRONT BUMPER - Z16VDE92NH/NW (700435)
BODY, FUEL PFA COVER - Z16VDE92NH/NW (C700215)
BODY, FUEL TANK - Z16VDE92NH/NW (700436)
BODY, GRAB BAR, PASSENGER - Z16VDE92NH/NW (700282)
BODY, HOOD AND FRONT BODY WORK - Z16VDE92NH/NW (700437)
BODY, REAR BUMPER - Z16VDE92NH/NW (49RGRBUMPERRR14RZR1000)
BODY, REAR RACK AND FENDERS - Z16VDE92NH/NW (700438)
BODY, SEAT ASM. AND SLIDER - Z16VDE92NH/NW (700908)
BODY, SEAT BELT MOUNTING - Z16VDE92NH/NW (700600)
BRAKES, BRAKE LINES AND MASTER CYLINDER - Z16VDE92NH/NW (49RGRBRAKELINES151000)
BRAKES, FRONT CALIPER - Z16VDE92NH/NW (700440)
BRAKES, PEDAL AND MASTER CYLINDER - Z16VDE92NH/NW (49RGRBRAKEFOOT14RZR1000)
BRAKES, REAR CALIPER - Z16VDE92NH/NW (49RGRCALIPERRR14RZR1000)
CHASSIS, CAB FRAME - Z16VDE92NH/NW (700441)
CHASSIS, MAIN FRAME AND SKID PLATES - Z16VDE92NH/NW (700442)
DRIVE TRAIN, CLUTCH COVER AND DUCTING - Z16VDE92NH/NW (700443)
DRIVE TRAIN, FRONT GEARCASE - Z16VDE92NH/NW (700723)
DRIVE TRAIN, FRONT GEARCASE MOUNTING - Z16VDE92NH/NW (49RGRGEARCASEMTG14RZR1000)
DRIVE TRAIN, FRONT HALF SHAFT - Z16VDE92NH/NW (700287)
DRIVE TRAIN, FRONT PROP SHAFT - Z16VDE92NH/NW (700444)
DRIVE TRAIN, GEAR SELECTOR - Z16VDE92NH/NW (700603)
DRIVE TRAIN, MAIN GEARCASE INTERNALS - Z16VDE92NH/NW (701051)
DRIVE TRAIN, MAIN GEARCASE MOUNTING - Z16VDE92NH/NW (700446)
DRIVE TRAIN, PRIMARY CLUTCH - Z16VDE92NH/NW (700447)
DRIVE TRAIN, REAR HALF SHAFT - Z16VDE92NH/NW (700288)
DRIVE TRAIN, SECONDARY CLUTCH - Z16VDE92NH/NW (700448)
ELECTRICAL, BATTERY - Z16VDE92NH/NW (700909)
ELECTRICAL, DASH INSTRUMENTS AND CONTROLS - Z16VDE92NH/NW (700450)
ELECTRICAL, HEADLIGHTS AND TAILLIGHTS - Z16VDE92NH/NW (49RGRTAILLAMPS14RZR1000)
ELECTRICAL, WIRE HARNESS - Z16VDE92NH/NW (700451)
ENGINE, AIR INTAKE MANIFOLD - Z16VDE92NH/NW (700462)
ENGINE, AIR INTAKE SYSTEM - Z16VDE92NH/NW (700452)
ENGINE, CAM CHAIN AND TENSIONER - Z16VDE92NH/NW (700463)
ENGINE, COOLING SYSTEM - Z16VDE92NH/NW (700476)
ENGINE, COOLING, AUX. SYSTEM - Z16VDE92NH/NW (700477)
ENGINE, CRANKCASE AND CRANKSHAFT - Z16VDE92NH/NW (700464)
ENGINE, CYLINDER AND PISTON - Z16VDE92NH/NW (700465)
ENGINE, CYLINDER HEAD AND VALVES - Z16VDE92NH/NW (49RGRVALVE14RZR1000)
ENGINE, DIPSTICK AND OIL FILTER - Z16VDE92NH/NW (49RGRDIPSTICK14RZR1000)
ENGINE, EXHAUST SYSTEM - Z16VDE92NH/NW (700475)
ENGINE, MOUNTING & LONG BLOCK - Z16VDE92NH/NW (700470)
ENGINE, OIL PUMP - Z16VDE92NH/NW (700466)
ENGINE, STARTER - Z16VDE92NH/NW (49RGRSTARTER14RZR1000)
ENGINE, STATOR AND FLYWHEEL - Z16VDE92NH/NW (700467)
ENGINE, THROTTLE BODY AND VALVE COVER - Z16VDE92NH/NW (700468)
ENGINE, THROTTLE PEDAL - Z16VDE92NH/NW (49RGRTHROTTLEPEDAL14RZR1000)
ENGINE, TURBO CHARGER - Z16VDE92NH/NW (700607)
ENGINE, TURBO CHARGER MOUNTING - Z16VDE92NH/NW (700469)
ENGINE, WATERPUMP AND BYPASS - Z16VDE92NH/NW (700605)
REFERENCE, OWNERS MANUAL AND TOOL KIT - Z16VDE92NH/NW (701004)
STEERING, STEERING ASM. - Z16VDE92NH/NW (49RGRSTEERING151000)
SUSPENSION, FRONT CONTROL ARMS - Z16VDE92NH/NW (700034)
SUSPENSION, FRONT SHOCK - Z16VDE92NH/NW (700615)
SUSPENSION, FRONT SHOCK MOUNTING - Z16VDE92NH/NW (700471)
SUSPENSION, REAR CONTROL ARMS - Z16VDE92NH/NW (49RGRSUSPRR151000)
SUSPENSION, REAR SHOCK - Z16VDE92NH/NW (700616)
SUSPENSION, REAR SHOCK MOUNTING - Z16VDE92NH/NW (700473)
SUSPENSION, STABILIZER BAR, FRONT - Z16VDE92NH/NW (700037)
SUSPENSION, STABILIZER BAR, REAR - Z16VDE92NH/NW (700474)
WHEELS, FRONT - Z16VDE92NH/NW (700295)
WHEELS, REAR - Z16VDE92NH/NW (700296)
View Cart
VIEW WISH LIST