Polaris
Browse New Models
Shop In-Stock
Can-Am
Browse New Models
Shop In-Stock
Ski-Doo
Browse New Models
Shop In-Stock
Sea-Doo
Browse New Models
Shop In-Stock
Kayo
Browse New Models
Shop In-Stock
Manitou
Browse New Models
Shop In-Stock
Our
Location
Call
Us
Contact
Us
Toggle navigation
Home
Brands
Showroom
Manufacturer Models
OEM Promotions
Polaris Off-Road
Polaris Snowmobiles
Can-Am
Sea-Doo
Ski-Doo
Kayo
Yamaha Marine
Triton Trailers
Manitou
Nitro Trailers
CAM Superline
Durabull Trailers
Trifecta Pontoons
Inventory
All Inventory In Stock
New Inventory In Stock
Pre-Owned Inventory
Value Your Trade-In
Request a Model
Financing
Parts
Parts Department
OEM Parts Finder
Service
Service Department
Request Polaris Service
Warranty & Recall Look-Up
Financing
About
Our Dealership
Our Team
Reviews
Customer Survey
Newsletter Sign-Up
Employment
Events
Location & Hours
Contact
Call Us
Fort Kent, ME
Fiche | Parts Diagrams
2016 Polaris Utility Vehicles
Home
›
Parts
›
OEM Parts Finder
Search by :
Part / Desc
VIN
Please Select
Can-Am
LYNX
Polaris
Sea-Doo
Ski-Doo
Yamaha
*Please enter at least 3 characters
SEARCH
Manufacturer
Polaris
Utility Vehicles
2016
RANGER 1000 DIESEL (R16RTAD1A1/ED1E1)
View Cart
VIEW WISH LIST
Select a Section
Show/Hide
BODY, BOX MOUNTING - R16RTAD1A1/E1 (49RGRBOXMOUNTING151KDSL)
BODY, BOX, TAILGATE - R16RTAD1A1/E1 [49RGRTAILGATE13900XP]
BODY, CARGO BOX - R16RTAD1A1/E1 [49RGRBOX13900XP]
BODY, CLUTCH COVER and DUCTING - R16RTAD1A1/E1 (700348)
BODY, DASH - R16RTAD1A1/E1 [49RGRDASH13900XP]
BODY, DECALS - R16RTAD1A1/E1 (700352)
BODY, FLOOR and FENDERS - R16RTAD1A1/E1 (700350)
BODY, FRONT BUMPER - R16RTAD1A1/E1 [49RGRBUMPER13900XP]
BODY, FUEL TANK ASM. - R16RTAD1A1/E1 (49RGRFUEL151KDSL)
BODY, HOOD AND FRONT FACSIA - R16RTAD1A1/E1 (700351)
BODY, SEAT - R16RTAD1A1/E1 (700353)
BODY, SIDE NETS - R16RTAD1A1/E1 (49RGRNETS118004X4)
BODY, STORAGE - R16RTAD1A1/E1 [49RGRSTORAGE13900XP]
BRAKES, CALIPER MOUNTING - R16RTAD1A1/E1 [49RGRCALIPERMTG13900XP]
BRAKES, FRONT CALIPER - R16RTAD1A1/E1 (49RGRCALIPER097004X4)
BRAKES, LINES and MASTER CYLINDER - R16RTAD1A1/E1 (49RGRBRAKELINES13900XP)
BRAKES, PARKING - R16RTED1E1 (701156)
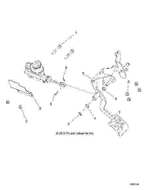
BRAKES, PEDAL and MASTER CYLINDER MOUNTING - R16RTAD1A1/E1 (700354)
BRAKES, REAR CALIPER - R16RTAD1A1/E1 (49RGRCALIPERRR097004X4)
CHASSIS, CAB FRAME - R16RTAD1A1/E1 (49RGRFRAME15900XP)
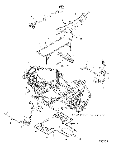
CHASSIS, MAIN FRAME - R16RTAD1A1/E1 (700355)
DRIVE TRAIN, FRONT DRIVE SHAFT - R16RTAD1A1/E1 (49RGRSHAFTDRV11DCREW)
DRIVE TRAIN, FRONT GEARCASE INTERNALS - R16RTAD1A1 (49RGRTRANSINTL13900XP)
DRIVE TRAIN, FRONT GEARCASE INTERNALS - R16RTED1E1 (700346)
DRIVE TRAIN, FRONT GEARCASE MOUNTING - R16RTAD1A1/E1 (49BRUTUSGCFRTMTG13)
DRIVE TRAIN, FRONT PROP SHAFT - R16RTAD1A1 (49BRUTUSSHAFTPROP13)
DRIVE TRAIN, FRONT PROP SHAFT - R16RTED1E1 (700347)
DRIVE TRAIN, MAIN GEARCASE INTERNALS - R16RTAD1A1(700344)
DRIVE TRAIN, MAIN GEARCASE INTERNALS - R16RTED1E1 (700345)
DRIVE TRAIN, MAIN GEARCASE MOUNTING - R16RTAD1A1/E1 (700357)
DRIVE TRAIN, PRIMARY CLUTCH - R16RTAD1A1 (701050)
DRIVE TRAIN, PRIMARY CLUTCH - R16RTED1E1 (701049)
DRIVE TRAIN, REAR DRIVE SHAFT - R16RTAD1A1/E1 (49RGRSHAFTDRVRR151KDSL)
DRIVE TRAIN, SECONDARY CLUTCH - R16RTAD1A1 (49RGRCLUTCHDVN14CREW)
DRIVE TRAIN, SECONDARY CLUTCH - R16RTED1E1 (700359)
DRIVE TRAIN, SHIFT LEVER and CABLE - R16RTAD1A1/E1 (700356)
ELECTRICAL, BATTERY - R16RTAD1A1/E1 (49RGRBATTERY151KDSL)
ELECTRICAL, DASH INSTRUMENTS and CONTROLS - R16RTAD1A1/E1 (700960)
ELECTRICAL, HEADLIGHTS, TAILLIGHTS and BULBS - R16RTAD1A1/E1 (49RGRTAILLAMPS151KDSL)
ELECTRICAL, REGULATOR, RELAYS and ECU - R16RTAD1A1/E1 (49RGRELECT151KDSL)
ELECTRICAL, WIRE HARNESSES - R16RTAD1A1/E1 (701030)
ENGINE, ACCELERATOR CONTROL (WITHOUT LEVER) - R16RTAD1A1/E1 (49RGRACCELERETOR15DSL)
ENGINE, AIR INTAKE - R16RTAD1A1/E1 (701834)
ENGINE, ALTERNATOR - R16RTAD1A1/E1 (49RGRALTERNATOR15DSL)
ENGINE, BREATHER SYSTEM - R16RTAD1A1/E1 (49RGRBREATHER15DSL)
ENGINE, CAMSHAFT FLANGE - R16RTAD1A1/E1 (49RGRCAMFLG15DSL)
ENGINE, CAMSHAFT, PUSH ROD - R16RTAD1A1/E1 (49RGRCAMSHAFT15DSL)
ENGINE, CONNECTING ROD AND PISTON SET - R16RTAD1A1/E1 (49RGRCONROD15DSL)
ENGINE, COVER, 3RD PTO - R16RTAD1A1/E1 (49RGRPTOCVR15DSL)
ENGINE, CRANKCASE - R16RTAD1A1/E1 (49RGRCRANKCASE15DSL)
ENGINE, CRANKSHAFT - R16RTAD1A1/E1 (49RGRCRANKSHAFT15DSL)
ENGINE, CRANKSHAFT OIL SEAL FLANGE - R16RTAD1A1/E1 (49RGROILSEALFLG15DSL)
ENGINE, CYLINDER HEAD and PRECOMBUSTION CHAMBER - R16RTAD1A1/E1 (49RGRCYLINDERHD15DSL)
ENGINE, DRIVE PULLEY and DRIVE BELT - R16RTAD1A1/E1 (49RGRPULLEY15DSL)
ENGINE, EXHAUST - R16RTAD1A1/E1 (49RGREXHAUST151KDSL)
ENGINE, EXHAUST MANIFOLD - R16RTAD1A1/E1 (49RGREXHSTMFLD15DSL)
ENGINE, EXHAUST MOUNTING STUD and GASKET - R16RTAD1A1/E1 (49RGREXHAUSTMNT15DSL)
ENGINE, FLANGE PLATE - R16RTAD1A1/E1 (49RGRFLGPLATE15DSL)
ENGINE, FLYWHEEL - R16RTAD1A1/E1 (49OSPSFLYWHEEL15DSL)
ENGINE, FUEL INJECTION PUMP, DELIVERY PIPE - R16RTAD1A1/E1 (49RGRFUELPUMP15DSL)
ENGINE, FUEL PUMP FITTING COVER - R16RTAD1A1/E1 (49RGRFUELCVR15DSL)
ENGINE, GLOW PLUGS - R16RTAD1A1/E1 (49RGRGLOWPLUG15DSL)
ENGINE, HEAD PLUG - R16RTAD1A1/E1 (49RGRGEARCASE11D)
ENGINE, INLET ELBOW - R16RTAD1A1/E1 (49RGRINLETELBOW15DSL)
ENGINE, INLET MANIFOLD and THROTTLE CONTROL - R16RTAD1A1/E1 (49RGRINLETMFLD15DSL)
ENGINE, MOUNTING & LONG BLOCK - R16RTAD1A1/E1 (700524)
ENGINE, OIL COOLING SYSTEM - R16RTAD1A1/E1 (49RGROILCOOL15DSL)
ENGINE, OIL DIPSTICK and GUARD - R16RTAD1A1/E1 (49RGRDIPSTICK15DSL)
ENGINE, OIL FILTER - R16RTAD1A1/E1 (49RGRFILTER15DSL)
ENGINE, OIL PAN - R16RTAD1A1/E1 (49RGROILPAN15DSL)
ENGINE, OIL PRESSURE SWITCH - R16RTAD1A1/E1 (49RGROILSWITCH15DSL)
ENGINE, OIL PUMP - R16RTAD1A1/E1 (49RGROILPUMP15DSL)
ENGINE, ROCKER ARM and VALVES - R16RTAD1A1/E1 (49RGRRCKRARM15DSL)
ENGINE, ROCKER ARMS COVER and OIL FILLER - R16RTAD1A1/E1 (49RGRROCKERCVR15DSL)
ENGINE, SPEED GOVERNOR - R16RTAD1A1/E1 (49RGRGOVERNOR15DSL)
ENGINE, STARTER MOTOR - R16RTAD1A1/E1 (49RGRSTARTER15DSL)
ENGINE, THERMOSTAT ASM. - R16RTAD1A1/E1 (49RGRTHERMO15DSL)
ENGINE, THROTTLE PEDAL/CABLE - R16RTAD1A1/E1 (700361)
ENGINE, TIMING PULLEY, TIMING BELT, JOCKEY PULLEY - R16RTAD1A1/E1 (49RGRTIMING15DSL)
ENGINE, TIMING SYSTEM GUARD - R16RTAD1A1/E1 (49RGRTIMINGGUARD15DSL)
ENGINE, WATER BLOW BY HOSE - R16RTAD1A1/E1 (49RGRBLOWBYHOSE15DSL)
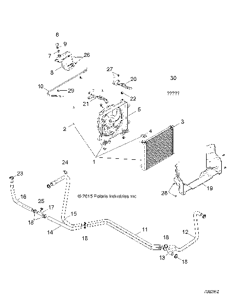
ENGINE, WATER COOLING SYSTEM - R16RTAD1A1/E1 (700362)
ENGINE, WATER INLET FLANGE - R16RTAD1A1/E1 (49RGRWATERINLET15DSL)
ENGINE, WATER PUMP - R16RTAD1A1/E1 (49RGRWATRPUMP15DSL)
REFERENCES, TOOL KIT and OWNERS MANUALS - R16RTAD1A1/E1 (49RGRTOOL151KDSL)
STEERING, STEERING ASM. - R16RTAD1A1/E1 (700363)
SUSPENSION, FRONT CONTROL ARMS - R16RTAD1A1/E1 (700364)
SUSPENSION, FRONT HUB - R16RTAD1A1/E1 (C733220)
SUSPENSION, FRONT SHOCK MOUNTING - R16RTAD1A1/E1 (700365)
SUSPENSION, REAR - R16RTAD1A1/E1 (700366)
SUSPENSION, REAR HUB - R16RTAD1A1/E1 (C733221)
SUSPENSION, REAR STABILIZER BAR - R16RTAD1A1/E1 (700367)
WHEELS, FRONT - R16RTAD1A1/E1 (C733204)
WHEELS, REAR - R16RTAD1A1/E1 (C733203)
BODY, BOX MOUNTING - R16RTAD1A1/E1 (49RGRBOXMOUNTING151KDSL)
BODY, BOX, TAILGATE - R16RTAD1A1/E1 [49RGRTAILGATE13900XP]
BODY, CARGO BOX - R16RTAD1A1/E1 [49RGRBOX13900XP]
BODY, CLUTCH COVER and DUCTING - R16RTAD1A1/E1 (700348)
BODY, DASH - R16RTAD1A1/E1 [49RGRDASH13900XP]
BODY, DECALS - R16RTAD1A1/E1 (700352)
BODY, FLOOR and FENDERS - R16RTAD1A1/E1 (700350)
BODY, FRONT BUMPER - R16RTAD1A1/E1 [49RGRBUMPER13900XP]
BODY, FUEL TANK ASM. - R16RTAD1A1/E1 (49RGRFUEL151KDSL)
BODY, HOOD AND FRONT FACSIA - R16RTAD1A1/E1 (700351)
BODY, SEAT - R16RTAD1A1/E1 (700353)
BODY, SIDE NETS - R16RTAD1A1/E1 (49RGRNETS118004X4)
BODY, STORAGE - R16RTAD1A1/E1 [49RGRSTORAGE13900XP]
BRAKES, CALIPER MOUNTING - R16RTAD1A1/E1 [49RGRCALIPERMTG13900XP]
BRAKES, FRONT CALIPER - R16RTAD1A1/E1 (49RGRCALIPER097004X4)
BRAKES, LINES and MASTER CYLINDER - R16RTAD1A1/E1 (49RGRBRAKELINES13900XP)
BRAKES, PARKING - R16RTED1E1 (701156)
BRAKES, PEDAL and MASTER CYLINDER MOUNTING - R16RTAD1A1/E1 (700354)
BRAKES, REAR CALIPER - R16RTAD1A1/E1 (49RGRCALIPERRR097004X4)
CHASSIS, CAB FRAME - R16RTAD1A1/E1 (49RGRFRAME15900XP)
CHASSIS, MAIN FRAME - R16RTAD1A1/E1 (700355)
DRIVE TRAIN, FRONT DRIVE SHAFT - R16RTAD1A1/E1 (49RGRSHAFTDRV11DCREW)
DRIVE TRAIN, FRONT GEARCASE INTERNALS - R16RTAD1A1 (49RGRTRANSINTL13900XP)
DRIVE TRAIN, FRONT GEARCASE INTERNALS - R16RTED1E1 (700346)
DRIVE TRAIN, FRONT GEARCASE MOUNTING - R16RTAD1A1/E1 (49BRUTUSGCFRTMTG13)
DRIVE TRAIN, FRONT PROP SHAFT - R16RTAD1A1 (49BRUTUSSHAFTPROP13)
DRIVE TRAIN, FRONT PROP SHAFT - R16RTED1E1 (700347)
DRIVE TRAIN, MAIN GEARCASE INTERNALS - R16RTAD1A1(700344)
DRIVE TRAIN, MAIN GEARCASE INTERNALS - R16RTED1E1 (700345)
DRIVE TRAIN, MAIN GEARCASE MOUNTING - R16RTAD1A1/E1 (700357)
DRIVE TRAIN, PRIMARY CLUTCH - R16RTAD1A1 (701050)
DRIVE TRAIN, PRIMARY CLUTCH - R16RTED1E1 (701049)
DRIVE TRAIN, REAR DRIVE SHAFT - R16RTAD1A1/E1 (49RGRSHAFTDRVRR151KDSL)
DRIVE TRAIN, SECONDARY CLUTCH - R16RTAD1A1 (49RGRCLUTCHDVN14CREW)
DRIVE TRAIN, SECONDARY CLUTCH - R16RTED1E1 (700359)
DRIVE TRAIN, SHIFT LEVER and CABLE - R16RTAD1A1/E1 (700356)
ELECTRICAL, BATTERY - R16RTAD1A1/E1 (49RGRBATTERY151KDSL)
ELECTRICAL, DASH INSTRUMENTS and CONTROLS - R16RTAD1A1/E1 (700960)
ELECTRICAL, HEADLIGHTS, TAILLIGHTS and BULBS - R16RTAD1A1/E1 (49RGRTAILLAMPS151KDSL)
ELECTRICAL, REGULATOR, RELAYS and ECU - R16RTAD1A1/E1 (49RGRELECT151KDSL)
ELECTRICAL, WIRE HARNESSES - R16RTAD1A1/E1 (701030)
ENGINE, ACCELERATOR CONTROL (WITHOUT LEVER) - R16RTAD1A1/E1 (49RGRACCELERETOR15DSL)
ENGINE, AIR INTAKE - R16RTAD1A1/E1 (701834)
ENGINE, ALTERNATOR - R16RTAD1A1/E1 (49RGRALTERNATOR15DSL)
ENGINE, BREATHER SYSTEM - R16RTAD1A1/E1 (49RGRBREATHER15DSL)
ENGINE, CAMSHAFT FLANGE - R16RTAD1A1/E1 (49RGRCAMFLG15DSL)
ENGINE, CAMSHAFT, PUSH ROD - R16RTAD1A1/E1 (49RGRCAMSHAFT15DSL)
ENGINE, CONNECTING ROD AND PISTON SET - R16RTAD1A1/E1 (49RGRCONROD15DSL)
ENGINE, COVER, 3RD PTO - R16RTAD1A1/E1 (49RGRPTOCVR15DSL)
ENGINE, CRANKCASE - R16RTAD1A1/E1 (49RGRCRANKCASE15DSL)
ENGINE, CRANKSHAFT - R16RTAD1A1/E1 (49RGRCRANKSHAFT15DSL)
ENGINE, CRANKSHAFT OIL SEAL FLANGE - R16RTAD1A1/E1 (49RGROILSEALFLG15DSL)
ENGINE, CYLINDER HEAD and PRECOMBUSTION CHAMBER - R16RTAD1A1/E1 (49RGRCYLINDERHD15DSL)
ENGINE, DRIVE PULLEY and DRIVE BELT - R16RTAD1A1/E1 (49RGRPULLEY15DSL)
ENGINE, EXHAUST - R16RTAD1A1/E1 (49RGREXHAUST151KDSL)
ENGINE, EXHAUST MANIFOLD - R16RTAD1A1/E1 (49RGREXHSTMFLD15DSL)
ENGINE, EXHAUST MOUNTING STUD and GASKET - R16RTAD1A1/E1 (49RGREXHAUSTMNT15DSL)
ENGINE, FLANGE PLATE - R16RTAD1A1/E1 (49RGRFLGPLATE15DSL)
ENGINE, FLYWHEEL - R16RTAD1A1/E1 (49OSPSFLYWHEEL15DSL)
ENGINE, FUEL INJECTION PUMP, DELIVERY PIPE - R16RTAD1A1/E1 (49RGRFUELPUMP15DSL)
ENGINE, FUEL PUMP FITTING COVER - R16RTAD1A1/E1 (49RGRFUELCVR15DSL)
ENGINE, GLOW PLUGS - R16RTAD1A1/E1 (49RGRGLOWPLUG15DSL)
ENGINE, HEAD PLUG - R16RTAD1A1/E1 (49RGRGEARCASE11D)
ENGINE, INLET ELBOW - R16RTAD1A1/E1 (49RGRINLETELBOW15DSL)
ENGINE, INLET MANIFOLD and THROTTLE CONTROL - R16RTAD1A1/E1 (49RGRINLETMFLD15DSL)
ENGINE, MOUNTING & LONG BLOCK - R16RTAD1A1/E1 (700524)
ENGINE, OIL COOLING SYSTEM - R16RTAD1A1/E1 (49RGROILCOOL15DSL)
ENGINE, OIL DIPSTICK and GUARD - R16RTAD1A1/E1 (49RGRDIPSTICK15DSL)
ENGINE, OIL FILTER - R16RTAD1A1/E1 (49RGRFILTER15DSL)
ENGINE, OIL PAN - R16RTAD1A1/E1 (49RGROILPAN15DSL)
ENGINE, OIL PRESSURE SWITCH - R16RTAD1A1/E1 (49RGROILSWITCH15DSL)
ENGINE, OIL PUMP - R16RTAD1A1/E1 (49RGROILPUMP15DSL)
ENGINE, ROCKER ARM and VALVES - R16RTAD1A1/E1 (49RGRRCKRARM15DSL)
ENGINE, ROCKER ARMS COVER and OIL FILLER - R16RTAD1A1/E1 (49RGRROCKERCVR15DSL)
ENGINE, SPEED GOVERNOR - R16RTAD1A1/E1 (49RGRGOVERNOR15DSL)
ENGINE, STARTER MOTOR - R16RTAD1A1/E1 (49RGRSTARTER15DSL)
ENGINE, THERMOSTAT ASM. - R16RTAD1A1/E1 (49RGRTHERMO15DSL)
ENGINE, THROTTLE PEDAL/CABLE - R16RTAD1A1/E1 (700361)
ENGINE, TIMING PULLEY, TIMING BELT, JOCKEY PULLEY - R16RTAD1A1/E1 (49RGRTIMING15DSL)
ENGINE, TIMING SYSTEM GUARD - R16RTAD1A1/E1 (49RGRTIMINGGUARD15DSL)
ENGINE, WATER BLOW BY HOSE - R16RTAD1A1/E1 (49RGRBLOWBYHOSE15DSL)
ENGINE, WATER COOLING SYSTEM - R16RTAD1A1/E1 (700362)
ENGINE, WATER INLET FLANGE - R16RTAD1A1/E1 (49RGRWATERINLET15DSL)
ENGINE, WATER PUMP - R16RTAD1A1/E1 (49RGRWATRPUMP15DSL)
REFERENCES, TOOL KIT and OWNERS MANUALS - R16RTAD1A1/E1 (49RGRTOOL151KDSL)
STEERING, STEERING ASM. - R16RTAD1A1/E1 (700363)
SUSPENSION, FRONT CONTROL ARMS - R16RTAD1A1/E1 (700364)
SUSPENSION, FRONT HUB - R16RTAD1A1/E1 (C733220)
SUSPENSION, FRONT SHOCK MOUNTING - R16RTAD1A1/E1 (700365)
SUSPENSION, REAR - R16RTAD1A1/E1 (700366)
SUSPENSION, REAR HUB - R16RTAD1A1/E1 (C733221)
SUSPENSION, REAR STABILIZER BAR - R16RTAD1A1/E1 (700367)
WHEELS, FRONT - R16RTAD1A1/E1 (C733204)
WHEELS, REAR - R16RTAD1A1/E1 (C733203)
View Cart
VIEW WISH LIST