Polaris
Browse New Models
Shop In-Stock
Can-Am
Browse New Models
Shop In-Stock
Ski-Doo
Browse New Models
Shop In-Stock
Sea-Doo
Browse New Models
Shop In-Stock
Kayo
Browse New Models
Shop In-Stock
Manitou
Browse New Models
Shop In-Stock
Our
Location
Call
Us
Contact
Us
Toggle navigation
Home
Brands
Showroom
Manufacturer Models
OEM Promotions
Polaris Off-Road
Polaris Snowmobiles
Can-Am
Sea-Doo
Ski-Doo
Kayo
Yamaha Marine
Triton Trailers
Manitou
Nitro Trailers
CAM Superline
Durabull Trailers
Trifecta Pontoons
Inventory
All Inventory In Stock
New Inventory In Stock
Pre-Owned Inventory
Value Your Trade-In
Request a Model
Financing
Parts
Parts Department
OEM Parts Finder
Service
Service Department
Request Polaris Service
Warranty & Recall Look-Up
Financing
About
Our Dealership
Our Team
Reviews
Customer Survey
Newsletter Sign-Up
Employment
Events
Location & Hours
Contact
Call Us
Fort Kent, ME
Fiche | Parts Diagrams
2016 Polaris Utility Vehicles
Home
›
Parts
›
OEM Parts Finder
Search by :
Part / Desc
VIN
Please Select
Can-Am
LYNX
Polaris
Sea-Doo
Ski-Doo
Yamaha
*Please enter at least 3 characters
SEARCH
Manufacturer
Polaris
Utility Vehicles
2016
RANGER 900 XP ALL OPTIONS (R16RT_87)
View Cart
VIEW WISH LIST
Select a Section
Show/Hide
BODY, BOX MOUNTING and LATCH - R16RT_87 ALL OPTIONS (49RGRBOXMOUNTING15900XP)
BODY, BOX, TAILGATE - R16RT_87 ALL OPTIONS (49RGRTAILGATE13900XP)
BODY, CARGO BOX - R16RT_87 ALL OPTIONS (49RGRBOX13900XP)
BODY, CARGO STORAGE BOX - R16RTU87A9/U87AB (49RGRSTORAGE15900XP)
BODY, CENTER MIRROR - R16RTU87ABU87AS (49RGRMIRRORS15900XP)
BODY, DASH - R16RT_87 ALL OPTIONS (700379)
BODY, DECALS, COMMON - R16RT_87 ALL OPTIONS (700380)
BODY, DECALS, GRAPHIC - R16RT_87 ALL OPTIONS (700381)
BODY, DOOR, FULL - R16RTU87AS/BS (49RGRDOOR15900XP)
BODY, DOOR, FULL, MOUNTING - R16RTU87AS/BS (49RGRDOORMTG13M)
BODY, DOOR, HALF - R16RTM87AL/BL/U87A9/B9 (49RGRDOOR159XP)
BODY, FLOOR and FENDERS - R16RT_87 ALL OPTIONS (49RGRFLOOR15900XP)
BODY, FRONT BRUSH GUARD - R16RTU87A9/AB/B9/BB (700383)
BODY, FRONT BUMPER - R16RT_87 ALL OPTIONS (49RGRBUMPER13900XP)
BODY, FUEL TANK - R16RT_87 ALL OPTIONS (49RGRFUEL13900XP)
BODY, HEATER AND DASH - R16RTU87AS/BS (49RGRDASH15900XP)
BODY, HOOD AND FRONT FACSIA - R16RT_87 ALL OPTIONS (700384)
BODY, NERF BARS - R16RTU87A9/B9 (49RGRNERFBAR15900XP)
BODY, REAR BUMPER - R16RTU87A9/AB/B9/BB/M87AL/BL (49RGRBUMPERRR15900XP)
BODY, REAR WINDOW - R16RTU87A9/AS/B9/BS (49RGRWINDSHIELD15900XP)
BODY, ROOF - R16RTU87A9/AS/B9/BS (49RGRROOF15900XP)
BODY, SEALING FOAM - R16RTU87AS/BS (701899)
BODY, SEAT, 60/40 - R16RTE87A9/AK/AM/AS/AV/B9/BK/BM/BS/BV/AG/BG/M87AL/BL/U87A9/AB/AS/B9/BB/BS (49RGRSEAT15900XP)
BODY, SEAT, 60/40 FULL BACK - R16RTA87A1/A4/A9/B1/B4/B9E87A1/A4/B1/B4 (700386)
BODY, SIDE NETS - R16RT_87 ALL OPTIONS (49RGRNETS15900XP)
BODY, SLIDER, DRIVERS SEAT - R16RTE87A9/AK/AM/AS/AV/B9/BK/BM/BS/BV/AG/BG/M87AL/BL/U87A9/AB/AS/B9/BB/BS (49RGRSEAT13SLIDER)
BODY, STORAGE - R16RT_87 ALL OPTIONS (49RGRSTORAGE13900XP)
BODY, UNDERCARRAGE PROTECTION - R16RTU87AB/BB (C700006)
BODY, WINDSHIELD FIXED - R16RTU87AS/BS (49RGRWINDSHIELD15900XPF)
BODY, WINDSHIELD TIP-OUT - R16RTU87A9/B9 (700387)
BODY, WINDSHIELD WIPER - R16RTU87AS/BS (700388)
BRAKES, BRAKE LINES and MASTER CYLINDER - R16RT_87 ALL OPTIONS (49RGRBRAKELINES13900XP)
BRAKES, CALIPER MOUNTING - R16RT_87 ALL OPTIONS (49RGRCALIPERMTG13900XP)
BRAKES, FRONT CALIPER - R16RT_87 ALL OPTIONS (49RGRCALIPER097004X4)
BRAKES, MASTER CYLINDER - R16RT_87 ALL OPTIONS (49RGRMC13900XP)
BRAKES, PEDAL and MASTER CYLINDER - R16RT_87 ALL OPTIONS (49RGRBRAKEFOOT13900XP)
BRAKES, REAR CALIPER - R16RT_87 ALL OPTIONS (49RGRCALIPERRR097004X4)
CHASSIS, CAB FRAME - R16RT_87 ALL OPTIONS (49RGRCAB15900XP)
CHASSIS, MAIN FRAME - R16RT_87 ALL OPTIONS (49RGRFRAME15900XP)
DRIVE TRAIN, CLUTCH COVER and DUCTING - R16RT_87 ALL OPTIONS (49RGRCLUTCHCVR15900XP)
DRIVE TRAIN, CLUTCH COVER and DUCTING - R16RTM87AL (700389)
DRIVE TRAIN, CLUTCH, PRIMARY, EBS - R16RT_87 ALL OPTIONS (49RGRCLUTCHDRV15900XP)
DRIVE TRAIN, CLUTCH, SECONDARY - R16RT_87 ALL OPTIONS (49RGRCLUTCHDVN14900XP)
DRIVE TRAIN, CLUTCH, SECONDARY, EBS - R16RT_87 ALL OPTIONS (700390)
DRIVE TRAIN, FRONT GEARCASE - R16RT_87 (49RGRTRANS151000XP)
DRIVE TRAIN, FRONT GEARCASE - R16RTM87AL [49RGRTRANS151000XP]
DRIVE TRAIN, FRONT GEARCASE INTERNALS - R16RTA87A1/A4/A9/B1/B4/B9 (49RGRTRANSINTL13900XP)
DRIVE TRAIN, FRONT GEARCASE INTERNALS - R16RTE87A1/A4/A9/AK/AM/AS/B1/B4/BK/BM/BV/B9/AG/BG/U87AS/BS [49BOBCATGCFRTINTL13900DH]
DRIVE TRAIN, FRONT GEARCASE INTERNALS - R16RTU87A9/AB/B9/BB (700240)
DRIVE TRAIN, FRONT GEARCASE MOUNTING - R16RT_87 ALL OPTIONS (49RGRTRANSMTG13900XP)
DRIVE TRAIN, FRONT HALF SHAFT - R16RT_87 ALL OPTIONS (49RGRSHAFTDRV13900XP)
DRIVE TRAIN, FRONT HALF SHAFT - R16RTM87AL (700852)
DRIVE TRAIN, FRONT PROP SHAFT - R16RT_87 ALL OPTIONS (49RGRSHAFTPROP13900XP)
DRIVE TRAIN, MAIN GEARCASE INTERNALS - R16RTA/RTE/RTM/RTU87 ALL OPTIONS (700368)
DRIVE TRAIN, MAIN GEARCASE INTERNALS - R16RTM87AL (700368)
DRIVE TRAIN, MAIN GEARCASE MOUNTING - R16RT_87 ALL OPTIONS (700391)
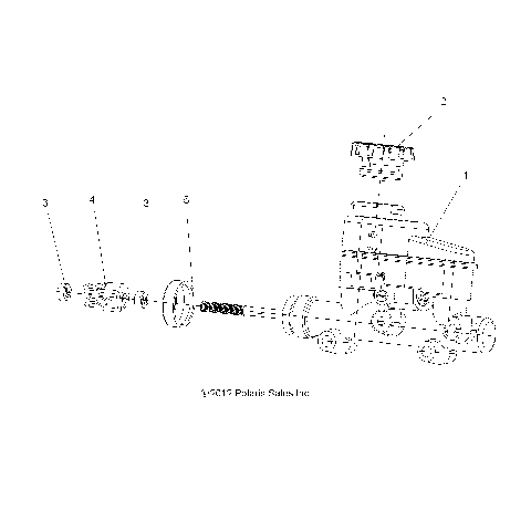
DRIVE TRAIN, REAR DRIVE SHAFT - R16RT_87 ALL OPTIONS (49RGRSHAFTDRVRR13900XP)
DRIVE TRAIN, REAR DRIVE SHAFT - R16RTM87AL (700903)
DRIVE TRAIN, SHIFT LEVER and CABLE - R16RT_87 ALL OPTIONS (701005)
ELECTRICAL, BATTERY - R16RT_87 ALL OPTIONS (700392)
ELECTRICAL, DASH CONTROLS - R16RT_87 ALL OPTIONS (700393)
ELECTRICAL, HARNESS - R16RTU87AS (700394)
ELECTRICAL, HARNESS - R16RT_87 ALL OPTIONS (49RGRHARNESS15900XP)
ELECTRICAL, HARNESS - R16RTM87AL (49RGRHARNESS15900XP)
ELECTRICAL, HEADLIGHT and TAILLIGHT - R16RT_87 ALL OPTIONS (49RGRTAILLAMPS13900XP)
ELECTRICAL, IGNITION - R16RT_87 ALL OPTIONS (49RGRIGNITION13900XP)
ELECTRICAL, OPTIONS - R16RTU87A9/AS (700396)
ELECTRICAL, SENSORS and MODULES - R16RT_87 ALL OPTIONS (700397)
ELECTRICAL, THROTTLE PEDAL - R16RT_87 ALL OPTIONS (49RGRTHROTTLEPEDAL14900XP)
ENGINE, AIR INTAKE SYSTEM - R16RT_87 ALL OPTIONS (700398)
ENGINE, BALANCER - R16RT_87 ALL OPTIONS (49RGRBALANCER13900XP)
ENGINE, BREATHER - R16RT_87 ALL OPTIONS (49RGRBREATHER13900XP)
ENGINE, COOLING SYSTEM - R16RT_87 ALL OPTIONS (700399)
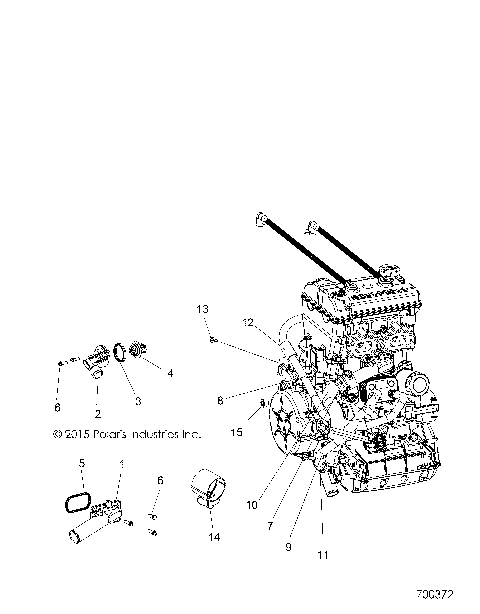
ENGINE, COOLING, THERMOSTAT and BYPASS - R16RT_87 ALL OPTIONS (700372)
ENGINE, COOLING, WATERPUMP - R16RT_87 ALL OPTIONS (701561)
ENGINE, CRANKCASE - R16RT_87 ALL OPTIONS (49RGRCRANKCASE13900XP)
ENGINE, CRANKSHAFT and PISTON - R16RT_87 ALL OPTIONS (49RGRPISTON11RZR875)
ENGINE, CYLINDER and HEAD - R16RT_87 ALL OPTIONS (700371)
ENGINE, EXHAUST - R16RT_87 ALL OPTIONS (700400)
ENGINE, INTAKE and THROTTLE BODY - R16RT_87 ALL OPTIONS (49RGRTHROTTLEBODY14900XP)
ENGINE, MOUNTING & LONG BLOCK - R16RT_87 ALL OPTIONS (700375)
ENGINE, OIL DIPSTICK - R16RT_87 ALL OPTIONS (700373)
ENGINE, OIL PUMP and OIL COOLER - R16RT_87 ALL OPTIONS (49RGROILPUMP13900XP)
ENGINE, STARTER and DRIVE - R16RT_87 ALL OPTIONS (702178)
ENGINE, STATOR and COVER - R16RT_87 ALL OPTIONS (49RGRMAGNETOCVR13900XP)
ENGINE, VALVE COVER - R16RT_87 ALL OPTIONS (49RGRVALVE13900XP)
ENGINE, VALVES and CAMSHAFTS - R16RT_87 ALL OPTIONS (49RGRCAM14900XP)
KITS, GUN BOOT and SCABBARD MOUNT - R16RTE87A9/B9/TU87A9/B9 (49RGRGUNBOOT15900XP)
REFERENCES, TOOL KIT and OWNERS MANUALS - R16RT_87 ALL OPTIONS (49RGRTOOL13900XP)
STEERING, STEERING ASM. - R16RT_87 ALL OPTIONS (700401)
SUSPENSION, FRONT - R16RT_87 ALL OPTIONS (49RGRSUSPFRT15900XP)
SUSPENSION, FRONT SHOCK - R16RT_87 ALL OPTIONS (49RGRSHOCKFRT7043755)
SUSPENSION, REAR - R16RT_87 ALL OPTIONS (49RGRSUSPRR13900XP)
SUSPENSION, REAR SHOCK - R16RT_87 ALL OPTIONS (49RGRSHOCKRR13900XP)
SUSPENSION, TORSION BAR, REAR - R16RT_87 ALL OPTIONS (49RGRSTABILIZERRR13900XP)
WHEELS, FRONT - R16RTA87A1/A4/A9/B1/B4/B9/E87A1/A9/B1/B9/U87A9/B9 (49RGRWHEELFRT13900XP)
WHEELS, FRONT - R16RTE87AK/AM/AS/AV/BK/BM/BS/BV/AG/BG/U87AB/AS/BB/BS (49RGRWHEELFRT13900XPCAST)
WHEELS, FRONT - R16RTM87AL/BL (700402)
WHEELS, REAR - R16RTA87A1/A4/A9/B1/B4/B9/E87A1/A9/B1/B9/U87A9/B9 (49RGRWHEELRR13900XP)
WHEELS, REAR - R16RTE87AK/AM/AS/AV/BK/BM/BS/BV/AG/BG/U87AB/AS/BB/BS (49RGRWHEELRR13900XPCAST)
WHEELS, REAR - R16RTM87AL/BL (700403)
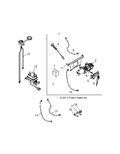
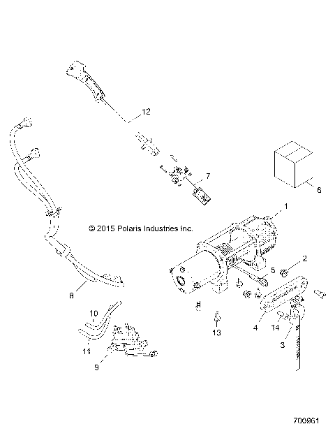
WINCH - R16RTE87A9 (49RGRWINCH14900XP)
WINCH - R16RTM87AL/BL (700961)
WINCH - R16RTU87A9/B9/U87AB/BB (49RGRWINCH14900XP)
BODY, BOX MOUNTING and LATCH - R16RT_87 ALL OPTIONS (49RGRBOXMOUNTING15900XP)
BODY, BOX, TAILGATE - R16RT_87 ALL OPTIONS (49RGRTAILGATE13900XP)
BODY, CARGO BOX - R16RT_87 ALL OPTIONS (49RGRBOX13900XP)
BODY, CARGO STORAGE BOX - R16RTU87A9/U87AB (49RGRSTORAGE15900XP)
BODY, CENTER MIRROR - R16RTU87ABU87AS (49RGRMIRRORS15900XP)
BODY, DASH - R16RT_87 ALL OPTIONS (700379)
BODY, DECALS, COMMON - R16RT_87 ALL OPTIONS (700380)
BODY, DECALS, GRAPHIC - R16RT_87 ALL OPTIONS (700381)
BODY, DOOR, FULL - R16RTU87AS/BS (49RGRDOOR15900XP)
BODY, DOOR, FULL, MOUNTING - R16RTU87AS/BS (49RGRDOORMTG13M)
BODY, DOOR, HALF - R16RTM87AL/BL/U87A9/B9 (49RGRDOOR159XP)
BODY, FLOOR and FENDERS - R16RT_87 ALL OPTIONS (49RGRFLOOR15900XP)
BODY, FRONT BRUSH GUARD - R16RTU87A9/AB/B9/BB (700383)
BODY, FRONT BUMPER - R16RT_87 ALL OPTIONS (49RGRBUMPER13900XP)
BODY, FUEL TANK - R16RT_87 ALL OPTIONS (49RGRFUEL13900XP)
BODY, HEATER AND DASH - R16RTU87AS/BS (49RGRDASH15900XP)
BODY, HOOD AND FRONT FACSIA - R16RT_87 ALL OPTIONS (700384)
BODY, NERF BARS - R16RTU87A9/B9 (49RGRNERFBAR15900XP)
BODY, REAR BUMPER - R16RTU87A9/AB/B9/BB/M87AL/BL (49RGRBUMPERRR15900XP)
BODY, REAR WINDOW - R16RTU87A9/AS/B9/BS (49RGRWINDSHIELD15900XP)
BODY, ROOF - R16RTU87A9/AS/B9/BS (49RGRROOF15900XP)
BODY, SEALING FOAM - R16RTU87AS/BS (701899)
BODY, SEAT, 60/40 - R16RTE87A9/AK/AM/AS/AV/B9/BK/BM/BS/BV/AG/BG/M87AL/BL/U87A9/AB/AS/B9/BB/BS (49RGRSEAT15900XP)
BODY, SEAT, 60/40 FULL BACK - R16RTA87A1/A4/A9/B1/B4/B9E87A1/A4/B1/B4 (700386)
BODY, SIDE NETS - R16RT_87 ALL OPTIONS (49RGRNETS15900XP)
BODY, SLIDER, DRIVERS SEAT - R16RTE87A9/AK/AM/AS/AV/B9/BK/BM/BS/BV/AG/BG/M87AL/BL/U87A9/AB/AS/B9/BB/BS (49RGRSEAT13SLIDER)
BODY, STORAGE - R16RT_87 ALL OPTIONS (49RGRSTORAGE13900XP)
BODY, UNDERCARRAGE PROTECTION - R16RTU87AB/BB (C700006)
BODY, WINDSHIELD FIXED - R16RTU87AS/BS (49RGRWINDSHIELD15900XPF)
BODY, WINDSHIELD TIP-OUT - R16RTU87A9/B9 (700387)
BODY, WINDSHIELD WIPER - R16RTU87AS/BS (700388)
BRAKES, BRAKE LINES and MASTER CYLINDER - R16RT_87 ALL OPTIONS (49RGRBRAKELINES13900XP)
BRAKES, CALIPER MOUNTING - R16RT_87 ALL OPTIONS (49RGRCALIPERMTG13900XP)
BRAKES, FRONT CALIPER - R16RT_87 ALL OPTIONS (49RGRCALIPER097004X4)
BRAKES, MASTER CYLINDER - R16RT_87 ALL OPTIONS (49RGRMC13900XP)
BRAKES, PEDAL and MASTER CYLINDER - R16RT_87 ALL OPTIONS (49RGRBRAKEFOOT13900XP)
BRAKES, REAR CALIPER - R16RT_87 ALL OPTIONS (49RGRCALIPERRR097004X4)
CHASSIS, CAB FRAME - R16RT_87 ALL OPTIONS (49RGRCAB15900XP)
CHASSIS, MAIN FRAME - R16RT_87 ALL OPTIONS (49RGRFRAME15900XP)
DRIVE TRAIN, CLUTCH COVER and DUCTING - R16RT_87 ALL OPTIONS (49RGRCLUTCHCVR15900XP)
DRIVE TRAIN, CLUTCH COVER and DUCTING - R16RTM87AL (700389)
DRIVE TRAIN, CLUTCH, PRIMARY, EBS - R16RT_87 ALL OPTIONS (49RGRCLUTCHDRV15900XP)
DRIVE TRAIN, CLUTCH, SECONDARY - R16RT_87 ALL OPTIONS (49RGRCLUTCHDVN14900XP)
DRIVE TRAIN, CLUTCH, SECONDARY, EBS - R16RT_87 ALL OPTIONS (700390)
DRIVE TRAIN, FRONT GEARCASE - R16RT_87 (49RGRTRANS151000XP)
DRIVE TRAIN, FRONT GEARCASE - R16RTM87AL [49RGRTRANS151000XP]
DRIVE TRAIN, FRONT GEARCASE INTERNALS - R16RTA87A1/A4/A9/B1/B4/B9 (49RGRTRANSINTL13900XP)
DRIVE TRAIN, FRONT GEARCASE INTERNALS - R16RTE87A1/A4/A9/AK/AM/AS/B1/B4/BK/BM/BV/B9/AG/BG/U87AS/BS [49BOBCATGCFRTINTL13900DH]
DRIVE TRAIN, FRONT GEARCASE INTERNALS - R16RTU87A9/AB/B9/BB (700240)
DRIVE TRAIN, FRONT GEARCASE MOUNTING - R16RT_87 ALL OPTIONS (49RGRTRANSMTG13900XP)
DRIVE TRAIN, FRONT HALF SHAFT - R16RT_87 ALL OPTIONS (49RGRSHAFTDRV13900XP)
DRIVE TRAIN, FRONT HALF SHAFT - R16RTM87AL (700852)
DRIVE TRAIN, FRONT PROP SHAFT - R16RT_87 ALL OPTIONS (49RGRSHAFTPROP13900XP)
DRIVE TRAIN, MAIN GEARCASE INTERNALS - R16RTA/RTE/RTM/RTU87 ALL OPTIONS (700368)
DRIVE TRAIN, MAIN GEARCASE INTERNALS - R16RTM87AL (700368)
DRIVE TRAIN, MAIN GEARCASE MOUNTING - R16RT_87 ALL OPTIONS (700391)
DRIVE TRAIN, REAR DRIVE SHAFT - R16RT_87 ALL OPTIONS (49RGRSHAFTDRVRR13900XP)
DRIVE TRAIN, REAR DRIVE SHAFT - R16RTM87AL (700903)
DRIVE TRAIN, SHIFT LEVER and CABLE - R16RT_87 ALL OPTIONS (701005)
ELECTRICAL, BATTERY - R16RT_87 ALL OPTIONS (700392)
ELECTRICAL, DASH CONTROLS - R16RT_87 ALL OPTIONS (700393)
ELECTRICAL, HARNESS - R16RTU87AS (700394)
ELECTRICAL, HARNESS - R16RT_87 ALL OPTIONS (49RGRHARNESS15900XP)
ELECTRICAL, HARNESS - R16RTM87AL (49RGRHARNESS15900XP)
ELECTRICAL, HEADLIGHT and TAILLIGHT - R16RT_87 ALL OPTIONS (49RGRTAILLAMPS13900XP)
ELECTRICAL, IGNITION - R16RT_87 ALL OPTIONS (49RGRIGNITION13900XP)
ELECTRICAL, OPTIONS - R16RTU87A9/AS (700396)
ELECTRICAL, SENSORS and MODULES - R16RT_87 ALL OPTIONS (700397)
ELECTRICAL, THROTTLE PEDAL - R16RT_87 ALL OPTIONS (49RGRTHROTTLEPEDAL14900XP)
ENGINE, AIR INTAKE SYSTEM - R16RT_87 ALL OPTIONS (700398)
ENGINE, BALANCER - R16RT_87 ALL OPTIONS (49RGRBALANCER13900XP)
ENGINE, BREATHER - R16RT_87 ALL OPTIONS (49RGRBREATHER13900XP)
ENGINE, COOLING SYSTEM - R16RT_87 ALL OPTIONS (700399)
ENGINE, COOLING, THERMOSTAT and BYPASS - R16RT_87 ALL OPTIONS (700372)
ENGINE, COOLING, WATERPUMP - R16RT_87 ALL OPTIONS (701561)
ENGINE, CRANKCASE - R16RT_87 ALL OPTIONS (49RGRCRANKCASE13900XP)
ENGINE, CRANKSHAFT and PISTON - R16RT_87 ALL OPTIONS (49RGRPISTON11RZR875)
ENGINE, CYLINDER and HEAD - R16RT_87 ALL OPTIONS (700371)
ENGINE, EXHAUST - R16RT_87 ALL OPTIONS (700400)
ENGINE, INTAKE and THROTTLE BODY - R16RT_87 ALL OPTIONS (49RGRTHROTTLEBODY14900XP)
ENGINE, MOUNTING & LONG BLOCK - R16RT_87 ALL OPTIONS (700375)
ENGINE, OIL DIPSTICK - R16RT_87 ALL OPTIONS (700373)
ENGINE, OIL PUMP and OIL COOLER - R16RT_87 ALL OPTIONS (49RGROILPUMP13900XP)
ENGINE, STARTER and DRIVE - R16RT_87 ALL OPTIONS (702178)
ENGINE, STATOR and COVER - R16RT_87 ALL OPTIONS (49RGRMAGNETOCVR13900XP)
ENGINE, VALVE COVER - R16RT_87 ALL OPTIONS (49RGRVALVE13900XP)
ENGINE, VALVES and CAMSHAFTS - R16RT_87 ALL OPTIONS (49RGRCAM14900XP)
KITS, GUN BOOT and SCABBARD MOUNT - R16RTE87A9/B9/TU87A9/B9 (49RGRGUNBOOT15900XP)
REFERENCES, TOOL KIT and OWNERS MANUALS - R16RT_87 ALL OPTIONS (49RGRTOOL13900XP)
STEERING, STEERING ASM. - R16RT_87 ALL OPTIONS (700401)
SUSPENSION, FRONT - R16RT_87 ALL OPTIONS (49RGRSUSPFRT15900XP)
SUSPENSION, FRONT SHOCK - R16RT_87 ALL OPTIONS (49RGRSHOCKFRT7043755)
SUSPENSION, REAR - R16RT_87 ALL OPTIONS (49RGRSUSPRR13900XP)
SUSPENSION, REAR SHOCK - R16RT_87 ALL OPTIONS (49RGRSHOCKRR13900XP)
SUSPENSION, TORSION BAR, REAR - R16RT_87 ALL OPTIONS (49RGRSTABILIZERRR13900XP)
WHEELS, FRONT - R16RTA87A1/A4/A9/B1/B4/B9/E87A1/A9/B1/B9/U87A9/B9 (49RGRWHEELFRT13900XP)
WHEELS, FRONT - R16RTE87AK/AM/AS/AV/BK/BM/BS/BV/AG/BG/U87AB/AS/BB/BS (49RGRWHEELFRT13900XPCAST)
WHEELS, FRONT - R16RTM87AL/BL (700402)
WHEELS, REAR - R16RTA87A1/A4/A9/B1/B4/B9/E87A1/A9/B1/B9/U87A9/B9 (49RGRWHEELRR13900XP)
WHEELS, REAR - R16RTE87AK/AM/AS/AV/BK/BM/BS/BV/AG/BG/U87AB/AS/BB/BS (49RGRWHEELRR13900XPCAST)
WHEELS, REAR - R16RTM87AL/BL (700403)
WINCH - R16RTE87A9 (49RGRWINCH14900XP)
WINCH - R16RTM87AL/BL (700961)
WINCH - R16RTU87A9/B9/U87AB/BB (49RGRWINCH14900XP)
View Cart
VIEW WISH LIST