Polaris
Browse New Models
Shop In-Stock
Can-Am
Browse New Models
Shop In-Stock
Ski-Doo
Browse New Models
Shop In-Stock
Sea-Doo
Browse New Models
Shop In-Stock
Kayo
Browse New Models
Shop In-Stock
Manitou
Browse New Models
Shop In-Stock
Our
Location
Call
Us
Contact
Us
Toggle navigation
Home
Brands
Showroom
Manufacturer Models
OEM Promotions
Polaris Off-Road
Polaris Snowmobiles
Can-Am
Sea-Doo
Ski-Doo
Kayo
Yamaha Marine
Triton Trailers
Manitou
Nitro Trailers
CAM Superline
Durabull Trailers
Trifecta Pontoons
Inventory
All Inventory In Stock
New Inventory In Stock
Pre-Owned Inventory
Value Your Trade-In
Request a Model
Financing
Parts
Parts Department
OEM Parts Finder
Service
Service Department
Request Polaris Service
Warranty & Recall Look-Up
Financing
About
Our Dealership
Our Team
Reviews
Customer Survey
Newsletter Sign-Up
Employment
Events
Location & Hours
Contact
Call Us
Fort Kent, ME
Fiche | Parts Diagrams
2017 Polaris Utility Vehicles
Home
›
Parts
›
OEM Parts Finder
Search by :
Part / Desc
VIN
Please Select
Can-Am
LYNX
Polaris
Sea-Doo
Ski-Doo
Yamaha
*Please enter at least 3 characters
SEARCH
Manufacturer
Polaris
Utility Vehicles
2017
RANGER XP 1000 ALL OPTIONS (R17RT_99)
View Cart
VIEW WISH LIST
Select a Section
Show/Hide
BODY, BOX MOUNTING and LATCH - R17RT_99 ALL OPTIONS (701547)
BODY, BOX, TAILGATE - R17RT_99 ALL OPTIONS (49RGRTAILGATE13900XP)
BODY, CARGO BOX - R17RT_99 ALL OPTIONS (701548)
BODY, CARGO BOX - R17RTM99AM/BM (701901)
BODY, CENTER MIRROR - R17RTM99AM/U99AT (701703)
BODY, DASH - R17RT_997 ALL OPTIONS (701274)
BODY, DECALS, COMMON - R17RT_99 ALL OPTIONS (700380)
BODY, DECALS, GRAPHIC - R17RT_99 ALL OPTIONS (701112)
BODY, DOOR, FULL - R17RTU99AV/BV (49RGRDOOR15900XP)
BODY, DOOR, FULL, MOUNTING - R17RTU99AV/BV (C733465)
BODY, DOOR, HALF - R17RTM99AM/BM (701544)
BODY, DOOR, HALF MOUNTING - R17RTM99AM/BM (701540)
BODY, FLOOR and FENDERS - R17RT_99 ALL OPTIONS (701113)
BODY, FRONT BRUSH GUARD - R17RTU99AT/BT (700383)
BODY, FRONT BUMPER - R17RT_99 ALL OPTIONS (49RGRBUMPER13900XP)
BODY, FRONT BUMPER - R17RTM99AM/BM (701887)
BODY, FUEL TANK - R17RT_99 ALL OPTIONS (49RGRFUEL13900XP)
BODY, HOOD AND FRONT FACSIA - R17RT_99 ALL OPTIONS (700384)
BODY, HVAC ASSEMBLY - R17RTU99AV/BV (702389)
BODY, HVAC DUCTING - R17RTU99AV/BV (701119)
BODY, HVAC ROUTINGS - R17RTU99AV/BV (701118)
BODY, REAR BUMPER - R17RTM99AM/BM/U99AT/BT (49RGRBUMPERRR15900XP)
BODY, REAR WINDOW - R17RTU99AV/BV (49RGRWINDSHIELD15900XP)
BODY, ROOF - R17RTU99AV/BV/AT/BT (701114)
BODY, ROOF AND CAB - R17RTU99AV/BV (701549)
BODY, SEALING FOAM - R17RTU99AV/BV (701899)
BODY, SEAT, 60/40 - R17RT_99 ALL OPTIONS (49RGRSEAT15900XP)
BODY, SEAT, 60/40 FULL BACK - R17RTA99A1/B1 (700386)
BODY, SIDE NETS - R17RT_99 ALL OPTIONS (701052)
BODY, SLIDER, DRIVERS SEAT - R17RT_99 ALL OPTIONS (701115)
BODY, STORAGE - R17RT_99 ALL OPTIONS (49RGRSTORAGE13900XP)
BODY, UNDERCARRAGE PROTECTION & RACK - R17RTU99AT/BT (701116)
BODY, WINDSHIELD FIXED - R17RTU99AV/BV (49RGRWINDSHIELD15900XPF)
BRAKES, BRAKE LINES and MASTER CYLINDER - R17RT_99 ALL OPTIONS (49RGRBRAKELINES13900XP)
BRAKES, CALIPER MOUNTING - R17RT_99 ALL OPTIONS (49RGRCALIPERMTG13900XP)
BRAKES, FRONT CALIPER - R17RT_99 ALL OPTIONS (49RGRCALIPER097004X4)
BRAKES, MASTER CYLINDER - R17RT_99 ALL OPTIONS (49RGRMC13900XP)
BRAKES, PEDAL and MASTER CYLINDER - R17RT_99 ALL OPTIONS (49RGRBRAKEFOOT13900XP)
BRAKES, REAR CALIPER - R17RT_99 ALL OPTIONS (49RGRCALIPERRR097004X4)
CHASSIS, CAB FRAME - R17RT_99 ALL OPTIONS (701121)
CHASSIS, MAIN FRAME - R17RT_99 ALL OPTIONS (49RGRFRAME15900XP)
DRIVE TRAIN, CLUTCH COVER and DUCTING - R17RT_99 ALL OPTIONS (701570)
DRIVE TRAIN, CLUTCH COVER and DUCTING - R17RTM99AM/BM (700389)
DRIVE TRAIN, CLUTCH SECONDARY - R17RT_99 ALL OPTIONS (C730545)
DRIVE TRAIN, CLUTCH SECONDARY, EBS - R17RTE99A9/B9 (c730545)
DRIVE TRAIN, CLUTCH, PRIMARY EBS - R17RT_99 ALL OPTIONS (49RGRCLUTCHDRV14RZR1000)
DRIVE TRAIN, FRONT GEARCASE INTERNALS - R17RTA99A1/B1 (701541)
DRIVE TRAIN, FRONT GEARCASE INTERNALS - R17RTE99A9/B9 (700240)
DRIVE TRAIN, FRONT GEARCASE INTERNALS - R17RTE99AS/BS/AW/BW/AY/BY/U99AV/BV [701541]
DRIVE TRAIN, FRONT GEARCASE INTERNALS - R17RTM99AM/BM/U99AT/BT (701246)
DRIVE TRAIN, FRONT GEARCASE MOUNTING - R17RT_99 ALL OPTIONS (49RGRTRANSMTG13900XP)
DRIVE TRAIN, FRONT HALF SHAFT - R17RT_99 ALL OPTIONS (49RGRSHAFTDRV13900XP)
DRIVE TRAIN, FRONT HALF SHAFT - R17RTM99AM/BM (701543)
DRIVE TRAIN, FRONT PROP SHAFT - R17RT_99 ALL OPTIONS (49RGRSHAFTPROP13900XP)
DRIVE TRAIN, MAIN GEARCASE INTERNALS - R17RT_99 ALL OPTIONS (701090)
DRIVE TRAIN, MAIN GEARCASE INTERNALS - R17RTM99AM/BM (701130)
DRIVE TRAIN, MAIN GEARCASE MOUNTING - R17RT_99 ALL OPTIONS (700391)
DRIVE TRAIN, REAR DRIVE SHAFT (FROM 7/17/2017) - R17RTM99AM/BM/U99AT/BT (701957)
DRIVE TRAIN, REAR DRIVE SHAFT (FROM 7/3/2017) - R17RT_99 ALL OPTIONS (49RGRSHAFTDRVRR1332878)
DRIVE TRAIN, REAR DRIVE SHAFT (TO 7/17/2017) - R17RTM99AM/BM/U99AT/BT (700903)
DRIVE TRAIN, REAR DRIVE SHAFT (TO 7/3/2017) - R17RT_99 ALL OPTIONS (49RGRSHAFTDRVRR13900XP)
DRIVE TRAIN, SHIFT LEVER and CABLE - R17RT_99 ALL OPTIONS (701005)
ELECTRICAL, BATTERY - R17RT_99 ALL OPTIONS (701161)
ELECTRICAL, DASH CONTROLS - R17RT_99 ALL OPTIONS (701546)
ELECTRICAL, HARNESS - R17RTU99AV/BV (701854)
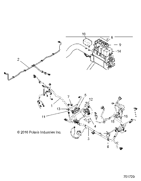
ELECTRICAL, HARNESS - R17RT_99 ALL OPTIONS (701729)
ELECTRICAL, HARNESS - R17RTM99AM/BM (49RGRHARNESS15900XP)
ELECTRICAL, HEADLIGHT and TAILLIGHT - R17RT_99 ALL OPTIONS (49RGRTAILLAMPS13900XP)
ELECTRICAL, IGNITION - R17RT_99 ALL OPTIONS (701123)
ELECTRICAL, OPTIONS - R17RTU99AV/BV (701128)
ELECTRICAL, SENSORS and MODULES - R17RT_99 ALL OPTIONS (701124)
ELECTRICAL, THROTTLE PEDAL - R17RT_99 ALL OPTIONS (49RGRTHROTTLEPEDAL14900XP)
ENGINE, AIR INTAKE MANIFOLD - R17RT_99 ALL OPTIONS (700824)
ENGINE, AIR INTAKE SYSTEM - R17RT_99 ALL OPTIONS (700398)
ENGINE, ALTERNATOR COVER HVAC - R17RTU99AV/BV (701117)
ENGINE, ALTERNATOR AND COMPRESSOR - R17RTU99AV/BV (701110)
ENGINE, CAM CHAIN AND TENSIONER - R17RT_99 ALL OPTIONS (700463)
ENGINE, COOLING SYSTEM - R17RT_99 ALL OPTIONS (701125)
ENGINE, CRANKCASE - R17RT_99 ALL OPTIONS (701104)
ENGINE, CRANKSHAFT - R17RT_99 ALL OPTIONS (701105)
ENGINE, CYLINDER AND PISTON - R17RT_99 ALL OPTIONS (49RGRCYLINDER14RZR1000)
ENGINE, CYLINDER HEAD AND VALVES - R17RT_99 ALL OPTIONS (49RGRVALVE14RZR1000)
ENGINE, DIPSTICK AND OIL FILTER - R17RT_99 ALL OPTIONS (49RGRDIPSTICK14RZR1000)
ENGINE, EXHAUST - R17RT_99 ALL OPTIONS (701126)
ENGINE, EXHAUST - R17RTU99AV/BV (701127)
ENGINE, MAG COVER MOUNT - R17RTU99AV/BV (701111)
ENGINE, MOUNTING & LONG BLOCK - R17RT_99 ALL OPTIONS (49RGRENGINEMTG14RZR1000)
ENGINE, OIL PUMP - R17RT_99 ALL OPTIONS (701106)
ENGINE, STARTER - R17RT_99 ALL OPTIONS (49RGRSTARTER14RZR1000)
ENGINE, STATOR AND FLYWHEEL - R17RT_99 ALL OPTIONS (701107)
ENGINE, THROTTLE BODY AND VALVE COVER - R17RT_99 ALL OPTIONS (701108)
ENGINE, WATERPUMP AND BYPASS - R17RT_99 ALL OPTIONS (701109)
K-FENCE RACK,RANCH,RGR - R17RTU99AT/BT (701550)
K-GUN MOUNT - R17RTU99AT/BT (701129)
K-SPOOLER,RANCH,RGR - R17RTU99AT/BT (701551)
KITS, GUN BOOT and SCABBARD MOUNT - R17RTE99A9 (49RGRGUNBOOT15900XP)
REFERENCES, TOOL KIT and OWNERS MANUALS - R17RT_99 ALL OPTIONS (49RGRTOOL13900XP)
STEERING, STEERING ASM. - R17RT_99 ALL OPTIONS (700401)
SUSPENSION, FRONT - R17RT_99 ALL OPTIONS (49RGRSUSPFRT15900XP)
SUSPENSION, FRONT SHOCK - R1RT_99 ALL OPTIONS (49RGRSHOCKFRT7043755)
SUSPENSION, REAR - R17RT_99 ALL OPTIONS (49RGRSUSPRR13900XP)
SUSPENSION, REAR SHOCK - R17RT_99 ALL OPTIONS (49RGRSHOCKRR13900XP)
SUSPENSION, TORSION BAR, REAR - R17RT_99 ALL OPTIONS (49RGRSTABILIZERRR13900XP)
WHEELS, FRONT - R17RTE99A9/B9/A99A1/B1 (49RGRWHEELFRT13900XP)
WHEELS, FRONT - R17RTE99AS/BS/AW/BW/AY/BY/U99AV/BV/AT/BT (49RGRWHEELFRT13900XPCAST)
WHEELS, FRONT - R17RTM99AM/BM (700402)
WHEELS, REAR - R17RTE99A9/B9/A99A1/B1 (49RGRWHEELRR13900XP)
WHEELS, REAR - R17RTE99AS/BS/AW/BW/AY/BY/U99AV/BV/AT/BT (49RGRWHEELRR13900XPCAST)
WHEELS, REAR - R17RTM99AM/BM (700403)
WINCH - R17RTE99A9/B9/U99AT/BT (49RGRWINCH14900XP)
WINCH - R17RTM99AM/BM (701160)
BODY, BOX MOUNTING and LATCH - R17RT_99 ALL OPTIONS (701547)
BODY, BOX, TAILGATE - R17RT_99 ALL OPTIONS (49RGRTAILGATE13900XP)
BODY, CARGO BOX - R17RT_99 ALL OPTIONS (701548)
BODY, CARGO BOX - R17RTM99AM/BM (701901)
BODY, CENTER MIRROR - R17RTM99AM/U99AT (701703)
BODY, DASH - R17RT_997 ALL OPTIONS (701274)
BODY, DECALS, COMMON - R17RT_99 ALL OPTIONS (700380)
BODY, DECALS, GRAPHIC - R17RT_99 ALL OPTIONS (701112)
BODY, DOOR, FULL - R17RTU99AV/BV (49RGRDOOR15900XP)
BODY, DOOR, FULL, MOUNTING - R17RTU99AV/BV (C733465)
BODY, DOOR, HALF - R17RTM99AM/BM (701544)
BODY, DOOR, HALF MOUNTING - R17RTM99AM/BM (701540)
BODY, FLOOR and FENDERS - R17RT_99 ALL OPTIONS (701113)
BODY, FRONT BRUSH GUARD - R17RTU99AT/BT (700383)
BODY, FRONT BUMPER - R17RT_99 ALL OPTIONS (49RGRBUMPER13900XP)
BODY, FRONT BUMPER - R17RTM99AM/BM (701887)
BODY, FUEL TANK - R17RT_99 ALL OPTIONS (49RGRFUEL13900XP)
BODY, HOOD AND FRONT FACSIA - R17RT_99 ALL OPTIONS (700384)
BODY, HVAC ASSEMBLY - R17RTU99AV/BV (702389)
BODY, HVAC DUCTING - R17RTU99AV/BV (701119)
BODY, HVAC ROUTINGS - R17RTU99AV/BV (701118)
BODY, REAR BUMPER - R17RTM99AM/BM/U99AT/BT (49RGRBUMPERRR15900XP)
BODY, REAR WINDOW - R17RTU99AV/BV (49RGRWINDSHIELD15900XP)
BODY, ROOF - R17RTU99AV/BV/AT/BT (701114)
BODY, ROOF AND CAB - R17RTU99AV/BV (701549)
BODY, SEALING FOAM - R17RTU99AV/BV (701899)
BODY, SEAT, 60/40 - R17RT_99 ALL OPTIONS (49RGRSEAT15900XP)
BODY, SEAT, 60/40 FULL BACK - R17RTA99A1/B1 (700386)
BODY, SIDE NETS - R17RT_99 ALL OPTIONS (701052)
BODY, SLIDER, DRIVERS SEAT - R17RT_99 ALL OPTIONS (701115)
BODY, STORAGE - R17RT_99 ALL OPTIONS (49RGRSTORAGE13900XP)
BODY, UNDERCARRAGE PROTECTION & RACK - R17RTU99AT/BT (701116)
BODY, WINDSHIELD FIXED - R17RTU99AV/BV (49RGRWINDSHIELD15900XPF)
BRAKES, BRAKE LINES and MASTER CYLINDER - R17RT_99 ALL OPTIONS (49RGRBRAKELINES13900XP)
BRAKES, CALIPER MOUNTING - R17RT_99 ALL OPTIONS (49RGRCALIPERMTG13900XP)
BRAKES, FRONT CALIPER - R17RT_99 ALL OPTIONS (49RGRCALIPER097004X4)
BRAKES, MASTER CYLINDER - R17RT_99 ALL OPTIONS (49RGRMC13900XP)
BRAKES, PEDAL and MASTER CYLINDER - R17RT_99 ALL OPTIONS (49RGRBRAKEFOOT13900XP)
BRAKES, REAR CALIPER - R17RT_99 ALL OPTIONS (49RGRCALIPERRR097004X4)
CHASSIS, CAB FRAME - R17RT_99 ALL OPTIONS (701121)
CHASSIS, MAIN FRAME - R17RT_99 ALL OPTIONS (49RGRFRAME15900XP)
DRIVE TRAIN, CLUTCH COVER and DUCTING - R17RT_99 ALL OPTIONS (701570)
DRIVE TRAIN, CLUTCH COVER and DUCTING - R17RTM99AM/BM (700389)
DRIVE TRAIN, CLUTCH SECONDARY - R17RT_99 ALL OPTIONS (C730545)
DRIVE TRAIN, CLUTCH SECONDARY, EBS - R17RTE99A9/B9 (c730545)
DRIVE TRAIN, CLUTCH, PRIMARY EBS - R17RT_99 ALL OPTIONS (49RGRCLUTCHDRV14RZR1000)
DRIVE TRAIN, FRONT GEARCASE INTERNALS - R17RTA99A1/B1 (701541)
DRIVE TRAIN, FRONT GEARCASE INTERNALS - R17RTE99A9/B9 (700240)
DRIVE TRAIN, FRONT GEARCASE INTERNALS - R17RTE99AS/BS/AW/BW/AY/BY/U99AV/BV [701541]
DRIVE TRAIN, FRONT GEARCASE INTERNALS - R17RTM99AM/BM/U99AT/BT (701246)
DRIVE TRAIN, FRONT GEARCASE MOUNTING - R17RT_99 ALL OPTIONS (49RGRTRANSMTG13900XP)
DRIVE TRAIN, FRONT HALF SHAFT - R17RT_99 ALL OPTIONS (49RGRSHAFTDRV13900XP)
DRIVE TRAIN, FRONT HALF SHAFT - R17RTM99AM/BM (701543)
DRIVE TRAIN, FRONT PROP SHAFT - R17RT_99 ALL OPTIONS (49RGRSHAFTPROP13900XP)
DRIVE TRAIN, MAIN GEARCASE INTERNALS - R17RT_99 ALL OPTIONS (701090)
DRIVE TRAIN, MAIN GEARCASE INTERNALS - R17RTM99AM/BM (701130)
DRIVE TRAIN, MAIN GEARCASE MOUNTING - R17RT_99 ALL OPTIONS (700391)
DRIVE TRAIN, REAR DRIVE SHAFT (FROM 7/17/2017) - R17RTM99AM/BM/U99AT/BT (701957)
DRIVE TRAIN, REAR DRIVE SHAFT (FROM 7/3/2017) - R17RT_99 ALL OPTIONS (49RGRSHAFTDRVRR1332878)
DRIVE TRAIN, REAR DRIVE SHAFT (TO 7/17/2017) - R17RTM99AM/BM/U99AT/BT (700903)
DRIVE TRAIN, REAR DRIVE SHAFT (TO 7/3/2017) - R17RT_99 ALL OPTIONS (49RGRSHAFTDRVRR13900XP)
DRIVE TRAIN, SHIFT LEVER and CABLE - R17RT_99 ALL OPTIONS (701005)
ELECTRICAL, BATTERY - R17RT_99 ALL OPTIONS (701161)
ELECTRICAL, DASH CONTROLS - R17RT_99 ALL OPTIONS (701546)
ELECTRICAL, HARNESS - R17RTU99AV/BV (701854)
ELECTRICAL, HARNESS - R17RT_99 ALL OPTIONS (701729)
ELECTRICAL, HARNESS - R17RTM99AM/BM (49RGRHARNESS15900XP)
ELECTRICAL, HEADLIGHT and TAILLIGHT - R17RT_99 ALL OPTIONS (49RGRTAILLAMPS13900XP)
ELECTRICAL, IGNITION - R17RT_99 ALL OPTIONS (701123)
ELECTRICAL, OPTIONS - R17RTU99AV/BV (701128)
ELECTRICAL, SENSORS and MODULES - R17RT_99 ALL OPTIONS (701124)
ELECTRICAL, THROTTLE PEDAL - R17RT_99 ALL OPTIONS (49RGRTHROTTLEPEDAL14900XP)
ENGINE, AIR INTAKE MANIFOLD - R17RT_99 ALL OPTIONS (700824)
ENGINE, AIR INTAKE SYSTEM - R17RT_99 ALL OPTIONS (700398)
ENGINE, ALTERNATOR COVER HVAC - R17RTU99AV/BV (701117)
ENGINE, ALTERNATOR AND COMPRESSOR - R17RTU99AV/BV (701110)
ENGINE, CAM CHAIN AND TENSIONER - R17RT_99 ALL OPTIONS (700463)
ENGINE, COOLING SYSTEM - R17RT_99 ALL OPTIONS (701125)
ENGINE, CRANKCASE - R17RT_99 ALL OPTIONS (701104)
ENGINE, CRANKSHAFT - R17RT_99 ALL OPTIONS (701105)
ENGINE, CYLINDER AND PISTON - R17RT_99 ALL OPTIONS (49RGRCYLINDER14RZR1000)
ENGINE, CYLINDER HEAD AND VALVES - R17RT_99 ALL OPTIONS (49RGRVALVE14RZR1000)
ENGINE, DIPSTICK AND OIL FILTER - R17RT_99 ALL OPTIONS (49RGRDIPSTICK14RZR1000)
ENGINE, EXHAUST - R17RT_99 ALL OPTIONS (701126)
ENGINE, EXHAUST - R17RTU99AV/BV (701127)
ENGINE, MAG COVER MOUNT - R17RTU99AV/BV (701111)
ENGINE, MOUNTING & LONG BLOCK - R17RT_99 ALL OPTIONS (49RGRENGINEMTG14RZR1000)
ENGINE, OIL PUMP - R17RT_99 ALL OPTIONS (701106)
ENGINE, STARTER - R17RT_99 ALL OPTIONS (49RGRSTARTER14RZR1000)
ENGINE, STATOR AND FLYWHEEL - R17RT_99 ALL OPTIONS (701107)
ENGINE, THROTTLE BODY AND VALVE COVER - R17RT_99 ALL OPTIONS (701108)
ENGINE, WATERPUMP AND BYPASS - R17RT_99 ALL OPTIONS (701109)
K-FENCE RACK,RANCH,RGR - R17RTU99AT/BT (701550)
K-GUN MOUNT - R17RTU99AT/BT (701129)
K-SPOOLER,RANCH,RGR - R17RTU99AT/BT (701551)
KITS, GUN BOOT and SCABBARD MOUNT - R17RTE99A9 (49RGRGUNBOOT15900XP)
REFERENCES, TOOL KIT and OWNERS MANUALS - R17RT_99 ALL OPTIONS (49RGRTOOL13900XP)
STEERING, STEERING ASM. - R17RT_99 ALL OPTIONS (700401)
SUSPENSION, FRONT - R17RT_99 ALL OPTIONS (49RGRSUSPFRT15900XP)
SUSPENSION, FRONT SHOCK - R1RT_99 ALL OPTIONS (49RGRSHOCKFRT7043755)
SUSPENSION, REAR - R17RT_99 ALL OPTIONS (49RGRSUSPRR13900XP)
SUSPENSION, REAR SHOCK - R17RT_99 ALL OPTIONS (49RGRSHOCKRR13900XP)
SUSPENSION, TORSION BAR, REAR - R17RT_99 ALL OPTIONS (49RGRSTABILIZERRR13900XP)
WHEELS, FRONT - R17RTE99A9/B9/A99A1/B1 (49RGRWHEELFRT13900XP)
WHEELS, FRONT - R17RTE99AS/BS/AW/BW/AY/BY/U99AV/BV/AT/BT (49RGRWHEELFRT13900XPCAST)
WHEELS, FRONT - R17RTM99AM/BM (700402)
WHEELS, REAR - R17RTE99A9/B9/A99A1/B1 (49RGRWHEELRR13900XP)
WHEELS, REAR - R17RTE99AS/BS/AW/BW/AY/BY/U99AV/BV/AT/BT (49RGRWHEELRR13900XPCAST)
WHEELS, REAR - R17RTM99AM/BM (700403)
WINCH - R17RTE99A9/B9/U99AT/BT (49RGRWINCH14900XP)
WINCH - R17RTM99AM/BM (701160)
View Cart
VIEW WISH LIST