Polaris
Browse New Models
Shop In-Stock
Can-Am
Browse New Models
Shop In-Stock
Ski-Doo
Browse New Models
Shop In-Stock
Sea-Doo
Browse New Models
Shop In-Stock
Kayo
Browse New Models
Shop In-Stock
Manitou
Browse New Models
Shop In-Stock
Our
Location
Call
Us
Contact
Us
Toggle navigation
Home
Brands
Showroom
Manufacturer Models
OEM Promotions
Polaris Off-Road
Polaris Snowmobiles
Can-Am
Sea-Doo
Ski-Doo
Kayo
Yamaha Marine
Triton Trailers
Manitou
Nitro Trailers
CAM Superline
Durabull Trailers
Trifecta Pontoons
Inventory
All Inventory In Stock
New Inventory In Stock
Pre-Owned Inventory
Value Your Trade-In
Request a Model
Financing
Parts
Parts Department
OEM Parts Finder
Service
Service Department
Request Polaris Service
Warranty & Recall Look-Up
Financing
About
Our Dealership
Our Team
Reviews
Customer Survey
Newsletter Sign-Up
Employment
Events
Location & Hours
Contact
Call Us
Fort Kent, ME
Fiche | Parts Diagrams
2017 Polaris Utility Vehicles
Home
›
Parts
›
OEM Parts Finder
Search by :
Part / Desc
VIN
Please Select
Can-Am
LYNX
Polaris
Sea-Doo
Ski-Doo
Yamaha
*Please enter at least 3 characters
SEARCH
Manufacturer
Polaris
Utility Vehicles
2017
RZR XP 1000 (Z17VDE99AM/AP/AW/LW/K99AK/M99AB/R99AZ)
View Cart
VIEW WISH LIST
Select a Section
Show/Hide
ACCESSORY, FRONT BUMPER, W/WINCH - Z17VDM99AB (701170)
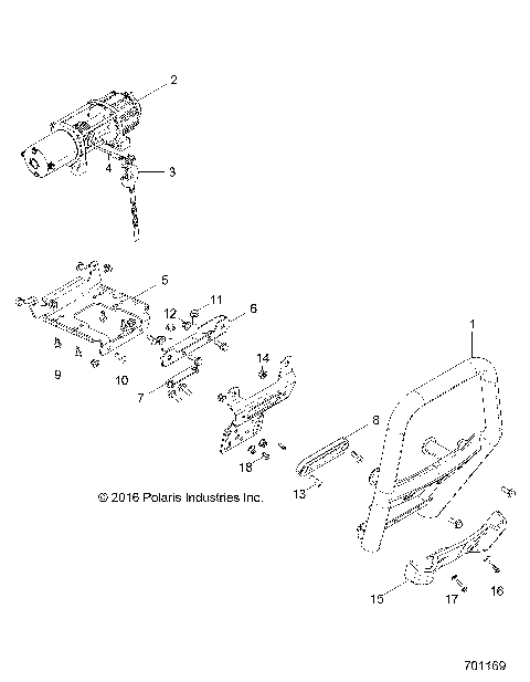
ACCESSORY, FRONT BUMPER, W/WINCH - Z17VDR99AZ (701169)
ACCESSORY, MIRROR, REAR - Z17VDR99AZ/199AB (701171)
ACCESSORY,ROCK SLIDER - Z17VDR99AZ (701172)
BODY, DASH AND GLOVEBOX - Z17VD_99AB/AK/AM/AW/LW/AZ/AP (49RGRDASH151000)
BODY, DECALS - Z17VD_99AB/AK/AM/AW/LW/AZ/AP (701173)
BODY, DOORS - Z17VD_99AK/AM/AW/LW/AZ (701174)
BODY, DOORS - Z17VDM99AB (700281)
BODY, FLOOR and ROCKER PANELS - Z17VD_99AB/AK/AM/AW/LW/AZ/AP (701175)
BODY, FRONT BUMPER - Z17VD_99AB/AK/AM/AW/LW/AZ/AP (49RGRBUMPER14RZR1000)
BODY, FUEL TANK - Z17VD_99AB/AK/AM/AW/LW/AZ/AP (701177)
BODY, GRAB BAR, PASSENGER - Z17VD_99AB/AK/AM/AW/LW/AZ/AP (700282)
BODY, HOOD AND FRONT BODY WORK - Z17VD_99AB/AK/AM/AW/LW/AZ/AP (49RGRHOOD14RZR1000)
BODY, REAR BUMPER - Z17VD_99AB/AK/AM/AW/LW/AZ/AP (49RGRBUMPERRR14RZR1000)
BODY, REAR RACK AND FENDERS - Z17VD_99AB/AK/AM/AW/LW/AZ/AP (700283)
BODY, SEAT ASM. AND SLIDER - Z17VD_99AB/AK/AM/AW/LW/AZ/AP (701178)
BODY, SEAT BELT MOUNTING - Z17VD_99AB/AK/AM/AW/LW/AZ/AP (700284)
BODY, SEAT BELT MOUNTING - Z17VDR99AZ (701179)
BRAKES, BRAKE LINES AND MASTER CYLINDER - Z17VD_99AB/AK/AM/AW/LW/AZ/AP (49RGRBRAKELINES151000)
BRAKES, FRONT CALIPER - Z17VD_99AB/AK/AM/AW/LW/AZ/AP (49RGRCALIPER14RZR1000)
BRAKES, PEDAL - Z17VD_99AB/AK/AM/AW/LW/AZ/AP (49RGRBRAKEFOOT14RZR1000)
BRAKES, REAR CALIPER - Z17VD_99AB/AK/AM/AW/LW/AZ/AP (49RGRCALIPERRR14RZR1000)
CHASSIS, CAB FRAME - Z17VD_99AB/AK/AM/AW/LW/AZ/AP (49RGRCAB14RZR1000)
CHASSIS, MAIN FRAME AND SKID PLATES - Z17VD_99AB/AK/AM/AW/LW (701180)
CHASSIS, MAIN FRAME AND SKID PLATES - Z17VDR99AZ (C701181)
DRIVE TRAIN, CLUTCH COVER AND DUCTING - Z17VD_99AK/AM/AW/AZ/LW (701182)
DRIVE TRAIN, CLUTCH COVER AND DUCTING - Z17VDM99AM (700286)
DRIVE TRAIN, FRONT GEARCASE (FROM 10/3/16) - Z17VDR99AZ /M99AB (701847)
DRIVE TRAIN, FRONT GEARCASE (TO 10/3/16) - Z17VDR99AZ /M99AB (49RGRTRANS151000XP)
DRIVE TRAIN, FRONT GEARCASE - Z17VDE99AM/K99AK/E99AP/AW (49RGRTRANS151000XP)
DRIVE TRAIN, FRONT GEARCASE MOUNTING - Z17VD_99AB/AK/AM/AW/LW/AZ/AP (49RGRGEARCASEMTG14RZR1000)
DRIVE TRAIN, FRONT HALF SHAFT - Z17VDE99AM/AP/AW/K99AK (701207)
DRIVE TRAIN, FRONT HALF SHAFT - Z17VDR99AZ/VDM99AB (701208)
DRIVE TRAIN, FRONT PROP SHAFT - Z17VD_99AB/AK/AM/AW/LW/AZ/AP (701209)
DRIVE TRAIN, GEAR SELECTOR - Z17VD_99AB/AK/AM/AW/LW (700622)
DRIVE TRAIN, GEAR SELECTOR - Z17VDR99AZ (701183)
DRIVE TRAIN, MAIN GEARCASE INTERNALS - Z17VDE99AP/AW/KAK (701507)
DRIVE TRAIN, MAIN GEARCASE INTERNALS - Z17VDR99AZ/M99AB (701795)
DRIVE TRAIN, MAIN GEARCASE MOUNTING - Z17VDE99AF/LM/AM/AS/M99AM (49RGRTRANSMTG14RZR1000)
DRIVE TRAIN, PRIMARY CLUTCH - Z17VDE99AF/LM/AM/AS/M99AM (49RGRCLUTCHDRV14RZR1000)
DRIVE TRAIN, REAR HALF SHAFT - Z17VD_99AB/AK/AM/AW/LW/AZ/AP (700288)
DRIVE TRAIN, SECONDARY CLUTCH - Z17VD_99AB/AK/AM/AW/LW/AZ/AP (703158)
ELECTRICAL, BATTERY - Z17VD_99AB/AK/AM/AW/LW/AZ/AP (700289)
ELECTRICAL, DASH INSTRUMENTS AND CONTROLS - Z17VD_99AB/AK/AM/AW/LW/AZ/AP (701184)
ELECTRICAL, HEADLIGHTS AND TAILLIGHTS - Z17VD_99AB/AK/AM/AW/LW/AZ/AP (49RGRTAILLAMPS14RZR1000)
ELECTRICAL, OPTIONS - Z17VDK99AK (701190)
ELECTRICAL, WINCH - Z17VDR99AZ/M99AB (701193)
ELECTRICAL, WIRE HARNESS - Z17VDE99AM/AW/LW/M99AB (701187)
ELECTRICAL, WIRE HARNESS - Z17VDK99AK (701188)
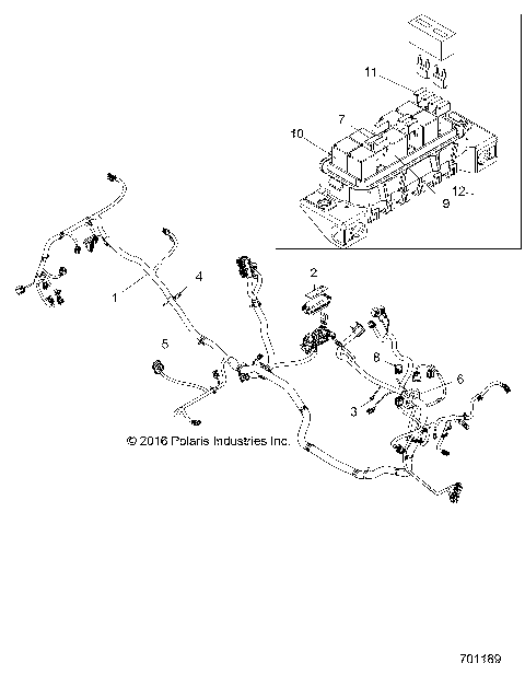
ELECTRICAL, WIRE HARNESS - Z17VDR99AZ (701189)
ELECTRICAL, WIRE HARNESS ADDS - Z17VD_99AK/AM/AW/LW/AZ (701185)
ENGINE, AIR INTAKE SYSTEM - Z17VD_99AK/AM/AW/LW/AZ (49RGRAIRBOX151000)
ENGINE, AIR INTAKE SYSTEM - Z17VDM99AB (49RGRAIRBOX151000AL)
ENGINE, CAM CHAIN AND TENSIONER - Z17VD_99AB/AK/AM/AW/LW/AZ/AP (701845)
ENGINE, COOLING SYSTEM - Z17VD_99AB/AK/AM/AW/LW/AZ/AP (700292)
ENGINE, CRANKCASE AND CRANKSHAFT - Z17VD_99AB/AK/AM/AW/LW/AZ/AP (49RGRCRANKCASE14RZR1000)
ENGINE, CYLINDER AND PISTON - Z17VD_99AB/AK/AM/AW/LW/AZ/AP (49RGRCYLINDER14RZR1000)
ENGINE, CYLINDER HEAD AND VALVES - Z17VD_99AB/AK/AM/AW/LW/AZ/AP (49RGRVALVE14RZR1000)
ENGINE, DIPSTICK AND OIL FILTER - Z17VD_99AB/AK/AM/AW/LW/AZ/AP (49RGRDIPSTICK14RZR1000)
ENGINE, EXHAUST SYSTEM - Z17VD_99AB/AK/AM/AW/LW/AZ/AP (701520)
ENGINE, EXHAUST SYSTEM - Z17VDE99LW (701195)
ENGINE, MOUNTING & LONG BLOCK - Z17VD_99AB/AK/AM/AW/LW/AZ/AP (49RGRENGINEMTG14RZR1000)
ENGINE, OIL PUMP - Z17VD_99AB/AK/AM/AW/LW/AZ/AP (701196)
ENGINE, STARTER - Z17VD_99AB/AK/AM/AW/LW/AZ/AP (49RGRSTARTER14RZR1000)
ENGINE, STATOR AND FLYWHEEL - Z17VD_99AB/AK/AM/AW/LW/AZ/AP (C703381)
ENGINE, THROTTLE BODY AND VALVE COVER - Z17VD_99AB/AK/AM/AW/LW/AZ/AP (49RGRTHROTTLEBODY14RZR1000)
ENGINE, THROTTLE PEDAL - Z17VD_99AB/AK/AM/AW/LW/AZ/AP (701480)
ENGINE, WATERPUMP AND BYPASS - Z17VD_99AB/AK/AM/AW/LW/AZ/AP (700868)
REFERENCE, OWNERS MANUAL AND TOOL KIT - Z17VD_99AB/AK/AM/AW/LW/AZ/AP (700624)
STEERING, POWER STEERING ASM. - Z17VD_99AB/AK/AM/AW/LW/AZ/AP (701192)
SUSPENSION, FRONT CARRIER- Z17VD_99AB/AK/AM/AW/LW/AZ/AP (701198)
SUSPENSION, FRONT CONTROL ARMS - Z17VD_99AB/AK/AM/AW/LW/AZ/AP (701199)
SUSPENSION, FRONT SHOCK INTERNALS - Z17VD_99AB/AK/AM/AW/LW/AZ/AP (701726)
SUSPENSION, FRONT SHOCK MOUNTING - Z17VD_99AB/AK/AM/AW/LW/AZ/AP (701200)
SUSPENSION, REAR CARRIER - Z17VD_99AB/AK/AM/AW/LW/AZ/AP (701204)
SUSPENSION, REAR CONTROL ARMS - Z17VD_99AB/AK/AM/AW/LW/AZ/AP (701201)
SUSPENSION, REAR SHOCK INTERNALS - Z17VD_99AB/AK/AM/AW/LW/AZ/AP (701728)
SUSPENSION, REAR SHOCK MOUNTING - Z17VD_99AB/AK/AM/AW/LW/AZ/AP (701210)
SUSPENSION, STABILIZER BAR, REAR - Z17VD_99AB/AK/AM/AW/LW/AZ/AP (701203)
WHEELS, FRONT - Z17VD_99AB/AK/AM/AW/LW/AP (701205)
WHEELS, FRONT - Z17VDR99AZ (701202)
WHEELS, REAR - Z17VD_99AB/AK/AM/AW/LW/AP (701206)
WHEELS, REAR - Z17VDR99AZ (701202)
ACCESSORY, FRONT BUMPER, W/WINCH - Z17VDM99AB (701170)
ACCESSORY, FRONT BUMPER, W/WINCH - Z17VDR99AZ (701169)
ACCESSORY, MIRROR, REAR - Z17VDR99AZ/199AB (701171)
ACCESSORY,ROCK SLIDER - Z17VDR99AZ (701172)
BODY, DASH AND GLOVEBOX - Z17VD_99AB/AK/AM/AW/LW/AZ/AP (49RGRDASH151000)
BODY, DECALS - Z17VD_99AB/AK/AM/AW/LW/AZ/AP (701173)
BODY, DOORS - Z17VD_99AK/AM/AW/LW/AZ (701174)
BODY, DOORS - Z17VDM99AB (700281)
BODY, FLOOR and ROCKER PANELS - Z17VD_99AB/AK/AM/AW/LW/AZ/AP (701175)
BODY, FRONT BUMPER - Z17VD_99AB/AK/AM/AW/LW/AZ/AP (49RGRBUMPER14RZR1000)
BODY, FUEL TANK - Z17VD_99AB/AK/AM/AW/LW/AZ/AP (701177)
BODY, GRAB BAR, PASSENGER - Z17VD_99AB/AK/AM/AW/LW/AZ/AP (700282)
BODY, HOOD AND FRONT BODY WORK - Z17VD_99AB/AK/AM/AW/LW/AZ/AP (49RGRHOOD14RZR1000)
BODY, REAR BUMPER - Z17VD_99AB/AK/AM/AW/LW/AZ/AP (49RGRBUMPERRR14RZR1000)
BODY, REAR RACK AND FENDERS - Z17VD_99AB/AK/AM/AW/LW/AZ/AP (700283)
BODY, SEAT ASM. AND SLIDER - Z17VD_99AB/AK/AM/AW/LW/AZ/AP (701178)
BODY, SEAT BELT MOUNTING - Z17VD_99AB/AK/AM/AW/LW/AZ/AP (700284)
BODY, SEAT BELT MOUNTING - Z17VDR99AZ (701179)
BRAKES, BRAKE LINES AND MASTER CYLINDER - Z17VD_99AB/AK/AM/AW/LW/AZ/AP (49RGRBRAKELINES151000)
BRAKES, FRONT CALIPER - Z17VD_99AB/AK/AM/AW/LW/AZ/AP (49RGRCALIPER14RZR1000)
BRAKES, PEDAL - Z17VD_99AB/AK/AM/AW/LW/AZ/AP (49RGRBRAKEFOOT14RZR1000)
BRAKES, REAR CALIPER - Z17VD_99AB/AK/AM/AW/LW/AZ/AP (49RGRCALIPERRR14RZR1000)
CHASSIS, CAB FRAME - Z17VD_99AB/AK/AM/AW/LW/AZ/AP (49RGRCAB14RZR1000)
CHASSIS, MAIN FRAME AND SKID PLATES - Z17VD_99AB/AK/AM/AW/LW (701180)
CHASSIS, MAIN FRAME AND SKID PLATES - Z17VDR99AZ (C701181)
DRIVE TRAIN, CLUTCH COVER AND DUCTING - Z17VD_99AK/AM/AW/AZ/LW (701182)
DRIVE TRAIN, CLUTCH COVER AND DUCTING - Z17VDM99AM (700286)
DRIVE TRAIN, FRONT GEARCASE (FROM 10/3/16) - Z17VDR99AZ /M99AB (701847)
DRIVE TRAIN, FRONT GEARCASE (TO 10/3/16) - Z17VDR99AZ /M99AB (49RGRTRANS151000XP)
DRIVE TRAIN, FRONT GEARCASE - Z17VDE99AM/K99AK/E99AP/AW (49RGRTRANS151000XP)
DRIVE TRAIN, FRONT GEARCASE MOUNTING - Z17VD_99AB/AK/AM/AW/LW/AZ/AP (49RGRGEARCASEMTG14RZR1000)
DRIVE TRAIN, FRONT HALF SHAFT - Z17VDE99AM/AP/AW/K99AK (701207)
DRIVE TRAIN, FRONT HALF SHAFT - Z17VDR99AZ/VDM99AB (701208)
DRIVE TRAIN, FRONT PROP SHAFT - Z17VD_99AB/AK/AM/AW/LW/AZ/AP (701209)
DRIVE TRAIN, GEAR SELECTOR - Z17VD_99AB/AK/AM/AW/LW (700622)
DRIVE TRAIN, GEAR SELECTOR - Z17VDR99AZ (701183)
DRIVE TRAIN, MAIN GEARCASE INTERNALS - Z17VDE99AP/AW/KAK (701507)
DRIVE TRAIN, MAIN GEARCASE INTERNALS - Z17VDR99AZ/M99AB (701795)
DRIVE TRAIN, MAIN GEARCASE MOUNTING - Z17VDE99AF/LM/AM/AS/M99AM (49RGRTRANSMTG14RZR1000)
DRIVE TRAIN, PRIMARY CLUTCH - Z17VDE99AF/LM/AM/AS/M99AM (49RGRCLUTCHDRV14RZR1000)
DRIVE TRAIN, REAR HALF SHAFT - Z17VD_99AB/AK/AM/AW/LW/AZ/AP (700288)
DRIVE TRAIN, SECONDARY CLUTCH - Z17VD_99AB/AK/AM/AW/LW/AZ/AP (703158)
ELECTRICAL, BATTERY - Z17VD_99AB/AK/AM/AW/LW/AZ/AP (700289)
ELECTRICAL, DASH INSTRUMENTS AND CONTROLS - Z17VD_99AB/AK/AM/AW/LW/AZ/AP (701184)
ELECTRICAL, HEADLIGHTS AND TAILLIGHTS - Z17VD_99AB/AK/AM/AW/LW/AZ/AP (49RGRTAILLAMPS14RZR1000)
ELECTRICAL, OPTIONS - Z17VDK99AK (701190)
ELECTRICAL, WINCH - Z17VDR99AZ/M99AB (701193)
ELECTRICAL, WIRE HARNESS - Z17VDE99AM/AW/LW/M99AB (701187)
ELECTRICAL, WIRE HARNESS - Z17VDK99AK (701188)
ELECTRICAL, WIRE HARNESS - Z17VDR99AZ (701189)
ELECTRICAL, WIRE HARNESS ADDS - Z17VD_99AK/AM/AW/LW/AZ (701185)
ENGINE, AIR INTAKE SYSTEM - Z17VD_99AK/AM/AW/LW/AZ (49RGRAIRBOX151000)
ENGINE, AIR INTAKE SYSTEM - Z17VDM99AB (49RGRAIRBOX151000AL)
ENGINE, CAM CHAIN AND TENSIONER - Z17VD_99AB/AK/AM/AW/LW/AZ/AP (701845)
ENGINE, COOLING SYSTEM - Z17VD_99AB/AK/AM/AW/LW/AZ/AP (700292)
ENGINE, CRANKCASE AND CRANKSHAFT - Z17VD_99AB/AK/AM/AW/LW/AZ/AP (49RGRCRANKCASE14RZR1000)
ENGINE, CYLINDER AND PISTON - Z17VD_99AB/AK/AM/AW/LW/AZ/AP (49RGRCYLINDER14RZR1000)
ENGINE, CYLINDER HEAD AND VALVES - Z17VD_99AB/AK/AM/AW/LW/AZ/AP (49RGRVALVE14RZR1000)
ENGINE, DIPSTICK AND OIL FILTER - Z17VD_99AB/AK/AM/AW/LW/AZ/AP (49RGRDIPSTICK14RZR1000)
ENGINE, EXHAUST SYSTEM - Z17VD_99AB/AK/AM/AW/LW/AZ/AP (701520)
ENGINE, EXHAUST SYSTEM - Z17VDE99LW (701195)
ENGINE, MOUNTING & LONG BLOCK - Z17VD_99AB/AK/AM/AW/LW/AZ/AP (49RGRENGINEMTG14RZR1000)
ENGINE, OIL PUMP - Z17VD_99AB/AK/AM/AW/LW/AZ/AP (701196)
ENGINE, STARTER - Z17VD_99AB/AK/AM/AW/LW/AZ/AP (49RGRSTARTER14RZR1000)
ENGINE, STATOR AND FLYWHEEL - Z17VD_99AB/AK/AM/AW/LW/AZ/AP (C703381)
ENGINE, THROTTLE BODY AND VALVE COVER - Z17VD_99AB/AK/AM/AW/LW/AZ/AP (49RGRTHROTTLEBODY14RZR1000)
ENGINE, THROTTLE PEDAL - Z17VD_99AB/AK/AM/AW/LW/AZ/AP (701480)
ENGINE, WATERPUMP AND BYPASS - Z17VD_99AB/AK/AM/AW/LW/AZ/AP (700868)
REFERENCE, OWNERS MANUAL AND TOOL KIT - Z17VD_99AB/AK/AM/AW/LW/AZ/AP (700624)
STEERING, POWER STEERING ASM. - Z17VD_99AB/AK/AM/AW/LW/AZ/AP (701192)
SUSPENSION, FRONT CARRIER- Z17VD_99AB/AK/AM/AW/LW/AZ/AP (701198)
SUSPENSION, FRONT CONTROL ARMS - Z17VD_99AB/AK/AM/AW/LW/AZ/AP (701199)
SUSPENSION, FRONT SHOCK INTERNALS - Z17VD_99AB/AK/AM/AW/LW/AZ/AP (701726)
SUSPENSION, FRONT SHOCK MOUNTING - Z17VD_99AB/AK/AM/AW/LW/AZ/AP (701200)
SUSPENSION, REAR CARRIER - Z17VD_99AB/AK/AM/AW/LW/AZ/AP (701204)
SUSPENSION, REAR CONTROL ARMS - Z17VD_99AB/AK/AM/AW/LW/AZ/AP (701201)
SUSPENSION, REAR SHOCK INTERNALS - Z17VD_99AB/AK/AM/AW/LW/AZ/AP (701728)
SUSPENSION, REAR SHOCK MOUNTING - Z17VD_99AB/AK/AM/AW/LW/AZ/AP (701210)
SUSPENSION, STABILIZER BAR, REAR - Z17VD_99AB/AK/AM/AW/LW/AZ/AP (701203)
WHEELS, FRONT - Z17VD_99AB/AK/AM/AW/LW/AP (701205)
WHEELS, FRONT - Z17VDR99AZ (701202)
WHEELS, REAR - Z17VD_99AB/AK/AM/AW/LW/AP (701206)
WHEELS, REAR - Z17VDR99AZ (701202)
View Cart
VIEW WISH LIST