Polaris
Browse New Models
Shop In-Stock
Can-Am
Browse New Models
Shop In-Stock
Ski-Doo
Browse New Models
Shop In-Stock
Sea-Doo
Browse New Models
Shop In-Stock
Kayo
Browse New Models
Shop In-Stock
Manitou
Browse New Models
Shop In-Stock
Our
Location
Call
Us
Contact
Us
Toggle navigation
Home
Brands
Showroom
Manufacturer Models
OEM Promotions
Polaris Off-Road
Polaris Snowmobiles
Can-Am
Sea-Doo
Ski-Doo
Kayo
Yamaha Marine
Triton Trailers
Manitou
Nitro Trailers
CAM Superline
Durabull Trailers
Trifecta Pontoons
Inventory
All Inventory In Stock
New Inventory In Stock
Pre-Owned Inventory
Value Your Trade-In
Request a Model
Financing
Parts
Parts Department
OEM Parts Finder
Service
Service Department
Request Polaris Service
Warranty & Recall Look-Up
Financing
About
Our Dealership
Our Team
Reviews
Customer Survey
Newsletter Sign-Up
Employment
Events
Location & Hours
Contact
Call Us
Fort Kent, ME
Fiche | Parts Diagrams
2018 Polaris Utility Vehicles
Home
›
Parts
›
OEM Parts Finder
Search by :
Part / Desc
VIN
Please Select
Can-Am
LYNX
Polaris
Sea-Doo
Ski-Doo
Yamaha
*Please enter at least 3 characters
SEARCH
Manufacturer
Polaris
Utility Vehicles
2018
INTL GENERAL 1000 4 MD (R18RHE99NK)
View Cart
VIEW WISH LIST
Select a Section
Show/Hide
ACCESSORY, FRONT BUMPER - R18RHE99NK (700789)
ACCESSORY, WINCH
ACCESSORY, WINCH - R18RHE99NK (700792)
BODY, BOX - R18RHE99NK (700793)
BODY, BOX, MOUNTING - R18RHE99NK (700794)
BODY, BOX, TAILGATE - R18RHE99NK (700795)
BODY, CENTER CONSOLE, FRONT - R18RHE99NK (701398)
BODY, CENTER CONSOLE, REAR - R18RHE99NK (701397)
BODY, DASH - R18RHE99NK (700797)
BODY, DECALS - R18RHE99NK (702009)
BODY, DOOR MOUNTING, FRONT - R18RHE99NK (701992)
BODY, DOORS, FRONT - R18RHE99NK (702228)
BODY, DOORS, REAR - R18RHE99NK (C700101)
BODY, FLOOR AND ROCKER - R18RHE99NK (700798)
BODY, FRONT CLOSEOFF AND FLOOR - R18RHE99NK (701399)
BODY, FRONT FACIA - R18RHE99NK (700799)
BODY, FUEL TANK - R18RHE99NK (700802)
BODY, HOOD - R18RHE99NK (700800)
BODY, REAR CLOSEOFF ,FENDERS AND FLOOR - R18RHE99NK (702390)
BODY, SEAT ASM. AND SLIDER - R18RHE99NK (701020)
BODY, SEAT BELT MOUNTING - R18RHE99NK (702010)
BRAKES, BRAKE LINES AND MASTER CYLINDER - R18RHE99NK (701374)
BRAKES, FRONT CALIPER - R18RHE99NK (49RGRCALIPER14RZR1000)
BRAKES, PEDAL - R18RHE99NK (700814)
BRAKES, REAR CALIPER - R18RHE99NK (49RGRCALIPERRR14RZR1000)
CHASSIS, CAB FRAME - R18RHE99NK (701473)
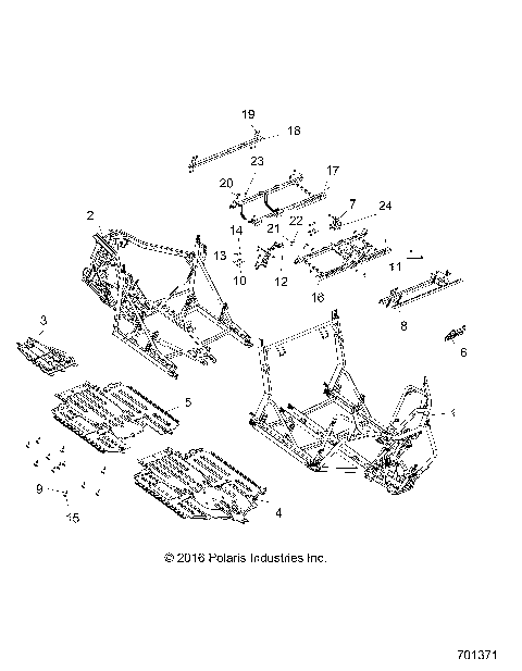
CHASSIS, MAIN FRAME AND SKID PLATES - R18RHE99NK (701371)
DRIVE TRAIN, CLUTCH COVER AND DUCTING - R18RHE99NK (702006)
DRIVE TRAIN, FRONT GEARCASE - R18RHE99NK (701246)
DRIVE TRAIN, FRONT GEARCASE MOUNTING - R18RHE99NK (49RGRGEARCASEMTG14RZR1000)
DRIVE TRAIN, FRONT HALF SHAFT - R18RHE99NK (701876)
DRIVE TRAIN, FRONT PROP SHAFT - R18RHE99NK (701995)
DRIVE TRAIN, GEAR SELECTOR - R18RHE99NK (700819)
DRIVE TRAIN, MAIN GEARCASE INTERNALS - R18RHE99NK (701474)
DRIVE TRAIN, MAIN GEARCASE MOUNTING - R18RHE99NK (49RGRTRANSMTG14RZR1000)
DRIVE TRAIN, MID PROP SHAFT - R18RHE99NK (702013)
DRIVE TRAIN, PRIMARY CLUTCH - R18RHE99NK (49RGRCLUTCHDRV14RZR1000)
DRIVE TRAIN, REAR HALF SHAFT - R18RHE99NK (701873)
DRIVE TRAIN, REAR PROP SHAFT - R18RHE99NK (702012)
DRIVE TRAIN, SECONDARY CLUTCH - R189RHE99NK (701841)
ELECTRICAL, BATTERY - R18RHE99NK (701466)
ELECTRICAL, DASH INSTRUMENTS AND CONTROLS - R18RHE99NK 700821)
ELECTRICAL, HEADLIGHTS AND TAILLIGHTS - R18RHE99NK (700822)
ELECTRICAL, WIRE HARNESS - R18RHE99NK (702011)
ENGINE, AIR INTAKE MANIFOLD - R18RHE99NK (700824)
ENGINE, AIR INTAKE SYSTEM - R18RHE99NK (701395)
ENGINE, CAM CHAIN AND TENSIONER - R18RHE99NK (700463)
ENGINE, COOLING SYSTEM - R18RHE99NK (701844)
ENGINE, CRANKCASE AND CRANKSHAFT - R18RHE99NK (49RGRCRANKCASE14RZR1000)
ENGINE, CYLINDER AND PISTON - R18RHE99NK (49RGRCYLINDER14RZR1000)
ENGINE, CYLINDER HEAD AND VALVES - R18RHE99NK (49RGRVALVE14RZR1000)
ENGINE, DIPSTICK AND OIL FILTER - R18RHE99NK (49RGRDIPSTICK14RZR1000)
ENGINE, EXHAUST SYSTEM - R18RHE99NK (701758)
ENGINE, MOUNTING & LONG BLOCK - R18RHE99NK (49RGRENGINEMTG14RZR1000)
ENGINE, OIL PUMP - R18RHE99NK (701084)
ENGINE, STARTER - R18RHE99NK (49RGRSTARTER14RZR1000)
ENGINE, STATOR AND FLYWHEEL - R18RHE99NK (701082)
ENGINE, THROTTLE BODY AND VALVE COVER - R18RHE99NK (700828)
ENGINE, THROTTLE PEDAL - R18RHE99NK (700829)
ENGINE, WATERPUMP AND BYPASS - R18RHE99NK (700830)
REFERENCE, OWNERS MANUAL AND TOOL KIT - R18RHE99NK (700831)
STEERING, STEERING ASM. - R18RHE99NK (700832)
SUSPENSION, FRONT CONTROL ARMS - R18RHE99NK (701526)
SUSPENSION, FRONT HUB - R18RHE99NK (702252)
SUSPENSION, FRONT SHOCK INTERNALS - R18RHE99NK (702007)
SUSPENSION, FRONT SHOCK MOUNTING - R18RHE99NK (701088)
SUSPENSION, FRONT STABILIZER BAR - R18RHE99NK (700836)
SUSPENSION, REAR CARRIER - R18RHE99NK (702251)
SUSPENSION, REAR CONTROL ARMS - R18RHE99NK (700838)
SUSPENSION, REAR SHOCK INTERNALS - R18RHE99NK (702008)
SUSPENSION, REAR SHOCK MOUNTING - R18RHE99NK (C700134)
SUSPENSION, REAR STABILIZER BAR - R18RHE99NK (700877)
WHEELS, FRONT - R18RHE99NK (701376)
WHEELS, REAR - R18RHE99NK (701377)
ACCESSORY, FRONT BUMPER - R18RHE99NK (700789)
ACCESSORY, WINCH
ACCESSORY, WINCH - R18RHE99NK (700792)
BODY, BOX - R18RHE99NK (700793)
BODY, BOX, MOUNTING - R18RHE99NK (700794)
BODY, BOX, TAILGATE - R18RHE99NK (700795)
BODY, CENTER CONSOLE, FRONT - R18RHE99NK (701398)
BODY, CENTER CONSOLE, REAR - R18RHE99NK (701397)
BODY, DASH - R18RHE99NK (700797)
BODY, DECALS - R18RHE99NK (702009)
BODY, DOOR MOUNTING, FRONT - R18RHE99NK (701992)
BODY, DOORS, FRONT - R18RHE99NK (702228)
BODY, DOORS, REAR - R18RHE99NK (C700101)
BODY, FLOOR AND ROCKER - R18RHE99NK (700798)
BODY, FRONT CLOSEOFF AND FLOOR - R18RHE99NK (701399)
BODY, FRONT FACIA - R18RHE99NK (700799)
BODY, FUEL TANK - R18RHE99NK (700802)
BODY, HOOD - R18RHE99NK (700800)
BODY, REAR CLOSEOFF ,FENDERS AND FLOOR - R18RHE99NK (702390)
BODY, SEAT ASM. AND SLIDER - R18RHE99NK (701020)
BODY, SEAT BELT MOUNTING - R18RHE99NK (702010)
BRAKES, BRAKE LINES AND MASTER CYLINDER - R18RHE99NK (701374)
BRAKES, FRONT CALIPER - R18RHE99NK (49RGRCALIPER14RZR1000)
BRAKES, PEDAL - R18RHE99NK (700814)
BRAKES, REAR CALIPER - R18RHE99NK (49RGRCALIPERRR14RZR1000)
CHASSIS, CAB FRAME - R18RHE99NK (701473)
CHASSIS, MAIN FRAME AND SKID PLATES - R18RHE99NK (701371)
DRIVE TRAIN, CLUTCH COVER AND DUCTING - R18RHE99NK (702006)
DRIVE TRAIN, FRONT GEARCASE - R18RHE99NK (701246)
DRIVE TRAIN, FRONT GEARCASE MOUNTING - R18RHE99NK (49RGRGEARCASEMTG14RZR1000)
DRIVE TRAIN, FRONT HALF SHAFT - R18RHE99NK (701876)
DRIVE TRAIN, FRONT PROP SHAFT - R18RHE99NK (701995)
DRIVE TRAIN, GEAR SELECTOR - R18RHE99NK (700819)
DRIVE TRAIN, MAIN GEARCASE INTERNALS - R18RHE99NK (701474)
DRIVE TRAIN, MAIN GEARCASE MOUNTING - R18RHE99NK (49RGRTRANSMTG14RZR1000)
DRIVE TRAIN, MID PROP SHAFT - R18RHE99NK (702013)
DRIVE TRAIN, PRIMARY CLUTCH - R18RHE99NK (49RGRCLUTCHDRV14RZR1000)
DRIVE TRAIN, REAR HALF SHAFT - R18RHE99NK (701873)
DRIVE TRAIN, REAR PROP SHAFT - R18RHE99NK (702012)
DRIVE TRAIN, SECONDARY CLUTCH - R189RHE99NK (701841)
ELECTRICAL, BATTERY - R18RHE99NK (701466)
ELECTRICAL, DASH INSTRUMENTS AND CONTROLS - R18RHE99NK 700821)
ELECTRICAL, HEADLIGHTS AND TAILLIGHTS - R18RHE99NK (700822)
ELECTRICAL, WIRE HARNESS - R18RHE99NK (702011)
ENGINE, AIR INTAKE MANIFOLD - R18RHE99NK (700824)
ENGINE, AIR INTAKE SYSTEM - R18RHE99NK (701395)
ENGINE, CAM CHAIN AND TENSIONER - R18RHE99NK (700463)
ENGINE, COOLING SYSTEM - R18RHE99NK (701844)
ENGINE, CRANKCASE AND CRANKSHAFT - R18RHE99NK (49RGRCRANKCASE14RZR1000)
ENGINE, CYLINDER AND PISTON - R18RHE99NK (49RGRCYLINDER14RZR1000)
ENGINE, CYLINDER HEAD AND VALVES - R18RHE99NK (49RGRVALVE14RZR1000)
ENGINE, DIPSTICK AND OIL FILTER - R18RHE99NK (49RGRDIPSTICK14RZR1000)
ENGINE, EXHAUST SYSTEM - R18RHE99NK (701758)
ENGINE, MOUNTING & LONG BLOCK - R18RHE99NK (49RGRENGINEMTG14RZR1000)
ENGINE, OIL PUMP - R18RHE99NK (701084)
ENGINE, STARTER - R18RHE99NK (49RGRSTARTER14RZR1000)
ENGINE, STATOR AND FLYWHEEL - R18RHE99NK (701082)
ENGINE, THROTTLE BODY AND VALVE COVER - R18RHE99NK (700828)
ENGINE, THROTTLE PEDAL - R18RHE99NK (700829)
ENGINE, WATERPUMP AND BYPASS - R18RHE99NK (700830)
REFERENCE, OWNERS MANUAL AND TOOL KIT - R18RHE99NK (700831)
STEERING, STEERING ASM. - R18RHE99NK (700832)
SUSPENSION, FRONT CONTROL ARMS - R18RHE99NK (701526)
SUSPENSION, FRONT HUB - R18RHE99NK (702252)
SUSPENSION, FRONT SHOCK INTERNALS - R18RHE99NK (702007)
SUSPENSION, FRONT SHOCK MOUNTING - R18RHE99NK (701088)
SUSPENSION, FRONT STABILIZER BAR - R18RHE99NK (700836)
SUSPENSION, REAR CARRIER - R18RHE99NK (702251)
SUSPENSION, REAR CONTROL ARMS - R18RHE99NK (700838)
SUSPENSION, REAR SHOCK INTERNALS - R18RHE99NK (702008)
SUSPENSION, REAR SHOCK MOUNTING - R18RHE99NK (C700134)
SUSPENSION, REAR STABILIZER BAR - R18RHE99NK (700877)
WHEELS, FRONT - R18RHE99NK (701376)
WHEELS, REAR - R18RHE99NK (701377)
View Cart
VIEW WISH LIST