Polaris
Browse New Models
Shop In-Stock
Can-Am
Browse New Models
Shop In-Stock
Ski-Doo
Browse New Models
Shop In-Stock
Sea-Doo
Browse New Models
Shop In-Stock
Kayo
Browse New Models
Shop In-Stock
Manitou
Browse New Models
Shop In-Stock
Our
Location
Call
Us
Contact
Us
Toggle navigation
Home
Brands
Showroom
Manufacturer Models
OEM Promotions
Polaris Off-Road
Polaris Snowmobiles
Can-Am
Sea-Doo
Ski-Doo
Kayo
Yamaha Marine
Triton Trailers
Manitou
Nitro Trailers
CAM Superline
Durabull Trailers
Trifecta Pontoons
Inventory
All Inventory In Stock
New Inventory In Stock
Pre-Owned Inventory
Value Your Trade-In
Request a Model
Financing
Parts
Parts Department
OEM Parts Finder
Service
Service Department
Request Polaris Service
Warranty & Recall Look-Up
Financing
About
Our Dealership
Our Team
Reviews
Customer Survey
Newsletter Sign-Up
Employment
Events
Location & Hours
Contact
Call Us
Fort Kent, ME
Fiche | Parts Diagrams
2019 Polaris Utility Vehicles
Home
›
Parts
›
OEM Parts Finder
Search by :
Part / Desc
VIN
Please Select
Can-Am
LYNX
Polaris
Sea-Doo
Ski-Doo
Yamaha
*Please enter at least 3 characters
SEARCH
Manufacturer
Polaris
Utility Vehicles
2019
RZR XP4 1000 (Z19VF_99AD/BD/AK/BK/AN/BN/LD/LK/LE/AC/BC/AL)
View Cart
VIEW WISH LIST
Select a Section
Show/Hide
ACCESSORY, FRONT BUMPER, W/WINCH - Z19VFM99AL (C700281)
ACCESSORY, MIRROR, REAR - Z19VFM99AL (701171)
BODY, DASH - Z19VFE99AD/BD/AK/BK/AN/BN/LD/K99AD/BD/AK/BK/AN/BN/LK/LE/L99AC/BC/M99AL (C700248-1)
BODY, DASH STORAGE - Z19VFE99AD/BD/AK/BK/AN/BN/LD/K99AD/BD/AK/BK/AN/BN/LK/LE/L99AC/BC/M99AL (C700248-2)
BODY, DECALS - Z19VFE99AD/BD/AK/BK/AN/BN/LD/K99AD/BD/AK/BK/AN/BN/L99AC/BC/M99AL (702585)
BODY, DECALS - Z19VFK99LK/LE (702498)
BODY, DOORS - Z19VFK99LK/LE (701492)
BODY, DOORS, FRONT - Z19VFE99AD/BD/AK/BK/AN/BN/LD (C700284-1)
BODY, DOORS, FRONT - Z19VFK99AD/BD/AK/BK/AN/BN (C700333)
BODY, DOORS, FRONT - Z19VFK99LE (C700571-1)
BODY, DOORS, FRONT - Z19VFK99LK (C700329-2)
BODY, DOORS, FRONT - Z19VFM99AL (C700285-1)
BODY, DOORS, REAR - Z19VFE99AD/BD/AK/BK/AN/BN/LD (C700284-2)
BODY, DOORS, REAR - Z19VFK99AD/BD/AK/BK/AN/BN (C700333-2)
BODY, DOORS, REAR - Z19VFK99LE (C700571-2)
BODY, DOORS, REAR - Z19VFK99LK (C700329-3)
BODY, DOORS, REAR - Z19VFM99AL (C700285-2)
BODY, FLOOR - Z19VFE99AD/BD/AK/BK/AN/BN/LD/K99AD/BD/AK/BK/AN/BN/LK/LE/L99AC/BC/M99AL (C700248-3)
BODY, FLOOR, REAR - Z19VFE99AD/BD/AK/BK/AN/BN/LD/K99AD/BD/AK/BK/AN/BN/LK/LE/L99AC/BC/M99AL (C700286-1)
BODY, FRONT BUMPER - Z19VFE99AD/BD/AK/BK/AN/BN/LD/K99AD/BD/AK/BK/AN/BN/LK/LE/L99AC/BC/M99AL (C700248-4)
BODY, FUEL LINES, EVAP - Z19VFE99BD/BK/BN/K99BD/BK/BN/L99BC (C700269-2701177)
BODY, FUEL LINES, STD. - Z19VFE99AD/AK/AN/LD/K99AD/AK/AN/LK/LE/L99AC/M99AL (C700269-3)
BODY, FUEL TANK - Z19VFE99AD/BD/AK/BK/AN/BN/LD/K99AD/BD/AK/BK/AN/BN/LK/LE/L99AC/BC/M99AL (C700269-1)
BODY, GRAB BAR, PASSENGER - Z19VFE99AD/BD/AK/BK/AN/BN/LD/K99AD/BD/AK/BK/AN/BN/LK/L99AC/BC/M99AL (700282)
BODY, HOOD AND FRONT BODY WORK - Z19VFE99AD/BD/AK/BK/AN/BN/LD/K99AD/BD/AK/BK/AN/BN/LK/LE/L99AC/BC/M99AL (C700248-5)
BODY, REAR BUMPER - Z19VFE99AD/BD/AK/BK/AN/BN/LD/K99AD/BD/AK/BK/AN/BN/LK/LE/L99AC/BC/M99AL (C700248-6)
BODY, REAR CLOSEOFF - Z19VFE99AD/BD/AK/BK/AN/BN/LD/K99AD/BD/AK/BK/AN/BN/LK/LE/L99AC/BC/M99AL (C700248-7)
BODY, REAR FENDERS AND BEZELS- Z19VFE99AD/BD/AK/BK/AN/BN/LD/K99AD/BD/AK/BK/AN/BN/LK/LE/L99AC/BC/M99AL (C700248-8)
BODY, REAR RACK - Z19VFE99AD/BD/AK/BK/AN/BN/LD/K99AD/BD/AK/BK/AN/BN/LK/LE/L99AC/BC/M99AL (C700248-9)
BODY, ROCKER PANELS - Z19VFE99AD/BD/AK/BK/AN/BN/LD/K99AD/BD/AK/BK/AN/BN/LK/LE/L99AC/BC/M99AL (C700286-2)
BODY, SEAT ASM. AND SLIDER - Z19VFE99AD/BD/AK/BK/AN/BN/LD/K99AD/BD/AK/BK/AN/BN/LK/LE/L99AC/BC/M99AL (701020)
BODY, SEAT BELT MOUNTING - Z19VFE99AD/BD/AK/BK/AN/BN/LD/K99AD/BD/AK/BK/AN/BN/LK/LE/L99AC/BC/M99AL (700302)
BRAKES, BRAKE LINES AND MASTER CYLINDER - Z19VFE99AD/BD/AK/BK/AN/BN/LD/K99AD/BD/AK/BK/AN/BN/LK/LE/L99AC/BC/M99AL (49RGRBRAKELINES151000)
BRAKES, FRONT CALIPER - Z19VFE99AD/BD/AK/BK/AN/BN/LD/K99AD/BD/AK/BK/AN/BN/LK/LE/L99AC/BC/M99AL (49RGRCALIPER14RZR1000)
BRAKES, PEDAL - Z19VFE99AD/BD/AK/BK/AN/BN/LD/K99AD/BD/AK/BK/AN/BN/LK/LE/L99AC/BC/M99AL (49RGRBRAKEFOOT14RZR1000)
BRAKES, REAR CALIPER - Z19VFE99AD/BD/AK/BK/AN/BN/LD/K99AD/BD/AK/BK/AN/BN/LK/LE/L99AC/BC/M99AL (49RGRCALIPERRR14RZR1000)
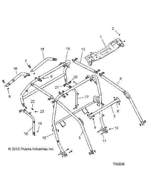
CHASSIS, CAB FRAME - Z19VFE99AD/BD/AK/BK/AN/BN/LD/K99AD/BD/AK/BK/AN/BN/LK/LE/L99AC/BC/M99AL (700806)
CHASSIS, MAIN FRAME AND SKID PLATES - Z19VFE99AD/BD/AK/BK/AN/BN/LD/K99AD/BD/AK/BK/AN/BN/LK/LE/L99AC/BC/M99AL (C700287)
DRIVE TRAIN, CLUTCH COVER AND DUCTING - Z19VFE99AD/BD/AK/BK/AN/BN/LD/K99AD/BD/AK/BK/AN/BN/LK/LE/L99AC/BC (701182)
DRIVE TRAIN, CLUTCH COVER AND DUCTING - Z19VFM99AL (700286)
DRIVE TRAIN, FRONT GEARCASE - Z19VFE99AD/BD/AK/BK/AN/BN/LD/K99AD/BD/AK/BK/AN/BN/LK/LE/L99AC/BC (701246)
DRIVE TRAIN, FRONT GEARCASE - Z19VFM99AL (701847)
DRIVE TRAIN, FRONT GEARCASE MOUNTING - Z19VFE99AD/BD/AK/BK/AN/BN/LD/K99AD/BD/AK/BK/AN/BN/LK/LE/L99AC/BC/M99AL (C700546-1)
DRIVE TRAIN, GEAR SELECTOR - Z19VFE99AD/BD/AK/BK/AN/BN/LD/K99AD/BD/AK/BK/AN/BN/LK/LE/L99AC/BC/M99AL (700622)
DRIVE TRAIN, HALF SHAFT, FRONT (FROM 12/1/2018) - Z19VFE99AD/BD/AK/BK/AN/BN/LD/K99AD/BD/AK/BK/AN/BN/LK/LE/L99AC/BC (701208)
DRIVE TRAIN, HALF SHAFT, FRONT (TO 12/1/2018) - Z19VFE99AD/BD/AK/BK/AN/BN/LD/K99AD/BD/AK/BK/AN/BN/LK/L99AC/BC (701208)
DRIVE TRAIN, HALF SHAFT, FRONT - Z19VFM99AL (701208)
DRIVE TRAIN, HALF SHAFT, REAR (FROM 12/1/2018) - Z19VFE99AD/BD/AK/BK/AN/BN/LD/K99AD/BD/AK/BK/AN/BN/LK/LE/L99AC/BC/M99AL (700288)
DRIVE TRAIN, HALF SHAFT, REAR (TO 12/1/2018) - Z19VFE99AD/BD/AK/BK/AN/BN/LD/K99AD/BD/AK/BK/AN/BN/LK/L99AC/BC/M99AL (700288)
DRIVE TRAIN, MAIN GEARCASE INTERNALS - Z19VFE99AD/BD/AK/BK/AN/BN/LD/K99AD/BD/AK/BK/AN/BN/LK/L99AC/BC (701797)
DRIVE TRAIN, MAIN GEARCASE INTERNALS - Z19VFK99LE (701795)
DRIVE TRAIN, MAIN GEARCASE INTERNALS - Z19VFM99AL (701795)
DRIVE TRAIN, MAIN GEARCASE MOUNTING - Z19VFE99AD/BD/AK/BK/AN/BN/LD/K99AD/BD/AK/BK/AN/BN/LK/LE/L99AC/BC/M99AL (C700275-2)
DRIVE TRAIN, PRIMARY CLUTCH - Z19VFE99AD/BD/AK/BK/AN/BN/LD/K99AD/BD/AK/BK/AN/BN/LK/LE/L99AC/BC/M99AL (49RGRCLUTCHDRV14RZR1000)
DRIVE TRAIN, PROP SHAFT - Z19VFE99AD/BD/AK/BK/AN/BN/LD/K99AD/BD/AK/BK/AN/BN/LK/LE/L99AC/BC/M99AL (702035)
DRIVE TRAIN, SECONDARY CLUTCH - Z19VFE99AD/BD/AK/BK/AN/BN/LD/K99AD/BD/AK/BK/AN/BN/LK/LE/L99AC/BC/M99AL (701737)
ELECTRICAL, BATTERY - Z19VFE99AD/BD/AK/BK/AN/BN/LD/K99AD/BD/AK/BK/AN/BN/LK/LE/L99AC/BC (C700276-1)
ELECTRICAL, BATTERY - Z19VFM99AL (C700276-2)
ELECTRICAL, DASH INSTRUMENTS AND CONTROLS - Z19VFE99AD/BD/AK/BK/AN/BN/LD/M99AL (C700289-1)
ELECTRICAL, DASH INSTRUMENTS AND CONTROLS - Z19VFK99AD/BD/AK/BK/AN/BN (C700276-4)
ELECTRICAL, DASH INSTRUMENTS AND CONTROLS - Z19VFK99LK/LE (C700330-2)
ELECTRICAL, DASH INSTRUMENTS AND CONTROLS - Z19VFL99AC/BC (C700276-4)
ELECTRICAL, ECM, COIL, REGULATOR - Z19VFE99AD/BD/AK/BK/AN/BN/LD/K99AD/BD/AK/BK/AN/BN/LK/LE/L99AC/BC/M99AL (C700276-5)
ELECTRICAL, HEADLIGHTS AND TAILLIGHTS - Z19VFE99AD/BD/AK/BK/AN/BN/LD/K99AD/BD/AK/BK/AN/BN/LK/LE/L99AC/BC/M99AL (C700162-3)
ELECTRICAL, WINCH - Z19VFM99AL (701214)
ELECTRICAL, WIRE HARNESS - Z19VFE99AD/BD/AK/BK/AN/BN/LD (C700345-1)
ELECTRICAL, WIRE HARNESS - Z19VFK99LK/LE (C700330-1)
ELECTRICAL, WIRE HARNESS - Z19VFL99AC/BC (C700345-2)
ELECTRICAL, WIRE HARNESS - Z19VFM99AL (C700345-3)
ENGINE, AIR INTAKE SYSTEM - Z19VFE99AD/BD/AK/BK/AN/BN/LD/K99AD/BD/AK/BK/AN/BN/LK/LE/L99AC/BC (49RGRAIRBOX151000)
ENGINE, AIR INTAKE SYSTEM - Z19VFM99AL (49RGRAIRBOX151000AL)
ENGINE, CAM CHAIN AND TENSIONER - Z19VFE99AD/BD/AK/BK/AN/BN/LD/K99AD/BD/AK/BK/AN/BN/LK/LE/L99AC/BC/M99AL (702468)
ENGINE, COOLING SYSTEM - Z19VFE99AD/BD/AK/BK/AN/BN/LD/K99AD/BD/AK/BK/AN/BN/LK/LE/L99AC/BC/M99AL (C700277)
ENGINE, CRANKCASE AND CRANKSHAFT - Z19VFE99AD/BD/AK/BK/AN/BN/LD/K99AD/BD/AK/BK/AN/BN/LK/LE/L99AC/BC/M99AL (C750824)
ENGINE, CYLINDER AND PISTON - Z19VFE99AD/BD/AK/BK/AN/BN/LD/K99AD/BD/AK/BK/AN/BN/LK/LE/L99AC/BC/M99AL (C700279)
ENGINE, CYLINDER HEAD AND VALVES - Z19VFE99AD/BD/AK/BK/AN/BN/LD/K99AD/BD/AK/BK/AN/BN/LK/LE/L99AC/BC/M99AL (49RGRVALVE14RZR1000)
ENGINE, DIPSTICK AND OIL FILTER - Z19VFE99AD/BD/AK/BK/AN/BN/LD/K99AD/BD/AK/BK/AN/BN/LK/LE/L99AC/BC/M99AL (49RGRDIPSTICK14RZR1000)
ENGINE, EXHAUST SYSTEM - Z19VFE99AD/BD/AK/BK/AN/BN/LD/K99AD/BD/AK/BK/AN/BN/LK/LE/L99AC/BC/M99AL (C700282)
ENGINE, MOUNTING & LONG BLOCK - Z19VFE99AD/BD/AK/BK/AN/BN/LD/K99AD/BD/AK/BK/AN/BN/LK/LE/L99AC/BC/M99AL (49RGRENGINEMTG14RZR1000)
ENGINE, OIL PUMP - Z19VFE99AD/BD/AK/BK/AN/BN/LD/K99AD/BD/AK/BK/AN/BN/LK/LE/L99AC/BC/M99AL (701196)
ENGINE, STARTER - Z19VFE99AD/BD/AK/BK/AN/BN/LD/K99AD/BD/AK/BK/AN/BN/LK/LE/L99AC/BC/M99AL (49RGRSTARTER14RZR1000)
ENGINE, STATOR AND FLYWHEEL - Z19VFE99AD/BD/AK/BK/AN/BN/LD/K99AD/BD/AK/BK/AN/BN/LK/LE/L99AC/BC/M99AL (C703381)
ENGINE, THROTTLE BODY AND VALVE COVER - Z19VFE99AD/BD/AK/BK/AN/BN/LD/K99AD/BD/AK/BK/AN/BN/LK/LE/L99AC/BC/M99AL (49RGRTHROTTLEBODY14RZR1000)
ENGINE, THROTTLE PEDAL - Z19VFE99AD/BD/AK/BK/AN/BN/LD/K99AD/BD/AK/BK/AN/BN/LK/LE/L99AC/BC/M99AL (701480)
ENGINE, WATERPUMP AND BYPASS - Z19VFE99AD/BD/AK/BK/AN/BN/LD/K99AD/BD/AK/BK/AN/BN/LK/LE/L99AC/BC/M99AL (700868)
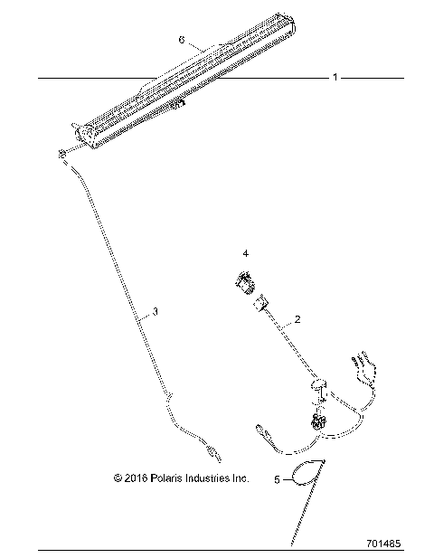
OPTIONS, LIGHTS - Z19VFK99LK (701485)
OPTIONS, ROOF - Z19VFK99LK/LE (701493)
REFERENCE, OWNERS MANUAL AND TOOL KIT - Z19VFE99AD/BD/AK/BK/AN/BN/LD/K99AD/BD/AK/BK/AN/BN/LK/LE/L99AC/BC/M99AL (49RGRTOOL14RZR1000)
STEERING, POWER STEERING ASM. - Z19VFE99AD/BD/AK/BK/AN/BN/LD/K99AD/BD/AK/BK/AN/BN/LK/LE/L99AC/BC (C700280-1)
STEERING, POWER STEERING ASM. - Z19VFM99AL/K99LK (C700280-2)
SUSPENSION, FRONT CARRIER- Z19VFE99AD/BD/AK/BK/AN/BN/LD/K99AD/BD/AK/BK/AN/BN/LK/LE/L99AC/BC/M99AL (702255)
SUSPENSION, FRONT CONTROL ARMS - Z19VFE99AD/BD/AK/BK/AN/BN/LD/K99AD/BD/AK/BK/AN/BN/LK/LE/L99AC/BC/M99AL (701199)
SUSPENSION, FRONT SHOCK INTERNALS - Z19VFE99LD/KLE/LK (701949)
SUSPENSION, FRONT SHOCK INTERNALS - Z19VFM99AL (702425)
SUSPENSION, FRONT SHOCK MOUNTING - Z19VFE99AD/BD/AK/BK/AN/BN/LD/K99AD/BD/AK/BK/AN/BN/LK/LE/L99AC/BC/M99AL (702472)
SUSPENSION, FRONT STABILIZER BAR- Z19VFE99AD/BD/AK/BK/AN/BN/LD/K99AD/BD/AK/BK/AN/BN/LK/LE/L99AC/BC/M99AL (702030)
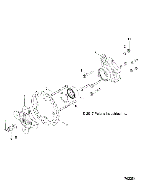
SUSPENSION, REAR CARRIER - Z19VFE99AD/BD/AK/BK/AN/BN/LD/K99AD/BD/AK/BK/AN/BN/LK/LE/L99AC/BC/M99AL (702254)
SUSPENSION, REAR CONTROL ARMS - Z19VFE99AD/BD/AK/BK/AN/BN/LD/K99AD/BD/AK/BK/AN/BN/LK/LE/L99AC/BC/M99AL (701201)
SUSPENSION, REAR SHOCK INTERNALS - Z19VFE99LD/KLE/LK (701950)
SUSPENSION, REAR SHOCK INTERNALS - Z19VFM99AL (702426)
SUSPENSION, REAR SHOCK MOUNTING - Z19VFE99AD/BD/AK/BK/AN/BN/LD/K99AD/BD/AK/BK/AN/BN/LK/LE/L99AC/BC/M99AL (701210)
SUSPENSION, STABILIZER BAR, REAR - Z19VFE99AD/BD/AK/BK/AN/BN/LD/K99AD/BD/AK/BK/AN/BN/LK/LE/L99AC/BC/M99AL (701203)
WHEELS, FRONT - Z19VFE99AD/BD/AK/BK/AN/BN/LD/K99AD/BD/AK/BK/AN/BN/LK/LE/L99AC/BC/M99AL (701205)
WHEELS, REAR - Z19VFE99AD/BD/AK/BK/AN/BN/LD/K99AD/BD/AK/BK/AN/BN/LK/LE/L99AC/BC/M99AL (701206)
ACCESSORY, FRONT BUMPER, W/WINCH - Z19VFM99AL (C700281)
ACCESSORY, MIRROR, REAR - Z19VFM99AL (701171)
BODY, DASH - Z19VFE99AD/BD/AK/BK/AN/BN/LD/K99AD/BD/AK/BK/AN/BN/LK/LE/L99AC/BC/M99AL (C700248-1)
BODY, DASH STORAGE - Z19VFE99AD/BD/AK/BK/AN/BN/LD/K99AD/BD/AK/BK/AN/BN/LK/LE/L99AC/BC/M99AL (C700248-2)
BODY, DECALS - Z19VFE99AD/BD/AK/BK/AN/BN/LD/K99AD/BD/AK/BK/AN/BN/L99AC/BC/M99AL (702585)
BODY, DECALS - Z19VFK99LK/LE (702498)
BODY, DOORS - Z19VFK99LK/LE (701492)
BODY, DOORS, FRONT - Z19VFE99AD/BD/AK/BK/AN/BN/LD (C700284-1)
BODY, DOORS, FRONT - Z19VFK99AD/BD/AK/BK/AN/BN (C700333)
BODY, DOORS, FRONT - Z19VFK99LE (C700571-1)
BODY, DOORS, FRONT - Z19VFK99LK (C700329-2)
BODY, DOORS, FRONT - Z19VFM99AL (C700285-1)
BODY, DOORS, REAR - Z19VFE99AD/BD/AK/BK/AN/BN/LD (C700284-2)
BODY, DOORS, REAR - Z19VFK99AD/BD/AK/BK/AN/BN (C700333-2)
BODY, DOORS, REAR - Z19VFK99LE (C700571-2)
BODY, DOORS, REAR - Z19VFK99LK (C700329-3)
BODY, DOORS, REAR - Z19VFM99AL (C700285-2)
BODY, FLOOR - Z19VFE99AD/BD/AK/BK/AN/BN/LD/K99AD/BD/AK/BK/AN/BN/LK/LE/L99AC/BC/M99AL (C700248-3)
BODY, FLOOR, REAR - Z19VFE99AD/BD/AK/BK/AN/BN/LD/K99AD/BD/AK/BK/AN/BN/LK/LE/L99AC/BC/M99AL (C700286-1)
BODY, FRONT BUMPER - Z19VFE99AD/BD/AK/BK/AN/BN/LD/K99AD/BD/AK/BK/AN/BN/LK/LE/L99AC/BC/M99AL (C700248-4)
BODY, FUEL LINES, EVAP - Z19VFE99BD/BK/BN/K99BD/BK/BN/L99BC (C700269-2701177)
BODY, FUEL LINES, STD. - Z19VFE99AD/AK/AN/LD/K99AD/AK/AN/LK/LE/L99AC/M99AL (C700269-3)
BODY, FUEL TANK - Z19VFE99AD/BD/AK/BK/AN/BN/LD/K99AD/BD/AK/BK/AN/BN/LK/LE/L99AC/BC/M99AL (C700269-1)
BODY, GRAB BAR, PASSENGER - Z19VFE99AD/BD/AK/BK/AN/BN/LD/K99AD/BD/AK/BK/AN/BN/LK/L99AC/BC/M99AL (700282)
BODY, HOOD AND FRONT BODY WORK - Z19VFE99AD/BD/AK/BK/AN/BN/LD/K99AD/BD/AK/BK/AN/BN/LK/LE/L99AC/BC/M99AL (C700248-5)
BODY, REAR BUMPER - Z19VFE99AD/BD/AK/BK/AN/BN/LD/K99AD/BD/AK/BK/AN/BN/LK/LE/L99AC/BC/M99AL (C700248-6)
BODY, REAR CLOSEOFF - Z19VFE99AD/BD/AK/BK/AN/BN/LD/K99AD/BD/AK/BK/AN/BN/LK/LE/L99AC/BC/M99AL (C700248-7)
BODY, REAR FENDERS AND BEZELS- Z19VFE99AD/BD/AK/BK/AN/BN/LD/K99AD/BD/AK/BK/AN/BN/LK/LE/L99AC/BC/M99AL (C700248-8)
BODY, REAR RACK - Z19VFE99AD/BD/AK/BK/AN/BN/LD/K99AD/BD/AK/BK/AN/BN/LK/LE/L99AC/BC/M99AL (C700248-9)
BODY, ROCKER PANELS - Z19VFE99AD/BD/AK/BK/AN/BN/LD/K99AD/BD/AK/BK/AN/BN/LK/LE/L99AC/BC/M99AL (C700286-2)
BODY, SEAT ASM. AND SLIDER - Z19VFE99AD/BD/AK/BK/AN/BN/LD/K99AD/BD/AK/BK/AN/BN/LK/LE/L99AC/BC/M99AL (701020)
BODY, SEAT BELT MOUNTING - Z19VFE99AD/BD/AK/BK/AN/BN/LD/K99AD/BD/AK/BK/AN/BN/LK/LE/L99AC/BC/M99AL (700302)
BRAKES, BRAKE LINES AND MASTER CYLINDER - Z19VFE99AD/BD/AK/BK/AN/BN/LD/K99AD/BD/AK/BK/AN/BN/LK/LE/L99AC/BC/M99AL (49RGRBRAKELINES151000)
BRAKES, FRONT CALIPER - Z19VFE99AD/BD/AK/BK/AN/BN/LD/K99AD/BD/AK/BK/AN/BN/LK/LE/L99AC/BC/M99AL (49RGRCALIPER14RZR1000)
BRAKES, PEDAL - Z19VFE99AD/BD/AK/BK/AN/BN/LD/K99AD/BD/AK/BK/AN/BN/LK/LE/L99AC/BC/M99AL (49RGRBRAKEFOOT14RZR1000)
BRAKES, REAR CALIPER - Z19VFE99AD/BD/AK/BK/AN/BN/LD/K99AD/BD/AK/BK/AN/BN/LK/LE/L99AC/BC/M99AL (49RGRCALIPERRR14RZR1000)
CHASSIS, CAB FRAME - Z19VFE99AD/BD/AK/BK/AN/BN/LD/K99AD/BD/AK/BK/AN/BN/LK/LE/L99AC/BC/M99AL (700806)
CHASSIS, MAIN FRAME AND SKID PLATES - Z19VFE99AD/BD/AK/BK/AN/BN/LD/K99AD/BD/AK/BK/AN/BN/LK/LE/L99AC/BC/M99AL (C700287)
DRIVE TRAIN, CLUTCH COVER AND DUCTING - Z19VFE99AD/BD/AK/BK/AN/BN/LD/K99AD/BD/AK/BK/AN/BN/LK/LE/L99AC/BC (701182)
DRIVE TRAIN, CLUTCH COVER AND DUCTING - Z19VFM99AL (700286)
DRIVE TRAIN, FRONT GEARCASE - Z19VFE99AD/BD/AK/BK/AN/BN/LD/K99AD/BD/AK/BK/AN/BN/LK/LE/L99AC/BC (701246)
DRIVE TRAIN, FRONT GEARCASE - Z19VFM99AL (701847)
DRIVE TRAIN, FRONT GEARCASE MOUNTING - Z19VFE99AD/BD/AK/BK/AN/BN/LD/K99AD/BD/AK/BK/AN/BN/LK/LE/L99AC/BC/M99AL (C700546-1)
DRIVE TRAIN, GEAR SELECTOR - Z19VFE99AD/BD/AK/BK/AN/BN/LD/K99AD/BD/AK/BK/AN/BN/LK/LE/L99AC/BC/M99AL (700622)
DRIVE TRAIN, HALF SHAFT, FRONT (FROM 12/1/2018) - Z19VFE99AD/BD/AK/BK/AN/BN/LD/K99AD/BD/AK/BK/AN/BN/LK/LE/L99AC/BC (701208)
DRIVE TRAIN, HALF SHAFT, FRONT (TO 12/1/2018) - Z19VFE99AD/BD/AK/BK/AN/BN/LD/K99AD/BD/AK/BK/AN/BN/LK/L99AC/BC (701208)
DRIVE TRAIN, HALF SHAFT, FRONT - Z19VFM99AL (701208)
DRIVE TRAIN, HALF SHAFT, REAR (FROM 12/1/2018) - Z19VFE99AD/BD/AK/BK/AN/BN/LD/K99AD/BD/AK/BK/AN/BN/LK/LE/L99AC/BC/M99AL (700288)
DRIVE TRAIN, HALF SHAFT, REAR (TO 12/1/2018) - Z19VFE99AD/BD/AK/BK/AN/BN/LD/K99AD/BD/AK/BK/AN/BN/LK/L99AC/BC/M99AL (700288)
DRIVE TRAIN, MAIN GEARCASE INTERNALS - Z19VFE99AD/BD/AK/BK/AN/BN/LD/K99AD/BD/AK/BK/AN/BN/LK/L99AC/BC (701797)
DRIVE TRAIN, MAIN GEARCASE INTERNALS - Z19VFK99LE (701795)
DRIVE TRAIN, MAIN GEARCASE INTERNALS - Z19VFM99AL (701795)
DRIVE TRAIN, MAIN GEARCASE MOUNTING - Z19VFE99AD/BD/AK/BK/AN/BN/LD/K99AD/BD/AK/BK/AN/BN/LK/LE/L99AC/BC/M99AL (C700275-2)
DRIVE TRAIN, PRIMARY CLUTCH - Z19VFE99AD/BD/AK/BK/AN/BN/LD/K99AD/BD/AK/BK/AN/BN/LK/LE/L99AC/BC/M99AL (49RGRCLUTCHDRV14RZR1000)
DRIVE TRAIN, PROP SHAFT - Z19VFE99AD/BD/AK/BK/AN/BN/LD/K99AD/BD/AK/BK/AN/BN/LK/LE/L99AC/BC/M99AL (702035)
DRIVE TRAIN, SECONDARY CLUTCH - Z19VFE99AD/BD/AK/BK/AN/BN/LD/K99AD/BD/AK/BK/AN/BN/LK/LE/L99AC/BC/M99AL (701737)
ELECTRICAL, BATTERY - Z19VFE99AD/BD/AK/BK/AN/BN/LD/K99AD/BD/AK/BK/AN/BN/LK/LE/L99AC/BC (C700276-1)
ELECTRICAL, BATTERY - Z19VFM99AL (C700276-2)
ELECTRICAL, DASH INSTRUMENTS AND CONTROLS - Z19VFE99AD/BD/AK/BK/AN/BN/LD/M99AL (C700289-1)
ELECTRICAL, DASH INSTRUMENTS AND CONTROLS - Z19VFK99AD/BD/AK/BK/AN/BN (C700276-4)
ELECTRICAL, DASH INSTRUMENTS AND CONTROLS - Z19VFK99LK/LE (C700330-2)
ELECTRICAL, DASH INSTRUMENTS AND CONTROLS - Z19VFL99AC/BC (C700276-4)
ELECTRICAL, ECM, COIL, REGULATOR - Z19VFE99AD/BD/AK/BK/AN/BN/LD/K99AD/BD/AK/BK/AN/BN/LK/LE/L99AC/BC/M99AL (C700276-5)
ELECTRICAL, HEADLIGHTS AND TAILLIGHTS - Z19VFE99AD/BD/AK/BK/AN/BN/LD/K99AD/BD/AK/BK/AN/BN/LK/LE/L99AC/BC/M99AL (C700162-3)
ELECTRICAL, WINCH - Z19VFM99AL (701214)
ELECTRICAL, WIRE HARNESS - Z19VFE99AD/BD/AK/BK/AN/BN/LD (C700345-1)
ELECTRICAL, WIRE HARNESS - Z19VFK99LK/LE (C700330-1)
ELECTRICAL, WIRE HARNESS - Z19VFL99AC/BC (C700345-2)
ELECTRICAL, WIRE HARNESS - Z19VFM99AL (C700345-3)
ENGINE, AIR INTAKE SYSTEM - Z19VFE99AD/BD/AK/BK/AN/BN/LD/K99AD/BD/AK/BK/AN/BN/LK/LE/L99AC/BC (49RGRAIRBOX151000)
ENGINE, AIR INTAKE SYSTEM - Z19VFM99AL (49RGRAIRBOX151000AL)
ENGINE, CAM CHAIN AND TENSIONER - Z19VFE99AD/BD/AK/BK/AN/BN/LD/K99AD/BD/AK/BK/AN/BN/LK/LE/L99AC/BC/M99AL (702468)
ENGINE, COOLING SYSTEM - Z19VFE99AD/BD/AK/BK/AN/BN/LD/K99AD/BD/AK/BK/AN/BN/LK/LE/L99AC/BC/M99AL (C700277)
ENGINE, CRANKCASE AND CRANKSHAFT - Z19VFE99AD/BD/AK/BK/AN/BN/LD/K99AD/BD/AK/BK/AN/BN/LK/LE/L99AC/BC/M99AL (C750824)
ENGINE, CYLINDER AND PISTON - Z19VFE99AD/BD/AK/BK/AN/BN/LD/K99AD/BD/AK/BK/AN/BN/LK/LE/L99AC/BC/M99AL (C700279)
ENGINE, CYLINDER HEAD AND VALVES - Z19VFE99AD/BD/AK/BK/AN/BN/LD/K99AD/BD/AK/BK/AN/BN/LK/LE/L99AC/BC/M99AL (49RGRVALVE14RZR1000)
ENGINE, DIPSTICK AND OIL FILTER - Z19VFE99AD/BD/AK/BK/AN/BN/LD/K99AD/BD/AK/BK/AN/BN/LK/LE/L99AC/BC/M99AL (49RGRDIPSTICK14RZR1000)
ENGINE, EXHAUST SYSTEM - Z19VFE99AD/BD/AK/BK/AN/BN/LD/K99AD/BD/AK/BK/AN/BN/LK/LE/L99AC/BC/M99AL (C700282)
ENGINE, MOUNTING & LONG BLOCK - Z19VFE99AD/BD/AK/BK/AN/BN/LD/K99AD/BD/AK/BK/AN/BN/LK/LE/L99AC/BC/M99AL (49RGRENGINEMTG14RZR1000)
ENGINE, OIL PUMP - Z19VFE99AD/BD/AK/BK/AN/BN/LD/K99AD/BD/AK/BK/AN/BN/LK/LE/L99AC/BC/M99AL (701196)
ENGINE, STARTER - Z19VFE99AD/BD/AK/BK/AN/BN/LD/K99AD/BD/AK/BK/AN/BN/LK/LE/L99AC/BC/M99AL (49RGRSTARTER14RZR1000)
ENGINE, STATOR AND FLYWHEEL - Z19VFE99AD/BD/AK/BK/AN/BN/LD/K99AD/BD/AK/BK/AN/BN/LK/LE/L99AC/BC/M99AL (C703381)
ENGINE, THROTTLE BODY AND VALVE COVER - Z19VFE99AD/BD/AK/BK/AN/BN/LD/K99AD/BD/AK/BK/AN/BN/LK/LE/L99AC/BC/M99AL (49RGRTHROTTLEBODY14RZR1000)
ENGINE, THROTTLE PEDAL - Z19VFE99AD/BD/AK/BK/AN/BN/LD/K99AD/BD/AK/BK/AN/BN/LK/LE/L99AC/BC/M99AL (701480)
ENGINE, WATERPUMP AND BYPASS - Z19VFE99AD/BD/AK/BK/AN/BN/LD/K99AD/BD/AK/BK/AN/BN/LK/LE/L99AC/BC/M99AL (700868)
OPTIONS, LIGHTS - Z19VFK99LK (701485)
OPTIONS, ROOF - Z19VFK99LK/LE (701493)
REFERENCE, OWNERS MANUAL AND TOOL KIT - Z19VFE99AD/BD/AK/BK/AN/BN/LD/K99AD/BD/AK/BK/AN/BN/LK/LE/L99AC/BC/M99AL (49RGRTOOL14RZR1000)
STEERING, POWER STEERING ASM. - Z19VFE99AD/BD/AK/BK/AN/BN/LD/K99AD/BD/AK/BK/AN/BN/LK/LE/L99AC/BC (C700280-1)
STEERING, POWER STEERING ASM. - Z19VFM99AL/K99LK (C700280-2)
SUSPENSION, FRONT CARRIER- Z19VFE99AD/BD/AK/BK/AN/BN/LD/K99AD/BD/AK/BK/AN/BN/LK/LE/L99AC/BC/M99AL (702255)
SUSPENSION, FRONT CONTROL ARMS - Z19VFE99AD/BD/AK/BK/AN/BN/LD/K99AD/BD/AK/BK/AN/BN/LK/LE/L99AC/BC/M99AL (701199)
SUSPENSION, FRONT SHOCK INTERNALS - Z19VFE99LD/KLE/LK (701949)
SUSPENSION, FRONT SHOCK INTERNALS - Z19VFM99AL (702425)
SUSPENSION, FRONT SHOCK MOUNTING - Z19VFE99AD/BD/AK/BK/AN/BN/LD/K99AD/BD/AK/BK/AN/BN/LK/LE/L99AC/BC/M99AL (702472)
SUSPENSION, FRONT STABILIZER BAR- Z19VFE99AD/BD/AK/BK/AN/BN/LD/K99AD/BD/AK/BK/AN/BN/LK/LE/L99AC/BC/M99AL (702030)
SUSPENSION, REAR CARRIER - Z19VFE99AD/BD/AK/BK/AN/BN/LD/K99AD/BD/AK/BK/AN/BN/LK/LE/L99AC/BC/M99AL (702254)
SUSPENSION, REAR CONTROL ARMS - Z19VFE99AD/BD/AK/BK/AN/BN/LD/K99AD/BD/AK/BK/AN/BN/LK/LE/L99AC/BC/M99AL (701201)
SUSPENSION, REAR SHOCK INTERNALS - Z19VFE99LD/KLE/LK (701950)
SUSPENSION, REAR SHOCK INTERNALS - Z19VFM99AL (702426)
SUSPENSION, REAR SHOCK MOUNTING - Z19VFE99AD/BD/AK/BK/AN/BN/LD/K99AD/BD/AK/BK/AN/BN/LK/LE/L99AC/BC/M99AL (701210)
SUSPENSION, STABILIZER BAR, REAR - Z19VFE99AD/BD/AK/BK/AN/BN/LD/K99AD/BD/AK/BK/AN/BN/LK/LE/L99AC/BC/M99AL (701203)
WHEELS, FRONT - Z19VFE99AD/BD/AK/BK/AN/BN/LD/K99AD/BD/AK/BK/AN/BN/LK/LE/L99AC/BC/M99AL (701205)
WHEELS, REAR - Z19VFE99AD/BD/AK/BK/AN/BN/LD/K99AD/BD/AK/BK/AN/BN/LK/LE/L99AC/BC/M99AL (701206)
View Cart
VIEW WISH LIST