Polaris
Browse New Models
Shop In-Stock
Can-Am
Browse New Models
Shop In-Stock
Ski-Doo
Browse New Models
Shop In-Stock
Sea-Doo
Browse New Models
Shop In-Stock
Kayo
Browse New Models
Shop In-Stock
Manitou
Browse New Models
Shop In-Stock
Our
Location
Call
Us
Contact
Us
Toggle navigation
Home
Brands
Showroom
Manufacturer Models
OEM Promotions
Polaris Off-Road
Polaris Snowmobiles
Can-Am
Sea-Doo
Ski-Doo
Kayo
Yamaha Marine
Triton Trailers
Manitou
Nitro Trailers
CAM Superline
Durabull Trailers
Trifecta Pontoons
Inventory
All Inventory In Stock
New Inventory In Stock
Pre-Owned Inventory
Value Your Trade-In
Request a Model
Financing
Parts
Parts Department
OEM Parts Finder
Service
Service Department
Request Polaris Service
Warranty & Recall Look-Up
Financing
About
Our Dealership
Our Team
Reviews
Customer Survey
Newsletter Sign-Up
Employment
Events
Location & Hours
Contact
Call Us
Fort Kent, ME
Fiche | Parts Diagrams
2021 Polaris Utility Vehicles
Home
›
Parts
›
OEM Parts Finder
Search by :
Part / Desc
VIN
Please Select
Can-Am
LYNX
Polaris
Sea-Doo
Ski-Doo
Yamaha
*Please enter at least 3 characters
SEARCH
Manufacturer
Polaris
Utility Vehicles
2021
INTL RANGER 1000 FULL SIZE EPS EU TRACTOR ZUG (R21TAE99FA/TAS99FA/SCA/SCK/SEA/SEK)
View Cart
VIEW WISH LIST
Select a Section
Show/Hide
ACCESSORY, FRONT BUMPER - R21TAE99FA/SFA/SCA/SCK/EA/EK (C700063)
ACCESSORY, WINCH - R21TAS99CK/EK (C733177)
BODY, BOX, MOUNTING - R21TAE99FA/SFA/SCA/SCK/EA/EK (C730056)
BODY, BOX, TAILGATE - R21TAE99FA/SFA/SCA/SCK/EA/EK (C700065)
BODY, CARGO BOX - R21TAE99FA/SFA/SCA/SCK/EA/EK (C700946)
BODY, DASH - R21TAE99FA/SFA/SCA/SCK/EA/EK (C730020)
BODY, DECALS - R21TAE99FA/SFA/SCA/SCK/EA/EK (900213)
BODY, FLOOR AND ROCKER - R21TAE99FA/SFA/SCA/SCK/EA/EK (C700578)
BODY, FUEL TANK - R21TAE99FA/SFA/SCA/SCK/EA/EK (C700756)
BODY, HEATER ASSEMBLY - R21TAS99CK/EK (C700581)
BODY, HEATER DUCTING - R21TAS99CK/EK (C700582)
BODY, HEATER ROUTINGS - R21TAS99CK/EK (C700583)
BODY, HOOD AND FRONT FACIA - R21TAE99FA/SFA/SCA/SCK/EA/EK (C700619)
BODY, MIRRORS - R21TAE99FA/SFA/SCA/SCK/EA/EK (C730024)
BODY, REAR CLOSEOFF, AND FENDERS - R21TAE99FA/SFA/SCA/SCK/EA/EK (C700584)
BODY, SEALING FOAM - R21TAS99CK/EK (C700585)
BODY, SEAT ASM. - R21TAE99FA/SFA (C730017)
BODY, SEAT ASM. AND SLIDER - R21TAS99CA/CK/EA/EK (C730016)
BODY, SEAT BELT AND MOUNTING - R21TAE99FA/SFA/SCA/SCK/EA/EK (C700332)
BODY, SIDE NETS - R21TAE99FA/SFA/SCA/SCK/EA/EK (C700068)
BRAKES, BRAKE LINES AND MASTER CYLINDER - R21TAE99FA/SFA/SCA/SCK/EA/EK (C730073)
BRAKES, FRONT CALIPER - R21TAE99FA/SFA/SCA/SCK/EA/EK (C700017)
BRAKES, PARK BRAKE - R21TAE99FA/SFA/SCA/SCK/EA/EK (C730023)
BRAKES, PEDAL - R21TAE99FA/SFA/SCA/SCK/EA/EK (C700338)
BRAKES, REAR CALIPER - R21TAE99FA/SFA/SCA/SCK/EA/EK (C700016)
CHASSIS, CAB FRAME - R21TAE99FA/SFA/SCA/SCK/EA/EK (C0704880)
CHASSIS, EDGE COVER, TR - R21TAS99CA/EA (C730018)
CHASSIS, MAIN FRAME - R21TAE99FA/SFA/SCA/SCK/EA/EK (C700591)
DRIVE TRAIN, CLUTCH COVER and DUCTING - R21TAE99FA/SFA/SCA/SCK/EA/EK (C730015)
DRIVE TRAIN, CLUTCH, PRIMARY - R21TAE99FA/SFA/SCA/SCK/EA/EK (C700943)
DRIVE TRAIN, CLUTCH, SECONDARY - R21TAE99FA/SFA/SCA/SCK/EA/EK (C700594)
DRIVE TRAIN, FRONT GEARCASE - R21TAE99FA/SFA/SCA/SCK/EA/EK (702782)
DRIVE TRAIN, FRONT GEARCASE MOUNTING - R21TAE99FA/SFA/SCA/SCK/EA/EK (C701300)
DRIVE TRAIN, FRONT HALF SHAFT - R21TAE99FA/SFA/SCA/SCK/EA/EK (C730012)
DRIVE TRAIN, FRONT PROP SHAFT - R21TAE99FA/SFA/SCA/SCK/EA/EK (C701135)
DRIVE TRAIN, GEAR SELECTOR - R21TAE99FA/SFA/SCA/SCK/EA/EK (C700041)
DRIVE TRAIN, MAIN GEARCASE INTERNALS - R21TAE99FA/SFA/SCA/SCK/EA/EK (1334526)
DRIVE TRAIN, MAIN GEARCASE MOUNTING - R21TAE99FA/SFA/SCA/SCK/EA/EK (C730059)
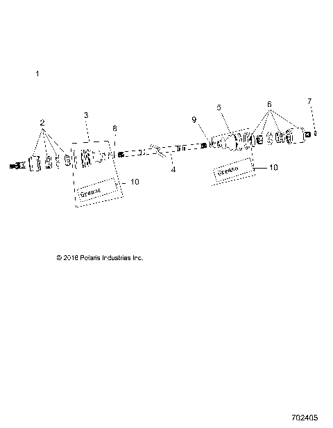
DRIVE TRAIN, REAR DRIVE SHAFT - R21TAE99FA/SFA/SCA/SCK/EA/EK (702405)
ELECTRICAL, BATTERY - R21TAE99FA/SFA/SCA/SCK/EA/EK (C730013)
ELECTRICAL, COMPONENTS, LICENSE PLATE AND HITCH - R21TAE99FA/SFA/SCA/SCK/EA/EK (C730010)
ELECTRICAL, DASH CONTROLS - R21TAE99FA/SFA/SCA/SCK/EA/EK (C730011)
ELECTRICAL, HEADLIGHTS AND TAILLIGHTS - R21TAE99FA/SFA/SCA/SCK/EA/EK (C700945)
ELECTRICAL, SENSORS and MODULES - R21TAE99FA/SFA/SCA/SCK/EA/EK (C700618)
ELECTRICAL, UPFIT, ZUG - R21TAS99FA (C730019)
ELECTRICAL, WIRE HARNESS - R21TAE99FA/SFA/SCA/EA (C730025)
ELECTRICAL, WIRE HARNESS - R21TAS99CK/EK (C730021)
ENGINE, AIR INTAKE MANIFOLD - R21TAE99FA/SFA/SCA/SCK/EA/EK (C700922)
ENGINE, AIR INTAKE SYSTEM - R21TAE99FA/SFA/SCA/SCK/EA/EK (C700596)
ENGINE, CAM CHAIN AND TENSIONER - R21TAE99FA/SFA/SCA/SCK/EA/EK (C700597)
ENGINE, COOLING SYSTEM - R21TAE99FA/SFA/SCA/EA (C701145)
ENGINE, COOLING SYSTEM - R21TAS99CK/EK (C700597
ENGINE, CRANKCASE AND CRANKSHAFT - R21TAE99FA/SFA/SCA/SCK/EA/EK (C700599)
ENGINE, CYLINDER AND PISTON - R21TAE99FA/SFA/SCA/SCK/EA/EK (C700349)
ENGINE, CYLINDER HEAD AND VALVES - R21TAE99FA/SFA/SCA/SCK/EA/EK (C700600)
ENGINE, DIPSTICK AND OIL FILTER - R21TAE99FA/SFA/SCA/SCK/EA/EK (C700226)
ENGINE, EXHAUST SYSTEM - R21TAE99FA/SFA/SCA/SCK/EA/EK (C700941)
ENGINE, MOUNTING & LONG BLOCK - R21TAE99FA/SFA/SCA/SCK/EA/EK (C700602)
ENGINE, OIL PUMP - R21TAE99FA/SFA/SCA/SCK/EA/EK (C700046)
ENGINE, STARTER - R21TAE99FA/SFA/SCA/SCK/EA/EK (C700044)
ENGINE, STATOR AND FLYWHEEL - R21TAE99FA/SFA/SCA/SCK/EA/EK (C700050)
ENGINE, THROTTLE BODY AND VALVE COVER - R21TAE99FA/SFA/SCA/SCK/EA/EK (C700605)
ENGINE, THROTTLE PEDAL - R21TAE99FA/SFA/SCA/SCK/EA/EK (C700040)
ENGINE, WATERPUMP AND BYPASS - R21TAE99FA/SFA/SCA/SCK/EA/EK (C730030)
REFERENCES, TOOL KIT and OWNERS MANUALS - R21TAE99FA/SFA/SCA/SCK/EA/EK (702780)
STEERING, STEERING ASM. - R21TAE99FA/SFA/SCA/SCK/EA/EK (C700604)
STEERING, STEERING GEARBOX. - R21TAE99FA/SFA/SCA/SCK/EA/EK (C1824790)
SUSPENSION, FRONT CONTROL ARMS - R21TAE99FA/SFA/SCA/SCK (C700033)
SUSPENSION, FRONT CONTROL ARMS - R21TAE99FA/SFA/SCA/SCK/EA/EK (C788430)
SUSPENSION, FRONT HUB - R21TAE99FA/SFA/SCA/SCK/EA/EK (C700035)
SUSPENSION, FRONT SHOCK MOUNTING - R21TAE99FA/SFA/SCA/SCK/EA/EK (C730014)
SUSPENSION, REAR CARRIER - R21TAE99FA/SFA/SCA/SCK/EA/EK (C700607)
SUSPENSION, REAR CONTROL ARMS - R21TAE99FA/SFA/SCA/SCK (C700607)
SUSPENSION, REAR SHOCK MOUNTING - R21TAE99FA/SFA/SCA/SCK/EA/EK (C700607)
SUSPENSION, REAR STABILIZER BAR - R21TAE99FA/SFA/SCA/SCK/EA/EK (C700607)
WHEELS, FRONT - R21TAE99FA/SFA/SCA/EA (C733213)
WHEELS, FRONT - R21TAS99CK/EK (C700025)
WHEELS, REAR - R21TAE99FA/SFA/SCA/SCK/EA/EK (C733214)
WHEELS, REAR - R21TAS99CK/EK (C700026)
ACCESSORY, FRONT BUMPER - R21TAE99FA/SFA/SCA/SCK/EA/EK (C700063)
ACCESSORY, WINCH - R21TAS99CK/EK (C733177)
BODY, BOX, MOUNTING - R21TAE99FA/SFA/SCA/SCK/EA/EK (C730056)
BODY, BOX, TAILGATE - R21TAE99FA/SFA/SCA/SCK/EA/EK (C700065)
BODY, CARGO BOX - R21TAE99FA/SFA/SCA/SCK/EA/EK (C700946)
BODY, DASH - R21TAE99FA/SFA/SCA/SCK/EA/EK (C730020)
BODY, DECALS - R21TAE99FA/SFA/SCA/SCK/EA/EK (900213)
BODY, FLOOR AND ROCKER - R21TAE99FA/SFA/SCA/SCK/EA/EK (C700578)
BODY, FUEL TANK - R21TAE99FA/SFA/SCA/SCK/EA/EK (C700756)
BODY, HEATER ASSEMBLY - R21TAS99CK/EK (C700581)
BODY, HEATER DUCTING - R21TAS99CK/EK (C700582)
BODY, HEATER ROUTINGS - R21TAS99CK/EK (C700583)
BODY, HOOD AND FRONT FACIA - R21TAE99FA/SFA/SCA/SCK/EA/EK (C700619)
BODY, MIRRORS - R21TAE99FA/SFA/SCA/SCK/EA/EK (C730024)
BODY, REAR CLOSEOFF, AND FENDERS - R21TAE99FA/SFA/SCA/SCK/EA/EK (C700584)
BODY, SEALING FOAM - R21TAS99CK/EK (C700585)
BODY, SEAT ASM. - R21TAE99FA/SFA (C730017)
BODY, SEAT ASM. AND SLIDER - R21TAS99CA/CK/EA/EK (C730016)
BODY, SEAT BELT AND MOUNTING - R21TAE99FA/SFA/SCA/SCK/EA/EK (C700332)
BODY, SIDE NETS - R21TAE99FA/SFA/SCA/SCK/EA/EK (C700068)
BRAKES, BRAKE LINES AND MASTER CYLINDER - R21TAE99FA/SFA/SCA/SCK/EA/EK (C730073)
BRAKES, FRONT CALIPER - R21TAE99FA/SFA/SCA/SCK/EA/EK (C700017)
BRAKES, PARK BRAKE - R21TAE99FA/SFA/SCA/SCK/EA/EK (C730023)
BRAKES, PEDAL - R21TAE99FA/SFA/SCA/SCK/EA/EK (C700338)
BRAKES, REAR CALIPER - R21TAE99FA/SFA/SCA/SCK/EA/EK (C700016)
CHASSIS, CAB FRAME - R21TAE99FA/SFA/SCA/SCK/EA/EK (C0704880)
CHASSIS, EDGE COVER, TR - R21TAS99CA/EA (C730018)
CHASSIS, MAIN FRAME - R21TAE99FA/SFA/SCA/SCK/EA/EK (C700591)
DRIVE TRAIN, CLUTCH COVER and DUCTING - R21TAE99FA/SFA/SCA/SCK/EA/EK (C730015)
DRIVE TRAIN, CLUTCH, PRIMARY - R21TAE99FA/SFA/SCA/SCK/EA/EK (C700943)
DRIVE TRAIN, CLUTCH, SECONDARY - R21TAE99FA/SFA/SCA/SCK/EA/EK (C700594)
DRIVE TRAIN, FRONT GEARCASE - R21TAE99FA/SFA/SCA/SCK/EA/EK (702782)
DRIVE TRAIN, FRONT GEARCASE MOUNTING - R21TAE99FA/SFA/SCA/SCK/EA/EK (C701300)
DRIVE TRAIN, FRONT HALF SHAFT - R21TAE99FA/SFA/SCA/SCK/EA/EK (C730012)
DRIVE TRAIN, FRONT PROP SHAFT - R21TAE99FA/SFA/SCA/SCK/EA/EK (C701135)
DRIVE TRAIN, GEAR SELECTOR - R21TAE99FA/SFA/SCA/SCK/EA/EK (C700041)
DRIVE TRAIN, MAIN GEARCASE INTERNALS - R21TAE99FA/SFA/SCA/SCK/EA/EK (1334526)
DRIVE TRAIN, MAIN GEARCASE MOUNTING - R21TAE99FA/SFA/SCA/SCK/EA/EK (C730059)
DRIVE TRAIN, REAR DRIVE SHAFT - R21TAE99FA/SFA/SCA/SCK/EA/EK (702405)
ELECTRICAL, BATTERY - R21TAE99FA/SFA/SCA/SCK/EA/EK (C730013)
ELECTRICAL, COMPONENTS, LICENSE PLATE AND HITCH - R21TAE99FA/SFA/SCA/SCK/EA/EK (C730010)
ELECTRICAL, DASH CONTROLS - R21TAE99FA/SFA/SCA/SCK/EA/EK (C730011)
ELECTRICAL, HEADLIGHTS AND TAILLIGHTS - R21TAE99FA/SFA/SCA/SCK/EA/EK (C700945)
ELECTRICAL, SENSORS and MODULES - R21TAE99FA/SFA/SCA/SCK/EA/EK (C700618)
ELECTRICAL, UPFIT, ZUG - R21TAS99FA (C730019)
ELECTRICAL, WIRE HARNESS - R21TAE99FA/SFA/SCA/EA (C730025)
ELECTRICAL, WIRE HARNESS - R21TAS99CK/EK (C730021)
ENGINE, AIR INTAKE MANIFOLD - R21TAE99FA/SFA/SCA/SCK/EA/EK (C700922)
ENGINE, AIR INTAKE SYSTEM - R21TAE99FA/SFA/SCA/SCK/EA/EK (C700596)
ENGINE, CAM CHAIN AND TENSIONER - R21TAE99FA/SFA/SCA/SCK/EA/EK (C700597)
ENGINE, COOLING SYSTEM - R21TAE99FA/SFA/SCA/EA (C701145)
ENGINE, COOLING SYSTEM - R21TAS99CK/EK (C700597
ENGINE, CRANKCASE AND CRANKSHAFT - R21TAE99FA/SFA/SCA/SCK/EA/EK (C700599)
ENGINE, CYLINDER AND PISTON - R21TAE99FA/SFA/SCA/SCK/EA/EK (C700349)
ENGINE, CYLINDER HEAD AND VALVES - R21TAE99FA/SFA/SCA/SCK/EA/EK (C700600)
ENGINE, DIPSTICK AND OIL FILTER - R21TAE99FA/SFA/SCA/SCK/EA/EK (C700226)
ENGINE, EXHAUST SYSTEM - R21TAE99FA/SFA/SCA/SCK/EA/EK (C700941)
ENGINE, MOUNTING & LONG BLOCK - R21TAE99FA/SFA/SCA/SCK/EA/EK (C700602)
ENGINE, OIL PUMP - R21TAE99FA/SFA/SCA/SCK/EA/EK (C700046)
ENGINE, STARTER - R21TAE99FA/SFA/SCA/SCK/EA/EK (C700044)
ENGINE, STATOR AND FLYWHEEL - R21TAE99FA/SFA/SCA/SCK/EA/EK (C700050)
ENGINE, THROTTLE BODY AND VALVE COVER - R21TAE99FA/SFA/SCA/SCK/EA/EK (C700605)
ENGINE, THROTTLE PEDAL - R21TAE99FA/SFA/SCA/SCK/EA/EK (C700040)
ENGINE, WATERPUMP AND BYPASS - R21TAE99FA/SFA/SCA/SCK/EA/EK (C730030)
REFERENCES, TOOL KIT and OWNERS MANUALS - R21TAE99FA/SFA/SCA/SCK/EA/EK (702780)
STEERING, STEERING ASM. - R21TAE99FA/SFA/SCA/SCK/EA/EK (C700604)
STEERING, STEERING GEARBOX. - R21TAE99FA/SFA/SCA/SCK/EA/EK (C1824790)
SUSPENSION, FRONT CONTROL ARMS - R21TAE99FA/SFA/SCA/SCK (C700033)
SUSPENSION, FRONT CONTROL ARMS - R21TAE99FA/SFA/SCA/SCK/EA/EK (C788430)
SUSPENSION, FRONT HUB - R21TAE99FA/SFA/SCA/SCK/EA/EK (C700035)
SUSPENSION, FRONT SHOCK MOUNTING - R21TAE99FA/SFA/SCA/SCK/EA/EK (C730014)
SUSPENSION, REAR CARRIER - R21TAE99FA/SFA/SCA/SCK/EA/EK (C700607)
SUSPENSION, REAR CONTROL ARMS - R21TAE99FA/SFA/SCA/SCK (C700607)
SUSPENSION, REAR SHOCK MOUNTING - R21TAE99FA/SFA/SCA/SCK/EA/EK (C700607)
SUSPENSION, REAR STABILIZER BAR - R21TAE99FA/SFA/SCA/SCK/EA/EK (C700607)
WHEELS, FRONT - R21TAE99FA/SFA/SCA/EA (C733213)
WHEELS, FRONT - R21TAS99CK/EK (C700025)
WHEELS, REAR - R21TAE99FA/SFA/SCA/SCK/EA/EK (C733214)
WHEELS, REAR - R21TAS99CK/EK (C700026)
View Cart
VIEW WISH LIST