Polaris
Browse New Models
Shop In-Stock
Can-Am
Browse New Models
Shop In-Stock
Ski-Doo
Browse New Models
Shop In-Stock
Sea-Doo
Browse New Models
Shop In-Stock
Kayo
Browse New Models
Shop In-Stock
Manitou
Browse New Models
Shop In-Stock
Our
Location
Call
Us
Contact
Us
Toggle navigation
Home
Brands
Showroom
Manufacturer Models
OEM Promotions
Polaris Off-Road
Polaris Snowmobiles
Can-Am
Sea-Doo
Ski-Doo
Kayo
Yamaha Marine
Triton Trailers
Manitou
Nitro Trailers
CAM Superline
Durabull Trailers
Trifecta Pontoons
Inventory
All Inventory In Stock
New Inventory In Stock
Pre-Owned Inventory
Value Your Trade-In
Request a Model
Financing
Parts
Parts Department
OEM Parts Finder
Service
Service Department
Request Polaris Service
Warranty & Recall Look-Up
Financing
About
Our Dealership
Our Team
Reviews
Customer Survey
Newsletter Sign-Up
Employment
Events
Location & Hours
Contact
Call Us
Fort Kent, ME
Fiche | Parts Diagrams
2021 Polaris Utility Vehicles
Home
›
Parts
›
OEM Parts Finder
Search by :
Part / Desc
VIN
Please Select
Can-Am
LYNX
Polaris
Sea-Doo
Ski-Doo
Yamaha
*Please enter at least 3 characters
SEARCH
Manufacturer
Polaris
Utility Vehicles
2021
INTL RANGER XP 1000 EPS EU/TR/ZUG (R21RRS99C9/CK/CP/F9/FP/PCW/E9/EK/EP)
View Cart
VIEW WISH LIST
Select a Section
Show/Hide
ACCESSORY, FRONT BUMPER - R21RRS99C9/CK/CP/F9/FP/PCW/E9/EK/EP (C700063)
ACCESSORY, MIRRORS - R21RRS99C9/CK/CP/F9/FP/PCW/E9/EK/EP (C700086)
ACCESSORY, WINCH - R21RRS99CK/EK (C733176)
BODY, BOX - R21RRS99C9/CK/CP/F9/FP/PCW/E9/EK/EP (C700064-2)
BODY, BOX, MOUNTING - R21RRS99C9/CK/CP/F9/FP/PCW/E9/EK/EP (C730056)
BODY, BOX, TAILGATE - R21RRS99C9/CK/CP/F9/FP/PCW/E9/EK/EP (C700065)
BODY, DASH - R21RRS99C9/CK/CP/F9/FP/PCW/E9/EK/EP (C730080)
BODY, DECALS - R21RRS99C9/CK/CP/F9/FP/PCW/E9/EK/EP (900242)
BODY, FLOOR AND ROCKER - R21RRS99C9/CK/CP/F9/FP/PCW/E9/EK/EP (C700058)
BODY, FUEL TANK - R21RRS99C9/CK/CP/F9/FP/PCW/E9/EK/EP (C700870)
BODY, HOOD AND FRONT FACIA - R21RRS99C9/CK/CP/F9/FP/E9/EK/EP (C700060)
BODY, NETS - R21RRS99C9/CK/CP/F9/FP/PCW/E9/EK/EP (C700068)
BODY, REAR CLOSEOFF, AND FENDERS - R21RRS99C9/CK/CP/F9/FP/PCW/E9/EK/EP (C701327)
BODY, SEALING FOAM - R21RRS99CK/EK (C700161-3)
BODY, SEAT ASM. AND SLIDER - R21RRS99C9/CK/CP/E9/EK/EP (C700872)
BODY, SEAT ASM. AND SLIDER - R21RRS99F9/FP/PCW (C700069)
BODY, SEAT BELT AND MOUNTING - R21RRS99C9/CK/CP/F9/FP/PCW/E9/EK/EP (C700332)
BRAKES, BRAKE LINES AND MASTER CYLINDER - R21RRP99CW (C730053)
BRAKES, BRAKE LINES AND MASTER CYLINDER - R21RRS99C9/CK/CP/F9/FP/E9/EK/EP (C700873)
BRAKES, FRONT CALIPER - R21RRS99C9/CK/CP/F9/FP/PCW/E9/EK/EP (C700017)
BRAKES, PARK BRAKE - R21RRS99C9/CK/CP/F9/FP/PCW (C700875)
BRAKES, PEDAL - R21RRS99C9/CK/CP/F9/FP/PCW/E9/EK/EP (C700338)
BRAKES, REAR CALIPER - R21RRS99C9/CK/CP/F9/FP/PCW/E9/EK/EP (C700016)
CHASSIS, CAB FRAME - R21RRS99C9/CK/CP/F9/FP/PCW/E9/EK/EP (C700876)
CHASSIS, EDGE COVER, TR - R21RRS99C9/CK/CP/PCW/E9/EK/EP (C700088)
CHASSIS, HITCH - R21RRS99C9/CK/CP/F9/FP/PCW/E9/EK/EP (701645)
CHASSIS, MAIN FRAME AND SKID PLATES - R21RRS99C9/CK/CP/F9/FP/PCW/E9/EK/EP (C700018)
DRIVE TRAIN, CLUTCH COVER AND DUCTING - R21RRS99C9/CK/CP/F9/FP/PCW/E9/EK/EP (C700877)
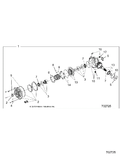
DRIVE TRAIN, FRONT GEARCASE - R21RRP99CW (702725)
DRIVE TRAIN, FRONT GEARCASE - R21RRS99C9/CK/CP/F9/FP/E9/EK/EP (702658)
DRIVE TRAIN, FRONT GEARCASE MOUNTING - R21RRP99CW (C702556)
DRIVE TRAIN, FRONT GEARCASE MOUNTING - R21RRS99C9/CK/CP/F9/FP/E9/EK/EP (C701148)
DRIVE TRAIN, FRONT HALF SHAFT - R21RRP99CW (C700908)
DRIVE TRAIN, FRONT HALF SHAFT - R21RRS99C9/CK/CP/F9/FP/E9/EK/EP (C730012)
DRIVE TRAIN, FRONT PROP SHAFT - R21RRP99CW (C700020)
DRIVE TRAIN, FRONT PROP SHAFT - R21RRS99C9/CK/CP/F9/FP/E9/EK/EP (C701244)
DRIVE TRAIN, GEAR SELECTOR - R21RRS99C9/CK/CP/F9/FP/PCW/E9/EK/EP (C700041)
DRIVE TRAIN, MAIN GEARCASE INTERNALS - R21RRP99CW (1334429)
DRIVE TRAIN, MAIN GEARCASE INTERNALS - R21RRS99C9/CK/CP/F9/FP/E9/EK/EP (1334647)
DRIVE TRAIN, MAIN GEARCASE MOUNTING - R21RRP99CW (C700879)
DRIVE TRAIN, MAIN GEARCASE MOUNTING - R21RRS99C9/CK/CP/F9/FP/E9/EK/EP (702781)
DRIVE TRAIN, PRIMARY CLUTCH - R21RRP99CW (C700881)
DRIVE TRAIN, PRIMARY CLUTCH - R21RRS99C9/CK/CP/F9/FP/E9/EK/EP (C701170)
DRIVE TRAIN, REAR HALF SHAFT - R21RRP99CW (C700909)
DRIVE TRAIN, REAR HALF SHAFT - R21RRS99C9/CK/CP/F9/FP/E9/EK/EP (702405)
DRIVE TRAIN, REAR PROP SHAFT - R21RRP99CW (C700021)
DRIVE TRAIN, REAR PROP SHAFT - R21RRS99C9/CK/CP/F9/FP/E9/EK/EP (C700235)
DRIVE TRAIN, SECONDARY CLUTCH - R21RRP99CW (C700458)
DRIVE TRAIN, SECONDARY CLUTCH - R21RRS99C9/CK/CP/F9/FP/E9/EK/EP (C701268)
ELECTRICAL COMPONENTS, AND LICENSE PLATE - R21RRS99C9/CK/CP/F9/FP/E9/EK/EP (702512)
ELECTRICAL, BATTERY - R21RRS99C9/CK/CP/F9/FP/PCW/E9/EK/EP (C730048)
ELECTRICAL, DASH INSTUMENTS - R21RRS99C9/CK/CP/F9/FP/PCW/E9/EK/EP (C730192)
ELECTRICAL, HEADLIGHTS AND TAILLIGHTS - R21RRS99C9/CK/CP/F9/FP/PCW/E9/EK/EP (C700074)
ELECTRICAL, WIRE HARNESS - R21RRP99CW (C730054)
ELECTRICAL, WIRE HARNESS - R21RRS99C9/CP/F9/FP/E9/EP (C730045)
ELECTRICAL, WIRE HARNESS - R21RRS99CK/EK (C730055)
ELECTRICAL, WIRE HARNESS COMPONENTS, AND LICENSE PLATE - R21RRS99C9/CK/CP/F9/FP/PCW/E9/EK/EP (C730046)
ENGINE, AIR INTAKE MANIFOLD - R21RRS99C9/CK/CP/F9/FP/PCW/E9/EK/EP (C700047)
ENGINE, AIR INTAKE SYSTEM - R21RRS99C9/CK/CP/F9/FP/PCW/E9/EK/EP (C700055)
ENGINE, CAM CHAIN AND TENSIONER - R21RRS99C9/CK/CP/F9/FP/PCW/E9/EK/EP (C700048)
ENGINE, COOLING SYSTEM - R21RRS99C9/CP/F9/FP/PCW/E9/EK/EP (C701145)
ENGINE, COOLING SYSTEM - R21RRS99CK/EK (C700840)
ENGINE, CRANKCASE AND CRANKSHAFT - R21RRS99C9/CK/CP/F9/FP/PCW/E9/EK/EP (C700038)
ENGINE, CYLINDER AND PISTON - R21RRS99C9/CK/CP/F9/FP/PCW/E9/EK/EP (C700045-1)
ENGINE, CYLINDER HEAD AND VALVES - R21RRS99C9/CK/CP/F9/FP/PCW/E9/EK/EP (C700049)
ENGINE, DIPSTICK AND OIL FILTER - R21RRS99C9/CK/CP/F9/FP/PCW/E9/EK/EP (C700226)
ENGINE, EXHAUST SYSTEM - R21RRS99C9/CK/CP/F9/FP/PCW/E9/EK/EP (C700990)
ENGINE, MOUNTING & LONG BLOCK - R21RRS99C9/CK/CP/F9/FP/PCW/E9/EK/EP (C700042)
ENGINE, OIL PUMP - R21RRS99C9/CK/CP/F9/FP/PCW/E9/EK/EP (C700886)
ENGINE, STARTER - R21RRS99C9/CK/CP/F9/FP/PCW/E9/EK/EP (C700044)
ENGINE, STATOR AND FLYWHEEL - R21RRS99C9/CK/CP/F9/FP/PCW/E9/EK/EP (C700050)
ENGINE, THROTTLE BODY AND VALVE COVER - R21RRS99C9/CK/CP/F9/FP/PCW/E9/EK/EP (C700051)
ENGINE, THROTTLE PEDAL - R21RRS99C9/CK/CP/F9/FP/PCW/E9/EK/EP (C700040)
ENGINE, WATERPUMP AND BYPASS - R21RRS99C9/CK/CP/F9/FP/PCW/E9/EK/EP (C730030)
ENGINE, WATERPUMP ASSEMBLY
OPT, DASH, HEATER ASSEMBLY - R21RRS99CK/EK (C700847)
OPT, DASH, HEATER DUCTING - R21RRS99CK/EK (C700847)
OPT, DASH, HEATER ROUTING - R21RRS99CK/EK (C700847)
REFERENCE, OWNERS MANUAL AND TOOL KIT - R21RRS99C9/CK/CP/F9/FP/PCW (702708)
STEERING, STEERING ASM. - R21RRS99C9/CK/CP/F9/FP/PCW/E9/EK/EP (C700887)
SUSPENSION, FRONT CONTROL ARMS - R21RRP99CW (C700033)
SUSPENSION, FRONT CONTROL ARMS - R21RRS99C9/CK/CP/F9/FP/E9/EK/EP (C700033)
SUSPENSION, FRONT HUB - R21RRP99CW (C700035)
SUSPENSION, FRONT HUB - R21RRS99C9/CK/CP/F9/FP/E9/EK/EP (C700035)
SUSPENSION, FRONT SHOCK MOUNTING - R21RRS99C9/CK/CP/F9/FP/PCW/E9/EK/EP (C701220)
SUSPENSION, FRONT STABILIZER BAR - R21RRS99C9/CK/CP/F9/FP/PCW/E9/EK/EP (C700032)
SUSPENSION, REAR CARRIER - R21RRS99C9/CK/CP/F9/FP/PCW/E9/EK/EP (C700028)
SUSPENSION, REAR CONTROL ARMS - R21RRS99C9/CK/CP/F9/FP/PCW/E9/EK/EP (C700029)
SUSPENSION, REAR SHOCK MOUNTING - R21RRS99C9/CK/CP/F9/FP/PCW/E9/EK/EP (C701220)
SUSPENSION, REAR STABILIZER BAR - R21RRS99C9/CK/CP/F9/FP/PCW/E9/EK/EP (C700027)
WHEELS, FRONT - R21RRS99C9/CK/CP/F9/FP/PCW/E9/EK/EP (C700025)
WHEELS, REAR - R21RRS99C9/CK/CP/F9/FPCW/E9/EK/EP (C700026)
ACCESSORY, FRONT BUMPER - R21RRS99C9/CK/CP/F9/FP/PCW/E9/EK/EP (C700063)
ACCESSORY, MIRRORS - R21RRS99C9/CK/CP/F9/FP/PCW/E9/EK/EP (C700086)
ACCESSORY, WINCH - R21RRS99CK/EK (C733176)
BODY, BOX - R21RRS99C9/CK/CP/F9/FP/PCW/E9/EK/EP (C700064-2)
BODY, BOX, MOUNTING - R21RRS99C9/CK/CP/F9/FP/PCW/E9/EK/EP (C730056)
BODY, BOX, TAILGATE - R21RRS99C9/CK/CP/F9/FP/PCW/E9/EK/EP (C700065)
BODY, DASH - R21RRS99C9/CK/CP/F9/FP/PCW/E9/EK/EP (C730080)
BODY, DECALS - R21RRS99C9/CK/CP/F9/FP/PCW/E9/EK/EP (900242)
BODY, FLOOR AND ROCKER - R21RRS99C9/CK/CP/F9/FP/PCW/E9/EK/EP (C700058)
BODY, FUEL TANK - R21RRS99C9/CK/CP/F9/FP/PCW/E9/EK/EP (C700870)
BODY, HOOD AND FRONT FACIA - R21RRS99C9/CK/CP/F9/FP/E9/EK/EP (C700060)
BODY, NETS - R21RRS99C9/CK/CP/F9/FP/PCW/E9/EK/EP (C700068)
BODY, REAR CLOSEOFF, AND FENDERS - R21RRS99C9/CK/CP/F9/FP/PCW/E9/EK/EP (C701327)
BODY, SEALING FOAM - R21RRS99CK/EK (C700161-3)
BODY, SEAT ASM. AND SLIDER - R21RRS99C9/CK/CP/E9/EK/EP (C700872)
BODY, SEAT ASM. AND SLIDER - R21RRS99F9/FP/PCW (C700069)
BODY, SEAT BELT AND MOUNTING - R21RRS99C9/CK/CP/F9/FP/PCW/E9/EK/EP (C700332)
BRAKES, BRAKE LINES AND MASTER CYLINDER - R21RRP99CW (C730053)
BRAKES, BRAKE LINES AND MASTER CYLINDER - R21RRS99C9/CK/CP/F9/FP/E9/EK/EP (C700873)
BRAKES, FRONT CALIPER - R21RRS99C9/CK/CP/F9/FP/PCW/E9/EK/EP (C700017)
BRAKES, PARK BRAKE - R21RRS99C9/CK/CP/F9/FP/PCW (C700875)
BRAKES, PEDAL - R21RRS99C9/CK/CP/F9/FP/PCW/E9/EK/EP (C700338)
BRAKES, REAR CALIPER - R21RRS99C9/CK/CP/F9/FP/PCW/E9/EK/EP (C700016)
CHASSIS, CAB FRAME - R21RRS99C9/CK/CP/F9/FP/PCW/E9/EK/EP (C700876)
CHASSIS, EDGE COVER, TR - R21RRS99C9/CK/CP/PCW/E9/EK/EP (C700088)
CHASSIS, HITCH - R21RRS99C9/CK/CP/F9/FP/PCW/E9/EK/EP (701645)
CHASSIS, MAIN FRAME AND SKID PLATES - R21RRS99C9/CK/CP/F9/FP/PCW/E9/EK/EP (C700018)
DRIVE TRAIN, CLUTCH COVER AND DUCTING - R21RRS99C9/CK/CP/F9/FP/PCW/E9/EK/EP (C700877)
DRIVE TRAIN, FRONT GEARCASE - R21RRP99CW (702725)
DRIVE TRAIN, FRONT GEARCASE - R21RRS99C9/CK/CP/F9/FP/E9/EK/EP (702658)
DRIVE TRAIN, FRONT GEARCASE MOUNTING - R21RRP99CW (C702556)
DRIVE TRAIN, FRONT GEARCASE MOUNTING - R21RRS99C9/CK/CP/F9/FP/E9/EK/EP (C701148)
DRIVE TRAIN, FRONT HALF SHAFT - R21RRP99CW (C700908)
DRIVE TRAIN, FRONT HALF SHAFT - R21RRS99C9/CK/CP/F9/FP/E9/EK/EP (C730012)
DRIVE TRAIN, FRONT PROP SHAFT - R21RRP99CW (C700020)
DRIVE TRAIN, FRONT PROP SHAFT - R21RRS99C9/CK/CP/F9/FP/E9/EK/EP (C701244)
DRIVE TRAIN, GEAR SELECTOR - R21RRS99C9/CK/CP/F9/FP/PCW/E9/EK/EP (C700041)
DRIVE TRAIN, MAIN GEARCASE INTERNALS - R21RRP99CW (1334429)
DRIVE TRAIN, MAIN GEARCASE INTERNALS - R21RRS99C9/CK/CP/F9/FP/E9/EK/EP (1334647)
DRIVE TRAIN, MAIN GEARCASE MOUNTING - R21RRP99CW (C700879)
DRIVE TRAIN, MAIN GEARCASE MOUNTING - R21RRS99C9/CK/CP/F9/FP/E9/EK/EP (702781)
DRIVE TRAIN, PRIMARY CLUTCH - R21RRP99CW (C700881)
DRIVE TRAIN, PRIMARY CLUTCH - R21RRS99C9/CK/CP/F9/FP/E9/EK/EP (C701170)
DRIVE TRAIN, REAR HALF SHAFT - R21RRP99CW (C700909)
DRIVE TRAIN, REAR HALF SHAFT - R21RRS99C9/CK/CP/F9/FP/E9/EK/EP (702405)
DRIVE TRAIN, REAR PROP SHAFT - R21RRP99CW (C700021)
DRIVE TRAIN, REAR PROP SHAFT - R21RRS99C9/CK/CP/F9/FP/E9/EK/EP (C700235)
DRIVE TRAIN, SECONDARY CLUTCH - R21RRP99CW (C700458)
DRIVE TRAIN, SECONDARY CLUTCH - R21RRS99C9/CK/CP/F9/FP/E9/EK/EP (C701268)
ELECTRICAL COMPONENTS, AND LICENSE PLATE - R21RRS99C9/CK/CP/F9/FP/E9/EK/EP (702512)
ELECTRICAL, BATTERY - R21RRS99C9/CK/CP/F9/FP/PCW/E9/EK/EP (C730048)
ELECTRICAL, DASH INSTUMENTS - R21RRS99C9/CK/CP/F9/FP/PCW/E9/EK/EP (C730192)
ELECTRICAL, HEADLIGHTS AND TAILLIGHTS - R21RRS99C9/CK/CP/F9/FP/PCW/E9/EK/EP (C700074)
ELECTRICAL, WIRE HARNESS - R21RRP99CW (C730054)
ELECTRICAL, WIRE HARNESS - R21RRS99C9/CP/F9/FP/E9/EP (C730045)
ELECTRICAL, WIRE HARNESS - R21RRS99CK/EK (C730055)
ELECTRICAL, WIRE HARNESS COMPONENTS, AND LICENSE PLATE - R21RRS99C9/CK/CP/F9/FP/PCW/E9/EK/EP (C730046)
ENGINE, AIR INTAKE MANIFOLD - R21RRS99C9/CK/CP/F9/FP/PCW/E9/EK/EP (C700047)
ENGINE, AIR INTAKE SYSTEM - R21RRS99C9/CK/CP/F9/FP/PCW/E9/EK/EP (C700055)
ENGINE, CAM CHAIN AND TENSIONER - R21RRS99C9/CK/CP/F9/FP/PCW/E9/EK/EP (C700048)
ENGINE, COOLING SYSTEM - R21RRS99C9/CP/F9/FP/PCW/E9/EK/EP (C701145)
ENGINE, COOLING SYSTEM - R21RRS99CK/EK (C700840)
ENGINE, CRANKCASE AND CRANKSHAFT - R21RRS99C9/CK/CP/F9/FP/PCW/E9/EK/EP (C700038)
ENGINE, CYLINDER AND PISTON - R21RRS99C9/CK/CP/F9/FP/PCW/E9/EK/EP (C700045-1)
ENGINE, CYLINDER HEAD AND VALVES - R21RRS99C9/CK/CP/F9/FP/PCW/E9/EK/EP (C700049)
ENGINE, DIPSTICK AND OIL FILTER - R21RRS99C9/CK/CP/F9/FP/PCW/E9/EK/EP (C700226)
ENGINE, EXHAUST SYSTEM - R21RRS99C9/CK/CP/F9/FP/PCW/E9/EK/EP (C700990)
ENGINE, MOUNTING & LONG BLOCK - R21RRS99C9/CK/CP/F9/FP/PCW/E9/EK/EP (C700042)
ENGINE, OIL PUMP - R21RRS99C9/CK/CP/F9/FP/PCW/E9/EK/EP (C700886)
ENGINE, STARTER - R21RRS99C9/CK/CP/F9/FP/PCW/E9/EK/EP (C700044)
ENGINE, STATOR AND FLYWHEEL - R21RRS99C9/CK/CP/F9/FP/PCW/E9/EK/EP (C700050)
ENGINE, THROTTLE BODY AND VALVE COVER - R21RRS99C9/CK/CP/F9/FP/PCW/E9/EK/EP (C700051)
ENGINE, THROTTLE PEDAL - R21RRS99C9/CK/CP/F9/FP/PCW/E9/EK/EP (C700040)
ENGINE, WATERPUMP AND BYPASS - R21RRS99C9/CK/CP/F9/FP/PCW/E9/EK/EP (C730030)
ENGINE, WATERPUMP ASSEMBLY
OPT, DASH, HEATER ASSEMBLY - R21RRS99CK/EK (C700847)
OPT, DASH, HEATER DUCTING - R21RRS99CK/EK (C700847)
OPT, DASH, HEATER ROUTING - R21RRS99CK/EK (C700847)
REFERENCE, OWNERS MANUAL AND TOOL KIT - R21RRS99C9/CK/CP/F9/FP/PCW (702708)
STEERING, STEERING ASM. - R21RRS99C9/CK/CP/F9/FP/PCW/E9/EK/EP (C700887)
SUSPENSION, FRONT CONTROL ARMS - R21RRP99CW (C700033)
SUSPENSION, FRONT CONTROL ARMS - R21RRS99C9/CK/CP/F9/FP/E9/EK/EP (C700033)
SUSPENSION, FRONT HUB - R21RRP99CW (C700035)
SUSPENSION, FRONT HUB - R21RRS99C9/CK/CP/F9/FP/E9/EK/EP (C700035)
SUSPENSION, FRONT SHOCK MOUNTING - R21RRS99C9/CK/CP/F9/FP/PCW/E9/EK/EP (C701220)
SUSPENSION, FRONT STABILIZER BAR - R21RRS99C9/CK/CP/F9/FP/PCW/E9/EK/EP (C700032)
SUSPENSION, REAR CARRIER - R21RRS99C9/CK/CP/F9/FP/PCW/E9/EK/EP (C700028)
SUSPENSION, REAR CONTROL ARMS - R21RRS99C9/CK/CP/F9/FP/PCW/E9/EK/EP (C700029)
SUSPENSION, REAR SHOCK MOUNTING - R21RRS99C9/CK/CP/F9/FP/PCW/E9/EK/EP (C701220)
SUSPENSION, REAR STABILIZER BAR - R21RRS99C9/CK/CP/F9/FP/PCW/E9/EK/EP (C700027)
WHEELS, FRONT - R21RRS99C9/CK/CP/F9/FP/PCW/E9/EK/EP (C700025)
WHEELS, REAR - R21RRS99C9/CK/CP/F9/FPCW/E9/EK/EP (C700026)
View Cart
VIEW WISH LIST