Polaris
Browse New Models
Shop In-Stock
Can-Am
Browse New Models
Shop In-Stock
Ski-Doo
Browse New Models
Shop In-Stock
Sea-Doo
Browse New Models
Shop In-Stock
Kayo
Browse New Models
Shop In-Stock
Manitou
Browse New Models
Shop In-Stock
Our
Location
Call
Us
Contact
Us
Toggle navigation
Home
Brands
Showroom
Manufacturer Models
OEM Promotions
Polaris Off-Road
Polaris Snowmobiles
Can-Am
Sea-Doo
Ski-Doo
Kayo
Yamaha Marine
Triton Trailers
Manitou
Nitro Trailers
CAM Superline
Durabull Trailers
Trifecta Pontoons
Inventory
All Inventory In Stock
New Inventory In Stock
Pre-Owned Inventory
Value Your Trade-In
Request a Model
Financing
Parts
Parts Department
OEM Parts Finder
Service
Service Department
Request Polaris Service
Warranty & Recall Look-Up
Financing
About
Our Dealership
Our Team
Reviews
Customer Survey
Newsletter Sign-Up
Employment
Events
Location & Hours
Contact
Call Us
Fort Kent, ME
Fiche | Parts Diagrams
2021 Polaris Utility Vehicles
Home
›
Parts
›
OEM Parts Finder
Search by :
Part / Desc
VIN
Please Select
Can-Am
LYNX
Polaris
Sea-Doo
Ski-Doo
Yamaha
*Please enter at least 3 characters
SEARCH
Manufacturer
Polaris
Utility Vehicles
2021
INTL RZR 170 MD (Z21YAV17N2/N4)
View Cart
VIEW WISH LIST
Select a Section
Show/Hide
BODY, DECALS - Z21YAV17N2/N4 (900252)
BODY, HOOD, BUMPERS, PANELS, FLOOR and RACK - Z21YAV17N2/N4 (49RGRMOLDINGS09RZR170)
BODY, SEAT, MOUNTING and BELTS - Z21YAV17N2/N4 (49RGRSEATMTG10RZR170)
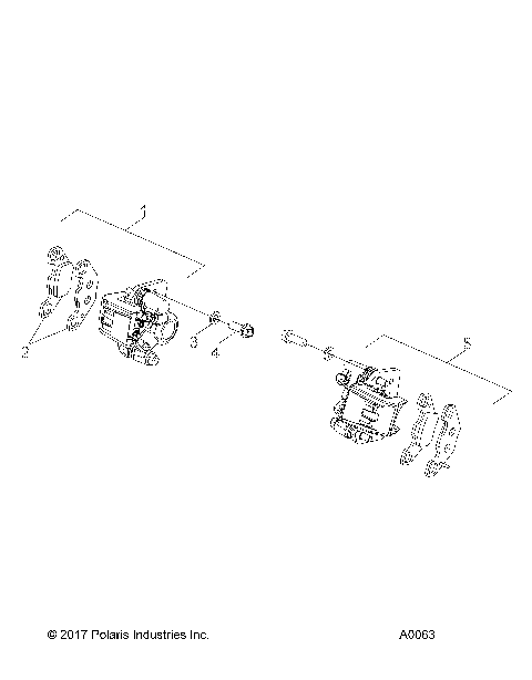
BRAKES, CALIPER, FRONT - Z21YAV17N2/N4 (A00063)
BRAKES, CALIPER, REAR - Z21YAV17N2/N4 (A00064)
BRAKES, FOOT BRAKE - Z21YAV17N2/N4 (49RGRBRAKEFOOT09RZR170)
BRAKES, MASTER CYLINDER and BRAKE LINES - Z21YAV17N2/N4 (49RGRBRAKELINES09RZR170)
BRAKES, PARK LOCK - Z21YAV17N2/N4 (49RGRBRAKEPARK09RZR170)
CHASSIS, CAB FRAME and SIDE NETS - Z21YAV17N2/N4 (49RGRCAB170)
CHASSIS, FRAME - Z21YAV17N2/N4 (49RGRFRAME09RZR170)
CHASSIS, SWING ARM AND REAR AXLE - Z21YAV17N2/N4 (A00018)
DRIVE TRAIN, CLUTCH, PRIMARY - Z21YAV17N2/N4 (49RGRCLUTCHDRV09RZR170)
DRIVE TRAIN, CLUTCH, SECONDARY - Z21YAV17N2/N4 (49RGRCLUTCHDVN09RZR170)
DRIVE TRAIN, DRIVE SHAFT - Z21YAV17N2/N4 (49RGRSHAFTDRV09RZR170)
DRIVE TRAIN, DRUM SHIFT - Z21YAV17N2/N4 (49RGRSHIFT09RZR170)
DRIVE TRAIN, GEAR SELECTOR - Z21YAV17N2/N4 (49RGRGEARSELECT09RZR170)
DRIVE TRAIN, GEAR SHAFT OUTPUT - Z21YAV17N2/N4 (49RGRGEARSHAFT09RZR170)
DRIVE TRAIN, TRANSMISSION - Z21YAV17N2/N4 (49RGRTRANS11RZR170)
ELECTRICAL PARTS - Z21YAV17N2/N4 (A00048)
ENGINE, AIR DUCTS - Z21YAV17N2/N4 (49RGRAIRINTAKE10RZR170)
ENGINE, AIR INTAKE SYSTEM - Z21YAV17N2/N4 (49RGRAIRBOX15RZR170)
ENGINE, COOLING - Z21YAV17N2/N4 (49RGRCOOL10RZR170)
ENGINE, CRANKCASE - Z21YAV17N2/N4 (49RGRCRANKCASE09RZR170)
ENGINE, CRANKCASE COVER, LH - Z21YAV17N2/N4 (49RGRCRANKCVRLH09RZR170)
ENGINE, CRANKCASE COVER, RH - Z21YAV17N2/N4 (49RGRCRANKCVRRH09RZR170)
ENGINE, CRANKSHAFT and PISTON - Z21YAV17N2/N4 (A00036)
ENGINE, CYLINDER - Z21YAV17N2/N4 (49RGRCYLINDERHD09RZR170)
ENGINE, CYLINDER HEAD - Z21YAV17N2/N4 (49RGRCYLINDER15RZR170)
ENGINE, CYLINDER HEAD COVER - Z21YAV17N2/N4 (49RGRCYLINDERHDCVR15RZR170)
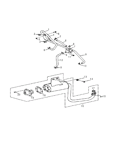
ENGINE, EXHAUST - Z21YAV17N2/N4 (49RGREXHAUST10RZR170)
ENGINE, FUEL INJECTION - Z21YAV17N2/N4 (A00008)
ENGINE, FUEL SYSTEM - Z21YAV17N2/N4 (A00082)
ENGINE, OIL PUMP - Z21YAV17N2/N4 (49RGROILPUMP09RZR170)
ENGINE, STARTING MOTOR - Z21YAV17N2/N4 (49RGRSTARTINGMTR11RZR170)
ENGINE, TENSIONER, CAM CHAIN - Z21YAV17N2/N4 (49RGRTENSIONER09RZR170)
ENGINE, THROTTLE BODY - Z21YAV17N2/N4 (49RGRTHROTTLEBODY15RZR170)
REFERENCES, MANUAL and SETUP INFORMATION - Z21YAV17N2/N4 (49ATVTOOL09SP90)
STEERING, CONTROLS and THROTTLE - Z21YAV17N2/N4 (A00080)
STEERING, POST - Z21YAV17N2/N4 (49RGRSTEERING14RZR170)
STEERING, TIE RODS - Z21YAV17N2/N4 (49RGRTIEROD09RZR170)
SUSPENSION, CONTROL ARM, FRONT - Z21YAV17N2/N4 (49RGRAARM09RZR170)
SUSPENSION, SHOCK, FRONT - Z21YAV17N2/N4 (49RGRSHOCKFRT09RZR170)
SUSPENSION, SHOCK, REAR - Z21YAV17N2/N4 (49RGRSHOCKRR09RZR170)
WHEELS, FRONT - Z21YAV17N2/N4 (49RGRWHEELFRT09RZR170)
WHEELS, REAR - Z21YAV17N2/N4 (49ATVWHEELREAR09RZR170)
BODY, DECALS - Z21YAV17N2/N4 (900252)
BODY, HOOD, BUMPERS, PANELS, FLOOR and RACK - Z21YAV17N2/N4 (49RGRMOLDINGS09RZR170)
BODY, SEAT, MOUNTING and BELTS - Z21YAV17N2/N4 (49RGRSEATMTG10RZR170)
BRAKES, CALIPER, FRONT - Z21YAV17N2/N4 (A00063)
BRAKES, CALIPER, REAR - Z21YAV17N2/N4 (A00064)
BRAKES, FOOT BRAKE - Z21YAV17N2/N4 (49RGRBRAKEFOOT09RZR170)
BRAKES, MASTER CYLINDER and BRAKE LINES - Z21YAV17N2/N4 (49RGRBRAKELINES09RZR170)
BRAKES, PARK LOCK - Z21YAV17N2/N4 (49RGRBRAKEPARK09RZR170)
CHASSIS, CAB FRAME and SIDE NETS - Z21YAV17N2/N4 (49RGRCAB170)
CHASSIS, FRAME - Z21YAV17N2/N4 (49RGRFRAME09RZR170)
CHASSIS, SWING ARM AND REAR AXLE - Z21YAV17N2/N4 (A00018)
DRIVE TRAIN, CLUTCH, PRIMARY - Z21YAV17N2/N4 (49RGRCLUTCHDRV09RZR170)
DRIVE TRAIN, CLUTCH, SECONDARY - Z21YAV17N2/N4 (49RGRCLUTCHDVN09RZR170)
DRIVE TRAIN, DRIVE SHAFT - Z21YAV17N2/N4 (49RGRSHAFTDRV09RZR170)
DRIVE TRAIN, DRUM SHIFT - Z21YAV17N2/N4 (49RGRSHIFT09RZR170)
DRIVE TRAIN, GEAR SELECTOR - Z21YAV17N2/N4 (49RGRGEARSELECT09RZR170)
DRIVE TRAIN, GEAR SHAFT OUTPUT - Z21YAV17N2/N4 (49RGRGEARSHAFT09RZR170)
DRIVE TRAIN, TRANSMISSION - Z21YAV17N2/N4 (49RGRTRANS11RZR170)
ELECTRICAL PARTS - Z21YAV17N2/N4 (A00048)
ENGINE, AIR DUCTS - Z21YAV17N2/N4 (49RGRAIRINTAKE10RZR170)
ENGINE, AIR INTAKE SYSTEM - Z21YAV17N2/N4 (49RGRAIRBOX15RZR170)
ENGINE, COOLING - Z21YAV17N2/N4 (49RGRCOOL10RZR170)
ENGINE, CRANKCASE - Z21YAV17N2/N4 (49RGRCRANKCASE09RZR170)
ENGINE, CRANKCASE COVER, LH - Z21YAV17N2/N4 (49RGRCRANKCVRLH09RZR170)
ENGINE, CRANKCASE COVER, RH - Z21YAV17N2/N4 (49RGRCRANKCVRRH09RZR170)
ENGINE, CRANKSHAFT and PISTON - Z21YAV17N2/N4 (A00036)
ENGINE, CYLINDER - Z21YAV17N2/N4 (49RGRCYLINDERHD09RZR170)
ENGINE, CYLINDER HEAD - Z21YAV17N2/N4 (49RGRCYLINDER15RZR170)
ENGINE, CYLINDER HEAD COVER - Z21YAV17N2/N4 (49RGRCYLINDERHDCVR15RZR170)
ENGINE, EXHAUST - Z21YAV17N2/N4 (49RGREXHAUST10RZR170)
ENGINE, FUEL INJECTION - Z21YAV17N2/N4 (A00008)
ENGINE, FUEL SYSTEM - Z21YAV17N2/N4 (A00082)
ENGINE, OIL PUMP - Z21YAV17N2/N4 (49RGROILPUMP09RZR170)
ENGINE, STARTING MOTOR - Z21YAV17N2/N4 (49RGRSTARTINGMTR11RZR170)
ENGINE, TENSIONER, CAM CHAIN - Z21YAV17N2/N4 (49RGRTENSIONER09RZR170)
ENGINE, THROTTLE BODY - Z21YAV17N2/N4 (49RGRTHROTTLEBODY15RZR170)
REFERENCES, MANUAL and SETUP INFORMATION - Z21YAV17N2/N4 (49ATVTOOL09SP90)
STEERING, CONTROLS and THROTTLE - Z21YAV17N2/N4 (A00080)
STEERING, POST - Z21YAV17N2/N4 (49RGRSTEERING14RZR170)
STEERING, TIE RODS - Z21YAV17N2/N4 (49RGRTIEROD09RZR170)
SUSPENSION, CONTROL ARM, FRONT - Z21YAV17N2/N4 (49RGRAARM09RZR170)
SUSPENSION, SHOCK, FRONT - Z21YAV17N2/N4 (49RGRSHOCKFRT09RZR170)
SUSPENSION, SHOCK, REAR - Z21YAV17N2/N4 (49RGRSHOCKRR09RZR170)
WHEELS, FRONT - Z21YAV17N2/N4 (49RGRWHEELFRT09RZR170)
WHEELS, REAR - Z21YAV17N2/N4 (49ATVWHEELREAR09RZR170)
View Cart
VIEW WISH LIST