Polaris
Browse New Models
Shop In-Stock
Can-Am
Browse New Models
Shop In-Stock
Ski-Doo
Browse New Models
Shop In-Stock
Sea-Doo
Browse New Models
Shop In-Stock
Kayo
Browse New Models
Shop In-Stock
Manitou
Browse New Models
Shop In-Stock
Our
Location
Call
Us
Contact
Us
Toggle navigation
Home
Brands
Showroom
Manufacturer Models
OEM Promotions
Polaris Off-Road
Polaris Snowmobiles
Can-Am
Sea-Doo
Ski-Doo
Kayo
Yamaha Marine
Triton Trailers
Manitou
Nitro Trailers
CAM Superline
Durabull Trailers
Trifecta Pontoons
Inventory
All Inventory In Stock
New Inventory In Stock
Pre-Owned Inventory
Value Your Trade-In
Request a Model
Financing
Parts
Parts Department
OEM Parts Finder
Service
Service Department
Request Polaris Service
Warranty & Recall Look-Up
Financing
About
Our Dealership
Our Team
Reviews
Customer Survey
Newsletter Sign-Up
Employment
Events
Location & Hours
Contact
Call Us
Fort Kent, ME
Fiche | Parts Diagrams
2021 Polaris Utility Vehicles
Home
›
Parts
›
OEM Parts Finder
Search by :
Part / Desc
VIN
Please Select
Can-Am
LYNX
Polaris
Sea-Doo
Ski-Doo
Yamaha
*Please enter at least 3 characters
SEARCH
Manufacturer
Polaris
Utility Vehicles
2021
RANGER 570 (R21MAA57B1/B9/EBX)
View Cart
VIEW WISH LIST
Select a Section
Show/Hide
BODY, BOX ASM. - R21MAA57B1/B9/EBX (700173)
BODY, BOX MOUNTING - R21MAA57B1/B9/EBX (702411)
BODY, BUMPER - R21MAA57B1/B9 (C700210)
BODY, BUMPER - R21MAE57BX (C700211)
BODY, DECALS - R21MAA57B1/B9/EBX (900177)
BODY, FLOOR and FENDERS - R21MAA57B1/B9/EBX (701863)
BODY, FUEL TANK ASM. - R21MAA57B1/B9/EBX (C700348)
BODY, HOOD, DASH and GRILL - R21MAA57B1/B9/EBX (700181)
BODY, SEAT - R21MAA57B1/B9/EBX (700209)
BODY, SIDE NETS - R21MAA57B1/B9/EBX (49RGRNETS15570)
BODY, TAILGATE ASM. - R21MAA57B1/B9/EBX (49RGRTAILGATE12LSV)
BRAKES, BRAKE LINES and MASTER CYLINDER - R21MAA57B1/B9/EBX (702771)
BRAKES, CALIPER, FRONT - R21MAA57B1/B9/EBX (49RGRCALIPER14570)
BRAKES, CALIPER, REAR - R21MAA57B1/B9/EBX (4999204069920406B10)
BRAKES, PEDAL AND MASTER CYLINDER - R21MAA57B1/B9/EBX (702806)
CHASSIS, CAB FRAME - R21MAA57B1/B9/EBX (701822)
CHASSIS, FRAME and FRONT BUMPER - R21MAA57B1/B9/EBX (C700209)
DRIVE TRAIN, CLUTCH COVER and DUCTING - R21MAA57B1/B9/EBX (702108)
DRIVE TRAIN, FRONT DRIVE SHAFT - R21MAA57B1/B9/EBX (701162)
DRIVE TRAIN, FRONT GEARCASE INTERNALS - R21MAA57B1/B9/EBX (702684)
DRIVE TRAIN, FRONT GEARCASE MOUNTING - R21MAA57B1/B9/EBX (701102)
DRIVE TRAIN, FRONT PROP SHAFT - R21MAA57B1/B9/EBX (49RGRSHAFTPROP14570)
DRIVE TRAIN, GEAR SELECTOR - R21MAA57B1/B9/EBX (701931)
DRIVE TRAIN, MAIN GEARCASE - R21MAA57B1/B9/EBX (702644)
DRIVE TRAIN, MAIN GEARCASE MOUNTING - R21MAA57B1/B9/EBX (C700200)
DRIVE TRAIN, PRIMARY CLUTCH - R21MAA57B1/B9/EBX (49RGRCLUTCHDRV12RZR570)
DRIVE TRAIN, REAR DRIVE SHAFT [FROM 10/8/2019] - R21MAA57B1/B9/EBX (701163)
DRIVE TRAIN, SECONDARY CLUTCH - R21MAA57B1/B9/EBX (49RGRCLUTCHDVN14CREW)
ELECTRICAL, BATTERY - R21MAA57B1/B9/EBX (700246)
ELECTRICAL, DASH INSTRUMENTS and CONTROLS - R21MAA57B1/B9/EBX (700957)
ELECTRICAL, HEADLIGHTS, TAILLIGHTS and BULBS - R21MAA57B1/B9/EBX (49RGRTAILLAMPS15570)
ELECTRICAL, IGNITION - R21MAA57B1/B9/EBX (700248)
ELECTRICAL, REGULATOR and RELAY - R21MAA57B1/B9/EBX (49RGRRELAY15570)
ELECTRICAL, SENSORS - R21MAA57B1/B9/EBX (49RGRELECT15570)
ELECTRICAL, WIRE HARNESSES - R21MAA57B1/B9/EBX (700568)
ENGINE, AIR INTAKE SYSTEM - R21MAA57B1/B9/EBX (49RGRAIRBOX15570)
ENGINE, BREATHER - R21MAA57B1/B9/EBX (49RGRBREATHER14570)
ENGINE, CAM CHAIN and SPROCKET - R21MAA57B1/B9/EBX (49RGRCAM12RZR570)
ENGINE, COOLING SYSTEM - R21MAA57B1/B9/EBX (C700013)
ENGINE, CRANKCASE - R21MAA57B1/B9/EBX (701500)
ENGINE, CRANKSHAFT, PISTON and BALANCE SHAFT - R21MAA57B1/B9/EBX (49RGRPISTON12RZR570)
ENGINE, CYLINDER - R21MAA57B1/B9/EBX (49RGRCYLINDER12RZR570)
ENGINE, CYLINDER HEAD, CAMS and VALVES - R21MAA57B1/B9/EBX (49RGRCYLINDERHD14570)
ENGINE, EXHAUST SYSTEM - R21MAA57B1/B9/EBX (701999)
ENGINE, FUEL INJECTOR - R21MAA57B1/B9/EBX (101239)
ENGINE, OIL FILTER and DIPSTICK - R21MAA57B1/B9/EBX (49RGROILFILTER14570)
ENGINE, OIL PUMP - R21MAA57B1/B9/EBX (49RGROILPUMP12RZR570)
ENGINE, STARTER DRIVE - R21MAA57B1/B9/EBX (49RGRSTARTINGMTR15570)
ENGINE, STATOR COVER and FLYWHEEL - R21MAA57B1/B9/EBX (49RGRFLYWHEELCVR12RZR570)
ENGINE, THERMOSTAT and COVER - R21MAA57B1/B9/EBX (49RGRTHERMO12RZR570)
ENGINE, THROTTLE BODY and FUEL RAIL - R21MAA57B1/B9/EBX (700618)
ENGINE, THROTTLE PEDAL - R21MAA57B1/B9/EBX (49RGRTHROTTLEPEDAL15570)
ENGINE, TRANSMISSION MOUNTING & LONG BLOCK - R21MAA57B1/B9/EBX (702772)
ENGINE, VALVE COVER - R21MAA57B1/B9/EBX (49RGRVALVE12RZR570)
ENGINE, WATERPUMP IMPELLER and COVER - R21MAA57B1/B9/EBX (49RGRWATERPUMP12RZR570)
REFERENCES, TOOL KIT and OWNERS MANUALS - R21MAA57B1/B9/EBX (700191)
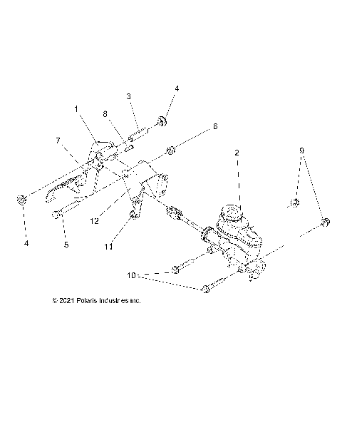
STEERING, STEERING ASM. - R21MAA57B1/B9/EBX (C700005)
SUSPENSION, A-ARM and STRUT MOUNTING - R21MAA57B1/B9/EBX (701830)
SUSPENSION, FRONT STRUT - R21MAA57B1/B9/EBX (701167)
SUSPENSION, REAR - R21MAA57B1/B9/EBX (700958)
SUSPENSION, STABILIZER BAR - R21MAA57B1/B9/EBX (701501)
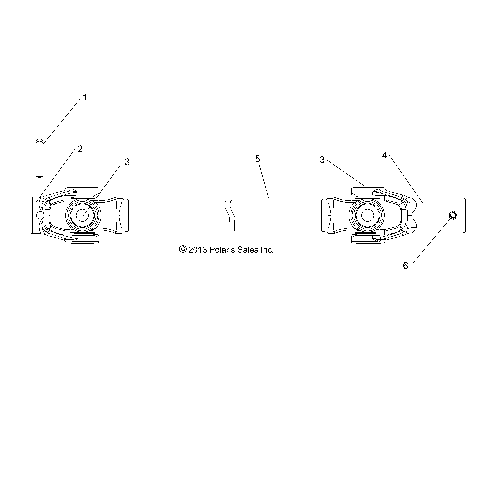
WHEELS, FRONT, PREMIUM - R21MAE57BX (702676)
WHEELS, FRONT, STEEL - R21MAA57B1/B9 (700778)
WHEELS, REAR, PREMIUM - R21MAE57BX (702677)
WHEELS, REAR, STEEL - R21MAA57B1/B9 (700779)
BODY, BOX ASM. - R21MAA57B1/B9/EBX (700173)
BODY, BOX MOUNTING - R21MAA57B1/B9/EBX (702411)
BODY, BUMPER - R21MAA57B1/B9 (C700210)
BODY, BUMPER - R21MAE57BX (C700211)
BODY, DECALS - R21MAA57B1/B9/EBX (900177)
BODY, FLOOR and FENDERS - R21MAA57B1/B9/EBX (701863)
BODY, FUEL TANK ASM. - R21MAA57B1/B9/EBX (C700348)
BODY, HOOD, DASH and GRILL - R21MAA57B1/B9/EBX (700181)
BODY, SEAT - R21MAA57B1/B9/EBX (700209)
BODY, SIDE NETS - R21MAA57B1/B9/EBX (49RGRNETS15570)
BODY, TAILGATE ASM. - R21MAA57B1/B9/EBX (49RGRTAILGATE12LSV)
BRAKES, BRAKE LINES and MASTER CYLINDER - R21MAA57B1/B9/EBX (702771)
BRAKES, CALIPER, FRONT - R21MAA57B1/B9/EBX (49RGRCALIPER14570)
BRAKES, CALIPER, REAR - R21MAA57B1/B9/EBX (4999204069920406B10)
BRAKES, PEDAL AND MASTER CYLINDER - R21MAA57B1/B9/EBX (702806)
CHASSIS, CAB FRAME - R21MAA57B1/B9/EBX (701822)
CHASSIS, FRAME and FRONT BUMPER - R21MAA57B1/B9/EBX (C700209)
DRIVE TRAIN, CLUTCH COVER and DUCTING - R21MAA57B1/B9/EBX (702108)
DRIVE TRAIN, FRONT DRIVE SHAFT - R21MAA57B1/B9/EBX (701162)
DRIVE TRAIN, FRONT GEARCASE INTERNALS - R21MAA57B1/B9/EBX (702684)
DRIVE TRAIN, FRONT GEARCASE MOUNTING - R21MAA57B1/B9/EBX (701102)
DRIVE TRAIN, FRONT PROP SHAFT - R21MAA57B1/B9/EBX (49RGRSHAFTPROP14570)
DRIVE TRAIN, GEAR SELECTOR - R21MAA57B1/B9/EBX (701931)
DRIVE TRAIN, MAIN GEARCASE - R21MAA57B1/B9/EBX (702644)
DRIVE TRAIN, MAIN GEARCASE MOUNTING - R21MAA57B1/B9/EBX (C700200)
DRIVE TRAIN, PRIMARY CLUTCH - R21MAA57B1/B9/EBX (49RGRCLUTCHDRV12RZR570)
DRIVE TRAIN, REAR DRIVE SHAFT [FROM 10/8/2019] - R21MAA57B1/B9/EBX (701163)
DRIVE TRAIN, SECONDARY CLUTCH - R21MAA57B1/B9/EBX (49RGRCLUTCHDVN14CREW)
ELECTRICAL, BATTERY - R21MAA57B1/B9/EBX (700246)
ELECTRICAL, DASH INSTRUMENTS and CONTROLS - R21MAA57B1/B9/EBX (700957)
ELECTRICAL, HEADLIGHTS, TAILLIGHTS and BULBS - R21MAA57B1/B9/EBX (49RGRTAILLAMPS15570)
ELECTRICAL, IGNITION - R21MAA57B1/B9/EBX (700248)
ELECTRICAL, REGULATOR and RELAY - R21MAA57B1/B9/EBX (49RGRRELAY15570)
ELECTRICAL, SENSORS - R21MAA57B1/B9/EBX (49RGRELECT15570)
ELECTRICAL, WIRE HARNESSES - R21MAA57B1/B9/EBX (700568)
ENGINE, AIR INTAKE SYSTEM - R21MAA57B1/B9/EBX (49RGRAIRBOX15570)
ENGINE, BREATHER - R21MAA57B1/B9/EBX (49RGRBREATHER14570)
ENGINE, CAM CHAIN and SPROCKET - R21MAA57B1/B9/EBX (49RGRCAM12RZR570)
ENGINE, COOLING SYSTEM - R21MAA57B1/B9/EBX (C700013)
ENGINE, CRANKCASE - R21MAA57B1/B9/EBX (701500)
ENGINE, CRANKSHAFT, PISTON and BALANCE SHAFT - R21MAA57B1/B9/EBX (49RGRPISTON12RZR570)
ENGINE, CYLINDER - R21MAA57B1/B9/EBX (49RGRCYLINDER12RZR570)
ENGINE, CYLINDER HEAD, CAMS and VALVES - R21MAA57B1/B9/EBX (49RGRCYLINDERHD14570)
ENGINE, EXHAUST SYSTEM - R21MAA57B1/B9/EBX (701999)
ENGINE, FUEL INJECTOR - R21MAA57B1/B9/EBX (101239)
ENGINE, OIL FILTER and DIPSTICK - R21MAA57B1/B9/EBX (49RGROILFILTER14570)
ENGINE, OIL PUMP - R21MAA57B1/B9/EBX (49RGROILPUMP12RZR570)
ENGINE, STARTER DRIVE - R21MAA57B1/B9/EBX (49RGRSTARTINGMTR15570)
ENGINE, STATOR COVER and FLYWHEEL - R21MAA57B1/B9/EBX (49RGRFLYWHEELCVR12RZR570)
ENGINE, THERMOSTAT and COVER - R21MAA57B1/B9/EBX (49RGRTHERMO12RZR570)
ENGINE, THROTTLE BODY and FUEL RAIL - R21MAA57B1/B9/EBX (700618)
ENGINE, THROTTLE PEDAL - R21MAA57B1/B9/EBX (49RGRTHROTTLEPEDAL15570)
ENGINE, TRANSMISSION MOUNTING & LONG BLOCK - R21MAA57B1/B9/EBX (702772)
ENGINE, VALVE COVER - R21MAA57B1/B9/EBX (49RGRVALVE12RZR570)
ENGINE, WATERPUMP IMPELLER and COVER - R21MAA57B1/B9/EBX (49RGRWATERPUMP12RZR570)
REFERENCES, TOOL KIT and OWNERS MANUALS - R21MAA57B1/B9/EBX (700191)
STEERING, STEERING ASM. - R21MAA57B1/B9/EBX (C700005)
SUSPENSION, A-ARM and STRUT MOUNTING - R21MAA57B1/B9/EBX (701830)
SUSPENSION, FRONT STRUT - R21MAA57B1/B9/EBX (701167)
SUSPENSION, REAR - R21MAA57B1/B9/EBX (700958)
SUSPENSION, STABILIZER BAR - R21MAA57B1/B9/EBX (701501)
WHEELS, FRONT, PREMIUM - R21MAE57BX (702676)
WHEELS, FRONT, STEEL - R21MAA57B1/B9 (700778)
WHEELS, REAR, PREMIUM - R21MAE57BX (702677)
WHEELS, REAR, STEEL - R21MAA57B1/B9 (700779)
View Cart
VIEW WISH LIST