Polaris
Browse New Models
Shop In-Stock
Can-Am
Browse New Models
Shop In-Stock
Ski-Doo
Browse New Models
Shop In-Stock
Sea-Doo
Browse New Models
Shop In-Stock
Kayo
Browse New Models
Shop In-Stock
Manitou
Browse New Models
Shop In-Stock
Our
Location
Call
Us
Contact
Us
Toggle navigation
Home
Brands
Showroom
Manufacturer Models
OEM Promotions
Polaris Off-Road
Polaris Snowmobiles
Can-Am
Sea-Doo
Ski-Doo
Kayo
Yamaha Marine
Triton Trailers
Manitou
Nitro Trailers
CAM Superline
Durabull Trailers
Trifecta Pontoons
Inventory
All Inventory In Stock
New Inventory In Stock
Pre-Owned Inventory
Value Your Trade-In
Request a Model
Financing
Parts
Parts Department
OEM Parts Finder
Service
Service Department
Request Polaris Service
Warranty & Recall Look-Up
Financing
About
Our Dealership
Our Team
Reviews
Customer Survey
Newsletter Sign-Up
Employment
Events
Location & Hours
Contact
Call Us
Fort Kent, ME
Fiche | Parts Diagrams
2021 Polaris Utility Vehicles
Home
›
Parts
›
OEM Parts Finder
Search by :
Part / Desc
VIN
Please Select
Can-Am
LYNX
Polaris
Sea-Doo
Ski-Doo
Yamaha
*Please enter at least 3 characters
SEARCH
Manufacturer
Polaris
Utility Vehicles
2021
RANGER XP 1000 HIGH LIFTER (R21RRM99AG)
View Cart
VIEW WISH LIST
Select a Section
Show/Hide
ACCESSORY, FRONT BUMPER - R21RRM99AG (C701239)
BODY, BOX - R21RRM99AG (C700244)
BODY, BOX, MOUNTING - R21RRM99AG (C700719)
BODY, BOX, TAILGATE - R21RRM99AG (C701245)
BODY, DASH - R21RRM99AG (C730910)
BODY, DECALS - R21RRM99AG (900258)
BODY, FLOOR AND ROCKER - R21RRM99AG (C700058)
BODY, FRONT DOORS - R21RRM99AG (C701266)
BODY, FUEL TANK - R21RRM99AG (C700715)
BODY, HOOD AND FRONT FACIA - R21RRM99AG (C700060)
BODY, REAR CLOSEOFF, AND FENDERS - R21RRM99AG (C730058)
BODY, SEAT ASM. AND SLIDER - R21RRM99AG (C700069)
BODY, SEAT BELT AND MOUNTING - R21RRM99AG (C700082)
BRAKES, BRAKE LINES AND MASTER CYLINDER - R21RRM99AG (C730065)
BRAKES, FRONT CALIPER - R21RRM99AG (C700017)
BRAKES, PEDAL - R21RRM99AG (C701242)
BRAKES, REAR CALIPER - R21RRM99AG (C700016)
CHASSIS, CAB FRAME - R21RRM99AG (C0704313)
CHASSIS, MAIN FRAME AND SKID PLATES - R21RRM99AG (C700018)
DRIVE TRAIN, CLUTCH COVER AND DUCTING - R21RRM99AG (C700966)
DRIVE TRAIN, FRONT GEARCASE - (FROM 05/04/20230 R21RRM99AG (701794)
DRIVE TRAIN, FRONT GEARCASE - (TO 05/04/2020) R21RRM99AG (701794)
DRIVE TRAIN, FRONT GEARCASE MOUNTING - R21RRM99AG (C701243)
DRIVE TRAIN, FRONT HALF SHAFT - R21RRM99AG (C730012)
DRIVE TRAIN, FRONT PROP SHAFT - R21RRM99AG (C730064)
DRIVE TRAIN, GEAR SELECTOR - R21RRM99AG (C700714)
DRIVE TRAIN, MAIN GEARCASE INTERNALS - R21RRM99AG (702471)
DRIVE TRAIN, MAIN GEARCASE MOUNTING - R21RRM99AG (C700694)
DRIVE TRAIN, PRIMARY CLUTCH - R21RRM99AG (C700371)
DRIVE TRAIN, REAR HALF SHAFT - R21RRM99AG (702405)
DRIVE TRAIN, REAR PROP SHAFT - R21RRM99AG (C700235)
DRIVE TRAIN, SECONDARY CLUTCH - R21RRM99AG (C701169)
ELECTRICAL, BATTERY - R21RRM99AG (C700253)
ELECTRICAL, DASH INSTUMENTS - R21RRM99AG (C701250)
ELECTRICAL, HEADLIGHTS AND TAILLIGHTS - R21RRM99AG (C700717)
ELECTRICAL, WIRE HARNESS - R21RRM99AG (C730063)
ENGINE, AIR INTAKE MANIFOLD - R21RRM99AG (C700047)
ENGINE, AIR INTAKE SYSTEM - R21RRM99AG (C700258)
ENGINE, CAM CHAIN AND TENSIONER - R21RRM99AG (C700048)
ENGINE, COOLING SYSTEM - R21RRM99AG (C701248)
ENGINE, CRANKCASE AND CRANKSHAFT - R21RRM99AG (C700038)
ENGINE, CYLINDER AND PISTON - R21RRM99AG (C700349)
ENGINE, CYLINDER HEAD AND VALVES - R21RRM99AG (C700049)
ENGINE, DIPSTICK AND OIL FILTER - R21RRM99AG (C700226)
ENGINE, EXHAUST SYSTEM - R21RRM99AG (C700127)
ENGINE, MOUNTING & LONG BLOCK - R21RRM99AG (C700042)
ENGINE, OIL PUMP - R21RRM99AG (C700046)
ENGINE, STARTER - R21RRM99AG (C700044)
ENGINE, STATOR AND FLYWHEEL - R21RRM99AG (C700050)
ENGINE, THROTTLE BODY AND VALVE COVER - R21RRM99AG (C701254)
ENGINE, THROTTLE PEDAL - R21RRM99AG (C700040)
ENGINE, WATERPUMP AND BYPASS - R21RRM99AG (C730030)
ENGINE, WATERPUMP ASSEMBLY
MIRROR - R21RRM99AG (C700124-2)
REFERENCE, OWNERS MANUAL AND TOOL KIT - R21RRM99AG (702790)
STEERING, STEERING ASM. - R21RRM99AG (C700625)
SUSPENSION, FRONT CONTROL ARMS - R21RRM99AG (C700257)
SUSPENSION, FRONT HUB - R21RRM99AG (C700035)
SUSPENSION, FRONT SHOCK MOUNTING - R21RRM99AG (C701218)
SUSPENSION, FRONT STABILIZER BAR - R21RRM99AG (C700032)
SUSPENSION, REAR CARRIER - R21RRM99AG (C700028)
SUSPENSION, REAR CONTROL ARMS - R21RRM99AG (C700917)
SUSPENSION, REAR SHOCK MOUNTING - R21RRM99AG (C701220)
SUSPENSION, REAR STABILIZER BAR - R21RRM99AG (C701194)
WHEELS, FRONT - R21RRM99AG (C701249)
WHEELS, REAR - R21RRM99AG (C701249)
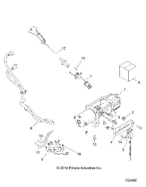
WINCH - R21RRM99AG (702465)
ACCESSORY, FRONT BUMPER - R21RRM99AG (C701239)
BODY, BOX - R21RRM99AG (C700244)
BODY, BOX, MOUNTING - R21RRM99AG (C700719)
BODY, BOX, TAILGATE - R21RRM99AG (C701245)
BODY, DASH - R21RRM99AG (C730910)
BODY, DECALS - R21RRM99AG (900258)
BODY, FLOOR AND ROCKER - R21RRM99AG (C700058)
BODY, FRONT DOORS - R21RRM99AG (C701266)
BODY, FUEL TANK - R21RRM99AG (C700715)
BODY, HOOD AND FRONT FACIA - R21RRM99AG (C700060)
BODY, REAR CLOSEOFF, AND FENDERS - R21RRM99AG (C730058)
BODY, SEAT ASM. AND SLIDER - R21RRM99AG (C700069)
BODY, SEAT BELT AND MOUNTING - R21RRM99AG (C700082)
BRAKES, BRAKE LINES AND MASTER CYLINDER - R21RRM99AG (C730065)
BRAKES, FRONT CALIPER - R21RRM99AG (C700017)
BRAKES, PEDAL - R21RRM99AG (C701242)
BRAKES, REAR CALIPER - R21RRM99AG (C700016)
CHASSIS, CAB FRAME - R21RRM99AG (C0704313)
CHASSIS, MAIN FRAME AND SKID PLATES - R21RRM99AG (C700018)
DRIVE TRAIN, CLUTCH COVER AND DUCTING - R21RRM99AG (C700966)
DRIVE TRAIN, FRONT GEARCASE - (FROM 05/04/20230 R21RRM99AG (701794)
DRIVE TRAIN, FRONT GEARCASE - (TO 05/04/2020) R21RRM99AG (701794)
DRIVE TRAIN, FRONT GEARCASE MOUNTING - R21RRM99AG (C701243)
DRIVE TRAIN, FRONT HALF SHAFT - R21RRM99AG (C730012)
DRIVE TRAIN, FRONT PROP SHAFT - R21RRM99AG (C730064)
DRIVE TRAIN, GEAR SELECTOR - R21RRM99AG (C700714)
DRIVE TRAIN, MAIN GEARCASE INTERNALS - R21RRM99AG (702471)
DRIVE TRAIN, MAIN GEARCASE MOUNTING - R21RRM99AG (C700694)
DRIVE TRAIN, PRIMARY CLUTCH - R21RRM99AG (C700371)
DRIVE TRAIN, REAR HALF SHAFT - R21RRM99AG (702405)
DRIVE TRAIN, REAR PROP SHAFT - R21RRM99AG (C700235)
DRIVE TRAIN, SECONDARY CLUTCH - R21RRM99AG (C701169)
ELECTRICAL, BATTERY - R21RRM99AG (C700253)
ELECTRICAL, DASH INSTUMENTS - R21RRM99AG (C701250)
ELECTRICAL, HEADLIGHTS AND TAILLIGHTS - R21RRM99AG (C700717)
ELECTRICAL, WIRE HARNESS - R21RRM99AG (C730063)
ENGINE, AIR INTAKE MANIFOLD - R21RRM99AG (C700047)
ENGINE, AIR INTAKE SYSTEM - R21RRM99AG (C700258)
ENGINE, CAM CHAIN AND TENSIONER - R21RRM99AG (C700048)
ENGINE, COOLING SYSTEM - R21RRM99AG (C701248)
ENGINE, CRANKCASE AND CRANKSHAFT - R21RRM99AG (C700038)
ENGINE, CYLINDER AND PISTON - R21RRM99AG (C700349)
ENGINE, CYLINDER HEAD AND VALVES - R21RRM99AG (C700049)
ENGINE, DIPSTICK AND OIL FILTER - R21RRM99AG (C700226)
ENGINE, EXHAUST SYSTEM - R21RRM99AG (C700127)
ENGINE, MOUNTING & LONG BLOCK - R21RRM99AG (C700042)
ENGINE, OIL PUMP - R21RRM99AG (C700046)
ENGINE, STARTER - R21RRM99AG (C700044)
ENGINE, STATOR AND FLYWHEEL - R21RRM99AG (C700050)
ENGINE, THROTTLE BODY AND VALVE COVER - R21RRM99AG (C701254)
ENGINE, THROTTLE PEDAL - R21RRM99AG (C700040)
ENGINE, WATERPUMP AND BYPASS - R21RRM99AG (C730030)
ENGINE, WATERPUMP ASSEMBLY
MIRROR - R21RRM99AG (C700124-2)
REFERENCE, OWNERS MANUAL AND TOOL KIT - R21RRM99AG (702790)
STEERING, STEERING ASM. - R21RRM99AG (C700625)
SUSPENSION, FRONT CONTROL ARMS - R21RRM99AG (C700257)
SUSPENSION, FRONT HUB - R21RRM99AG (C700035)
SUSPENSION, FRONT SHOCK MOUNTING - R21RRM99AG (C701218)
SUSPENSION, FRONT STABILIZER BAR - R21RRM99AG (C700032)
SUSPENSION, REAR CARRIER - R21RRM99AG (C700028)
SUSPENSION, REAR CONTROL ARMS - R21RRM99AG (C700917)
SUSPENSION, REAR SHOCK MOUNTING - R21RRM99AG (C701220)
SUSPENSION, REAR STABILIZER BAR - R21RRM99AG (C701194)
WHEELS, FRONT - R21RRM99AG (C701249)
WHEELS, REAR - R21RRM99AG (C701249)
WINCH - R21RRM99AG (702465)
View Cart
VIEW WISH LIST