Polaris
Browse New Models
Shop In-Stock
Can-Am
Browse New Models
Shop In-Stock
Ski-Doo
Browse New Models
Shop In-Stock
Sea-Doo
Browse New Models
Shop In-Stock
Kayo
Browse New Models
Shop In-Stock
Manitou
Browse New Models
Shop In-Stock
Our
Location
Call
Us
Contact
Us
Toggle navigation
Home
Brands
Showroom
Manufacturer Models
OEM Promotions
Polaris Off-Road
Polaris Snowmobiles
Can-Am
Sea-Doo
Ski-Doo
Kayo
Yamaha Marine
Triton Trailers
Manitou
Nitro Trailers
CAM Superline
Durabull Trailers
Trifecta Pontoons
Inventory
All Inventory In Stock
New Inventory In Stock
Pre-Owned Inventory
Value Your Trade-In
Request a Model
Financing
Parts
Parts Department
OEM Parts Finder
Service
Service Department
Request Polaris Service
Warranty & Recall Look-Up
Financing
About
Our Dealership
Our Team
Reviews
Customer Survey
Newsletter Sign-Up
Employment
Events
Location & Hours
Contact
Call Us
Fort Kent, ME
Fiche | Parts Diagrams
2025 Polaris Utility Vehicles
Home
›
Parts
›
OEM Parts Finder
Search by :
Part / Desc
VIN
Please Select
Can-Am
LYNX
Polaris
Sea-Doo
Ski-Doo
Yamaha
*Please enter at least 3 characters
SEARCH
Manufacturer
Polaris
Utility Vehicles
2025
INTL RANGER DIESEL HD EPS DLX EU/TRACTOR/AU (R25RRED4FA/DA/SD4CA/CK)
View Cart
VIEW WISH LIST
Select a Section
Show/Hide
BODY, BOX - R25RRED4FA/DA/SD4CA/CK (C731131)
BODY, BOX, MOUNTING - R25RRED4FA/DA/SD4CA/CK (C733174)
BODY, BOX, TAILGATE - R25RRED4FA/DA/SD4CA/CK (C730805)
BODY, DASH - R25RRED4FA/DA/SD4CA/CK (733343)
BODY, DECALS GENERAL - R25RRED4FA/DA/SD4CA/CK (900342)
BODY, DECALS GRAPHICS - R25RRED4FA/DA/SD4CA/CK (900915-01)
BODY, FLOOR AND ROCKER - R25RRED4FA/DA/SD4CA/CK (C731132)
BODY, FRONT BUMPER - R25RRED4FA/DA/SD4CA/CK (C733195)
BODY, HEATER ASSEMBLY - R25RRSD4CK (C7045490)
BODY, HEATER DUCTING - R25RRSD4CK (C1244822)
BODY, HOOD AND FRONT FASCIA - R25RRED4FA/DA/SD4CA/CK (C733196)
BODY, MIRRORS - R25RRED4FA/DA/SD4CA/CK (C2889243)
BODY, MUD COVERS REAR - R25RRED4FA/DA/SD4CA/CK (C700516)
BODY, NETS - R25RRED4FA/DA/SD4CA/CK (C733254)
BODY, REAR CLOSEOFF, AND FENDERS - R25RRED4FA/DA (C730058-01)
BODY, REAR CLOSEOFF, AND FENDERS - R25RRSD4CA/CK (C733462)
BODY, REAR STORAGE BOX - R25RRSD4CK (C731190)
BODY, SEAT ASM. - R25RRED4FA/D4DA (C731172)
BODY, SEAT ASM. AND SLIDER - R25RRSD4CA/SD4CK (C730803)
BODY, SEAT BELT AND MOUNTING - R25RRED4FA/DA/SD4CA/CK (C731173)
BRAKES, BRAKE LINES AND MASTER CYLINDER - R25RRED4FA/D4DA (C730797)
BRAKES, BRAKE LINES AND MASTER CYLINDER TR - R25RRSD4CA/D4CK (C730802)
BRAKES, FRONT CALIPER - R25RRED4FA/DA/SD4CA/CK (C730831)
BRAKES, PARK BRAKE - R25RRED4FA/DA/SD4CA/CK (C731137)
BRAKES, PEDAL - R25RRED4FA/DA/SD4CA/CK (C730806)
BRAKES, REAR CALIPER - R25RRED4FA/DA/SD4CA/CK (C730375)
CHASSIS, CAB FRAME - R25RRED4FA/DA/SD4CA/CK (C0706486)
CHASSIS, EDGE COVER, TR - R25RRSD4CA/CK (C731146)
CHASSIS, HITCH - R25RRSD4CA/CK (701645)
CHASSIS, MAIN FRAME AND SKID PLATES - R25RRED4FA/DA/SD4CA/CK (C700923)
DRIVE TRAIN, CLUTCH COVER AND DUCTING - R25RRED4FA/DA/SD4CA/CK (C731174)
DRIVE TRAIN, FRONT GEARCASE - R25RRED4FA/DA/SD4CA/CK (1336963)
DRIVE TRAIN, FRONT GEARCASE MOUNTING - R25RRED4FA/DA/SD4CA/CK (C730196-1)
DRIVE TRAIN, FRONT HALF SHAFT - R25RRED4FA/DA/SD4CA/CK (C730012)
DRIVE TRAIN, FRONT PROP SHAFT - R25RRED4FA/DA/SD4CA/CK (C731221)
DRIVE TRAIN, GEAR SELECTOR AND THROTTLE CABLE - R25RRED4FA/DA/SD4CA/CK (C731163)
DRIVE TRAIN, MAIN GEARCASE INTERNALS - R25RRED4FA/DA/SD4CA/CK (1334429)
DRIVE TRAIN, MAIN GEARCASE MOUNTING - R25RRED4FA/DA/SD4CA/CK (C701280)
DRIVE TRAIN, PRIMARY CLUTCH - R25RRED4FA/DA/SD4CA/CK (C731175)
DRIVE TRAIN, REAR HALF SHAFT - R25RRED4FA/DA/SD4CA/CK (702405)
DRIVE TRAIN, REAR PROP SHAFT - R25RRED4FA/DA/SD4CA/CK (C730807)
DRIVE TRAIN, SECONDARY CLUTCH - R25RRED4FA/DA/SD4CA/CK (C731176)
ELECTRICAL, BATTERY - R25RRED4FA/DA/SD4CA/CK (C731177)
ELECTRICAL, DASH INSTRUMENTS - R25RRED4FA/DA (C733349)
ELECTRICAL, DASH INSTRUMENTS - R25RRSD4CA/CK (C730800)
ELECTRICAL, HEADLIGHTS AND TAILLIGHTS - R25RRED4FA/DA/SD4CA/CK (C733347)
ELECTRICAL, WIRE HARNESS - R25RRED4FA/DA/SD4CA/CK (C7045512)
ELECTRICAL, WIRE HARNESS COMPONENTS, AND LICENSE PLATE - R25RRED4FA/DA/SD4CA/CK (C0705605-2)
ELECTRICAL, WIRE HARNESS, BOX - R25RRED4FA/DA/SD4CA/CK (C0705605-4)
ENGINE, ADAPTER, BELLHOUSING AND CRANK SENSOR - R25RRED4FA/DA/SD4CA/CK (C700413)
ENGINE, AIR INTAKE SYSTEM - R25RRED4FA/DA/SD4CA/CK (C731171)
ENGINE, CAMSHAFT AND IDLE GEAR SHAFT - R25RRED4FA/DA/SD4CA/CK (702601)
ENGINE, COOLING SYSTEM - R25RRED4FA/DA/SD4CA (C730808)
ENGINE, COOLING SYSTEM - R25RRSD4CK (C0705584)
ENGINE, CRANKCASE - R25RRED4FA/DA/SD4CA/CK (702591)
ENGINE, CYLINDER HEAD - R25RRED4FA/DA/SD4CA/CK (702594)
ENGINE, DIPSTICK - R25RRED4FA/DA/SD4CA/CK (C700412)
ENGINE, ENGINE, ALTERNATOR, FAN AND BELT - R25RRED4FA/DA/SD4CA/CK (C700414)
ENGINE, EXHAUST MANIFOLD - R25RRED4FA/DA/SD4CA/CK (702614)
ENGINE, EXHAUST SYSTEM - R25RRED4FA/DA/SD4CA/CK (C731167)
ENGINE, FLYWHEEL - R25RRED4FA/DA/SD4CA/CK (702603)
ENGINE, FORK LEVER - R25RRED4FA/DA/SD4CA/CK (702611)
ENGINE, FUEL CAMSHAFT AND GOVERNOR SHAFT - R25RRED4FA/DA/SD4CA/CK (702604)
ENGINE, GEAR CASE - R25RRED4FA/DA/SD4CA/CK (702595)
ENGINE, HEAD COVER - R25RRED4FA/DA/SD4CA/CK (702596)
ENGINE, IDLE APPARATUS - R25RRED4FA/DA/SD4CA/CK (702605)
ENGINE, INJECTION PUMP - R25RRED4FA/DA/SD4CA/CK (702607)
ENGINE, INLET MANIFOLD - R25RRED4FA/DA/SD4CA/CK (702616)
ENGINE, MAIN BEARING CASE - R25RRED4FA/DA/SD4CA/CK (702600)
ENGINE, MOUNTING & LONG BLOCK - R25RRED4FA/DA/SD4CA/CK (C730038)
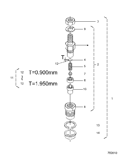
ENGINE, NOZZLE HOLDER (COMPONENT PARTS) - R25RRED4FA/DA/SD4CA/CK (702610)
ENGINE, NOZZLE HOLDER AND GLOW PLUG - R25RRED4FA/DA/SD4CA/CK (702609)
ENGINE, OIL FILTER - R25RRED4FA/DA/SD4CA/CK (702597)
ENGINE, OIL PUMP - R25RRED4FA/DA/SD4CA/CK (702599)
ENGINE, OIL SWITCH - R25RRED4FA/DA/SD4CA/CK (702619)
ENGINE, PAN, OIL - R25RRED4FA/DA/SD4CA/CK (702592)
ENGINE, PISTON AND CRANKSHAFT - R25RRED4FA/DA/SD4CA/CK (702602)
ENGINE, REAR GEARCASE COVER - R25RRED4FA/DA/SD4CA/CK (702612)
ENGINE, SPEED CONTROL PLATE - R25RRED4FA/DA/SD4CA/CK (702608)
ENGINE, STARTER - R25RRED4FA/DA/SD4CA/CK (C700513)
ENGINE, STOP SOLENOID - R25RRED4FA/DA/SD4CA/CK (702606)
ENGINE, UPPER GASKET KIT [OPTION] - R25RRED4FA/DA/SD4CA/CK (702622)
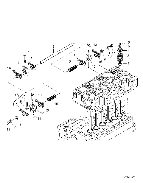
ENGINE, VALVE AND ROCKER ARM - R25RRED4FA/DA/SD4CA/CK (702623)
ENGINE, WATER FLANGE AND THERMOSTAT - R25RRED4FA/DA/SD4CA/CK (702624)
ENGINE, WATER PIPE - R25RRED4FA/DA/SD4CA/CK (702625)
ENGINE, WATER PUMP - R25RRED4FA/DA/SD4CA/CK (702626)
ENGINE, WATER PUMP PULLEY - R25RRED4FA/DA/SD4CA/CK (702615)
FUEL SYSTEM, FILTER AND LINES - R25RRED4FA/DA/SD4CA/CK (C700400)
FUEL SYSTEM, TANK - R25RRED4FA/DA/SD4CA/CK (C730037)
REFERENCE, OWNERS MANUAL AND TOOL KIT - R25RRED4FA/DA/SD4CA/CK (760040)
STEERING, STEERING ASM. - R25RRED4FA/DA/SD4CA/CK (C700680)
STEERING, STEERING GEARBOX - R25RRED4FA/DA/SD4CA/CK (C731186)
SUSPENSION, FRONT CONTROL ARMS - R25RRED4FA/DA/SD4CA/CK (C731080)
SUSPENSION, FRONT HUB - R25RRED4FA/DA/SD4CA/CK (C700035)
SUSPENSION, FRONT SHOCK MOUNTING - R25RRED4FA/DA/SD4CA/CK (C701218-01)
SUSPENSION, FRONT STABILIZER BAR - R25RRED4FA/DA/SD4CA/CK (C700032-1)
SUSPENSION, REAR CARRIER - R25RRED4FA/DA/SD4CA/CK (C700028)
SUSPENSION, REAR CONTROL ARMS - R25RRED4FA/DA/SD4CA/CK (C730798)
SUSPENSION, REAR SHOCK MOUNTING - R25RRED4FA/DA/SD4CA/CK (C701220-01)
SUSPENSION, REAR STABILIZER BAR - R25RRED4FA/DA/SD4CA/CK (C700027)
WHEELS, FRONT - R25RRED4FA/DA/SD4CA/CK (C730840-2)
WHEELS, REAR - R25RRED4FA/DA/SD4CA/CK (C730840-2)
BODY, BOX - R25RRED4FA/DA/SD4CA/CK (C731131)
BODY, BOX, MOUNTING - R25RRED4FA/DA/SD4CA/CK (C733174)
BODY, BOX, TAILGATE - R25RRED4FA/DA/SD4CA/CK (C730805)
BODY, DASH - R25RRED4FA/DA/SD4CA/CK (733343)
BODY, DECALS GENERAL - R25RRED4FA/DA/SD4CA/CK (900342)
BODY, DECALS GRAPHICS - R25RRED4FA/DA/SD4CA/CK (900915-01)
BODY, FLOOR AND ROCKER - R25RRED4FA/DA/SD4CA/CK (C731132)
BODY, FRONT BUMPER - R25RRED4FA/DA/SD4CA/CK (C733195)
BODY, HEATER ASSEMBLY - R25RRSD4CK (C7045490)
BODY, HEATER DUCTING - R25RRSD4CK (C1244822)
BODY, HOOD AND FRONT FASCIA - R25RRED4FA/DA/SD4CA/CK (C733196)
BODY, MIRRORS - R25RRED4FA/DA/SD4CA/CK (C2889243)
BODY, MUD COVERS REAR - R25RRED4FA/DA/SD4CA/CK (C700516)
BODY, NETS - R25RRED4FA/DA/SD4CA/CK (C733254)
BODY, REAR CLOSEOFF, AND FENDERS - R25RRED4FA/DA (C730058-01)
BODY, REAR CLOSEOFF, AND FENDERS - R25RRSD4CA/CK (C733462)
BODY, REAR STORAGE BOX - R25RRSD4CK (C731190)
BODY, SEAT ASM. - R25RRED4FA/D4DA (C731172)
BODY, SEAT ASM. AND SLIDER - R25RRSD4CA/SD4CK (C730803)
BODY, SEAT BELT AND MOUNTING - R25RRED4FA/DA/SD4CA/CK (C731173)
BRAKES, BRAKE LINES AND MASTER CYLINDER - R25RRED4FA/D4DA (C730797)
BRAKES, BRAKE LINES AND MASTER CYLINDER TR - R25RRSD4CA/D4CK (C730802)
BRAKES, FRONT CALIPER - R25RRED4FA/DA/SD4CA/CK (C730831)
BRAKES, PARK BRAKE - R25RRED4FA/DA/SD4CA/CK (C731137)
BRAKES, PEDAL - R25RRED4FA/DA/SD4CA/CK (C730806)
BRAKES, REAR CALIPER - R25RRED4FA/DA/SD4CA/CK (C730375)
CHASSIS, CAB FRAME - R25RRED4FA/DA/SD4CA/CK (C0706486)
CHASSIS, EDGE COVER, TR - R25RRSD4CA/CK (C731146)
CHASSIS, HITCH - R25RRSD4CA/CK (701645)
CHASSIS, MAIN FRAME AND SKID PLATES - R25RRED4FA/DA/SD4CA/CK (C700923)
DRIVE TRAIN, CLUTCH COVER AND DUCTING - R25RRED4FA/DA/SD4CA/CK (C731174)
DRIVE TRAIN, FRONT GEARCASE - R25RRED4FA/DA/SD4CA/CK (1336963)
DRIVE TRAIN, FRONT GEARCASE MOUNTING - R25RRED4FA/DA/SD4CA/CK (C730196-1)
DRIVE TRAIN, FRONT HALF SHAFT - R25RRED4FA/DA/SD4CA/CK (C730012)
DRIVE TRAIN, FRONT PROP SHAFT - R25RRED4FA/DA/SD4CA/CK (C731221)
DRIVE TRAIN, GEAR SELECTOR AND THROTTLE CABLE - R25RRED4FA/DA/SD4CA/CK (C731163)
DRIVE TRAIN, MAIN GEARCASE INTERNALS - R25RRED4FA/DA/SD4CA/CK (1334429)
DRIVE TRAIN, MAIN GEARCASE MOUNTING - R25RRED4FA/DA/SD4CA/CK (C701280)
DRIVE TRAIN, PRIMARY CLUTCH - R25RRED4FA/DA/SD4CA/CK (C731175)
DRIVE TRAIN, REAR HALF SHAFT - R25RRED4FA/DA/SD4CA/CK (702405)
DRIVE TRAIN, REAR PROP SHAFT - R25RRED4FA/DA/SD4CA/CK (C730807)
DRIVE TRAIN, SECONDARY CLUTCH - R25RRED4FA/DA/SD4CA/CK (C731176)
ELECTRICAL, BATTERY - R25RRED4FA/DA/SD4CA/CK (C731177)
ELECTRICAL, DASH INSTRUMENTS - R25RRED4FA/DA (C733349)
ELECTRICAL, DASH INSTRUMENTS - R25RRSD4CA/CK (C730800)
ELECTRICAL, HEADLIGHTS AND TAILLIGHTS - R25RRED4FA/DA/SD4CA/CK (C733347)
ELECTRICAL, WIRE HARNESS - R25RRED4FA/DA/SD4CA/CK (C7045512)
ELECTRICAL, WIRE HARNESS COMPONENTS, AND LICENSE PLATE - R25RRED4FA/DA/SD4CA/CK (C0705605-2)
ELECTRICAL, WIRE HARNESS, BOX - R25RRED4FA/DA/SD4CA/CK (C0705605-4)
ENGINE, ADAPTER, BELLHOUSING AND CRANK SENSOR - R25RRED4FA/DA/SD4CA/CK (C700413)
ENGINE, AIR INTAKE SYSTEM - R25RRED4FA/DA/SD4CA/CK (C731171)
ENGINE, CAMSHAFT AND IDLE GEAR SHAFT - R25RRED4FA/DA/SD4CA/CK (702601)
ENGINE, COOLING SYSTEM - R25RRED4FA/DA/SD4CA (C730808)
ENGINE, COOLING SYSTEM - R25RRSD4CK (C0705584)
ENGINE, CRANKCASE - R25RRED4FA/DA/SD4CA/CK (702591)
ENGINE, CYLINDER HEAD - R25RRED4FA/DA/SD4CA/CK (702594)
ENGINE, DIPSTICK - R25RRED4FA/DA/SD4CA/CK (C700412)
ENGINE, ENGINE, ALTERNATOR, FAN AND BELT - R25RRED4FA/DA/SD4CA/CK (C700414)
ENGINE, EXHAUST MANIFOLD - R25RRED4FA/DA/SD4CA/CK (702614)
ENGINE, EXHAUST SYSTEM - R25RRED4FA/DA/SD4CA/CK (C731167)
ENGINE, FLYWHEEL - R25RRED4FA/DA/SD4CA/CK (702603)
ENGINE, FORK LEVER - R25RRED4FA/DA/SD4CA/CK (702611)
ENGINE, FUEL CAMSHAFT AND GOVERNOR SHAFT - R25RRED4FA/DA/SD4CA/CK (702604)
ENGINE, GEAR CASE - R25RRED4FA/DA/SD4CA/CK (702595)
ENGINE, HEAD COVER - R25RRED4FA/DA/SD4CA/CK (702596)
ENGINE, IDLE APPARATUS - R25RRED4FA/DA/SD4CA/CK (702605)
ENGINE, INJECTION PUMP - R25RRED4FA/DA/SD4CA/CK (702607)
ENGINE, INLET MANIFOLD - R25RRED4FA/DA/SD4CA/CK (702616)
ENGINE, MAIN BEARING CASE - R25RRED4FA/DA/SD4CA/CK (702600)
ENGINE, MOUNTING & LONG BLOCK - R25RRED4FA/DA/SD4CA/CK (C730038)
ENGINE, NOZZLE HOLDER (COMPONENT PARTS) - R25RRED4FA/DA/SD4CA/CK (702610)
ENGINE, NOZZLE HOLDER AND GLOW PLUG - R25RRED4FA/DA/SD4CA/CK (702609)
ENGINE, OIL FILTER - R25RRED4FA/DA/SD4CA/CK (702597)
ENGINE, OIL PUMP - R25RRED4FA/DA/SD4CA/CK (702599)
ENGINE, OIL SWITCH - R25RRED4FA/DA/SD4CA/CK (702619)
ENGINE, PAN, OIL - R25RRED4FA/DA/SD4CA/CK (702592)
ENGINE, PISTON AND CRANKSHAFT - R25RRED4FA/DA/SD4CA/CK (702602)
ENGINE, REAR GEARCASE COVER - R25RRED4FA/DA/SD4CA/CK (702612)
ENGINE, SPEED CONTROL PLATE - R25RRED4FA/DA/SD4CA/CK (702608)
ENGINE, STARTER - R25RRED4FA/DA/SD4CA/CK (C700513)
ENGINE, STOP SOLENOID - R25RRED4FA/DA/SD4CA/CK (702606)
ENGINE, UPPER GASKET KIT [OPTION] - R25RRED4FA/DA/SD4CA/CK (702622)
ENGINE, VALVE AND ROCKER ARM - R25RRED4FA/DA/SD4CA/CK (702623)
ENGINE, WATER FLANGE AND THERMOSTAT - R25RRED4FA/DA/SD4CA/CK (702624)
ENGINE, WATER PIPE - R25RRED4FA/DA/SD4CA/CK (702625)
ENGINE, WATER PUMP - R25RRED4FA/DA/SD4CA/CK (702626)
ENGINE, WATER PUMP PULLEY - R25RRED4FA/DA/SD4CA/CK (702615)
FUEL SYSTEM, FILTER AND LINES - R25RRED4FA/DA/SD4CA/CK (C700400)
FUEL SYSTEM, TANK - R25RRED4FA/DA/SD4CA/CK (C730037)
REFERENCE, OWNERS MANUAL AND TOOL KIT - R25RRED4FA/DA/SD4CA/CK (760040)
STEERING, STEERING ASM. - R25RRED4FA/DA/SD4CA/CK (C700680)
STEERING, STEERING GEARBOX - R25RRED4FA/DA/SD4CA/CK (C731186)
SUSPENSION, FRONT CONTROL ARMS - R25RRED4FA/DA/SD4CA/CK (C731080)
SUSPENSION, FRONT HUB - R25RRED4FA/DA/SD4CA/CK (C700035)
SUSPENSION, FRONT SHOCK MOUNTING - R25RRED4FA/DA/SD4CA/CK (C701218-01)
SUSPENSION, FRONT STABILIZER BAR - R25RRED4FA/DA/SD4CA/CK (C700032-1)
SUSPENSION, REAR CARRIER - R25RRED4FA/DA/SD4CA/CK (C700028)
SUSPENSION, REAR CONTROL ARMS - R25RRED4FA/DA/SD4CA/CK (C730798)
SUSPENSION, REAR SHOCK MOUNTING - R25RRED4FA/DA/SD4CA/CK (C701220-01)
SUSPENSION, REAR STABILIZER BAR - R25RRED4FA/DA/SD4CA/CK (C700027)
WHEELS, FRONT - R25RRED4FA/DA/SD4CA/CK (C730840-2)
WHEELS, REAR - R25RRED4FA/DA/SD4CA/CK (C730840-2)
View Cart
VIEW WISH LIST