Polaris
Browse New Models
Shop In-Stock
Can-Am
Browse New Models
Shop In-Stock
Ski-Doo
Browse New Models
Shop In-Stock
Sea-Doo
Browse New Models
Shop In-Stock
Kayo
Browse New Models
Shop In-Stock
Manitou
Browse New Models
Shop In-Stock
Our
Location
Call
Us
Contact
Us
Toggle navigation
Home
Brands
Showroom
Manufacturer Models
OEM Promotions
Polaris Off-Road
Polaris Snowmobiles
Can-Am
Sea-Doo
Ski-Doo
Kayo
Yamaha Marine
Triton Trailers
Manitou
Nitro Trailers
CAM Superline
Durabull Trailers
Trifecta Pontoons
Inventory
All Inventory In Stock
New Inventory In Stock
Pre-Owned Inventory
Value Your Trade-In
Request a Model
Financing
Parts
Parts Department
OEM Parts Finder
Service
Service Department
Request Polaris Service
Warranty & Recall Look-Up
Financing
About
Our Dealership
Our Team
Reviews
Customer Survey
Newsletter Sign-Up
Employment
Events
Location & Hours
Contact
Call Us
Fort Kent, ME
Fiche | Parts Diagrams
2025 Polaris Utility Vehicles
Home
›
Parts
›
OEM Parts Finder
Search by :
Part / Desc
VIN
Please Select
Can-Am
LYNX
Polaris
Sea-Doo
Ski-Doo
Yamaha
*Please enter at least 3 characters
SEARCH
Manufacturer
Polaris
Utility Vehicles
2025
INTL RZR TRAIL S 1000 EPS EU5 3PC (Z25ASE99P5)
View Cart
VIEW WISH LIST
Select a Section
Show/Hide
BODY, DASH AND GLOVEBOX - Z25ASE99P5 (C750276)
BODY, DECALS - Z25ASE99P5 (901097-01)
BODY, DECALS, AND COMPONENTS 3PC - Z25ASE99P5 (900638-01)
BODY, DOORS - Z25ASE99P5 (C0705812)
BODY, FLOOR and ROCKER PANELS - Z25ASE99P5 (C703134)
BODY, FRONT BUMPER - Z25ASE99P5 (C750289)
BODY, GRAB BAR, PASSENGER - Z25ASE99P5 (C750290)
BODY, HOOD AND FRONT BODY WORK - Z25ASE99P5 (C750285)
BODY, MIRRORS - Z25ASE99P5 (C701097)
BODY, REAR RACK AND FENDERS - Z25ASE99P5 (C750281)
BODY, SEAT ASM. AND SLIDER - Z25ASE99P5 (C0703655)
BODY, SEAT BASE - Z25ASE99P5 (C750292)
BODY, SEAT BELT AND MOUNTING - Z25ASE99P5 (C750295)
BRAKES, BRAKE LINES AND MASTER CYLINDER - Z25ASE99P5 (C703185)
BRAKES, FRONT CALIPER - Z25ASE99P5 (C750299)
BRAKES, PARKING - Z25ASE99P5 (C750306)
BRAKES, PEDAL - Z25ASE99P5 (C75307)
BRAKES, REAR CALIPER - Z25ASE99P5 (C750408)
CHASSIS, CAB FRAME - Z25ASE99P5 (C750309)
CHASSIS, HITCH - Z25ASE99P5 (C703374-2)
CHASSIS, MAIN FRAME AND SKID PLATE - Z25ASE99P5 (C750310)
CHASSIS, MAIN FRAME MOUNTS - Z25ASE99P5 (C750311)
DRIVE TRAIN, CLUTCH COVER AND DUCTING - Z25ASE99P5 (C750312)
DRIVE TRAIN, FRONT GEARCASE - Z25ASE99P5 (701246)
DRIVE TRAIN, FRONT GEARCASE MOUNTING - Z25ASE99P5 (C750314)
DRIVE TRAIN, FRONT HALF SHAFT - Z25ASE99P5 (701876)
DRIVE TRAIN, FRONT PROP SHAFT - Z25ASE99P5 (C750315)
DRIVE TRAIN, GEAR SELECTOR - Z25ASE99P5 (C750316)
DRIVE TRAIN, MAIN GEARCASE INTERNALS - Z25ASE99P5 (702744)
DRIVE TRAIN, MAIN GEARCASE MOUNTING - Z25ASE99P5 (C750319)
DRIVE TRAIN, PRIMARY CLUTCH - Z25ASE99P5 (C750320)
DRIVE TRAIN, REAR HALF SHAFT - Z25ASE99P5 (701873)
DRIVE TRAIN, SECONDARY CLUTCH - Z25ASE99P5 (701737)
ELECTRICAL, ACCESSORY COMPONENTS - Z25ASE99P5 (C703138)
ELECTRICAL, BATTERY AND RELATED - Z25ASE99P5 (C0704994-7)
ELECTRICAL, DASH INSTRUMENTS AND CONTROLS - Z25ASE99P5 (C0704994-8)
ELECTRICAL, ECU, REG, ETC. - Z25ASE99P5 (C750323)
ELECTRICAL, HEADLIGHTS AND TAILLIGHTS - Z25ASE99P5 (C0704994-9)
ELECTRICAL, WIRE HARNESS - Z25ASE99P5 (C750324)
ENGINE, AIR INTAKE SYSTEM - Z25ASE99P5 (C750321)
ENGINE, BREATHER - Z25ASE99P5 (C7503229)
ENGINE, CAM CHAIN AND TENSIONER - Z25ASE99P5 (C750325)
ENGINE, COOLING SYSTEM - Z25ASE99P5 (C750326)
ENGINE, CRANKCASE AND CRANKSHAFT - Z25ASE99P5 (C750329)
ENGINE, CYLINDER AND PISTON - Z25ASE99P5 (C750330)
ENGINE, CYLINDER HEAD AND VALVES - Z25ASE99P5 (C701058-7)
ENGINE, CYLINDER HEAD AND VALVES - Z25ASE99P5 (C701058-8)
ENGINE, EXHAUST SYSTEM - Z25ASE99P5 (C700300)
ENGINE, INTAKE and THROTTLE BODY - Z25ASE99P5 (C750333)
ENGINE, MOUNTING & LONG BLOCK - Z25ASE99P5 (C701070-7)
ENGINE, OIL DIPSTICK - Z25ASE99P5 (C750334)
ENGINE, OIL PUMP and OIL COOLER - Z25ASE99P5 (C701083-9)
ENGINE, STARTER and DRIVE - Z25ASE99P5 (C750336)
ENGINE, STATOR and COVER - Z25ASE99P5 (C701083-10)
ENGINE, THROTTLE PEDAL - Z25ASE99P5 (C701027-4)
ENGINE, VALVE COVER, SPARKPLUGS AND WIRES - Z25ASE99P5 (C701083-11)
ENGINE, WATERPUMP AND BYPASS - Z25ASE99P5 (C701083-12)
ENGINE, WATERPUMP ASSEMBLY - Z25ASE99P5 (C750337)
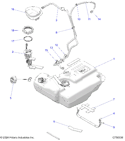
FUEL SYSTEM, FUEL TANK - Z25ASE99P5 (C750338)
REFERENCE, OWNERS MANUAL AND TOOL KIT - Z25ASE99P5 (C0701147)
STEERING, GEAR BOX - Z25ASE99P5 (C750441)
STEERING,STEERING ASSEMBLY, EPS - Z25ASE99P5 (C750442)
SUSPENSION, FRONT CARRIER - Z25ASE99P5 (C701011-8)
SUSPENSION, FRONT CONTROL ARMS - Z25ASE99P5 (C701011-3)
SUSPENSION, FRONT SHOCK INTERNALS - Z25ASE99P5 (702442)
SUSPENSION, FRONT SHOCK MOUNTING - Z25ASE99P5 (C701081-2)
SUSPENSION, FRONT, STABILIZER BAR - Z25ASE99P5 (C701011-9)
SUSPENSION, REAR CARRIER - Z25ASE99P5 (C701010-4)
SUSPENSION, REAR CONTROL ARMS - Z25ASE99P5 (C701010-7)
SUSPENSION, REAR SHOCK INTERNALS - Z25ASE99P5 (701846)
SUSPENSION, REAR SHOCK MOUNTING - Z25ASE99P5 (C750444)
SUSPENSION, REAR, STABILIZER BAR - Z25ASE99P5 (C750447)
WHEELS, FRONT - Z25ASE99P5 (C750446)
WHEELS, REAR - Z25ASE99P5 (C750445)
BODY, DASH AND GLOVEBOX - Z25ASE99P5 (C750276)
BODY, DECALS - Z25ASE99P5 (901097-01)
BODY, DECALS, AND COMPONENTS 3PC - Z25ASE99P5 (900638-01)
BODY, DOORS - Z25ASE99P5 (C0705812)
BODY, FLOOR and ROCKER PANELS - Z25ASE99P5 (C703134)
BODY, FRONT BUMPER - Z25ASE99P5 (C750289)
BODY, GRAB BAR, PASSENGER - Z25ASE99P5 (C750290)
BODY, HOOD AND FRONT BODY WORK - Z25ASE99P5 (C750285)
BODY, MIRRORS - Z25ASE99P5 (C701097)
BODY, REAR RACK AND FENDERS - Z25ASE99P5 (C750281)
BODY, SEAT ASM. AND SLIDER - Z25ASE99P5 (C0703655)
BODY, SEAT BASE - Z25ASE99P5 (C750292)
BODY, SEAT BELT AND MOUNTING - Z25ASE99P5 (C750295)
BRAKES, BRAKE LINES AND MASTER CYLINDER - Z25ASE99P5 (C703185)
BRAKES, FRONT CALIPER - Z25ASE99P5 (C750299)
BRAKES, PARKING - Z25ASE99P5 (C750306)
BRAKES, PEDAL - Z25ASE99P5 (C75307)
BRAKES, REAR CALIPER - Z25ASE99P5 (C750408)
CHASSIS, CAB FRAME - Z25ASE99P5 (C750309)
CHASSIS, HITCH - Z25ASE99P5 (C703374-2)
CHASSIS, MAIN FRAME AND SKID PLATE - Z25ASE99P5 (C750310)
CHASSIS, MAIN FRAME MOUNTS - Z25ASE99P5 (C750311)
DRIVE TRAIN, CLUTCH COVER AND DUCTING - Z25ASE99P5 (C750312)
DRIVE TRAIN, FRONT GEARCASE - Z25ASE99P5 (701246)
DRIVE TRAIN, FRONT GEARCASE MOUNTING - Z25ASE99P5 (C750314)
DRIVE TRAIN, FRONT HALF SHAFT - Z25ASE99P5 (701876)
DRIVE TRAIN, FRONT PROP SHAFT - Z25ASE99P5 (C750315)
DRIVE TRAIN, GEAR SELECTOR - Z25ASE99P5 (C750316)
DRIVE TRAIN, MAIN GEARCASE INTERNALS - Z25ASE99P5 (702744)
DRIVE TRAIN, MAIN GEARCASE MOUNTING - Z25ASE99P5 (C750319)
DRIVE TRAIN, PRIMARY CLUTCH - Z25ASE99P5 (C750320)
DRIVE TRAIN, REAR HALF SHAFT - Z25ASE99P5 (701873)
DRIVE TRAIN, SECONDARY CLUTCH - Z25ASE99P5 (701737)
ELECTRICAL, ACCESSORY COMPONENTS - Z25ASE99P5 (C703138)
ELECTRICAL, BATTERY AND RELATED - Z25ASE99P5 (C0704994-7)
ELECTRICAL, DASH INSTRUMENTS AND CONTROLS - Z25ASE99P5 (C0704994-8)
ELECTRICAL, ECU, REG, ETC. - Z25ASE99P5 (C750323)
ELECTRICAL, HEADLIGHTS AND TAILLIGHTS - Z25ASE99P5 (C0704994-9)
ELECTRICAL, WIRE HARNESS - Z25ASE99P5 (C750324)
ENGINE, AIR INTAKE SYSTEM - Z25ASE99P5 (C750321)
ENGINE, BREATHER - Z25ASE99P5 (C7503229)
ENGINE, CAM CHAIN AND TENSIONER - Z25ASE99P5 (C750325)
ENGINE, COOLING SYSTEM - Z25ASE99P5 (C750326)
ENGINE, CRANKCASE AND CRANKSHAFT - Z25ASE99P5 (C750329)
ENGINE, CYLINDER AND PISTON - Z25ASE99P5 (C750330)
ENGINE, CYLINDER HEAD AND VALVES - Z25ASE99P5 (C701058-7)
ENGINE, CYLINDER HEAD AND VALVES - Z25ASE99P5 (C701058-8)
ENGINE, EXHAUST SYSTEM - Z25ASE99P5 (C700300)
ENGINE, INTAKE and THROTTLE BODY - Z25ASE99P5 (C750333)
ENGINE, MOUNTING & LONG BLOCK - Z25ASE99P5 (C701070-7)
ENGINE, OIL DIPSTICK - Z25ASE99P5 (C750334)
ENGINE, OIL PUMP and OIL COOLER - Z25ASE99P5 (C701083-9)
ENGINE, STARTER and DRIVE - Z25ASE99P5 (C750336)
ENGINE, STATOR and COVER - Z25ASE99P5 (C701083-10)
ENGINE, THROTTLE PEDAL - Z25ASE99P5 (C701027-4)
ENGINE, VALVE COVER, SPARKPLUGS AND WIRES - Z25ASE99P5 (C701083-11)
ENGINE, WATERPUMP AND BYPASS - Z25ASE99P5 (C701083-12)
ENGINE, WATERPUMP ASSEMBLY - Z25ASE99P5 (C750337)
FUEL SYSTEM, FUEL TANK - Z25ASE99P5 (C750338)
REFERENCE, OWNERS MANUAL AND TOOL KIT - Z25ASE99P5 (C0701147)
STEERING, GEAR BOX - Z25ASE99P5 (C750441)
STEERING,STEERING ASSEMBLY, EPS - Z25ASE99P5 (C750442)
SUSPENSION, FRONT CARRIER - Z25ASE99P5 (C701011-8)
SUSPENSION, FRONT CONTROL ARMS - Z25ASE99P5 (C701011-3)
SUSPENSION, FRONT SHOCK INTERNALS - Z25ASE99P5 (702442)
SUSPENSION, FRONT SHOCK MOUNTING - Z25ASE99P5 (C701081-2)
SUSPENSION, FRONT, STABILIZER BAR - Z25ASE99P5 (C701011-9)
SUSPENSION, REAR CARRIER - Z25ASE99P5 (C701010-4)
SUSPENSION, REAR CONTROL ARMS - Z25ASE99P5 (C701010-7)
SUSPENSION, REAR SHOCK INTERNALS - Z25ASE99P5 (701846)
SUSPENSION, REAR SHOCK MOUNTING - Z25ASE99P5 (C750444)
SUSPENSION, REAR, STABILIZER BAR - Z25ASE99P5 (C750447)
WHEELS, FRONT - Z25ASE99P5 (C750446)
WHEELS, REAR - Z25ASE99P5 (C750445)
View Cart
VIEW WISH LIST