Polaris
Browse New Models
Shop In-Stock
Can-Am
Browse New Models
Shop In-Stock
Ski-Doo
Browse New Models
Shop In-Stock
Sea-Doo
Browse New Models
Shop In-Stock
Kayo
Browse New Models
Shop In-Stock
Manitou
Browse New Models
Shop In-Stock
Our
Location
Call
Us
Contact
Us
Toggle navigation
Home
Brands
Showroom
Manufacturer Models
OEM Promotions
Polaris Off-Road
Polaris Snowmobiles
Can-Am
Sea-Doo
Ski-Doo
Kayo
Yamaha Marine
Triton Trailers
Manitou
Nitro Trailers
CAM Superline
Durabull Trailers
Trifecta Pontoons
Inventory
All Inventory In Stock
New Inventory In Stock
Pre-Owned Inventory
Value Your Trade-In
Request a Model
Financing
Parts
Parts Department
OEM Parts Finder
Service
Service Department
Request Polaris Service
Warranty & Recall Look-Up
Financing
About
Our Dealership
Our Team
Reviews
Customer Survey
Newsletter Sign-Up
Employment
Events
Location & Hours
Contact
Call Us
Fort Kent, ME
Fiche | Parts Diagrams
2025 Polaris Utility Vehicles
Home
›
Parts
›
OEM Parts Finder
Search by :
Part / Desc
VIN
Please Select
Can-Am
LYNX
Polaris
Sea-Doo
Ski-Doo
Yamaha
*Please enter at least 3 characters
SEARCH
Manufacturer
Polaris
Utility Vehicles
2025
RZR PRO R FACTORY ARMORED LE ULTIMATE (Z25RPP2KAE/BE)
View Cart
VIEW WISH LIST
Select a Section
Show/Hide
*SERVICE AND MAINTENANCE PARTS LIST* - Z25RPP2KAE/BE (RZR PRO R MAINTENANCE PAGE )
ACCESSORY, BUMPERS AND ROCKERS - Z25RPP2KAE/BE (C750799)
BODY, CARGO BOX - Z25RPP2KAE/BE (C750604)
BODY, CENTER CONSOLE - Z25RPP2KAE/BE (C750235)
BODY, DASH LOWER - Z25RPP2KAE/BE (C750170)
BODY, DASH, UPPER - Z25RPP2KAE/BE (C750837)
BODY, DECALS - Z25RPP2KAE/BE (900955)
BODY, DOORS - Z25RPP2KAE/BE (C750609)
BODY, FLOOR PANELS, FRONT - Z25RPP2KAE/BE (C750172)
BODY, FLOOR PANELS, UNDERSEAT - Z25RPP2KAE/BE (C750238)
BODY, FRONT BUMPER - Z25RPP2KAE/BE (C750565)
BODY, FRONT FENDERS & HOOD - Z25RPP2KAE/BE (C750606)
BODY, FRONT FLARES AND DUCTING - Z25RPP2KAE/BE (C750177)
BODY, GRAB BAR, PASSENGER - Z25RPP2KAE/BE (C750082)
BODY, REAR BUMPER - Z25RPP2KAE/BE (C750175)
BODY, REAR CLOSEOFF, CENTER PANELS - Z25RPP2KAE/BE (C750237)
BODY, REAR FENDERS - Z25RPP2KAE/BE (C750179)
BODY, ROCKERS - Z25RPP2KAE/BE (C750239)
BODY, SEAT ASM. - Z25RPP2KAE/BE (C750818)
BODY, SEAT BELT MOUNTING, FRONT, 2 POINT - Z25RPP2KAE/BE (C750228)
BODY, SEAT MOUNTING, DRIVER - Z25RPP2KAE/BE (C750227)
BODY, SEAT MOUNTING, PASSENGER - Z25RPP2KAE/BE (C750226)
BRAKES, BRAKE LINES AND MASTER CYLINDER - Z25RPP2KAE/BE (C750220)
BRAKES, CALIPER MOUNTING AND ROTORS - Z25RPP2KAE/BE (C703263)
BRAKES, CALIPER, FRONT - Z25RPP2KAE/BE (C750608)
BRAKES, CALIPER, REAR - Z25RPP2KAE/BE (C750607)
BRAKES, PEDAL - Z25RPP2KAE/BE (C750217)
CHASSIS, BOX MOUNTING - Z25RPP2KAE/BE (C750080)
CHASSIS, CAB FRAME - Z25RPP2KAE/BE (C750224)
CHASSIS, ENGINE AND REAR DRIVELINE MOUNTING - Z25RPP2KAE/BE (C750077)
CHASSIS, FRONT GEARCASE AND BUMPER MOUNTING - Z25RPP2KAE/BE (C750612)
CHASSIS, MAIN FRAME AND SKID PLATES - Z25RPP2KAE/BE (C750213)
CHASSIS, MOUNTING AND BRACKETS - Z25RPP2KAE/BE (C750214)
DRIVE TRAIN, CLUTCH COVER DUCTING - Z25RPP2KAE/BE (C750823)
DRIVE TRAIN, CLUTCH COVER, INNER/OUTER - Z25RPP2KAE/BE (C750090)
DRIVE TRAIN, GEAR SELECTOR - Z25RPP2KAE/BE (C750140)
DRIVE TRAIN, GEARCASE, FRONT, INTERNALS - Z25RPP2KAE/BE (1337229)
DRIVE TRAIN, GEARCASE, FRONT, VENTING - Z25RPP2KAE/BE (C750112)
DRIVE TRAIN, GEARCASE, MAIN - Z25RPP2KAE/BE (1337203)
DRIVE TRAIN, GEARCASE, MAIN, MOUNTING - Z25RPP2KAE/BE (C750111)
DRIVE TRAIN, GEARCASE, REAR - Z25RPP2KAE/BE (1336923)
DRIVE TRAIN, GEARCASE, REAR, MOUNTING - Z25RPP2KAE/BE (C750113)
DRIVE TRAIN, HALF SHAFT, FRONT - Z25RPP2KAE/BE (703030)
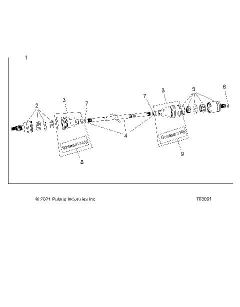
DRIVE TRAIN, HALF SHAFT, REAR - Z25RPP2KAE/BE (703031)
DRIVE TRAIN, PRIMARY CLUTCH - Z25RPP2KAE/BE (C750109)
DRIVE TRAIN, PROP SHAFT,FRONT - Z25RPP2KAE/BE (C703247)
DRIVE TRAIN, PROP SHAFT,REAR - Z25RPP2KAE/BE (C750114)
DRIVE TRAIN, SECONDARY CLUTCH/BELT - Z25RPP2KAE/BE 750117)
ELECTRICAL, AUDIO, FRONT - Z25RPP2KAE/BE (C750845)
ELECTRICAL, AUDIO, REAR - Z25RPP2KAE/BE (C750828)
ELECTRICAL, BATTERY AND RELATED - Z25RPP2KAE/BE (C750514)
ELECTRICAL, DASH INSTRUMENTS, CONTROLS, & LIGHTING - Z25RPP2KAE/BE (C750190)
ELECTRICAL, DASH INSTRUMENTS, CONTROLS, & LIGHTING - Z25RPP2KAE/BE (C750866)
ELECTRICAL, ECU - Z25RPP2KAE/BE (C750188)
ELECTRICAL, HEADLIGHTS AND TAILLIGHTS - Z25RPP2KAE/BE (C750180)
ELECTRICAL, RIDE COMMAND - Z25RPP2KAE/BE (C750192)
ELECTRICAL, WIRE HARNESS, CHASSIS - Z25RPP2KAE/BE (C750231)
ELECTRICAL, WIRE HARNESS, ENGINE - Z25RPP2KAE/BE (C750187)
ELECTRICAL, WIRE HARNESS, PERIPHERAL - Z25RPP2KAE/BE (C750199)
ENGINE, AIR INTAKE SYSTEM - Z25RPP2KAE/BE (C750143)
ENGINE, ALTERNATOR - Z25RPP2KAE/BE (C703270)
ENGINE, COILS & SPARK PLUGS - Z25RPP2KAE/BE (C750200)
ENGINE, COOLING - Z25RPP2KAE/BE (C750222)
ENGINE, COOLING MOUNTING - Z25RPP2KAE/BE (C750223)
ENGINE, COOLING, SURGE TANK & HOSES - Z25RPP2KAE/BE (C750146)
ENGINE, CRANKSHAFT AND BEARINGS - Z25RPP2KAE/BE (C750094)
ENGINE, CYLINDER BLOCK - Z25RPP2KAE/BE (C703395)
ENGINE, CYLINDER HEAD - Z25RPP2KAE/BE (C1209107-1)
ENGINE, EXHAUST SYSTEM - Z25RPP2KAE/BE (C750075)
ENGINE, FRONT COVER AND RELATED - Z25RPP2KAE/BE (C750201)
ENGINE, INTAKE MANIFOLD, FUEL RAIL AND RELATED - Z25RPP2KAE/BE (C750202)
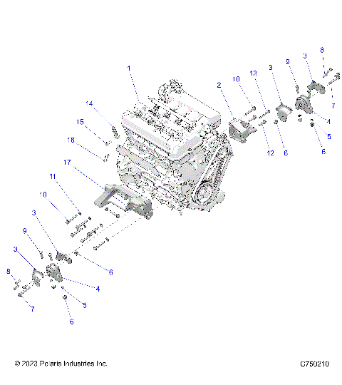
ENGINE, MOUNTING & LONG BLOCK - Z25RPP2KAE/BE (C750210)
ENGINE, OIL FILTER, OIL COOLER AND RELATED - Z25RPP2KAE/BE (C750203)
ENGINE, OIL PAN, MOUNTING AND RELATED - Z25RPP2KAE/BE (C750204)
ENGINE, OIL PUMP AND RELATED - Z25RPP2KAE/BE (C750205)
ENGINE, PISTON AND ROD - Z25RPP2KAE/BE (C750206)
ENGINE, SHIELDS - Z25RPP2KAE/BE (C750207)
ENGINE, STARTER, FLYWHEEL AND RELATED - Z25RPP2KAE/BE (C750208)
ENGINE, THROTTLE PEDAL - Z25RPP2KAE/BE (C750081)
ENGINE, TIMING AND OIL CHAIN DRIVES - Z25RPP2KAE/BE (C750209)
ENGINE, VALVE COVER - Z25RPP2KAE/BE (C750211)
ENGINE, VALVES - Z25RPP2KAE/BE (C7502121)
ENGINE, WATERPUMP AND RELATED - Z25RPP2KAE/BE (C703157-1)
FUEL SYSTEM, EVAP - Z25RPP2KAE/BE (C750230)
FUEL SYSTEM, STD. - Z25RPP2KAE/BE (C750229)
REFERENCE, OWNERS MANUAL AND TOOL KIT - Z25RPP2KAE/BE (C750244)
STEERING, GEAR BOX W/EPS AND RELATED - Z25RPP2KAE/BE (C750130)
STEERING, LINKAGE & TILT - Z25RPP2KAE/BE (C750131)
STEERING, WHEEL - Z25RPP2KAE/BE (C750132)
SUSPENSION, FRONT CARRIER AND HUB - Z25RPP2KAE/BE (C750138)
SUSPENSION, FRONT CONTROL ARM UPPER - Z25RPP2KAE/BE (C0703838)
SUSPENSION, FRONT CONTROL ARMS LOWER - Z25RPP2KAE/BE (C0703838-1)
SUSPENSION, FRONT CONTROL ARMS MOUNTING - Z25RPP2KAE/BE (C750133)
SUSPENSION, FRONT SHOCK MOUNTING - Z25RPP2KAE/BE (C750135)
SUSPENSION, FRONT STABILIZER BAR - Z25RPP2KAE/BE (C750136)
SUSPENSION, REAR CARRIER AND HUB - Z25RPP2KAE/BE (C750129)
SUSPENSION, REAR SHOCK & MOUNTING - Z25RPP2KAE/BE (C750128)
SUSPENSION, REAR STABILIZER BAR - Z25RPP2KAE/BE (C750127)
SUSPENSION, REAR TRAILING ARMS - Z25RPP2KAE/BE (C750121)
SUSPENSION, REAR TRAILING ARMS MOUNTING - Z25RPP2KAE/BE (C750119)
WHEELS, FRONT/REAR - Z25RPP2KAE/BE (C750797)
*SERVICE AND MAINTENANCE PARTS LIST* - Z25RPP2KAE/BE (RZR PRO R MAINTENANCE PAGE )
ACCESSORY, BUMPERS AND ROCKERS - Z25RPP2KAE/BE (C750799)
BODY, CARGO BOX - Z25RPP2KAE/BE (C750604)
BODY, CENTER CONSOLE - Z25RPP2KAE/BE (C750235)
BODY, DASH LOWER - Z25RPP2KAE/BE (C750170)
BODY, DASH, UPPER - Z25RPP2KAE/BE (C750837)
BODY, DECALS - Z25RPP2KAE/BE (900955)
BODY, DOORS - Z25RPP2KAE/BE (C750609)
BODY, FLOOR PANELS, FRONT - Z25RPP2KAE/BE (C750172)
BODY, FLOOR PANELS, UNDERSEAT - Z25RPP2KAE/BE (C750238)
BODY, FRONT BUMPER - Z25RPP2KAE/BE (C750565)
BODY, FRONT FENDERS & HOOD - Z25RPP2KAE/BE (C750606)
BODY, FRONT FLARES AND DUCTING - Z25RPP2KAE/BE (C750177)
BODY, GRAB BAR, PASSENGER - Z25RPP2KAE/BE (C750082)
BODY, REAR BUMPER - Z25RPP2KAE/BE (C750175)
BODY, REAR CLOSEOFF, CENTER PANELS - Z25RPP2KAE/BE (C750237)
BODY, REAR FENDERS - Z25RPP2KAE/BE (C750179)
BODY, ROCKERS - Z25RPP2KAE/BE (C750239)
BODY, SEAT ASM. - Z25RPP2KAE/BE (C750818)
BODY, SEAT BELT MOUNTING, FRONT, 2 POINT - Z25RPP2KAE/BE (C750228)
BODY, SEAT MOUNTING, DRIVER - Z25RPP2KAE/BE (C750227)
BODY, SEAT MOUNTING, PASSENGER - Z25RPP2KAE/BE (C750226)
BRAKES, BRAKE LINES AND MASTER CYLINDER - Z25RPP2KAE/BE (C750220)
BRAKES, CALIPER MOUNTING AND ROTORS - Z25RPP2KAE/BE (C703263)
BRAKES, CALIPER, FRONT - Z25RPP2KAE/BE (C750608)
BRAKES, CALIPER, REAR - Z25RPP2KAE/BE (C750607)
BRAKES, PEDAL - Z25RPP2KAE/BE (C750217)
CHASSIS, BOX MOUNTING - Z25RPP2KAE/BE (C750080)
CHASSIS, CAB FRAME - Z25RPP2KAE/BE (C750224)
CHASSIS, ENGINE AND REAR DRIVELINE MOUNTING - Z25RPP2KAE/BE (C750077)
CHASSIS, FRONT GEARCASE AND BUMPER MOUNTING - Z25RPP2KAE/BE (C750612)
CHASSIS, MAIN FRAME AND SKID PLATES - Z25RPP2KAE/BE (C750213)
CHASSIS, MOUNTING AND BRACKETS - Z25RPP2KAE/BE (C750214)
DRIVE TRAIN, CLUTCH COVER DUCTING - Z25RPP2KAE/BE (C750823)
DRIVE TRAIN, CLUTCH COVER, INNER/OUTER - Z25RPP2KAE/BE (C750090)
DRIVE TRAIN, GEAR SELECTOR - Z25RPP2KAE/BE (C750140)
DRIVE TRAIN, GEARCASE, FRONT, INTERNALS - Z25RPP2KAE/BE (1337229)
DRIVE TRAIN, GEARCASE, FRONT, VENTING - Z25RPP2KAE/BE (C750112)
DRIVE TRAIN, GEARCASE, MAIN - Z25RPP2KAE/BE (1337203)
DRIVE TRAIN, GEARCASE, MAIN, MOUNTING - Z25RPP2KAE/BE (C750111)
DRIVE TRAIN, GEARCASE, REAR - Z25RPP2KAE/BE (1336923)
DRIVE TRAIN, GEARCASE, REAR, MOUNTING - Z25RPP2KAE/BE (C750113)
DRIVE TRAIN, HALF SHAFT, FRONT - Z25RPP2KAE/BE (703030)
DRIVE TRAIN, HALF SHAFT, REAR - Z25RPP2KAE/BE (703031)
DRIVE TRAIN, PRIMARY CLUTCH - Z25RPP2KAE/BE (C750109)
DRIVE TRAIN, PROP SHAFT,FRONT - Z25RPP2KAE/BE (C703247)
DRIVE TRAIN, PROP SHAFT,REAR - Z25RPP2KAE/BE (C750114)
DRIVE TRAIN, SECONDARY CLUTCH/BELT - Z25RPP2KAE/BE 750117)
ELECTRICAL, AUDIO, FRONT - Z25RPP2KAE/BE (C750845)
ELECTRICAL, AUDIO, REAR - Z25RPP2KAE/BE (C750828)
ELECTRICAL, BATTERY AND RELATED - Z25RPP2KAE/BE (C750514)
ELECTRICAL, DASH INSTRUMENTS, CONTROLS, & LIGHTING - Z25RPP2KAE/BE (C750190)
ELECTRICAL, DASH INSTRUMENTS, CONTROLS, & LIGHTING - Z25RPP2KAE/BE (C750866)
ELECTRICAL, ECU - Z25RPP2KAE/BE (C750188)
ELECTRICAL, HEADLIGHTS AND TAILLIGHTS - Z25RPP2KAE/BE (C750180)
ELECTRICAL, RIDE COMMAND - Z25RPP2KAE/BE (C750192)
ELECTRICAL, WIRE HARNESS, CHASSIS - Z25RPP2KAE/BE (C750231)
ELECTRICAL, WIRE HARNESS, ENGINE - Z25RPP2KAE/BE (C750187)
ELECTRICAL, WIRE HARNESS, PERIPHERAL - Z25RPP2KAE/BE (C750199)
ENGINE, AIR INTAKE SYSTEM - Z25RPP2KAE/BE (C750143)
ENGINE, ALTERNATOR - Z25RPP2KAE/BE (C703270)
ENGINE, COILS & SPARK PLUGS - Z25RPP2KAE/BE (C750200)
ENGINE, COOLING - Z25RPP2KAE/BE (C750222)
ENGINE, COOLING MOUNTING - Z25RPP2KAE/BE (C750223)
ENGINE, COOLING, SURGE TANK & HOSES - Z25RPP2KAE/BE (C750146)
ENGINE, CRANKSHAFT AND BEARINGS - Z25RPP2KAE/BE (C750094)
ENGINE, CYLINDER BLOCK - Z25RPP2KAE/BE (C703395)
ENGINE, CYLINDER HEAD - Z25RPP2KAE/BE (C1209107-1)
ENGINE, EXHAUST SYSTEM - Z25RPP2KAE/BE (C750075)
ENGINE, FRONT COVER AND RELATED - Z25RPP2KAE/BE (C750201)
ENGINE, INTAKE MANIFOLD, FUEL RAIL AND RELATED - Z25RPP2KAE/BE (C750202)
ENGINE, MOUNTING & LONG BLOCK - Z25RPP2KAE/BE (C750210)
ENGINE, OIL FILTER, OIL COOLER AND RELATED - Z25RPP2KAE/BE (C750203)
ENGINE, OIL PAN, MOUNTING AND RELATED - Z25RPP2KAE/BE (C750204)
ENGINE, OIL PUMP AND RELATED - Z25RPP2KAE/BE (C750205)
ENGINE, PISTON AND ROD - Z25RPP2KAE/BE (C750206)
ENGINE, SHIELDS - Z25RPP2KAE/BE (C750207)
ENGINE, STARTER, FLYWHEEL AND RELATED - Z25RPP2KAE/BE (C750208)
ENGINE, THROTTLE PEDAL - Z25RPP2KAE/BE (C750081)
ENGINE, TIMING AND OIL CHAIN DRIVES - Z25RPP2KAE/BE (C750209)
ENGINE, VALVE COVER - Z25RPP2KAE/BE (C750211)
ENGINE, VALVES - Z25RPP2KAE/BE (C7502121)
ENGINE, WATERPUMP AND RELATED - Z25RPP2KAE/BE (C703157-1)
FUEL SYSTEM, EVAP - Z25RPP2KAE/BE (C750230)
FUEL SYSTEM, STD. - Z25RPP2KAE/BE (C750229)
REFERENCE, OWNERS MANUAL AND TOOL KIT - Z25RPP2KAE/BE (C750244)
STEERING, GEAR BOX W/EPS AND RELATED - Z25RPP2KAE/BE (C750130)
STEERING, LINKAGE & TILT - Z25RPP2KAE/BE (C750131)
STEERING, WHEEL - Z25RPP2KAE/BE (C750132)
SUSPENSION, FRONT CARRIER AND HUB - Z25RPP2KAE/BE (C750138)
SUSPENSION, FRONT CONTROL ARM UPPER - Z25RPP2KAE/BE (C0703838)
SUSPENSION, FRONT CONTROL ARMS LOWER - Z25RPP2KAE/BE (C0703838-1)
SUSPENSION, FRONT CONTROL ARMS MOUNTING - Z25RPP2KAE/BE (C750133)
SUSPENSION, FRONT SHOCK MOUNTING - Z25RPP2KAE/BE (C750135)
SUSPENSION, FRONT STABILIZER BAR - Z25RPP2KAE/BE (C750136)
SUSPENSION, REAR CARRIER AND HUB - Z25RPP2KAE/BE (C750129)
SUSPENSION, REAR SHOCK & MOUNTING - Z25RPP2KAE/BE (C750128)
SUSPENSION, REAR STABILIZER BAR - Z25RPP2KAE/BE (C750127)
SUSPENSION, REAR TRAILING ARMS - Z25RPP2KAE/BE (C750121)
SUSPENSION, REAR TRAILING ARMS MOUNTING - Z25RPP2KAE/BE (C750119)
WHEELS, FRONT/REAR - Z25RPP2KAE/BE (C750797)
View Cart
VIEW WISH LIST