Polaris
Browse New Models
Shop In-Stock
Can-Am
Browse New Models
Shop In-Stock
Ski-Doo
Browse New Models
Shop In-Stock
Sea-Doo
Browse New Models
Shop In-Stock
Kayo
Browse New Models
Shop In-Stock
Manitou
Browse New Models
Shop In-Stock
Our
Location
Call
Us
Contact
Us
Toggle navigation
Home
Brands
Showroom
Manufacturer Models
OEM Promotions
Polaris Off-Road
Polaris Snowmobiles
Can-Am
Sea-Doo
Ski-Doo
Kayo
Yamaha Marine
Triton Trailers
Manitou
Nitro Trailers
CAM Superline
Durabull Trailers
Trifecta Pontoons
Inventory
All Inventory In Stock
New Inventory In Stock
Pre-Owned Inventory
Value Your Trade-In
Request a Model
Financing
Parts
Parts Department
OEM Parts Finder
Service
Service Department
Request Polaris Service
Warranty & Recall Look-Up
Financing
About
Our Dealership
Our Team
Reviews
Customer Survey
Newsletter Sign-Up
Employment
Events
Location & Hours
Contact
Call Us
Fort Kent, ME
Fiche | Parts Diagrams
2025 Polaris Utility Vehicles
Home
›
Parts
›
OEM Parts Finder
Search by :
Part / Desc
VIN
Please Select
Can-Am
LYNX
Polaris
Sea-Doo
Ski-Doo
Yamaha
*Please enter at least 3 characters
SEARCH
Manufacturer
Polaris
Utility Vehicles
2025
RZR XP 1000 SPORT (Z25NEE99A4/B4/A5/B5)
View Cart
VIEW WISH LIST
Select a Section
Show/Hide
*SERVICE AND MAINTENANCE PARTS LIST* - Z25NEE99A4/B4/A5/B5 (RZR XP MAINTENANCE PAGE)
BODY, CENTER CONSOLE - Z25NEE99A4/B4/A5/B5 (C0705025-1)
BODY, DASH - Z25NEE99A4/B4/A5/B5 (C703347-1)
BODY, DASH STORAGE - Z25NEE99A4/B4/A5/B5 (C0705025-3)
BODY, DECALS - Z25NEE99A4/B4/A5/B5 (900916)
BODY, DOORS - Z25NEE99A4/B4/A5/B5 (C0703975)
BODY, FLOOR - Z25NEE99A4/B4/A5/B5 (C0705025-4)
BODY, FRONT FACIA, GRILLE, AND FLARES - Z25NEE99A4/B4/A5/B5 (C750557-1)
BODY, HOOD - Z25NEE99A4/B4/A5/B5 (C0705025-12)
BODY, REAR BUMPER - Z25NEE99A4/B4/A5/B5 (C0705025-13)
BODY, REAR CLOSEOFF - Z25NEE99A4/B4/A5/B5 (C0705025-8)
BODY, REAR FENDERS AND BEZELS - Z25NEE99A4/B4/A5/B5 (C750817)
BODY, REAR RACK - Z25NEE99A4/B4/A5/B5 (C0705025-10)
BODY, ROCKER PANELS - Z25NEE99A4/B4/A5/B5 (C700248-10)
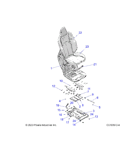
BODY, SEAT ASM. AND SLIDER - Z25NEE99A4/B4/A5/B5 (C0703972-1)
BODY, SEAT ASM. PASSENGER - Z25NEE99A4/B4/A5/B5 (C0703972-10)
BODY, SEAT BELT MOUNTING - Z25NEE99A4/B4/A5/B5 (C750476)
BRAKES, BRAKE LINES AND MASTER CYLINDER - Z25NEE99A4/B4/A5/B5 (C703109)
BRAKES, FRONT CALIPER - Z25NEE99A4/B4/A5/B5 (C703376-1)
BRAKES, PEDAL - Z25NEE99A4/B4/A5/B5 (C703081)
BRAKES, REAR CALIPER - Z25NEE99A4/B4/A5/B5 (C703082)
CHASSIS, CAB FRAME - Z25NEE99A4/B4/A5/B5 (C750479)
CHASSIS, MAIN FRAME AND SKID PLATES - Z25NEE99A4/B4/A5/B5 (C703070-2)
DRIVE TRAIN, CLUTCH COVER AND DUCTING - Z25NEE99A4/B4/A5/B5 (C703108)
DRIVE TRAIN, FRONT GEARCASE - Z25NEE99A4/B4/A5/B5 (703151)
DRIVE TRAIN, FRONT GEARCASE MOUNTING - Z25NEE99A4/B4/A5/B5 (C703076)
DRIVE TRAIN, GEAR SELECTOR - Z25NEE99A4/B4/A5/B5 (C703079)
DRIVE TRAIN, HALF SHAFT, FRONT - Z25NEE99A4/B4/A5/B5 (702709)
DRIVE TRAIN, HALF SHAFT, REAR - Z25NEE99A4/B4/A5/B5 (700288)
DRIVE TRAIN, MAIN GEARCASE INTERNALS - Z25NEE99A4/B4/A5/B5 (1337280)
DRIVE TRAIN, MAIN GEARCASE MOUNTING - Z25NEE99A4/B4/A5/B5 (C703073)
DRIVE TRAIN, PRIMARY CLUTCH - Z25NEE99A4/B4/A5/B5 (C750000)
DRIVE TRAIN, PROP SHAFT - Z25NEE99A4/B4/A5/B5 (C703111)
DRIVE TRAIN, SECONDARY CLUTCH - Z25NEE99A4/B4/A5/B5 (C703107)
ELECTRICAL, BATTERY - Z25NEE99A4/B4/A5/B5 (C0706233-6)
ELECTRICAL, BATTERY - Z25NEE99A4/B4/A5/B5 (C0706233-8)
ELECTRICAL, DASH INSTRUMENTS AND CONTROLS - Z25NEE99A4/B4/A5/B5 (C703115)
ELECTRICAL, ECU, REGULATOR, ETC. - Z25NEE99A4/B4/A5/B5 (C703116)
ELECTRICAL, HEADLIGHTS AND TAILLIGHTS - Z25NEE99A4/B4/A5/B5 (C750581)
ELECTRICAL, WIRE HARNESS - Z25NEE99A4/B4/A5/B5 (C750586)
ENGINE, AIR INTAKE SYSTEM - Z25NEE99A4/B4/A5/B5 (C0703969)
ENGINE, CAM CHAIN AND TENSIONER - ENGINE, AIR INTAKE SYSTEM - Z25NEE99A4/B4/A5/B5 (C750580)
ENGINE, COOLING, AUX. SYSTEM - Z25NEE99A4/B4/A5/B5 (C0703970)
ENGINE, CRANKCASE AND CRANKSHAFT - Z25NEE99A4/B4/A5/B5 (C703086)
ENGINE, CYLINDER AND PISTON - Z25NEE99A4/B4/A5/B5 (C703087)
ENGINE, CYLINDER HEAD AND VALVES - Z25NEE99A4/B4/A5/B5 (C703088)
ENGINE, DIPSTICK AND OIL FILTER - Z25NEE99A4/B4/A5/B5 (C702862)
ENGINE, EXHAUST SYSTEM - Z25NEE99A4/B4/A5/B5 (C703338)
ENGINE, IGNITION COILS AND SPARK PLUGS - Z25NEE99A4/B4/A5/B5 (C702912)
ENGINE, INTAKE MANIFOLD, THROTTLE BODY, FUEL RAIL - Z25NEE99A4/B4/A5/B5 (C702910)
ENGINE, MOUNTING & LONG BLOCK - Z25NEE99A4/B4/A5/B5 (C703089)
ENGINE, OIL PUMP - Z25NEE99A4/B4/A5/B5 (C701070-4)
ENGINE, OIL SUMP COVER - Z25NEE99A4/B4/A5/B5 (C702905)
ENGINE, STARTER - Z25NEE99A4/B4/A5/B5 (C730513)
ENGINE, STATOR AND FLYWHEEL - Z25NEE99A4/B4/A5/B5 (C0704162-2)
ENGINE, THROTTLE PEDAL - Z25NEE99A4/B4/A5/B5 (C703120)
ENGINE, VALVE COVER - Z25NEE99A4/B4/A5/B5 (C702911)
ENGINE, WATERPUMP AND BYPASS - Z25NEE99A4/B4/A5/B5 (C703096)
ENGINE, WATERPUMP ASSEMBLY - Z25NEE99A4/B4/A5/B5 (C730082)
FUEL SYSTEM, LINES, EVAP - Z25NEE99B4/B5 (C750807)
FUEL SYSTEM, LINES, STD. - Z25NEE99A4/B4/A5/B5 (C750806)
FUEL SYSTEM, TANK - Z25NEE99A4/B4/A5/B5 (C0703981-1)
REFERENCE, OWNERS MANUAL AND TOOL KIT - Z25NEE99A4/B4/A5/B5 (C750585)
STEERING, GEAR BOX - Z25NEE99A4/B4/A5/B5 (C703085)
STEERING, STEERING ASM. - Z25NEE99A4/B4/A5/B5 (C703084-1)
SUSPENSION, FRONT CARRIER AND HUB - Z25NEE99A4/B4/A5/B5 (C750835)
SUSPENSION, FRONT CONTROL ARMS - Z25NEE99A4/B4/A5/B5 (C703104)
SUSPENSION, FRONT SHOCK INTERNALS - Z25NEE99A4/B4/A5/B5 (702710)
SUSPENSION, FRONT SHOCK INTERNALS - Z25NEE99A4/B4/A5/B5 (7045779)
SUSPENSION, FRONT SHOCK MOUNTING - Z25NEE99A4/B4/A5/B5 (C700280-5)
SUSPENSION, FRONT, STABILIZER BAR - Z25NEE99A4/B4/A5/B5 (C703103)
SUSPENSION, REAR CARRIER AND HUB - Z25NEE99A4/B4/A5/B5 (C750835)
SUSPENSION, REAR CONTROL ARMS - Z25NEE99A4/B4/A5/B5 (C703102)
SUSPENSION, REAR SHOCK INTERNALS - Z25NEE99A4/B4/A5/B5 (702711)
SUSPENSION, REAR SHOCK MOUNTING - Z25NEE99A4/B4/A5/B5 (C703092)
SUSPENSION, STABILIZER BAR, REAR - Z25NEE99A4/B4/A5/B5 (C703113)
WHEELS, FRONT - Z25NEE99A4/B4/A5/B5 (C700112-1)
WHEELS, REAR - Z25NEE99A4/B4/A5/B5(C700112-2)
*SERVICE AND MAINTENANCE PARTS LIST* - Z25NEE99A4/B4/A5/B5 (RZR XP MAINTENANCE PAGE)
BODY, CENTER CONSOLE - Z25NEE99A4/B4/A5/B5 (C0705025-1)
BODY, DASH - Z25NEE99A4/B4/A5/B5 (C703347-1)
BODY, DASH STORAGE - Z25NEE99A4/B4/A5/B5 (C0705025-3)
BODY, DECALS - Z25NEE99A4/B4/A5/B5 (900916)
BODY, DOORS - Z25NEE99A4/B4/A5/B5 (C0703975)
BODY, FLOOR - Z25NEE99A4/B4/A5/B5 (C0705025-4)
BODY, FRONT FACIA, GRILLE, AND FLARES - Z25NEE99A4/B4/A5/B5 (C750557-1)
BODY, HOOD - Z25NEE99A4/B4/A5/B5 (C0705025-12)
BODY, REAR BUMPER - Z25NEE99A4/B4/A5/B5 (C0705025-13)
BODY, REAR CLOSEOFF - Z25NEE99A4/B4/A5/B5 (C0705025-8)
BODY, REAR FENDERS AND BEZELS - Z25NEE99A4/B4/A5/B5 (C750817)
BODY, REAR RACK - Z25NEE99A4/B4/A5/B5 (C0705025-10)
BODY, ROCKER PANELS - Z25NEE99A4/B4/A5/B5 (C700248-10)
BODY, SEAT ASM. AND SLIDER - Z25NEE99A4/B4/A5/B5 (C0703972-1)
BODY, SEAT ASM. PASSENGER - Z25NEE99A4/B4/A5/B5 (C0703972-10)
BODY, SEAT BELT MOUNTING - Z25NEE99A4/B4/A5/B5 (C750476)
BRAKES, BRAKE LINES AND MASTER CYLINDER - Z25NEE99A4/B4/A5/B5 (C703109)
BRAKES, FRONT CALIPER - Z25NEE99A4/B4/A5/B5 (C703376-1)
BRAKES, PEDAL - Z25NEE99A4/B4/A5/B5 (C703081)
BRAKES, REAR CALIPER - Z25NEE99A4/B4/A5/B5 (C703082)
CHASSIS, CAB FRAME - Z25NEE99A4/B4/A5/B5 (C750479)
CHASSIS, MAIN FRAME AND SKID PLATES - Z25NEE99A4/B4/A5/B5 (C703070-2)
DRIVE TRAIN, CLUTCH COVER AND DUCTING - Z25NEE99A4/B4/A5/B5 (C703108)
DRIVE TRAIN, FRONT GEARCASE - Z25NEE99A4/B4/A5/B5 (703151)
DRIVE TRAIN, FRONT GEARCASE MOUNTING - Z25NEE99A4/B4/A5/B5 (C703076)
DRIVE TRAIN, GEAR SELECTOR - Z25NEE99A4/B4/A5/B5 (C703079)
DRIVE TRAIN, HALF SHAFT, FRONT - Z25NEE99A4/B4/A5/B5 (702709)
DRIVE TRAIN, HALF SHAFT, REAR - Z25NEE99A4/B4/A5/B5 (700288)
DRIVE TRAIN, MAIN GEARCASE INTERNALS - Z25NEE99A4/B4/A5/B5 (1337280)
DRIVE TRAIN, MAIN GEARCASE MOUNTING - Z25NEE99A4/B4/A5/B5 (C703073)
DRIVE TRAIN, PRIMARY CLUTCH - Z25NEE99A4/B4/A5/B5 (C750000)
DRIVE TRAIN, PROP SHAFT - Z25NEE99A4/B4/A5/B5 (C703111)
DRIVE TRAIN, SECONDARY CLUTCH - Z25NEE99A4/B4/A5/B5 (C703107)
ELECTRICAL, BATTERY - Z25NEE99A4/B4/A5/B5 (C0706233-6)
ELECTRICAL, BATTERY - Z25NEE99A4/B4/A5/B5 (C0706233-8)
ELECTRICAL, DASH INSTRUMENTS AND CONTROLS - Z25NEE99A4/B4/A5/B5 (C703115)
ELECTRICAL, ECU, REGULATOR, ETC. - Z25NEE99A4/B4/A5/B5 (C703116)
ELECTRICAL, HEADLIGHTS AND TAILLIGHTS - Z25NEE99A4/B4/A5/B5 (C750581)
ELECTRICAL, WIRE HARNESS - Z25NEE99A4/B4/A5/B5 (C750586)
ENGINE, AIR INTAKE SYSTEM - Z25NEE99A4/B4/A5/B5 (C0703969)
ENGINE, CAM CHAIN AND TENSIONER - ENGINE, AIR INTAKE SYSTEM - Z25NEE99A4/B4/A5/B5 (C750580)
ENGINE, COOLING, AUX. SYSTEM - Z25NEE99A4/B4/A5/B5 (C0703970)
ENGINE, CRANKCASE AND CRANKSHAFT - Z25NEE99A4/B4/A5/B5 (C703086)
ENGINE, CYLINDER AND PISTON - Z25NEE99A4/B4/A5/B5 (C703087)
ENGINE, CYLINDER HEAD AND VALVES - Z25NEE99A4/B4/A5/B5 (C703088)
ENGINE, DIPSTICK AND OIL FILTER - Z25NEE99A4/B4/A5/B5 (C702862)
ENGINE, EXHAUST SYSTEM - Z25NEE99A4/B4/A5/B5 (C703338)
ENGINE, IGNITION COILS AND SPARK PLUGS - Z25NEE99A4/B4/A5/B5 (C702912)
ENGINE, INTAKE MANIFOLD, THROTTLE BODY, FUEL RAIL - Z25NEE99A4/B4/A5/B5 (C702910)
ENGINE, MOUNTING & LONG BLOCK - Z25NEE99A4/B4/A5/B5 (C703089)
ENGINE, OIL PUMP - Z25NEE99A4/B4/A5/B5 (C701070-4)
ENGINE, OIL SUMP COVER - Z25NEE99A4/B4/A5/B5 (C702905)
ENGINE, STARTER - Z25NEE99A4/B4/A5/B5 (C730513)
ENGINE, STATOR AND FLYWHEEL - Z25NEE99A4/B4/A5/B5 (C0704162-2)
ENGINE, THROTTLE PEDAL - Z25NEE99A4/B4/A5/B5 (C703120)
ENGINE, VALVE COVER - Z25NEE99A4/B4/A5/B5 (C702911)
ENGINE, WATERPUMP AND BYPASS - Z25NEE99A4/B4/A5/B5 (C703096)
ENGINE, WATERPUMP ASSEMBLY - Z25NEE99A4/B4/A5/B5 (C730082)
FUEL SYSTEM, LINES, EVAP - Z25NEE99B4/B5 (C750807)
FUEL SYSTEM, LINES, STD. - Z25NEE99A4/B4/A5/B5 (C750806)
FUEL SYSTEM, TANK - Z25NEE99A4/B4/A5/B5 (C0703981-1)
REFERENCE, OWNERS MANUAL AND TOOL KIT - Z25NEE99A4/B4/A5/B5 (C750585)
STEERING, GEAR BOX - Z25NEE99A4/B4/A5/B5 (C703085)
STEERING, STEERING ASM. - Z25NEE99A4/B4/A5/B5 (C703084-1)
SUSPENSION, FRONT CARRIER AND HUB - Z25NEE99A4/B4/A5/B5 (C750835)
SUSPENSION, FRONT CONTROL ARMS - Z25NEE99A4/B4/A5/B5 (C703104)
SUSPENSION, FRONT SHOCK INTERNALS - Z25NEE99A4/B4/A5/B5 (702710)
SUSPENSION, FRONT SHOCK INTERNALS - Z25NEE99A4/B4/A5/B5 (7045779)
SUSPENSION, FRONT SHOCK MOUNTING - Z25NEE99A4/B4/A5/B5 (C700280-5)
SUSPENSION, FRONT, STABILIZER BAR - Z25NEE99A4/B4/A5/B5 (C703103)
SUSPENSION, REAR CARRIER AND HUB - Z25NEE99A4/B4/A5/B5 (C750835)
SUSPENSION, REAR CONTROL ARMS - Z25NEE99A4/B4/A5/B5 (C703102)
SUSPENSION, REAR SHOCK INTERNALS - Z25NEE99A4/B4/A5/B5 (702711)
SUSPENSION, REAR SHOCK MOUNTING - Z25NEE99A4/B4/A5/B5 (C703092)
SUSPENSION, STABILIZER BAR, REAR - Z25NEE99A4/B4/A5/B5 (C703113)
WHEELS, FRONT - Z25NEE99A4/B4/A5/B5 (C700112-1)
WHEELS, REAR - Z25NEE99A4/B4/A5/B5(C700112-2)
View Cart
VIEW WISH LIST