Polaris
Browse New Models
Shop In-Stock
Can-Am
Browse New Models
Shop In-Stock
Ski-Doo
Browse New Models
Shop In-Stock
Sea-Doo
Browse New Models
Shop In-Stock
Kayo
Browse New Models
Shop In-Stock
Manitou
Browse New Models
Shop In-Stock
Our
Location
Call
Us
Contact
Us
Toggle navigation
Home
Brands
Showroom
Manufacturer Models
OEM Promotions
Polaris Off-Road
Polaris Snowmobiles
Can-Am
Sea-Doo
Ski-Doo
Kayo
Yamaha Marine
Triton Trailers
Manitou
Nitro Trailers
CAM Superline
Durabull Trailers
Trifecta Pontoons
Inventory
All Inventory In Stock
New Inventory In Stock
Pre-Owned Inventory
Value Your Trade-In
Request a Model
Financing
Parts
Parts Department
OEM Parts Finder
Service
Service Department
Request Polaris Service
Warranty & Recall Look-Up
Financing
About
Our Dealership
Our Team
Reviews
Customer Survey
Newsletter Sign-Up
Employment
Events
Location & Hours
Contact
Call Us
Fort Kent, ME
Fiche | Parts Diagrams
2026 Polaris Utility Vehicles
Home
›
Parts
›
OEM Parts Finder
Search by :
Part / Desc
VIN
Please Select
Can-Am
LYNX
Polaris
Sea-Doo
Ski-Doo
Yamaha
*Please enter at least 3 characters
SEARCH
Manufacturer
Polaris
Utility Vehicles
2026
INTL RANGER DIESEL HD EPS DLX EU/TRACTOR (R26RRED4FB/CB/CP)
View Cart
VIEW WISH LIST
Select a Section
Show/Hide
BODY, BOX - R26RRED4FB/CB/CP (C734001)
BODY, BOX, MOUNTING - R26RRED4FB/CB/CP (C733174)
BODY, BOX, TAILGATE - R26RRED4FB/CB/CP (C730805)
BODY, DASH - R26RRED4FB/CB/CP (C734016)
BODY, DECALS GENERAL - R26RRED4FB/CB/CP (900342)
BODY, DECALS GRAPHICS - R26RRED4FB/CB/CP (900915-01)
BODY, FLOOR AND ROCKER - R26RRED4FB/CB/CP (C734000)
BODY, FRONT BUMPER - R26RRED4FB/CB/CP (C734002)
BODY, FRONT INNER FENDER - R26RRED4FB/CB/CP (C0708121-1)
BODY, HEATER ASSEMBLY - R26RRED4CP (C7045490)
BODY, HEATER DUCTING - R26RRED4CP (C1244822)
BODY, HOOD AND FRONT FASCIA - R26RRED4FB/CB/CP (C733196)
BODY, MIRRORS - R26RRED4FB/CB/CP (C2889243)
BODY, MUD COVERS REAR - R26RRED4FB/CB/CP (C700516)
BODY, NETS - R26RRED4FB/CB/CP (C733254)
BODY, REAR CLOSEOFF, AND FENDERS - R26RRED4CP (C733462)
BODY, REAR CLOSEOFF, AND FENDERS - R26RRED4FB/CB (C730058-01)
BODY, REAR STORAGE BOX - R26RRED4CP (C731190)
BODY, SEAT ASM. - R26RRED4FB (C731172)
BODY, SEAT ASM. AND SLIDER - R26RRED4CB/CP (C734003)
BODY, SEAT BELT AND MOUNTING - R26RRED4FB/CB/CP (C734004)
BRAKES, BRAKE LINES AND MASTER CYLINDER - R26RRED4FB/CB (C730797)
BRAKES, BRAKE LINES AND MASTER CYLINDER TR - R26RRED4CP (C730802)
BRAKES, FRONT CALIPER - R26RRED4FB/CB/CP (C730831)
BRAKES, PARK BRAKE - R26RRED4FB/CB/CP (C731137)
BRAKES, PEDAL - R26RRED4FB/CB/CP (C730806)
BRAKES, REAR CALIPER - R26RRED4FB/CB/CP (C730375)
CHASSIS, CAB FRAME - R26RRED4FB/CB/CP (C0706486)
CHASSIS, EDGE COVER, TR - R26RRED4CB/CP (C731146)
CHASSIS, HITCH - R26RRED4CB/CP (701645)
CHASSIS, MAIN FRAME AND SKID PLATES - R26RRED4FB/CB/CP (C700923)
DRIVE TRAIN, CLUTCH COVER AND DUCTING - R26RRED4FB/CB/CP (C731174)
DRIVE TRAIN, FRONT GEARCASE - R26RRED4FB/CB/CP (1336963)
DRIVE TRAIN, FRONT GEARCASE MOUNTING - R26RRED4FB/CB/CP (C730196-1)
DRIVE TRAIN, FRONT HALF SHAFT - R26RRED4FB/CB/CP (C730012)
DRIVE TRAIN, FRONT PROP SHAFT - R26RRED4FB/CB/CP (C731221)
DRIVE TRAIN, GEAR SELECTOR AND THROTTLE CABLE - R26RRED4FB/CB/CP (C731163)
DRIVE TRAIN, MAIN GEARCASE INTERNALS - R26RRED4FB/CB/CP (1334429)
DRIVE TRAIN, MAIN GEARCASE MOUNTING - R26RRED4FB/CB/CP (C701280)
DRIVE TRAIN, PRIMARY CLUTCH - R26RRED4FB/CB/CP (C731175)
DRIVE TRAIN, REAR HALF SHAFT - R26RRED4FB/CB/CP (702405)
DRIVE TRAIN, REAR PROP SHAFT - R26RRED4FB/CB/CP (C730807)
DRIVE TRAIN, SECONDARY CLUTCH - R26RRED4FB/CB/CP (C731176)
ELECTRICAL, BATTERY - R26RRED4FB/CB/CP (C731177)
ELECTRICAL, DASH INSTRUMENTS - R26RRED4CP (C730800)
ELECTRICAL, DASH INSTRUMENTS - R26RRED4FB/CB (C733349)
ELECTRICAL, HEADLIGHTS AND TAILLIGHTS - R26RRED4FB/CB/CP (C733347)
ELECTRICAL, WIRE HARNESS - R26RRED4FB/CB/CP (C7045512)
ELECTRICAL, WIRE HARNESS COMPONENTS, AND LICENSE PLATE - R26RRED4FB/CB/CP (C0705605-2)
ELECTRICAL, WIRE HARNESS, BOX - R26RRED4FB/CB/CP (C0705605-4)
ENGINE, ADAPTER, BELLHOUSING AND CRANK SENSOR - R26RRED4FB/CB/CP (C700413)
ENGINE, AIR INTAKE SYSTEM - R26RRED4FB/CB/CP (C731171)
ENGINE, CAMSHAFT AND IDLE GEAR SHAFT - R26RRED4FB/CB/CP (702601)
ENGINE, COOLING SYSTEM - R26RRED4CB/CP (C0705584)
ENGINE, COOLING SYSTEM - R26RRED4FB (C730808)
ENGINE, CRANKCASE - R26RRED4FB/CB/CP (702591)
ENGINE, CYLINDER HEAD - R26RRED4FB/CB/CP (702594)
ENGINE, DIPSTICK - R26RRED4FB/CB/CP (C700412)
ENGINE, ENGINE, ALTERNATOR, FAN AND BELT - R26RRED4FB/CB/CP (C700414)
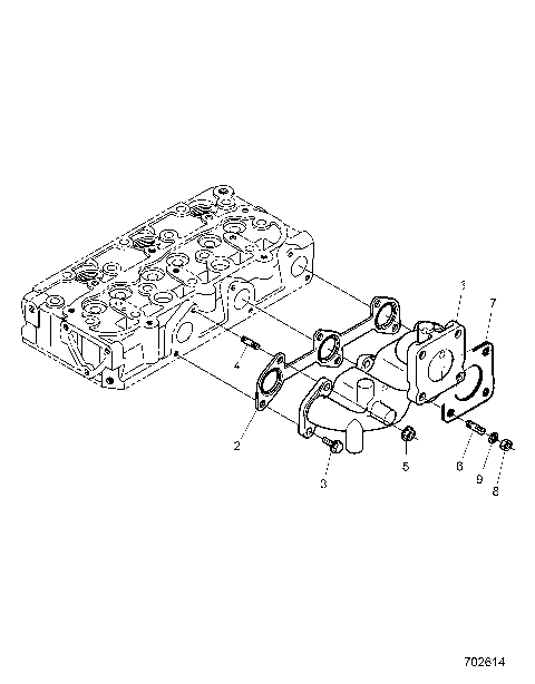
ENGINE, EXHAUST MANIFOLD - R26RRED4FB/CB/CP (702614)
ENGINE, EXHAUST SYSTEM - R26RRED4FB/CB/CP (C731167)
ENGINE, FLYWHEEL - R26RRED4FB/CB/CP (702603)
ENGINE, FORK LEVER - R26RRED4FB/CB/CP (702611)
ENGINE, FUEL CAMSHAFT AND GOVERNOR SHAFT - R26RRED4FB/CB/CP (702604)
ENGINE, GEAR CASE - R26RRED4FB/CB/CP (702595)
ENGINE, HEAD COVER - R26RRED4FB/CB/CP (702596)
ENGINE, IDLE APPARATUS - R26RRED4FB/CB/CP (702605)
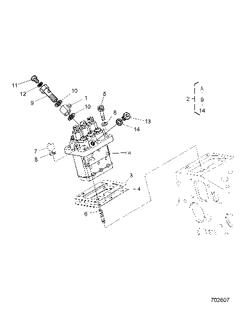
ENGINE, INJECTION PUMP - R26RRED4FB/CB/CP (702607)
ENGINE, INLET MANIFOLD - R26RRED4FB/CB/CP (702616)
ENGINE, MAIN BEARING CASE - R26RRED4FB/CB/CP (702600)
ENGINE, MOUNTING & LONG BLOCK - R26RRED4FB/CB/CP (C730038)
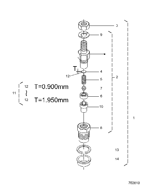
ENGINE, NOZZLE HOLDER (COMPONENT PARTS) - R26RRED4FB/CB/CP (702610)
ENGINE, NOZZLE HOLDER AND GLOW PLUG - R26RRED4FB/CB/CP (702609)
ENGINE, OIL FILTER - R26RRED4FB/CB/CP (702597)
ENGINE, OIL PUMP - R26RRED4FB/CB/CP (702599)
ENGINE, OIL SWITCH - R26RRED4FB/CB/CP (702619)
ENGINE, PAN, OIL - R26RRED4FB/CB/CP (702592)
ENGINE, PISTON AND CRANKSHAFT - R26RRED4FB/CB/CP (702602)
ENGINE, REAR GEARCASE COVER - R26RRED4FB/CB/CP (702612)
ENGINE, SPEED CONTROL PLATE - R26RRED4FB/CB/CP (702608)
ENGINE, STARTER - R26RRED4FB/CB/CP (C700513)
ENGINE, STOP SOLENOID - R26RRED4FB/CB/CP (702606)
ENGINE, UPPER GASKET KIT [OPTION] - R26RRED4FB/CB/CP (702622)
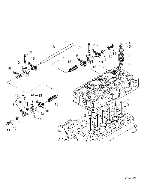
ENGINE, VALVE AND ROCKER ARM - R26RRED4FB/CB/CP (702623)
ENGINE, WATER FLANGE AND THERMOSTAT - R26RRED4FB/CB/CP (702624)
ENGINE, WATER PIPE - R26RRED4FB/CB/CP (702625)
ENGINE, WATER PUMP - R26RRED4FB/CB/CP (702626)
ENGINE, WATER PUMP PULLEY - R26RRED4FB/CB/CP (702615)
FUEL SYSTEM, FILTER AND LINES - R26RRED4FB/CB/CP (C700400)
FUEL SYSTEM, TANK - R26RRED4FB/CB/CP (C730037)
REFERENCE, OWNERS MANUAL AND TOOL KIT - R26RRED4FB/CB/CP (760040)
STEERING, STEERING ASM. - R26RRED4FB/CB/CP (C700680)
STEERING, STEERING GEARBOX - R26RRED4FB/CB/CP (C731186)
SUSPENSION, FRONT CONTROL ARMS - R26RRED4FB/CB/CP (C731080)
SUSPENSION, FRONT HUB - R26RRED4FB/CB/CP (C700035)
SUSPENSION, FRONT SHOCK MOUNTING - R26RRED4FB/CB/CP (C701218-01)
SUSPENSION, FRONT STABILIZER BAR - R26RRED4FB/CB/CP (C730972)
SUSPENSION, REAR CARRIER - R26RRED4FB/CB/CP (C700028)
SUSPENSION, REAR CONTROL ARMS - R26RRED4FB/CB/CP (C730798)
SUSPENSION, REAR SHOCK MOUNTING - R26RRED4FB/CB/CP (C701220-01)
SUSPENSION, REAR STABILIZER BAR - R26RRED4FB/CB/CP (C700027)
WHEELS, FRONT - R26RRED4FB/CB/CP (C730840-2)
WHEELS, REAR - R26RRED4FB/CB/CP (C730840-2)
BODY, BOX - R26RRED4FB/CB/CP (C734001)
BODY, BOX, MOUNTING - R26RRED4FB/CB/CP (C733174)
BODY, BOX, TAILGATE - R26RRED4FB/CB/CP (C730805)
BODY, DASH - R26RRED4FB/CB/CP (C734016)
BODY, DECALS GENERAL - R26RRED4FB/CB/CP (900342)
BODY, DECALS GRAPHICS - R26RRED4FB/CB/CP (900915-01)
BODY, FLOOR AND ROCKER - R26RRED4FB/CB/CP (C734000)
BODY, FRONT BUMPER - R26RRED4FB/CB/CP (C734002)
BODY, FRONT INNER FENDER - R26RRED4FB/CB/CP (C0708121-1)
BODY, HEATER ASSEMBLY - R26RRED4CP (C7045490)
BODY, HEATER DUCTING - R26RRED4CP (C1244822)
BODY, HOOD AND FRONT FASCIA - R26RRED4FB/CB/CP (C733196)
BODY, MIRRORS - R26RRED4FB/CB/CP (C2889243)
BODY, MUD COVERS REAR - R26RRED4FB/CB/CP (C700516)
BODY, NETS - R26RRED4FB/CB/CP (C733254)
BODY, REAR CLOSEOFF, AND FENDERS - R26RRED4CP (C733462)
BODY, REAR CLOSEOFF, AND FENDERS - R26RRED4FB/CB (C730058-01)
BODY, REAR STORAGE BOX - R26RRED4CP (C731190)
BODY, SEAT ASM. - R26RRED4FB (C731172)
BODY, SEAT ASM. AND SLIDER - R26RRED4CB/CP (C734003)
BODY, SEAT BELT AND MOUNTING - R26RRED4FB/CB/CP (C734004)
BRAKES, BRAKE LINES AND MASTER CYLINDER - R26RRED4FB/CB (C730797)
BRAKES, BRAKE LINES AND MASTER CYLINDER TR - R26RRED4CP (C730802)
BRAKES, FRONT CALIPER - R26RRED4FB/CB/CP (C730831)
BRAKES, PARK BRAKE - R26RRED4FB/CB/CP (C731137)
BRAKES, PEDAL - R26RRED4FB/CB/CP (C730806)
BRAKES, REAR CALIPER - R26RRED4FB/CB/CP (C730375)
CHASSIS, CAB FRAME - R26RRED4FB/CB/CP (C0706486)
CHASSIS, EDGE COVER, TR - R26RRED4CB/CP (C731146)
CHASSIS, HITCH - R26RRED4CB/CP (701645)
CHASSIS, MAIN FRAME AND SKID PLATES - R26RRED4FB/CB/CP (C700923)
DRIVE TRAIN, CLUTCH COVER AND DUCTING - R26RRED4FB/CB/CP (C731174)
DRIVE TRAIN, FRONT GEARCASE - R26RRED4FB/CB/CP (1336963)
DRIVE TRAIN, FRONT GEARCASE MOUNTING - R26RRED4FB/CB/CP (C730196-1)
DRIVE TRAIN, FRONT HALF SHAFT - R26RRED4FB/CB/CP (C730012)
DRIVE TRAIN, FRONT PROP SHAFT - R26RRED4FB/CB/CP (C731221)
DRIVE TRAIN, GEAR SELECTOR AND THROTTLE CABLE - R26RRED4FB/CB/CP (C731163)
DRIVE TRAIN, MAIN GEARCASE INTERNALS - R26RRED4FB/CB/CP (1334429)
DRIVE TRAIN, MAIN GEARCASE MOUNTING - R26RRED4FB/CB/CP (C701280)
DRIVE TRAIN, PRIMARY CLUTCH - R26RRED4FB/CB/CP (C731175)
DRIVE TRAIN, REAR HALF SHAFT - R26RRED4FB/CB/CP (702405)
DRIVE TRAIN, REAR PROP SHAFT - R26RRED4FB/CB/CP (C730807)
DRIVE TRAIN, SECONDARY CLUTCH - R26RRED4FB/CB/CP (C731176)
ELECTRICAL, BATTERY - R26RRED4FB/CB/CP (C731177)
ELECTRICAL, DASH INSTRUMENTS - R26RRED4CP (C730800)
ELECTRICAL, DASH INSTRUMENTS - R26RRED4FB/CB (C733349)
ELECTRICAL, HEADLIGHTS AND TAILLIGHTS - R26RRED4FB/CB/CP (C733347)
ELECTRICAL, WIRE HARNESS - R26RRED4FB/CB/CP (C7045512)
ELECTRICAL, WIRE HARNESS COMPONENTS, AND LICENSE PLATE - R26RRED4FB/CB/CP (C0705605-2)
ELECTRICAL, WIRE HARNESS, BOX - R26RRED4FB/CB/CP (C0705605-4)
ENGINE, ADAPTER, BELLHOUSING AND CRANK SENSOR - R26RRED4FB/CB/CP (C700413)
ENGINE, AIR INTAKE SYSTEM - R26RRED4FB/CB/CP (C731171)
ENGINE, CAMSHAFT AND IDLE GEAR SHAFT - R26RRED4FB/CB/CP (702601)
ENGINE, COOLING SYSTEM - R26RRED4CB/CP (C0705584)
ENGINE, COOLING SYSTEM - R26RRED4FB (C730808)
ENGINE, CRANKCASE - R26RRED4FB/CB/CP (702591)
ENGINE, CYLINDER HEAD - R26RRED4FB/CB/CP (702594)
ENGINE, DIPSTICK - R26RRED4FB/CB/CP (C700412)
ENGINE, ENGINE, ALTERNATOR, FAN AND BELT - R26RRED4FB/CB/CP (C700414)
ENGINE, EXHAUST MANIFOLD - R26RRED4FB/CB/CP (702614)
ENGINE, EXHAUST SYSTEM - R26RRED4FB/CB/CP (C731167)
ENGINE, FLYWHEEL - R26RRED4FB/CB/CP (702603)
ENGINE, FORK LEVER - R26RRED4FB/CB/CP (702611)
ENGINE, FUEL CAMSHAFT AND GOVERNOR SHAFT - R26RRED4FB/CB/CP (702604)
ENGINE, GEAR CASE - R26RRED4FB/CB/CP (702595)
ENGINE, HEAD COVER - R26RRED4FB/CB/CP (702596)
ENGINE, IDLE APPARATUS - R26RRED4FB/CB/CP (702605)
ENGINE, INJECTION PUMP - R26RRED4FB/CB/CP (702607)
ENGINE, INLET MANIFOLD - R26RRED4FB/CB/CP (702616)
ENGINE, MAIN BEARING CASE - R26RRED4FB/CB/CP (702600)
ENGINE, MOUNTING & LONG BLOCK - R26RRED4FB/CB/CP (C730038)
ENGINE, NOZZLE HOLDER (COMPONENT PARTS) - R26RRED4FB/CB/CP (702610)
ENGINE, NOZZLE HOLDER AND GLOW PLUG - R26RRED4FB/CB/CP (702609)
ENGINE, OIL FILTER - R26RRED4FB/CB/CP (702597)
ENGINE, OIL PUMP - R26RRED4FB/CB/CP (702599)
ENGINE, OIL SWITCH - R26RRED4FB/CB/CP (702619)
ENGINE, PAN, OIL - R26RRED4FB/CB/CP (702592)
ENGINE, PISTON AND CRANKSHAFT - R26RRED4FB/CB/CP (702602)
ENGINE, REAR GEARCASE COVER - R26RRED4FB/CB/CP (702612)
ENGINE, SPEED CONTROL PLATE - R26RRED4FB/CB/CP (702608)
ENGINE, STARTER - R26RRED4FB/CB/CP (C700513)
ENGINE, STOP SOLENOID - R26RRED4FB/CB/CP (702606)
ENGINE, UPPER GASKET KIT [OPTION] - R26RRED4FB/CB/CP (702622)
ENGINE, VALVE AND ROCKER ARM - R26RRED4FB/CB/CP (702623)
ENGINE, WATER FLANGE AND THERMOSTAT - R26RRED4FB/CB/CP (702624)
ENGINE, WATER PIPE - R26RRED4FB/CB/CP (702625)
ENGINE, WATER PUMP - R26RRED4FB/CB/CP (702626)
ENGINE, WATER PUMP PULLEY - R26RRED4FB/CB/CP (702615)
FUEL SYSTEM, FILTER AND LINES - R26RRED4FB/CB/CP (C700400)
FUEL SYSTEM, TANK - R26RRED4FB/CB/CP (C730037)
REFERENCE, OWNERS MANUAL AND TOOL KIT - R26RRED4FB/CB/CP (760040)
STEERING, STEERING ASM. - R26RRED4FB/CB/CP (C700680)
STEERING, STEERING GEARBOX - R26RRED4FB/CB/CP (C731186)
SUSPENSION, FRONT CONTROL ARMS - R26RRED4FB/CB/CP (C731080)
SUSPENSION, FRONT HUB - R26RRED4FB/CB/CP (C700035)
SUSPENSION, FRONT SHOCK MOUNTING - R26RRED4FB/CB/CP (C701218-01)
SUSPENSION, FRONT STABILIZER BAR - R26RRED4FB/CB/CP (C730972)
SUSPENSION, REAR CARRIER - R26RRED4FB/CB/CP (C700028)
SUSPENSION, REAR CONTROL ARMS - R26RRED4FB/CB/CP (C730798)
SUSPENSION, REAR SHOCK MOUNTING - R26RRED4FB/CB/CP (C701220-01)
SUSPENSION, REAR STABILIZER BAR - R26RRED4FB/CB/CP (C700027)
WHEELS, FRONT - R26RRED4FB/CB/CP (C730840-2)
WHEELS, REAR - R26RRED4FB/CB/CP (C730840-2)
View Cart
VIEW WISH LIST