Polaris
Browse New Models
Shop In-Stock
Can-Am
Browse New Models
Shop In-Stock
Ski-Doo
Browse New Models
Shop In-Stock
Sea-Doo
Browse New Models
Shop In-Stock
Kayo
Browse New Models
Shop In-Stock
Manitou
Browse New Models
Shop In-Stock
Our
Location
Call
Us
Contact
Us
Toggle navigation
Home
Brands
Showroom
Manufacturer Models
OEM Promotions
Polaris Off-Road
Polaris Snowmobiles
Can-Am
Sea-Doo
Ski-Doo
Kayo
Yamaha Marine
Triton Trailers
Manitou
Nitro Trailers
CAM Superline
Durabull Trailers
Trifecta Pontoons
Inventory
All Inventory In Stock
New Inventory In Stock
Pre-Owned Inventory
Value Your Trade-In
Request a Model
Financing
Parts
Parts Department
OEM Parts Finder
Service
Service Department
Request Polaris Service
Warranty & Recall Look-Up
Financing
About
Our Dealership
Our Team
Reviews
Customer Survey
Newsletter Sign-Up
Employment
Events
Location & Hours
Contact
Call Us
Fort Kent, ME
Fiche | Parts Diagrams
1997 Sea-Doo
Home
›
Parts
›
OEM Parts Finder
Search by :
Part / Desc
VIN
Please Select
Can-Am
LYNX
Polaris
Sea-Doo
Ski-Doo
Yamaha
*Please enter at least 3 characters
SEARCH
Manufacturer
Sea-doo
Boats
1997
Challenger 1800, 5600/5601
View Cart
VIEW WISH LIST
Select a Section
Show/Hide
01- Cooling System
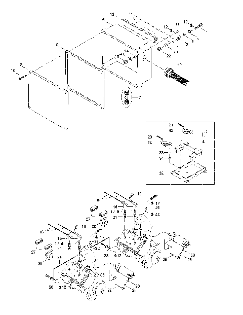
01- Crankcase, Rotary Valve
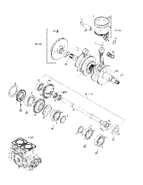
01- Crankshaft And Pistons
01- Cylinder, Exhaust Manifold
01- Engine Support And Muffler
02- Air Intake System
02- Carburetor
02- Fuel System
02- Oil Injection System
03- Magneto, Oil Pump
04- Starter
05- Control Handle
05- Drive System
05- Propulsion System
05- Reverse
05- Weedless System
07- Steering System
09- Accessories Sport Boats
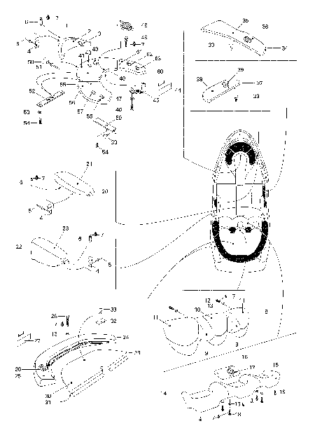
09- Body And Accessories 1
09- Body And Accessories 2
09- Body And Accessories 3
09- Decals
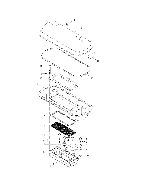
09- Driver Passenger Seat
09- Front / Rear Seat
09- Front Storage Compartment
10- Electrical Accessories 1
10- Electrical Accessories 2
10- Electrical Accessories 3
10- Electrical Accessories 4
10- Electrical Box
10- Electrical System
10- Typical Electrical Connections
01- Cooling System
01- Crankcase, Rotary Valve
01- Crankshaft And Pistons
01- Cylinder, Exhaust Manifold
01- Engine Support And Muffler
02- Air Intake System
02- Carburetor
02- Fuel System
02- Oil Injection System
03- Magneto, Oil Pump
04- Starter
05- Control Handle
05- Drive System
05- Propulsion System
05- Reverse
05- Weedless System
07- Steering System
09- Accessories Sport Boats
09- Body And Accessories 1
09- Body And Accessories 2
09- Body And Accessories 3
09- Decals
09- Driver Passenger Seat
09- Front / Rear Seat
09- Front Storage Compartment
10- Electrical Accessories 1
10- Electrical Accessories 2
10- Electrical Accessories 3
10- Electrical Accessories 4
10- Electrical Box
10- Electrical System
10- Typical Electrical Connections
View Cart
VIEW WISH LIST