Polaris
Browse New Models
Shop In-Stock
Can-Am
Browse New Models
Shop In-Stock
Ski-Doo
Browse New Models
Shop In-Stock
Sea-Doo
Browse New Models
Shop In-Stock
Kayo
Browse New Models
Shop In-Stock
Manitou
Browse New Models
Shop In-Stock
Our
Location
Call
Us
Contact
Us
Toggle navigation
Home
Brands
Showroom
Manufacturer Models
OEM Promotions
Polaris Off-Road
Polaris Snowmobiles
Can-Am
Sea-Doo
Ski-Doo
Kayo
Yamaha Marine
Triton Trailers
Manitou
Nitro Trailers
CAM Superline
Durabull Trailers
Trifecta Pontoons
Inventory
All Inventory In Stock
New Inventory In Stock
Pre-Owned Inventory
Value Your Trade-In
Request a Model
Financing
Parts
Parts Department
OEM Parts Finder
Service
Service Department
Request Polaris Service
Warranty & Recall Look-Up
Financing
About
Our Dealership
Our Team
Reviews
Customer Survey
Newsletter Sign-Up
Employment
Events
Location & Hours
Contact
Call Us
Fort Kent, ME
Fiche | Parts Diagrams
2005 Sea-Doo
Home
›
Parts
›
OEM Parts Finder
Search by :
Part / Desc
VIN
Please Select
Can-Am
LYNX
Polaris
Sea-Doo
Ski-Doo
Yamaha
*Please enter at least 3 characters
SEARCH
Manufacturer
Sea-doo
Boats
2005
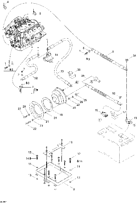
Sportster 4-TEC SCIC
View Cart
VIEW WISH LIST
Select a Section
Show/Hide
01- Cooling System
01- Crankshaft, Pistons And Balance Shaft
01- Cylinder Head
01- Engine And Air Intake
01- Engine Block
01- Exhaust System
02- Air Intake Manifold
02- Fuel System
02- Oil Separator
02- Supercharger
03- PTO Cover And Magneto
05- Control Handle
05- Propulsion
05- Pump
05- Reverse
07- Steering System
09- Body And Accessories
09- Central Cover And Accessories
09- Decals
09- Engine Compartment And Accessories
09- Front Storage Compartment
09- Hull 1
09- Hull 2
09- Lower Hull
09- Rear Ladder
09- Seat
09- Tower And Bimini Top
10- Electrical Accessories 1
10- Electrical Accessories 2
10- Electrical Harness
10- Electrical System
10- Engine Harness
01- Cooling System
01- Crankshaft, Pistons And Balance Shaft
01- Cylinder Head
01- Engine And Air Intake
01- Engine Block
01- Exhaust System
02- Air Intake Manifold
02- Fuel System
02- Oil Separator
02- Supercharger
03- PTO Cover And Magneto
05- Control Handle
05- Propulsion
05- Pump
05- Reverse
07- Steering System
09- Body And Accessories
09- Central Cover And Accessories
09- Decals
09- Engine Compartment And Accessories
09- Front Storage Compartment
09- Hull 1
09- Hull 2
09- Lower Hull
09- Rear Ladder
09- Seat
09- Tower And Bimini Top
10- Electrical Accessories 1
10- Electrical Accessories 2
10- Electrical Harness
10- Electrical System
10- Engine Harness
View Cart
VIEW WISH LIST