Polaris
Browse New Models
Shop In-Stock
Can-Am
Browse New Models
Shop In-Stock
Ski-Doo
Browse New Models
Shop In-Stock
Sea-Doo
Browse New Models
Shop In-Stock
Kayo
Browse New Models
Shop In-Stock
Manitou
Browse New Models
Shop In-Stock
Our
Location
Call
Us
Contact
Us
Toggle navigation
Home
Brands
Showroom
Manufacturer Models
OEM Promotions
Polaris Off-Road
Polaris Snowmobiles
Can-Am
Sea-Doo
Ski-Doo
Kayo
Yamaha Marine
Triton Trailers
Manitou
Nitro Trailers
CAM Superline
Durabull Trailers
Trifecta Pontoons
Inventory
All Inventory In Stock
New Inventory In Stock
Pre-Owned Inventory
Value Your Trade-In
Request a Model
Financing
Parts
Parts Department
OEM Parts Finder
Service
Service Department
Request Polaris Service
Warranty & Recall Look-Up
Financing
About
Our Dealership
Our Team
Reviews
Customer Survey
Newsletter Sign-Up
Employment
Events
Location & Hours
Contact
Call Us
Fort Kent, ME
Fiche | Parts Diagrams
2008 Sea-Doo
Home
›
Parts
›
OEM Parts Finder
Search by :
Part / Desc
VIN
Please Select
Can-Am
LYNX
Polaris
Sea-Doo
Ski-Doo
Yamaha
*Please enter at least 3 characters
SEARCH
Manufacturer
Sea-doo
Boats
2008
180 Challenger 215
View Cart
VIEW WISH LIST
Select a Section
Show/Hide
00- Model Numbers Edition 1
00- Model Numbers Edition 2
01- Cooling System Edition 1
01- Cooling System Edition 2
01- Crankshaft And Pistons
01- Cylinder Head
01- Engine And Air Intake Silencer Edition 1
01- Engine And Air Intake Silencer Edition 2
01- Engine Block
01- Exhaust System Edition 1
01- Exhaust System Edition 2
02- Air Intake Manifold And Throttle Body V3 Sport Boats
02- Fuel System
02- Oil Separator
02- Supercharger V2 Sport Boats
03- PTO Cover And Magneto V3 Sport Boats
05- Control Handle
05- Propulsion
05- Pump
05- Reverse
07- Steering
09- Body And Accessories
09- Central Cover And Accessories
09- Decals
09- Front Console And Glove Box
09- Hull
09- Lower Hull
09- Lower Hull And Ladder
09- Seat
09- Seat, Front View
09- Seat, Rear View
09- Storage Compartment
09- Windshield
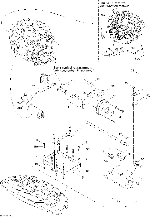
10- Electrical Accessories 1
10- Electrical Accessories 2
10- Electrical Accessories 3
10- Electrical Accessories 4
10- Electrical Accessories 5
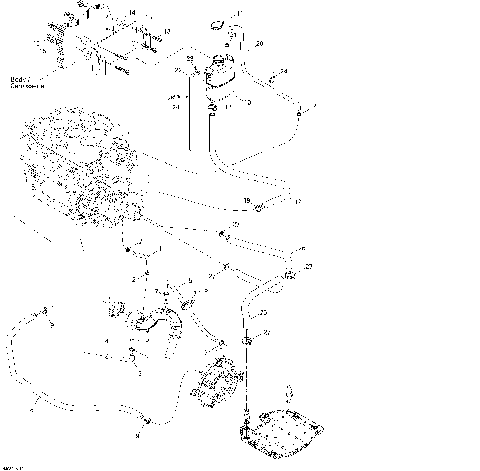
10- Electrical Harness Edition 1
10- Electrical Harness Edition 2
10- Electrical System Edition 1
10- Electrical System Edition 2
10- Engine Harness
99- Sport Boats Publications
00- Model Numbers Edition 1
00- Model Numbers Edition 2
01- Cooling System Edition 1
01- Cooling System Edition 2
01- Crankshaft And Pistons
01- Cylinder Head
01- Engine And Air Intake Silencer Edition 1
01- Engine And Air Intake Silencer Edition 2
01- Engine Block
01- Exhaust System Edition 1
01- Exhaust System Edition 2
02- Air Intake Manifold And Throttle Body V3 Sport Boats
02- Fuel System
02- Oil Separator
02- Supercharger V2 Sport Boats
03- PTO Cover And Magneto V3 Sport Boats
05- Control Handle
05- Propulsion
05- Pump
05- Reverse
07- Steering
09- Body And Accessories
09- Central Cover And Accessories
09- Decals
09- Front Console And Glove Box
09- Hull
09- Lower Hull
09- Lower Hull And Ladder
09- Seat
09- Seat, Front View
09- Seat, Rear View
09- Storage Compartment
09- Windshield
10- Electrical Accessories 1
10- Electrical Accessories 2
10- Electrical Accessories 3
10- Electrical Accessories 4
10- Electrical Accessories 5
10- Electrical Harness Edition 1
10- Electrical Harness Edition 2
10- Electrical System Edition 1
10- Electrical System Edition 2
10- Engine Harness
99- Sport Boats Publications
View Cart
VIEW WISH LIST