Polaris
Browse New Models
Shop In-Stock
Can-Am
Browse New Models
Shop In-Stock
Ski-Doo
Browse New Models
Shop In-Stock
Sea-Doo
Browse New Models
Shop In-Stock
Kayo
Browse New Models
Shop In-Stock
Manitou
Browse New Models
Shop In-Stock
Our
Location
Call
Us
Contact
Us
Toggle navigation
Home
Brands
Showroom
Manufacturer Models
OEM Promotions
Polaris Off-Road
Polaris Snowmobiles
Can-Am
Sea-Doo
Ski-Doo
Kayo
Yamaha Marine
Triton Trailers
Manitou
Nitro Trailers
CAM Superline
Durabull Trailers
Trifecta Pontoons
Inventory
All Inventory In Stock
New Inventory In Stock
Pre-Owned Inventory
Value Your Trade-In
Request a Model
Financing
Parts
Parts Department
OEM Parts Finder
Service
Service Department
Request Polaris Service
Warranty & Recall Look-Up
Financing
About
Our Dealership
Our Team
Reviews
Customer Survey
Newsletter Sign-Up
Employment
Events
Location & Hours
Contact
Call Us
Fort Kent, ME
Fiche | Parts Diagrams
2007 Ski-Doo Snowmobiles
Home
›
Parts
›
OEM Parts Finder
Search by :
Part / Desc
VIN
Please Select
Can-Am
LYNX
Polaris
Sea-Doo
Ski-Doo
Yamaha
*Please enter at least 3 characters
SEARCH
Manufacturer
Ski-doo
Snowmobiles
2007
GSX Sport 600 HO SDI
View Cart
VIEW WISH LIST
Select a Section
Show/Hide
01- Cooling System
01- Crankcase, Water Pump And Oil Pump
01- Crankshaft And Pistons
01- Cylinder and Cylinder Head
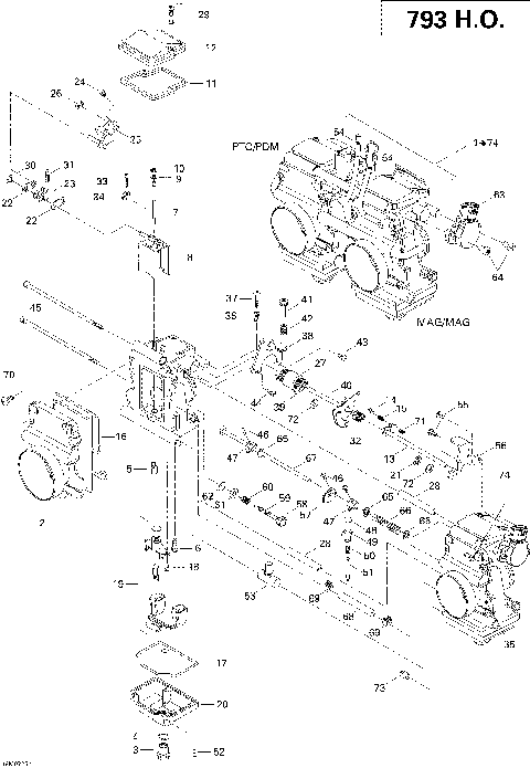
01- Engine 600HOSDI
01- Exhaust System 600 HO SDI
02- Air Intake System 600 HO SDI
02- Carburetor
02- Fuel System Sport 600 HO SDI
02- Oil System 600 HO SDI
02- Throttle Body
03- Magneto
04- Electric Starter
04- Rewind Starter
05- Drive System Sport 600 HO SDI
05- Pulley System 600HO SDI
06- Hydraulic Brakes
07- Front Suspension And Ski Sport
07- Steering System 600 HO SDI
08- Front Arm
08- Rear Arm
08- Rear Suspension
08- Rear Suspension Shocks Sport
09- Bottom Pan Sport
09- Decals Sport 600 HO SDI
09- Frame
09- Frame and Components 600 HO SDI
09- Hood SPORT
09- Luggage Rack Sport
09- Seat SPORT
09- Utilities
09- Windshield And Console Sport 600 HO SDI
10- Battery And Starter 600 HO SDI
10- Electrical Accessories Sport 600 HO SDI
10- Electrical Accessories Sport 600HO SDI
10- Electrical Harness 600HO SDI
10- Engine Harness And Electronic Module
10- Steering Wiring Harness 600 HO SDI
01- Cooling System
01- Crankcase, Water Pump And Oil Pump
01- Crankshaft And Pistons
01- Cylinder and Cylinder Head
01- Engine 600HOSDI
01- Exhaust System 600 HO SDI
02- Air Intake System 600 HO SDI
02- Carburetor
02- Fuel System Sport 600 HO SDI
02- Oil System 600 HO SDI
02- Throttle Body
03- Magneto
04- Electric Starter
04- Rewind Starter
05- Drive System Sport 600 HO SDI
05- Pulley System 600HO SDI
06- Hydraulic Brakes
07- Front Suspension And Ski Sport
07- Steering System 600 HO SDI
08- Front Arm
08- Rear Arm
08- Rear Suspension
08- Rear Suspension Shocks Sport
09- Bottom Pan Sport
09- Decals Sport 600 HO SDI
09- Frame
09- Frame and Components 600 HO SDI
09- Hood SPORT
09- Luggage Rack Sport
09- Seat SPORT
09- Utilities
09- Windshield And Console Sport 600 HO SDI
10- Battery And Starter 600 HO SDI
10- Electrical Accessories Sport 600 HO SDI
10- Electrical Accessories Sport 600HO SDI
10- Electrical Harness 600HO SDI
10- Engine Harness And Electronic Module
10- Steering Wiring Harness 600 HO SDI
View Cart
VIEW WISH LIST